Tail and Parking Lights Not working?

Tiny
DODGEBABY
  • MEMBER
  • 2 POSTS
  • 1993 DODGE DAKOTA
  • 6 CYL
  • 2WD
  • MANUAL
  • 277,000 MILES
My tail light socket (it just controls my tail lights- brake/turn lights still work), on my my 93 dodge dakota sport -V6 -rear-wheel drive truck, needs to be replaced. The replacement part they gave me has three wires (2 black and one white). However, the socket I am replacing only has two wires. Is one of the black wires a grounding wire? I was told there were no sockets with two wires available for my truck, so I need to know what to do with the third wire. Also, The socket I am replacing has a green and purple wire, how do those match with the black and white? Thank you!
Was this
answer
helpful?
Yes
No
Thursday, December 3rd, 2020 AT 10:13 AM (Merged)
Tiny
HMAC300
  • MECHANIC
  • 48,601 POSTS
I'm sending a schematic and if you click it it will get larger but copy it and them make it larger if you want. The purple wire goes to the back up light and the green to the tail light. What yo have is probably an aftermarket light. You'll have ot try and see where the leads light the new lights. Then mark them.
Was this
answer
helpful?
Yes
No
Thursday, December 3rd, 2020 AT 10:13 AM (Merged)
Tiny
DODGEBABY
  • MEMBER
  • 2 POSTS
Sorry, I was not clear. The new socket has 2 black and 1 white wire. Do I match the white wire to the existing green or purple wire?
What do I do with the third wire on the new socket (the existing socket only has two wires)?
Was this
answer
helpful?
Yes
No
Thursday, December 3rd, 2020 AT 10:13 AM (Merged)
Tiny
HMAC300
  • MECHANIC
  • 48,601 POSTS
Like I said before you'll have to test each wire to see what it operates. Put a ground wire to the socket on the new tailight, thenput juice to each wire to see whatlights up. The schematic I sent you will explain which wire is which.
Was this
answer
helpful?
Yes
No
Thursday, December 3rd, 2020 AT 10:13 AM (Merged)
Tiny
SUZONDA
  • MEMBER
  • 1 POST
  • 1992 DODGE DAKOTA
  • 3.9L
  • V6
  • 4WD
  • AUTOMATIC
  • 128,255 MILES
So recently I have driven my vehicle that has an automatic transmission and is a four wheel drive over some rather bumpy roads and I hit just wrong, then the dash, park lights, and marker lights went out. I put a volt meter to the sockets and all four are reading resistance if the prongs are put between ground and both park and bright.
I took the headlight switch out and that seemed to be fine itself, but when I connect ground to the black/yellow, yellow, pink, blue/black, or green wire it also beeps. I put a Jumper wire directly from positive In to the black/yellow and it seems to be working. If I jump positive In to the other wires listed above it sparks. The doors switches, radio, dome light, and rear harness are unplugged. Six hrs of fine combing and still nothing.
Was this
answer
helpful?
Yes
No
Thursday, December 3rd, 2020 AT 10:14 AM (Merged)
Tiny
JDL
  • MECHANIC
  • 16,098 POSTS
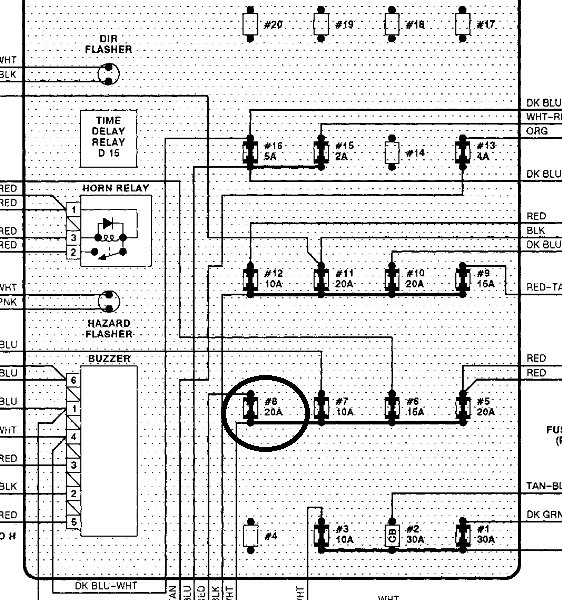
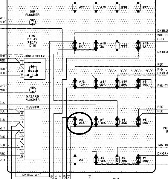
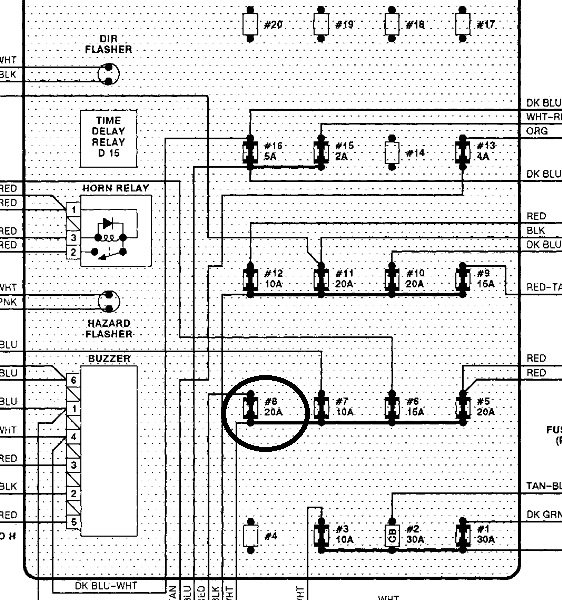
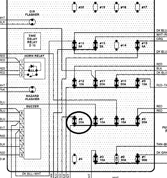
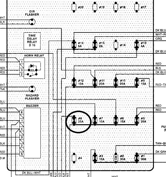
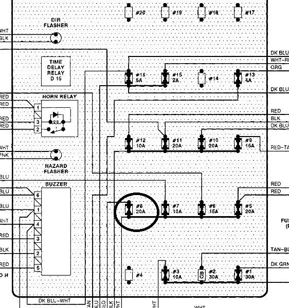
Check fuse 8--20 amp, interior fuse box. Check for voltage at fuse circuit, should be hot all the time, use a testlite or voltmeter. If no voltage, there may be another fuse involved. Voltage from that fuse goes to headlamp switch for park lamps.
Was this
answer
helpful?
Yes
No
-1
Thursday, December 3rd, 2020 AT 10:14 AM (Merged)
Tiny
JDL
  • MECHANIC
  • 16,098 POSTS
I forgot to post this, tail lamp testing.
https://www.2carpros.com/articles/no-tail-lights-exterior-running-lights-tail-lights-out
Was this
answer
helpful?
Yes
No
Thursday, December 3rd, 2020 AT 10:14 AM (Merged)
Tiny
RITTER
  • MEMBER
  • 4 POSTS
  • 1991 DODGE DAKOTA
Electrical problem
1991 Dodge Dakota Two Wheel Drive Automatic 135 k miles

i have a 91 dodge dakota sport and the dash lights dont work for the gages but the stuff below works ex. The high beams and turning signal icons still light up. And the tail lights dont work but I have brake lights and my signals still what could be the resson for this?
Was this
answer
helpful?
Yes
No
Thursday, December 3rd, 2020 AT 10:14 AM (Merged)
Tiny
INTERNETMECHANIC
  • MECHANIC
  • 700 POSTS
Did you check applicable fuse circuits? Black wire with yellow tracer is voltage for rear taillites. With the headlamp switch turned on, that wire should be hot, If no voltage, check voltage feed to and from the headlamp switch.
Was this
answer
helpful?
Yes
No
+1
Thursday, December 3rd, 2020 AT 10:14 AM (Merged)
Tiny
BUCK211
  • MEMBER
  • 34 POSTS
  • 1990 DODGE DAKOTA
  • 3.9L
  • V6
  • 2WD
  • AUTOMATIC
  • 220,225 MILES
Recently had tail lights an dash lights go out. Found burnt wiring from previous owner. Replaced or repaired all bad wires. Now head/brake lights, front/rear turn signal work. However tail lights and front side signals do not. Not a blown fuse or bulb. Checked those. Have replaced every burnt wire an made proper connections according to Haynes manual. My headlights also now turn on with the first pull of switch, any ideas where I may have went wrong or better color wire d gram from headlight switch to fuse box?
Thank you for reading this, any and all help or information is appreciated.

Rob W
Was this
answer
helpful?
Yes
No
Thursday, December 3rd, 2020 AT 10:14 AM (Merged)
Tiny
CARADIODOC
  • MECHANIC
  • 34,468 POSTS
Sounds like you switched some wires, but given the recent history, it is also possible some wires are still melted together. Because of the unusual situation, I recommend going right to the head light switch connector and jumping various wires together so we can see what works properly and what doesn't.

To start, remove the head light switch and unplug its connector. Use a jumper wire or stretched-out paper clip and connect the red wire to the light green wire. Be careful with the colors because there is also a light green with black tracer. You want the light green with no tracer. The head lights should turn on and the dimmer switch should work properly. Be sure the high-beam indicator turns on full brightness when the high beams are on. The tail lights, running lights, and dash lights should not be on. If everything is correct so far, remove that jumper wire.

Next, jump the pink to the black/yellow. The tail lights and running lights should turn on. The dash lights should not turn on, but if the ignition switch is on, the radio's display should go very dim. Check the flash-to-pass function with the dimmer switch. No head lights or other lights should turn on.

Where were the burned wires and how did you repair them? Were any switch terminals overheated? Where there overheated terminals in a connector?
Was this
answer
helpful?
Yes
No
+1
Thursday, December 3rd, 2020 AT 10:14 AM (Merged)
Tiny
BUCK211
  • MEMBER
  • 34 POSTS
To Cardiodoc:

Thank you for replying, the burnt wires were from headlight switch. They were pink and black/Yellow. Pink wire burnt from switch to fuse box. Then the black/Yellow burnt from switch to where it connects with harness at firewall, an from there to radio. The headlight switch also burnt out at the spots where those wires connected to it. All wires and connections were replaced with same exact wires from harness from parts truck. Headlight switch also replaced. Fuses checked, bulbs checked. Good.
Was curious if you could tell me how I may have the headlights hooked up to come on with first pull of switch? Also, thank you for the information on trying the jump wire. Will be trying after work tomorrow. Will update ASAP.
Was this
answer
helpful?
Yes
No
Thursday, December 3rd, 2020 AT 10:14 AM (Merged)
Tiny
BUCK211
  • MEMBER
  • 34 POSTS
Pictures are of headlight switch and connector. I do not know if that helps or not. Again, any and all Information appreciated.
Was this
answer
helpful?
Yes
No
Thursday, December 3rd, 2020 AT 10:14 AM (Merged)
Tiny
CARADIODOC
  • MECHANIC
  • 34,468 POSTS
I can see by the first photo this was not caused by the switch. Any time you have a mechanical connection, meaning the contacts inside the switch, and the terminals in the plug that mate to the terminals in the switch, anything less than a perfect connection causes a little resistance, and current flowing through a resistance generates heat. That heat expands the terminals to create more resistance, and that makes more heat. When that starts with a pitted or arced contact in the switch, the heat migrates out to the terminals and makes them black. It also overheats the first four inches of those wires, but not to the point of melting the insulation. That part of the wire will just become real hard, and solder will not adhere to it, so that four inches must be replaced.

The additional clue is the total length of the wires has melted insulation. That means something on that line was shorted to ground. One real good suspect is if the truck has an aftermarket radio. The tail light circuit goes to the original radio to tell the display to dim at night. A different wire from the dash lights also goes to the radio to tell the display how much to dim. The clinker is there is no ground wire in the connectors for the radio. The ground is made through the braided strap bolted to the back of the radio. When people install an aftermarket radio, they often use an ohm meter to figure out which is the ground wire, and they mistakenly find the black/yellow because the meter reads through the tail light bulbs, then to ground. The same thing can happen with the orange wire at the radio, but that one goes through a fuse first, so it would just blow that dash light fuse. (Between the fuse and head light switch, that is a tan wire).

There is a 20-amp fuse in the pink supply wire, but if it did not blow, that means there was enough current flowing to overheat the wire eventually, but less than 20 amps. That is unless someone put in a larger fuse. If the black/yellow wire was used for the ground for an aftermarket radio, that circuit would have gone to ground through the radio's metal case, then through the outer shield on the antenna cable, and to ground through the base of the antenna into the fender. That is a dandy ground for shielding out interference, but it is a terrible ground for current flow. That could explain why not enough current flowed to blow the fuse.

Check fuse number five and be sure it is a 20-amp. If someone stuffed a larger one in there, and a proper 20-amp blows, that is a good thing. I have a trick for working with that.

Let me know what you find after jumping those two wire pairs. Be careful when you do that. If something is shorted, ten to fifteen amps through a stretched-out paper clip will turn it red-hot. It is best to not be holding onto it for very long that way.
Was this
answer
helpful?
Yes
No
+1
Thursday, December 3rd, 2020 AT 10:14 AM (Merged)
Tiny
BUCK211
  • MEMBER
  • 34 POSTS
Cardiodoc:
I'm sorry for the delay in answering ya back. Between laying block all day, and replacing the radiator in the same truck SMDH, I didn't have time to check those jump wires til now. When I jumped 1st set, Red/LG everything did what u said it would. When I jumped the 2nd set the Pnk Blk/Yw wires, the headlights came on again, no tail lights or side signals. I PRAY this helps u to help me figure this out. If I was any less stubborn, I'd honestly probably have sold this truck. BUT I refuse to let it whoop me. Lol. I've got to much blood, sweat, tears and LOOONG wrench nights into her to just give up on the ole girl. Lol.
Ty again for the help, idk where I'd be looking if not for you guys at 2carpros. I LOVE THIS SITE!

Rob W
Was this
answer
helpful?
Yes
No
Thursday, December 3rd, 2020 AT 10:14 AM (Merged)
Tiny
DMLAND28
  • MEMBER
  • 1 POST
  • 1989 DODGE DAKOTA
  • 6 CYL
  • 4WD
  • AUTOMATIC
  • 250,000 MILES
When I pull the switch my head lights tail lights and brake lights don't work. What can the problem be and how do I fix it myself. Is it a switch and where is it located or is it a fuse and if it is a fuse what amp?
Was this
answer
helpful?
Yes
No
Thursday, December 3rd, 2020 AT 10:14 AM (Merged)
Tiny
CARADIODOC
  • MECHANIC
  • 34,468 POSTS
The brake lights are totally independent of the head lights, so either you have two or three different problems, or you have to look for what they all have in common. In this case there is likely going to be a fusible link in common. The closest service manual I have is for an '87 model, but it should be the same. That shows a gray fuse link wire that feeds those lights and the horn. If that link is burned open, the horn won't work either. All of the fuse link wires are in a bundle near the left front shock absorber. You test them by pulling on them. If one acts like a wire, it's good. If it acts like a rubber band, it's burned open.
Was this
answer
helpful?
Yes
No
+2
Thursday, December 3rd, 2020 AT 10:14 AM (Merged)
Tiny
BUCK211
  • MEMBER
  • 34 POSTS
When the ole girl won't go to the garage, the garage goes to her. Built this around the cab to stay warm & dry while working in rain and cold. Lol.
Was this
answer
helpful?
Yes
No
+1
Thursday, December 3rd, 2020 AT 10:14 AM (Merged)
Tiny
CARADIODOC
  • MECHANIC
  • 34,468 POSTS
I see a problem, ... I think.

Clarify "When I jumped 1st set, Red/LG everything did what u said it would".

You said when you jumped the pink to the black / yellow, the head lights came on. That's not good. The pink is one of the 12 volt supply wires. The black / yellow goes to the tail lights, not the head lights.

For the record, I would rather be driving your '90 than anything newer with all kinds of unnecessary computers. My daily driver is a rusty '94 Grand Voyager, only because my '88 Grand Caravan is so rusty, the carpet is the only thing holding the front and rear together. Any chance you can find me another '88 with 15" wheels and no rust?
Was this
answer
helpful?
Yes
No
+1
Thursday, December 3rd, 2020 AT 10:14 AM (Merged)
Tiny
CARADIODOC
  • MECHANIC
  • 34,468 POSTS
I see another potential problem. The truck seems to have eaten a man!
Was this
answer
helpful?
Yes
No
+1
Thursday, December 3rd, 2020 AT 10:14 AM (Merged)

Please login or register to post a reply.