Radio wiring diagrams please?

Tiny
THOMAS WATSON2
  • MEMBER
  • 2020 KIA OPTIMA
  • V6
  • 2WD
  • AUTOMATIC
  • 7,000 MILES
Can any one help me with the factory radio wire color diagram for car listed above FE? It has no factory amp so I’m trying to put in a converter for my subs?
Monday, July 6th, 2020 AT 12:53 PM

55 Replies

Tiny
ASEMASTER6371
  • MECHANIC
  • 52,796 POSTS
Good morning,

I found the diagram for you and posted it below.

https://www.2carpros.com/articles/how-to-check-wiring

Check out the diagrams (Below). Please let us know if you need anything else to get the problem fixed. Roy

Was this
answer
helpful?
Yes
No
+3
Thursday, February 11th, 2021 AT 7:09 AM
Tiny
TITAN2019
  • MEMBER
  • 1 POST
  • 2019 KIA OPTIMA
  • 2.4L
  • 4 CYL
  • 2WD
  • AUTOMATIC
  • 4,000 MILES
Hello, I am trying to find a wiring diagram for my 2019 Kia Optima LX+ factory stereo. Its a 7" touch screen with the back up cam, android auto but no UVO and no Nav. I have purchased an Audioconrol LC2I to run to my Amp's while keeping the functionality of my stock Radio and need to hook it up however, I'm not sure which color wires are for which set of speakers along with the accessory cable.
Was this
answer
helpful?
Yes
No
+1
Wednesday, March 10th, 2021 AT 7:09 PM (Merged)
Tiny
JACOBANDNICKOLAS
  • MECHANIC
  • 110,176 POSTS
Hi,

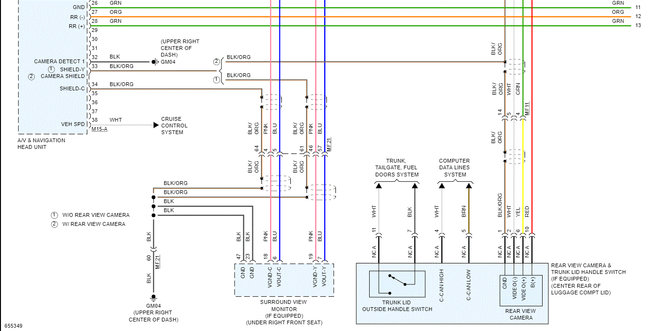
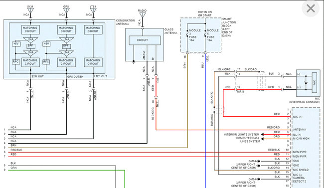
The schematic is three pages long. I had to break each page into 3 parts to make it readable for you, but I did overlap the pics so you could follow them. This is the entire system.

Let me know if this helps.

Take care,
Joe
Was this
answer
helpful?
Yes
No
+1
Wednesday, March 10th, 2021 AT 7:09 PM (Merged)
Tiny
JHARDT3
  • MEMBER
  • 1 POST
I have a 2019 kia Optima s without nav with HBO having problems finding speaker wiring diagram. Can anyone help?
Was this
answer
helpful?
Yes
No
-1
Wednesday, March 10th, 2021 AT 7:09 PM (Merged)
Tiny
JACOBANDNICKOLAS
  • MECHANIC
  • 110,176 POSTS
Hi,

I would be happy to get that for you, but I need more information. If you look at the attached picture below, I included all the radios for this model year. Several are without nav. Can you identify which one is yours?

Joe
Was this
answer
helpful?
Yes
No
Wednesday, March 10th, 2021 AT 7:09 PM (Merged)
Tiny
FRANCISCO PEREZ2
  • MEMBER
  • 3 POSTS
  • 2018 KIA OPTIMA
  • 2.0L
  • 4 CYL
  • 2WD
  • AUTOMATIC
  • 28,000 MILES
Hi, I have Navigation but stock speakers just 6 speakers and I'm trying to find the wiring diagram to install an amp using hi to low converter. I can't find anywhere on the internet. I Have the car listed above Sx. Also it would help a lot if you can help me identify which speakers are full range and mid range. Thanks in advance.
Was this
answer
helpful?
Yes
No
+1
Wednesday, March 10th, 2021 AT 7:09 PM (Merged)
Tiny
KENW1
  • MECHANIC
  • 213 POSTS
Thanks for visiting 2CarPros.

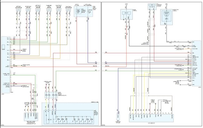
The speakers in the doors will be full range. I'll post the diagrams for this system below for you. If I can help further just let me know.
Was this
answer
helpful?
Yes
No
+1
Wednesday, March 10th, 2021 AT 7:09 PM (Merged)
Tiny
FRANCISCO PEREZ2
  • MEMBER
  • 3 POSTS
I can barely see the diagram I can only distinguish the different colors, so all door speakers are full range? It would be way easier for me to use the rear speakers for hi input signal.
Was this
answer
helpful?
Yes
No
+1
Wednesday, March 10th, 2021 AT 7:09 PM (Merged)
Tiny
KENW1
  • MECHANIC
  • 213 POSTS
I'll try to post a larger image of the speaker colors. I would use the rear ones for sure.
Was this
answer
helpful?
Yes
No
+1
Wednesday, March 10th, 2021 AT 7:09 PM (Merged)
Tiny
MICHAEL EVETT
  • MEMBER
  • 1 POST
  • 2018 KIA OPTIMA
  • 2.4L
  • 4 CYL
  • 2WD
  • AUTOMATIC
  • 44,000 MILES
Hey everyone!

I have the vehicle listed above s with the uvo without Harmon kardon.

I’m looking to tap the speakers at the radio harness to add a lc7i and a 4-channel. I love my stock head-unit but I’m not a fan of the sound it produces.

I’ve searched for hours with no luck.

Anyone happen to know which of the 2 plugs on the back of the radio holds the keys to my success?
Was this
answer
helpful?
Yes
No
Wednesday, March 10th, 2021 AT 7:09 PM (Merged)
Tiny
FRANCISCO PEREZ2
  • MEMBER
  • 3 POSTS
This one definitely helps. Thank you so much for the help, I will be posting an update on how the install went.
Was this
answer
helpful?
Yes
No
+1
Wednesday, March 10th, 2021 AT 7:09 PM (Merged)
Tiny
MOTOR MASTER
  • MECHANIC
  • 279 POSTS
Hello my name is Dave.

Here are the diagrams you are looking for. Let us know if there is anything else we can help you with and thank you for using 2CarPros! Check out the diagrams (Below). Please let us know if you need anything else to get the problem fixed.
Was this
answer
helpful?
Yes
No
Wednesday, March 10th, 2021 AT 7:09 PM (Merged)
Tiny
CHUCKMAN49
  • MEMBER
  • 1 POST
  • 2017 KIA OPTIMA
  • 2.4L
  • 4 CYL
  • 2WD
  • AUTOMATIC
  • 30,000 MILES
Looking for a wiring diagram for the base model stereo. Pinout diagram of head unit and speaker wire colors in main wire harness. Thanks.
Was this
answer
helpful?
Yes
No
Wednesday, March 10th, 2021 AT 7:09 PM (Merged)
Tiny
SCGRANTURISMO
  • MECHANIC
  • 4,897 POSTS
Hello again,
I thought I included the wiring diagrams for you in the diagrams down below earlier, but for some reason they did not make into the diagrams. I apologize for the mix up, and now they should be included in the diagrams down below.

Thanks,
Alex
2CarPros
Was this
answer
helpful?
Yes
No
+3
Wednesday, March 10th, 2021 AT 7:09 PM (Merged)
Tiny
JAMES BUSH2
  • MEMBER
  • 5 POSTS
Would this be the same diagram for a 2019 Kia optima that's what I'm looking for lx optima base radio. I want to hook up a line out converter and need the colors of right rear speaker and left rear speaker and also non constant power and ground

Thanks for your help
Was this
answer
helpful?
Yes
No
Wednesday, March 10th, 2021 AT 7:09 PM (Merged)
Tiny
SCGRANTURISMO
  • MECHANIC
  • 4,897 POSTS
Hello again,

I would almost assume so. I tried to pull some 2019 wiring diagrams for you, but they have not been made yet. I apologize for this. I can say that on an aftermarket stereo switched power would be the red wire, ground would be black, right rear would be purple wires, and left rear would be the green wires. On both speaker wires the black striped one would be the negative wire. But that's not helping here. You can look at the wiring diagram and compare your vehicle's wires and if the wires match, then you are golden.

Thanks,
Alex
2CarPros
Was this
answer
helpful?
Yes
No
+1
Wednesday, March 10th, 2021 AT 7:09 PM (Merged)
Tiny
JAMES BUSH2
  • MEMBER
  • 5 POSTS
  • 2017 KIA OPTIMA
  • 2.4L
  • 4 CYL
  • 2WD
  • AUTOMATIC
  • 35,000 MILES
I can't find a diagram for my car listed above base model with cruise no amp or upgraded stereo, but it does have a display.

Thanks for the help.
Was this
answer
helpful?
Yes
No
Wednesday, March 10th, 2021 AT 7:09 PM (Merged)
Tiny
JAMES BUSH2
  • MEMBER
  • 5 POSTS
Okay great I will try and see how close the diagram you put up and my hardness is thanks again for the help
Was this
answer
helpful?
Yes
No
Wednesday, March 10th, 2021 AT 7:09 PM (Merged)
Tiny
DANNY L
  • MECHANIC
  • 5,648 POSTS
Hello, I'm Danny.

Here is a radio/navigation wiring diagram based off a 2019 Kia Optima 2.0 hybrid. If this is not your vehicle you will need to be more specific and start a new question including all your vehicle information. I've attached the pictures below. Hope this helps and thanks for using 2CarPros.
Was this
answer
helpful?
Yes
No
Wednesday, March 10th, 2021 AT 7:09 PM (Merged)
Tiny
KEN L
  • MASTER CERTIFIED MECHANIC
  • 54,371 POSTS
Please let us know if you need anything else to get the problem fixed.
Was this
answer
helpful?
Yes
No
+1
Wednesday, March 10th, 2021 AT 7:09 PM (Merged)

Please login or register to post a reply.