Radio wiring diagrams please?

Tiny
DANNY L
  • MECHANIC
  • 5,648 POSTS
Hello again.

I would take a look at the orange CAN high data line wire that connects the amp to the head unit. I've attached the two pictures below and circled in blue. Let me know what you find. Hope this helps and thanks again for using 2CarPros. Happy Thanksgiving.

Danny-
Was this
answer
helpful?
Yes
No
Wednesday, March 10th, 2021 AT 7:10 PM (Merged)
Tiny
JVMRTNZ
  • MEMBER
  • 3 POSTS
Hi, I was wondering if I could get a wiring diagram for my 2018 Optima LX+ 2.4L no UVO, no Amp. Would it be the same as the 2019 as posted above?
Was this
answer
helpful?
Yes
No
Monday, July 26th, 2021 AT 1:41 PM
Tiny
ASEMASTER6371
  • MECHANIC
  • 52,796 POSTS
Good afternoon,

I attached the diagram for you of the system you requested.

Roy
Was this
answer
helpful?
Yes
No
+1
Monday, July 26th, 2021 AT 2:33 PM
Tiny
JVMRTNZ
  • MEMBER
  • 3 POSTS
Thank you so much!
Was this
answer
helpful?
Yes
No
Monday, July 26th, 2021 AT 8:49 PM
Tiny
ASEMASTER6371
  • MECHANIC
  • 52,796 POSTS
You are welcome.

Always glad to help.

Roy
Was this
answer
helpful?
Yes
No
Monday, July 26th, 2021 AT 9:02 PM
Tiny
DALE GUCCI FLY ALLEN
  • MEMBER
  • 1 POST
Hello, my name is Dale. I have a 2014 Kia Sportage awd I need a color coded wiring diagram for UVO wnavi and backup camera. Replacing the head unit because was having a lot of connections issues and wanted Apple Car
play and Android auto and I have a subwoofer factory.
Was this
answer
helpful?
Yes
No
Saturday, August 14th, 2021 AT 4:14 AM
Tiny
JACOBANDNICKOLAS
  • MECHANIC
  • 110,194 POSTS
Hi,

I would be happy to help, but I'm not showing the UVO with navigation. It only shows it without nav. Take a look at the attached pic to see the options that were offered.

Let me know which you feel is the correct one for your vehicle.

Take care and let me know.

Joe
Was this
answer
helpful?
Yes
No
Wednesday, August 18th, 2021 AT 2:27 PM
Tiny
TYLERREID
  • MEMBER
  • 1 POST
Hey 2CarPros! I am in desperate need of a wiring diagram for a 2022 Kia K5 GT-Line with the 6 speaker factory system. The GT comes with a Bose system and that is not the case for me. I am wanting to add a powered sub and need to know what wires to tap into!
Was this
answer
helpful?
Yes
No
Saturday, January 1st, 2022 AT 11:55 AM
Tiny
JACOBANDNICKOLAS
  • MECHANIC
  • 110,194 POSTS
Hi,

Because the vehicle is so new, neither of my manuals have the wiring schematics available yet. The only things I was able to find for the 2022 are the pinout or the rear of the radio, and I do have schematics for a 2021.

Let me know if either of these will be helpful and I'll get them to you.

Joe
Was this
answer
helpful?
Yes
No
Saturday, January 1st, 2022 AT 9:52 PM
Tiny
ROLAND ECKHOF
  • MEMBER
  • 1 POST
Hi, I have a 2019 Kia Optima FE and I am wanting to hook up a 6 channel LOC (front, rear, sub) so I can keep the factory head unit. I noticed that when I use Android Auto Navi and when I talk through Bluetooth the only speakers that are working are the dash speakers. How would I hook it up to still have the ability to have just the dash speakers work when I am talking through the Bluetooth and using Android Auto Navi but have all the speakers work when I'm playing music.
Was this
answer
helpful?
Yes
No
Saturday, February 26th, 2022 AT 12:31 PM
Tiny
JACOBANDNICKOLAS
  • MECHANIC
  • 110,194 POSTS
Hi,

I need to ask a favor. We try to keep the threads to one specific topic because it helps others. Someone will be happy to help, but would you mind starting a new thread? The question you are asking is somewhat different than the previous one on this thread.

Here is the link to start a new one. Simply copy and paste your question and someone will help. Also, we may need to see the wiring schematic from the new components to be able to assist, so if you have them, take pics of them and upload them to us.

https://www.2carpros.com/questions/new

One last thought, if you are installing a line output converter on the vehicle, that really shouldn't change the speaker output because the signal won't change. Since you are adding an amp, you should be able to just tap into the stereo’s speaker wires to pick up the audio signal needed to feed your amp. As long as you’re only tapping the wires, then you'll still get audio from those speakers.

However, let us know what we can do to help.

Take care,

Joe
Was this
answer
helpful?
Yes
No
Saturday, February 26th, 2022 AT 7:26 PM
Tiny
JEREMY JASPER
  • MEMBER
  • 1 POST
Hello. I am with TYLERREID as I also have a 2022 Kia K5 GT-line with the non-Bose system. I installed an all-in-one sub/amp and it has been running for about month. The only issue I have is that I tapped into a wire that also is a "proximity area" for the remote power. That means anytime I get close to the car with the FOB, the sub/amp powers up. I changed the tap and bought an Add a fuse and put it into an "outlet" fuse but it does the same. I feel like everything turns on when close to the car. Any chance you have the wiring diagram? The 2021 is the exact same car. Or, doo you know which fuse I can tap into so that it only powers on when the car is in accessory mode or even start mode? Thanks.
Was this
answer
helpful?
Yes
No
Monday, October 3rd, 2022 AT 7:35 AM
Tiny
JACOBANDNICKOLAS
  • MECHANIC
  • 110,194 POSTS
Hi Tyler,

It is likely we do have the schematic. I have to ask that you copy and paste your question to a new post. We try to keep the threads specific to one issue and one model/year. I hope you understand.

Here is the link to start your own thread:

https://www.2carpros.com/questions/new

Again, I hope you understand. Also, I would feel much better looking through schematics for the specific year of your vehicle. They do change little things and I don't want to provide inaccurate information.

Take care of yourself and I'll watch for your new post.

Joe
Was this
answer
helpful?
Yes
No
Monday, October 3rd, 2022 AT 8:18 PM
Tiny
FORMATZZ
  • MEMBER
  • 1 POST
Hi. Maybe you have wiring diagram for kia k5 2020 - 10, 25" touch screen (Bose) with surround view monitor 360.
Was this
answer
helpful?
Yes
No
Tuesday, July 11th, 2023 AT 4:42 AM
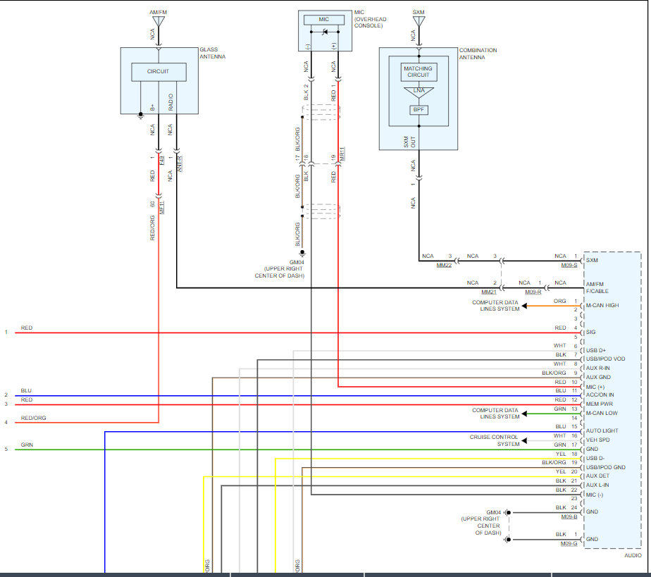
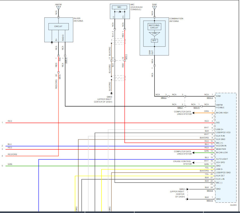
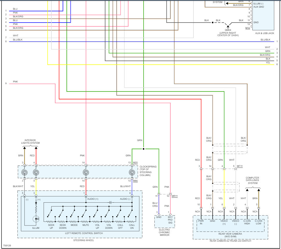
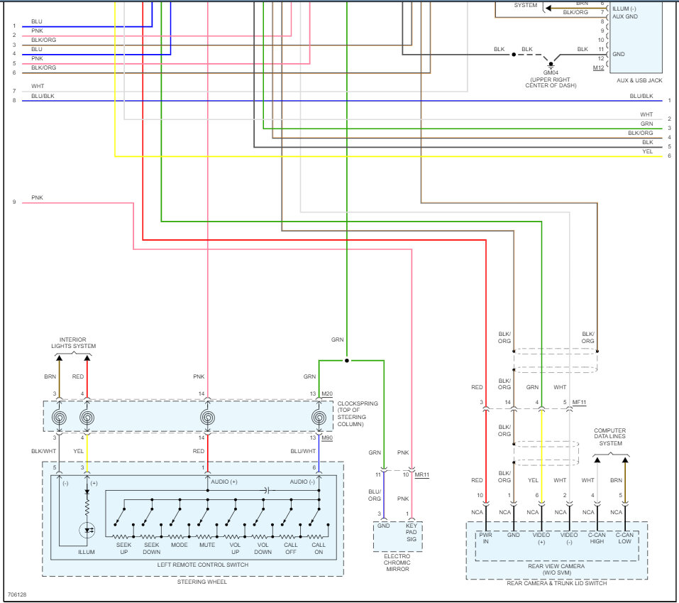
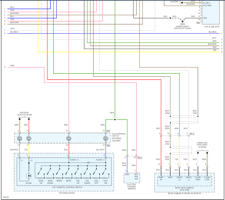
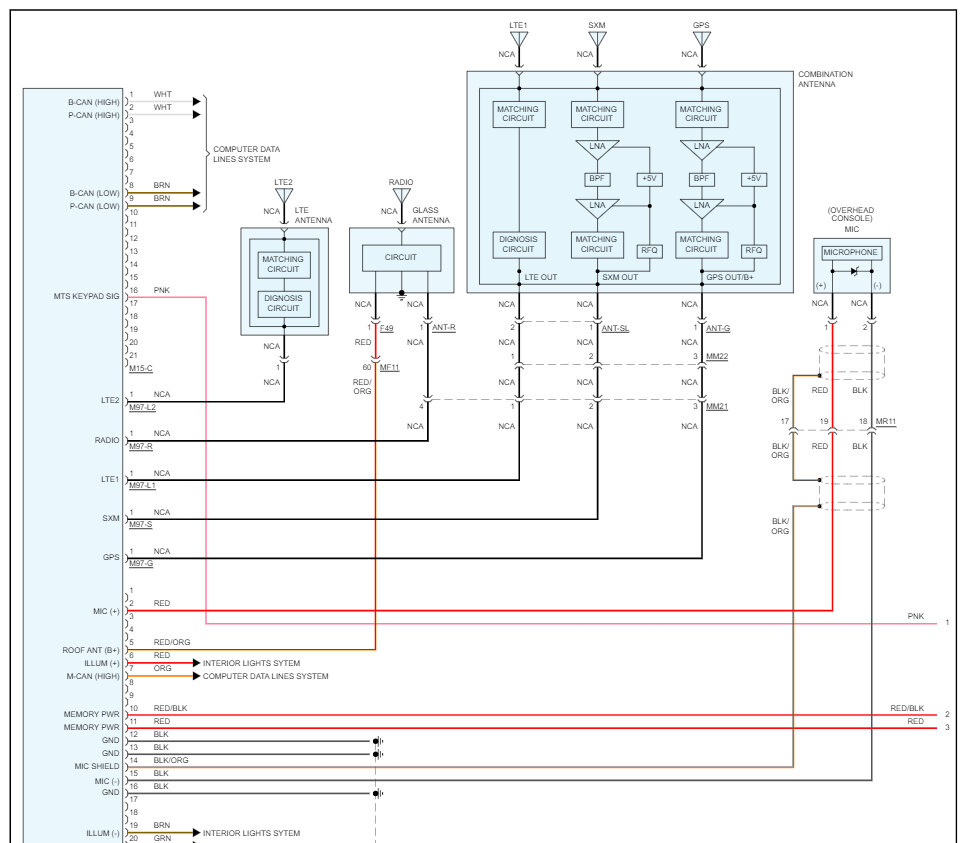
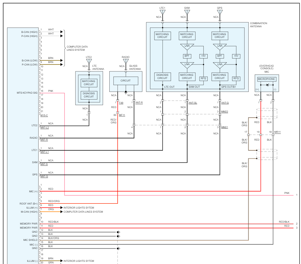
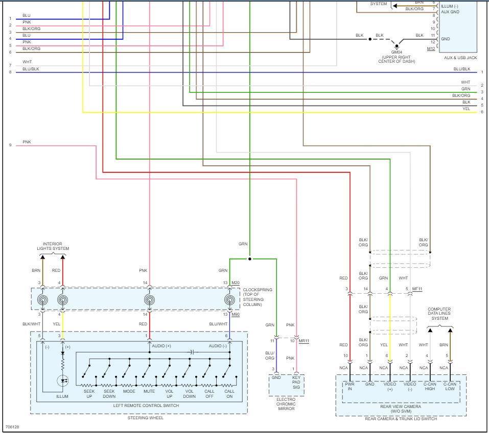
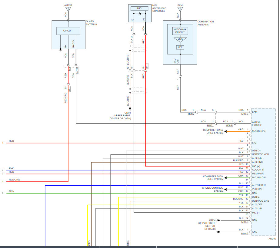
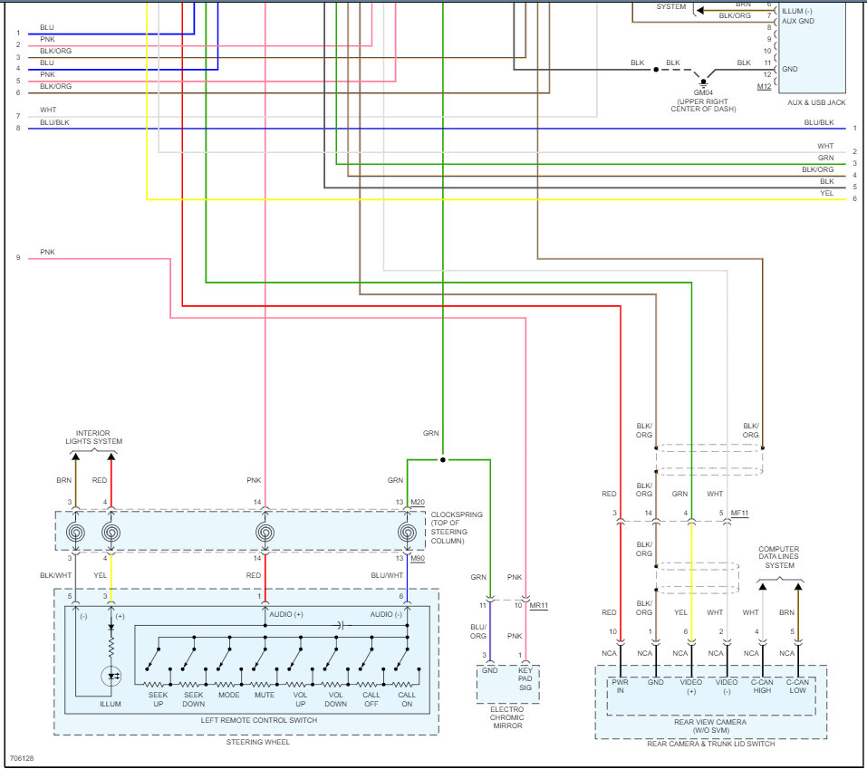
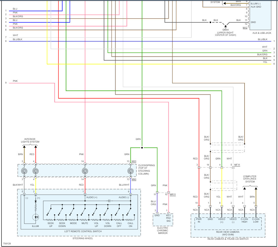
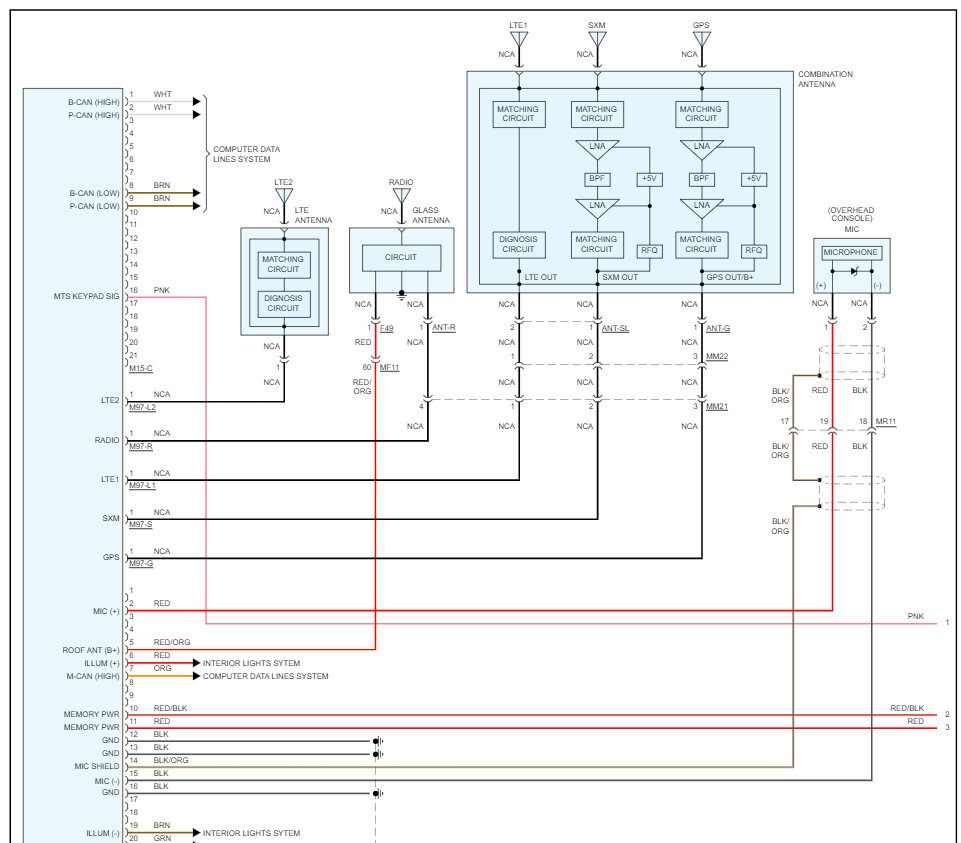
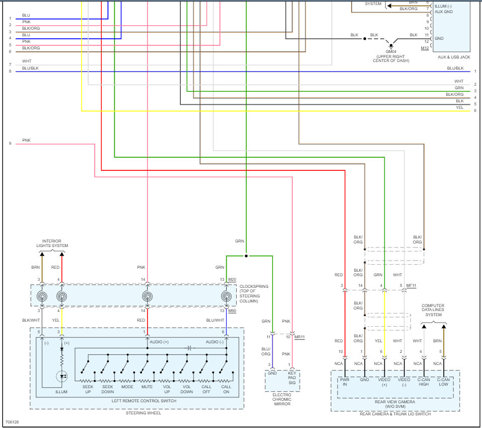
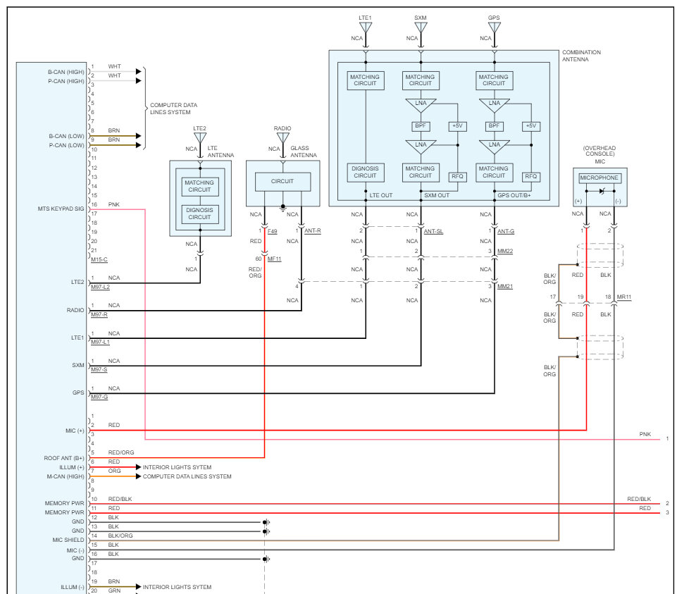
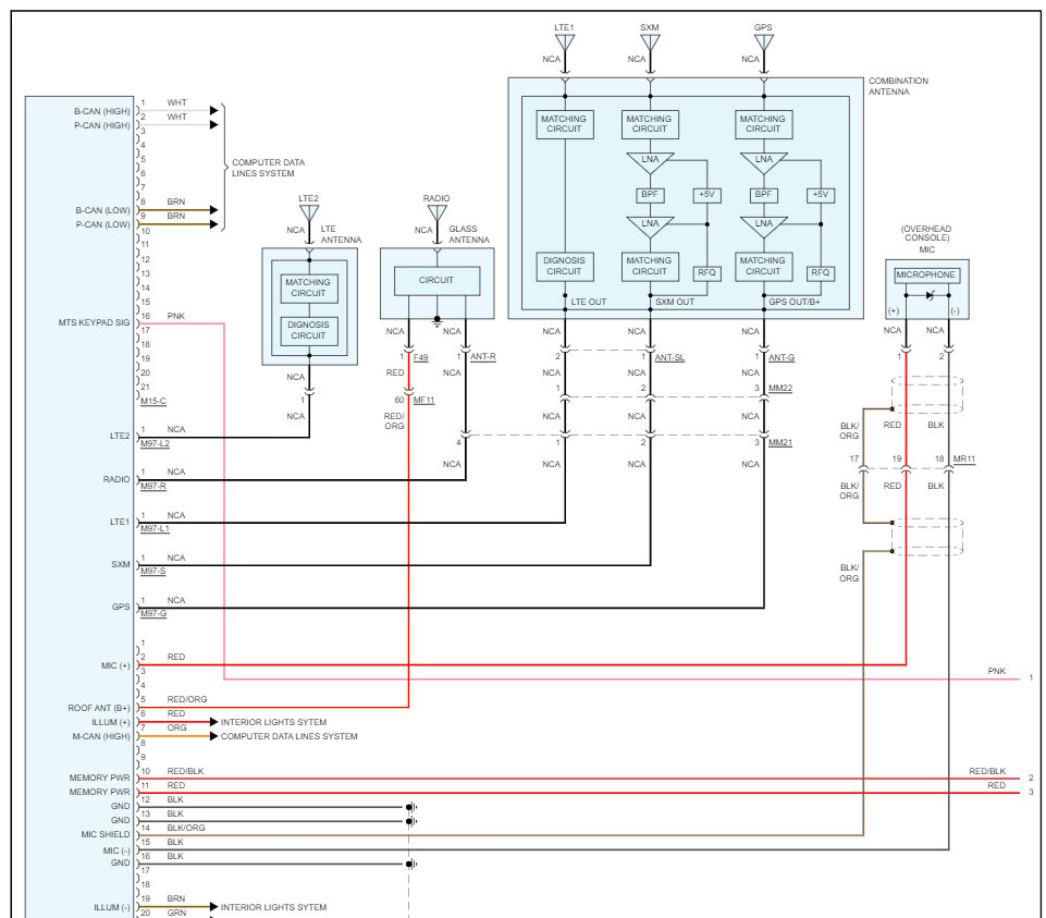
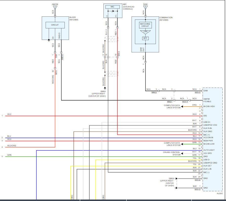
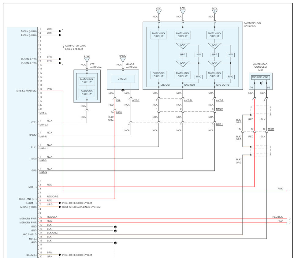
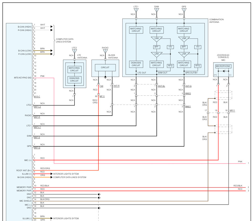
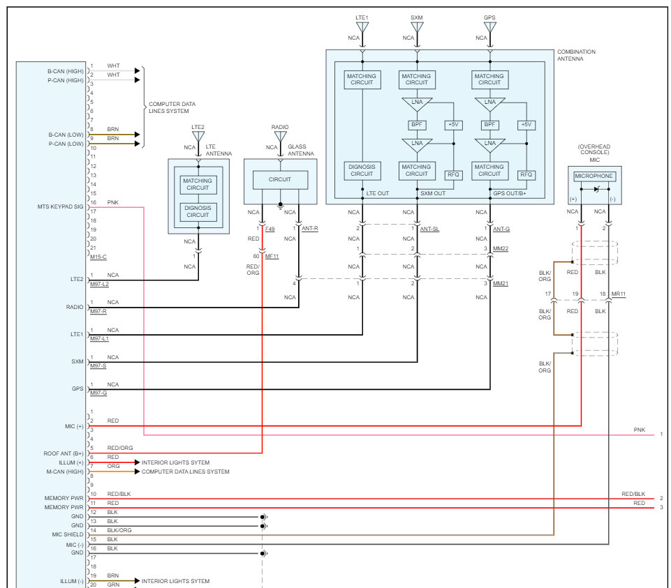
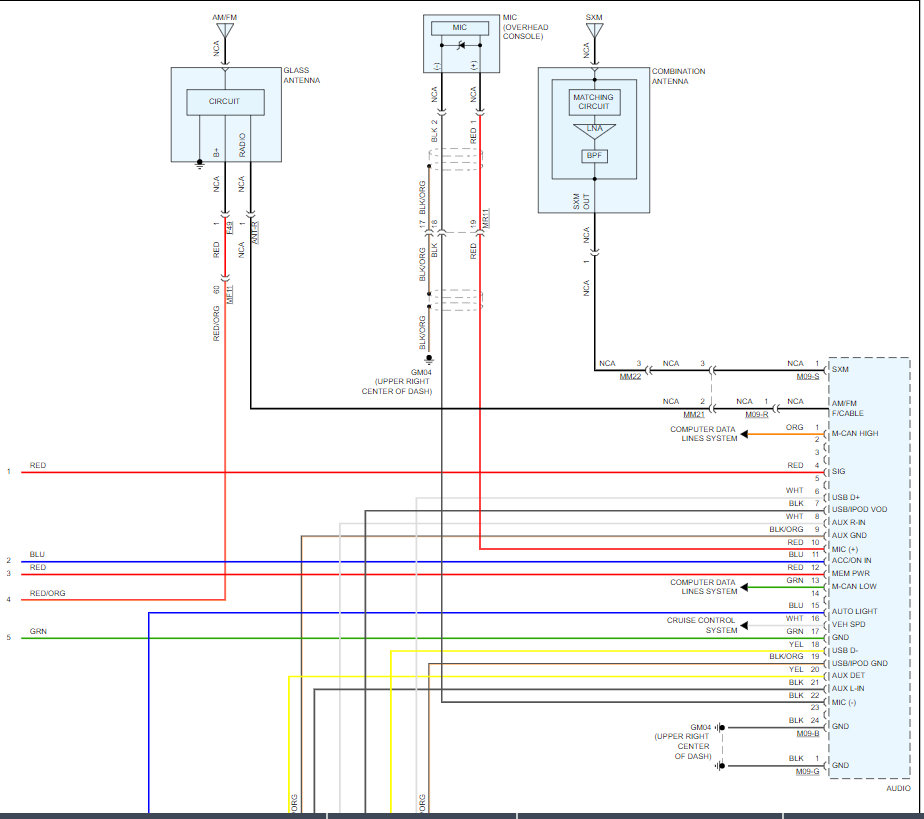
Tiny
KEN L
  • MASTER CERTIFIED MECHANIC
  • 55,440 POSTS
I think these are the wiring diagrams you need, if not please start a new question. This guide can help you test the connections:

https://www.2carpros.com/articles/how-to-check-wiring

Check out the images (below). Please let us know if you need anything else to get the problem fixed.
Was this
answer
helpful?
Yes
No
Tuesday, July 11th, 2023 AT 11:16 AM

Please login or register to post a reply.