Interior lights dont work when door opens

Tiny
ANONYMOUS
  • MEMBER
  • 2009 KIA OPTIMA
  • 35,000 MILES
Interior lights dont work when door opens. I checked the bulb and fuse and they are okay. The switch is in the correct position.
Is there something else I need to check?
Sunday, November 18th, 2012 AT 3:14 PM

1 Reply

Tiny
KHLOW2008
  • MECHANIC
  • 41,814 POSTS
You may just have a door switch that is bad if they don't come on when just one door opens, if they don't come on at all it may be a bigger issue. If one door, test for continuity through the switch with door open

See the guide below on using a volt meter to do this

https://www.2carpros.com/articles/how-to-use-a-voltmeter

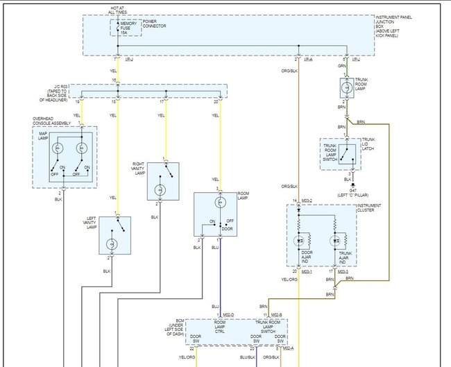
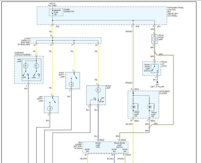
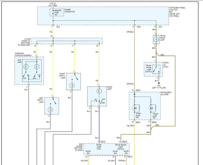
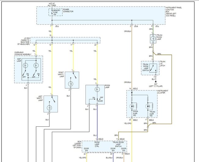
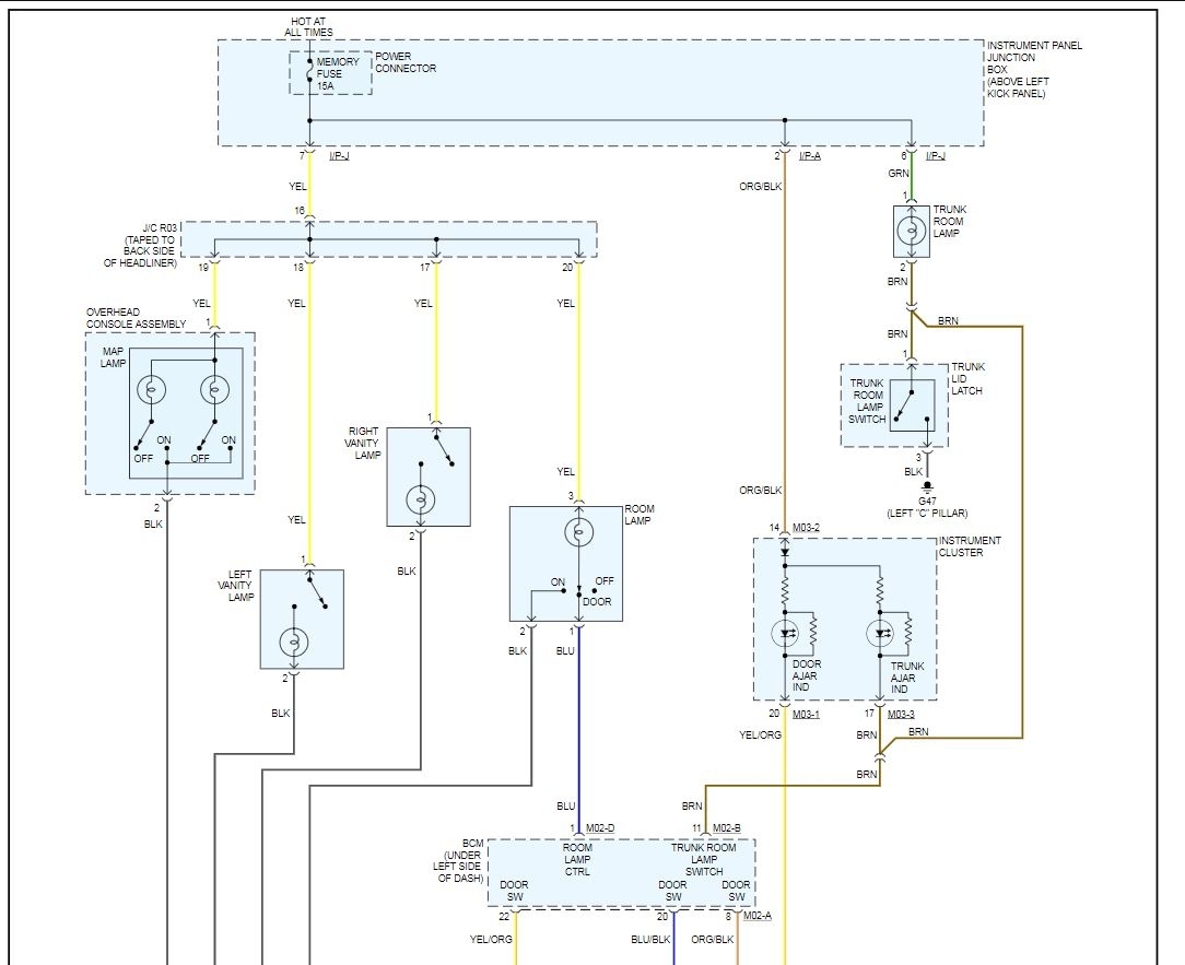
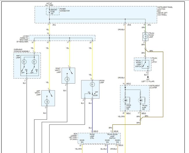
The wiring diagrams for your interior lights are attached below
Was this
answer
helpful?
Yes
No
Sunday, November 18th, 2012 AT 3:39 PM

Please login or register to post a reply.