At a stop turn light throttle through the turn halfway vehicle shuts off and will not start?

Tiny
JORDAN MCCLOUD
  • MEMBER
  • 2002 CHEVROLET SUBURBAN
  • 5.3L
  • V8
  • 4WD
  • AUTOMATIC
  • 208,000 MILES
At a stop turn light throttle through the turn halfway vehicle stalls and shuts off
Will not start back up cranks no start.
Getting spark fuel and compression, took Schrader valve out of fuel rail crossover tube while cranking fuel trickles out.
Been using both e85 and 87 unleaded.
Help?
Monday, August 15th, 2022 AT 7:49 PM

3 Replies

Tiny
JACOBANDNICKOLAS
  • MECHANIC
  • 110,194 POSTS
Hi,

It sounds like the fuel pump is failing. If the fuel is just trickling out, the pump is my first suspect. Is this a flex-fuel vehicle that is designed for the E85?

As far as the pump is concerned, you can check fuel pressure if wanted, but based on your description, I would say it isn't needed. However, here is a link that explains how it is done:

https://www.2carpros.com/articles/how-to-check-fuel-system-pressure-and-regulator

I attached the directions below for replacing the pump. The first five pics are the directions for the pump. The remaining pics are for fuel tank removal and installation.

Let me know if this helps or if you have other questions.

Take care,

Joe

See pics below.
Was this
answer
helpful?
Yes
No
Monday, August 15th, 2022 AT 9:37 PM
Tiny
JORDAN MCCLOUD
  • MEMBER
  • 2 POSTS
It's a flex fuel E85 vehicle with using both unleaded and e85. Could the fuel filter be clogged up?
Was this
answer
helpful?
Yes
No
Tuesday, August 16th, 2022 AT 10:03 AM
Tiny
JACOBANDNICKOLAS
  • MECHANIC
  • 110,194 POSTS
Hi,

It is possible. As far as the E85 is concerned, as long as you use the vehicle on a regular basis, there shouldn't be an issue. If you fill it with E85 and then it sits, that can create issues. The high level of ethanol attracts moisture,

If you want to start with the pump, that is not a bad idea. It certainly won't hurt and should be replaced if the pump needs to be done as well.

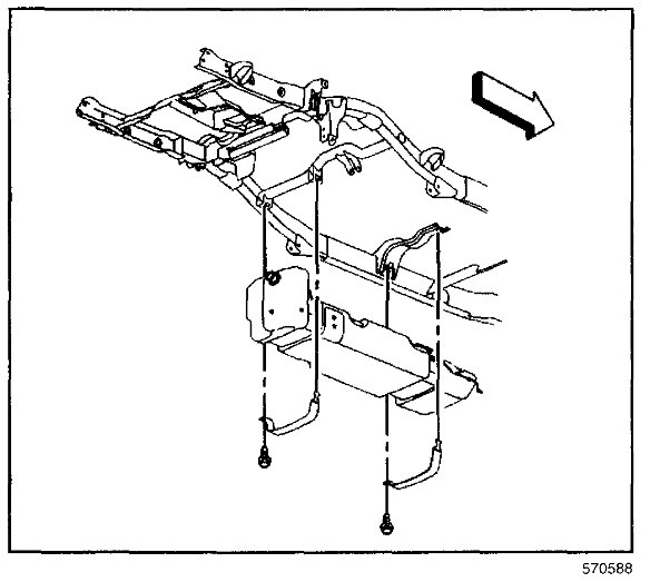
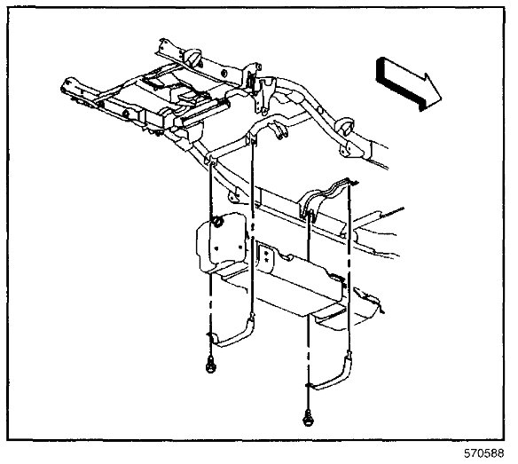
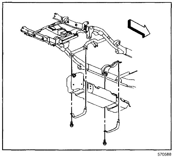
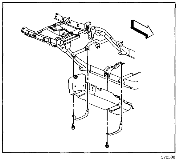
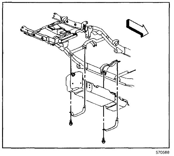
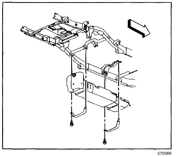
The fuel filter on this vehicle is along the inner side of the frame rail on the passenger side. Here is a link you may find helpful:

https://www.2carpros.com/articles/how-to-change-a-fuel-filter

If you look at the attachments below, they provide the directions specific to your vehicle.

Try this and let me know the results.

Take care,

Joe

See pics below.
Was this
answer
helpful?
Yes
No
Tuesday, August 16th, 2022 AT 6:18 PM

Please login or register to post a reply.