HOME
ASK A QUESTION
REPAIR GUIDES
BECOME A MEMBER
LOG IN
Login with Facebook
OR
Remember me
NOT A MEMBER?
FORGOT PASSWORD?
CONTACT US
PRIVACY POLICY
TERMS AND CONDITIONS
☰
Home
Chevrolet
Suburban
Exterior Light
Running Light
2002 Chevrolet Suburban Parking lights
MORTWIR
MEMBER
2002 CHEVROLET SUBURBAN
6.0L
V8
4WD
AUTOMATIC
82,500 MILES
Cant turn on parking lights when engine is running, but it Works when I turn off the enginge.
the parling brake is on when I tried this
Wednesday, September 23rd, 2015 AT 3:52 AM
3 Replies
HMAC300
MECHANIC
48,601 POSTS
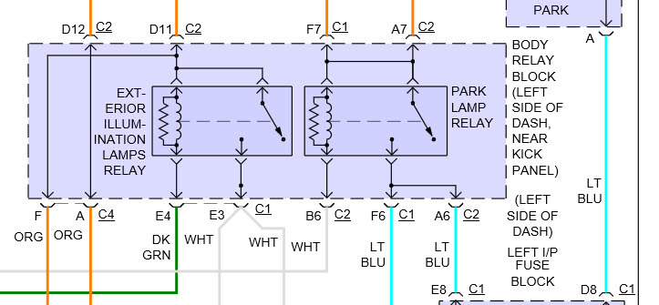
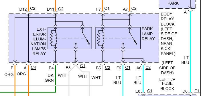
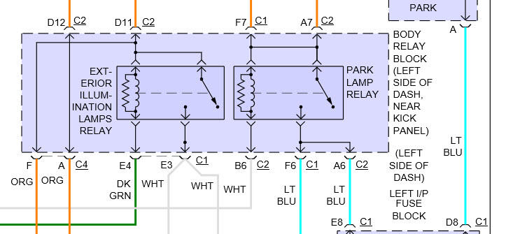
Check items in pic then if it continues have it scanned fro codes, may be a body module problem.
Was this
answer
helpful?
Yes
No
Wednesday, September 23rd, 2015 AT 6:55 AM
MORTWIR
MEMBER
2 POSTS
Wich pic are you referring too, can't find any about this topic
Was this
answer
helpful?
Yes
No
Monday, September 28th, 2015 AT 12:26 PM
HMAC300
MECHANIC
48,601 POSTS
I must have forgot to add it sorry i'll have to look it up again. If not that have body module scanned for codes may be that as well.
Image (Click to make bigger)
Was this
answer
helpful?
Yes
No
Monday, September 28th, 2015 AT 12:49 PM
Please
login
or
register
to post a reply.
Related Running Light Content
2002 Chevy Suburban
I Just Bought A 2002 Chevy Suburband Without A Owners Manuel. The Running Lights Do Not Come On Durning The Day But The Headlights Do.
Asked by
Lopy36
·
1 ANSWER
2002
CHEVROLET SUBURBAN
VIDEO
Running Light Bulb Replacement - Front
Instructional repair video
GUIDE
Running Light Problems
The running light circuit is controlled electrically through a basic switch, BCM (body control module) or a LCM (lighting control module). These computer controllers are...
Brake/park Lights
When I Step On The Brake The Park Lights Light Up Ever So Slightly. Its On A 2001 Chevy Suburban The Brake Lights Come On As Well
Asked by
kbnord
·
1 ANSWER
2001
CHEVROLET SUBURBAN
1996 Chevrolet Suburban Parking Tail Lights
1. 1996 Chevrolet Suburban 2. 132k Miles 3. Automatic Transmission 4. 4 Wheel Drive 5. No Sounds 6. No Fluid Leaks 7. No Past Repair...
Asked by
mkjavajoe
·
5 ANSWERS
1996
CHEVROLET SUBURBAN
Lights Dim While Vehicle Is Running
My Suv Has Had This Issue Where All The Lights Dim While The Engine Is Running Regardless Of Load (i Have Noticed It Has An Irregular Idle...
Asked by
john1775
·
1 ANSWER
1 IMAGE
2009
CHEVROLET SUBURBAN
2002 Chevrolet Suburban Headlight
Have A 2002 Chevrolet Suburban. One Day Passenger Headlight Works And Next Day It Doesn't And So On. Just Bought This Vehicle Last Week
Asked by
tanner1565
·
2 ANSWERS
2002
CHEVROLET SUBURBAN
VIEW MORE
Ask a Car Question. It's Free!
Running Light Bulb Replacement - Front
How to Use a Test Light
Have a Dim Headlight? - Try Replacing This!