Car will start with wire from battery to starter but will not start with the key?

Tiny
APLAISTED2010
  • MEMBER
  • 2001 HONDA CIVIC
  • 2WD
  • MANUAL
  • 150,000 MILES
The dash lights come on but won’t start. Put wire on battery to starter and it starts just fine. Tried replacing the ignition switch but that did nothing. What could the issue be?
Friday, March 3rd, 2023 AT 6:50 AM

1 Reply

Tiny
AL514
  • MECHANIC
  • 5,596 POSTS
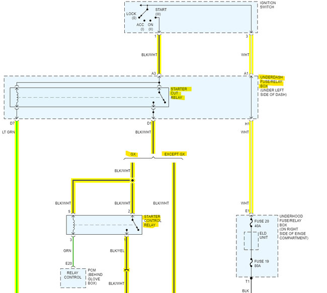
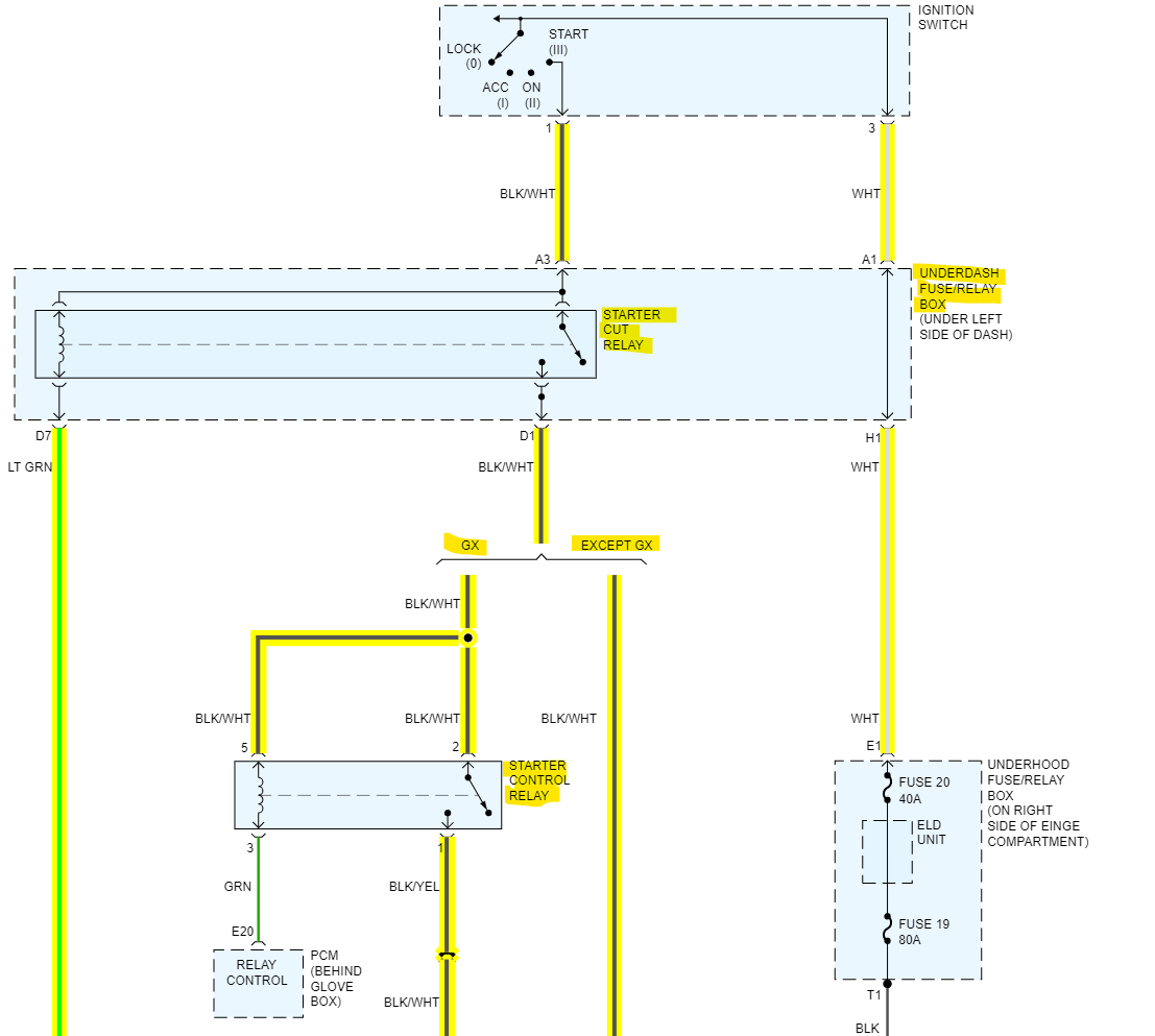
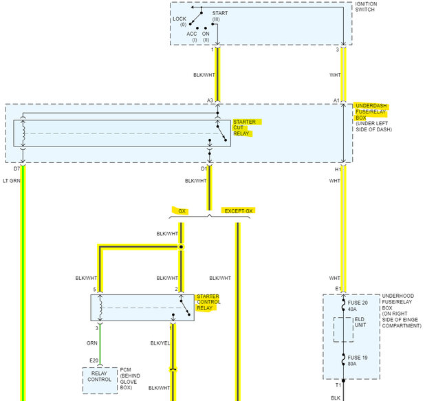
Hello, this can be caused by a few components, since it's a manual transmission the clutch switch on the clutch pedal can be faulty or a bad connection, and there are 2 relays on the Starter circuit, the Starter Cut relay is first, and depending on the sub model of your vehicle, such as is it a GX model or not, the GX model has a Starter Control relay, and the other models do not. But the Clutch switch gives the Starter Cut relay a ground energizing the relay and then powering the starter. I'll post the diagrams, since the clutch switch completes a ground circuit you will need a multimeter or test light to check it. Do a visual inspection first and make sure there are no broken wires down there. With a manual transmission there is a lot of movement happening to that switch, plus your foot being down there might have damaged the wiring or connections. The diagrams will give you a better idea of how it works.
If you're using a test light, you'll have to hook the test light end to a 12v power source and with the clutch pedal pressed down the test light should light up on the Light Green wire, just completing the circuit to ground. In diagram 2 you can see the Clutch Interlock switch. If using a multimeter, set it on a ohms setting, unplug the clutch switch and just touch the 2 pins of the clutch switch and press the pedal, there should be close to no resistance at all.
In the 1st diagram you can see the 2 relays, if this is not a GX model you won't have the 2nd Starter Control Relay. There should just be power coming through that Starter Cut Relay on the Black wire with a White stripe.
Here are some guides below to help with testing. But when checking the clutch switch make sure to have the Parking Brake applied so the vehicle doesn't roll on you while testing. But the clutch switch will provide a Ground for that first relay, without that the relay won't have any power coming through it to the Starter Motor on the smaller control wire.

https://www.2carpros.com/articles/how-to-use-a-test-light-circuit-tester

https://www.2carpros.com/articles/how-to-use-a-voltmeter

https://www.2carpros.com/articles/how-to-check-an-electrical-relay-and-wiring-control-circuit
Was this
answer
helpful?
Yes
No
Friday, March 3rd, 2023 AT 12:59 PM

Please login or register to post a reply.