Smoke under the dash

Tiny
BLESSING EWOBOR
  • MEMBER
  • 1996 TOYOTA CAMRY
  • 4 CYL
  • 2WD
  • AUTOMATIC
  • 299,457 MILES
Hi, the owner of the vehicle complained that he does see smoke under the dashboard of the vehicle whenever he put on the air conditioning. He gave it to a Technician to fixed, according to the Technician he said that he replaced all the burnt wires. After he owner got his car from the Technician, it seems to work well after sometime it repeated itself (the smoke under the dash) and he said that this happened when the air conditioning is put on.
What could be the cause of these?
I don't know if I can get the circuit diagram for the A/C to trace the wires.
Tuesday, February 16th, 2021 AT 12:07 PM

37 Replies

Tiny
JACOBANDNICKOLAS
  • MECHANIC
  • 110,192 POSTS
Hi,

I'm not sure which wires are overheating, so that is a tough call. However, here is what I would be doing: First, check the blower motor and make sure it isn't drawing too much amperage. Second, confirm someone hasn't put the wrong size fuse in the circuit. Third, a loose connection (plug) or poor connection will create heat. Check all connectors. Forth, make sure the system has a good ground.

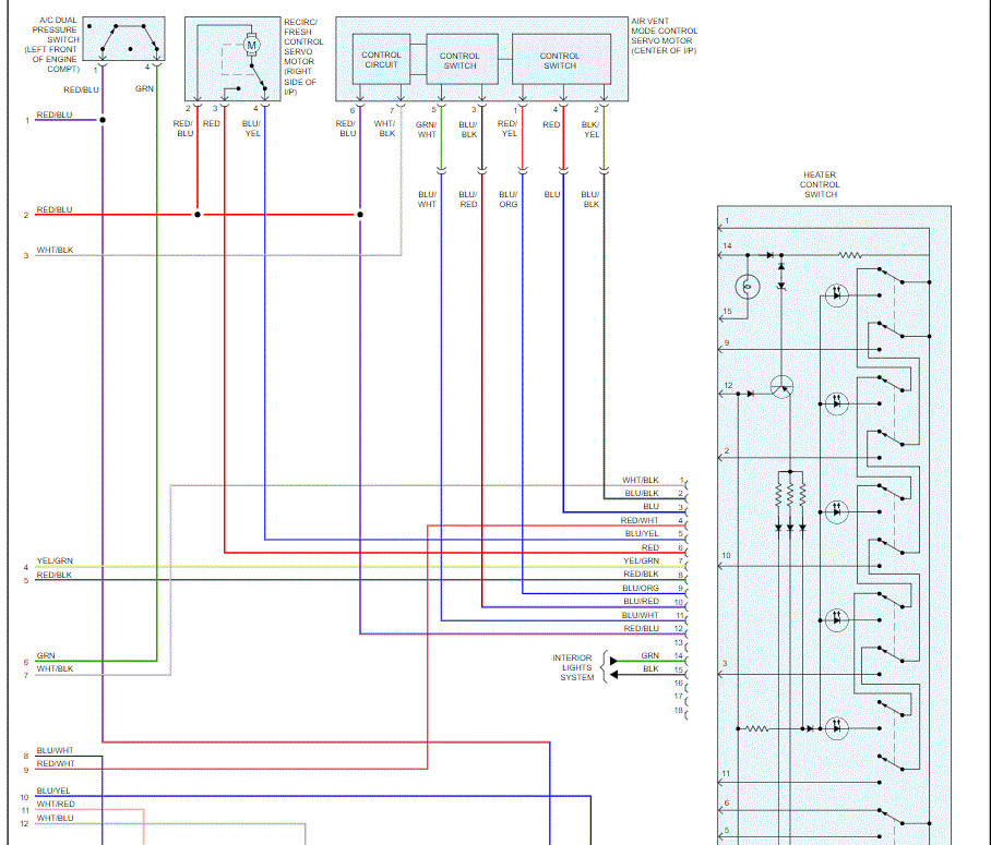
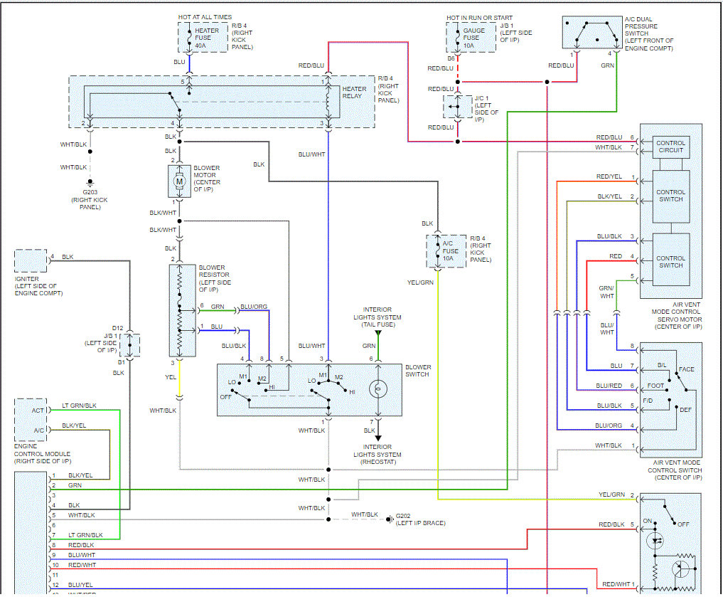
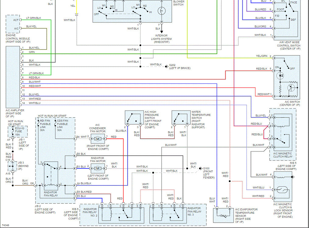
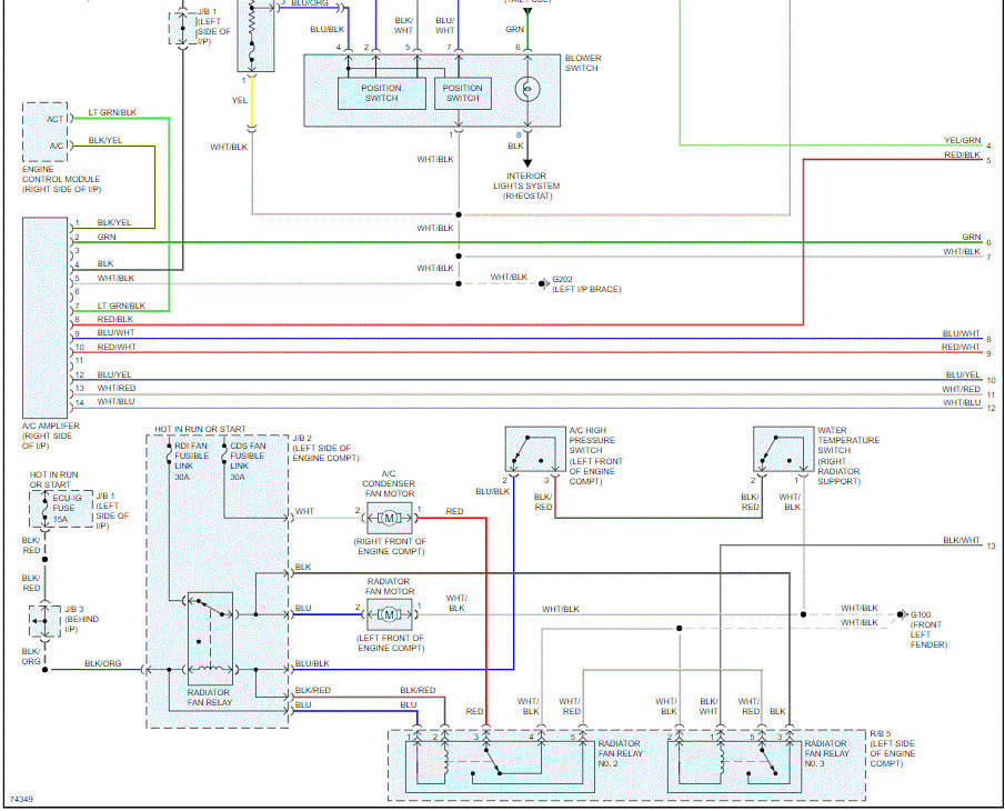
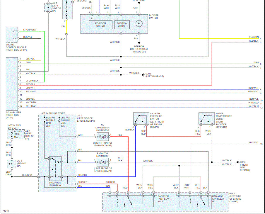
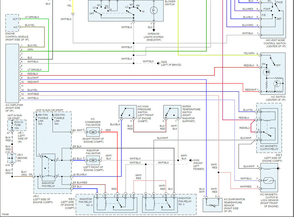
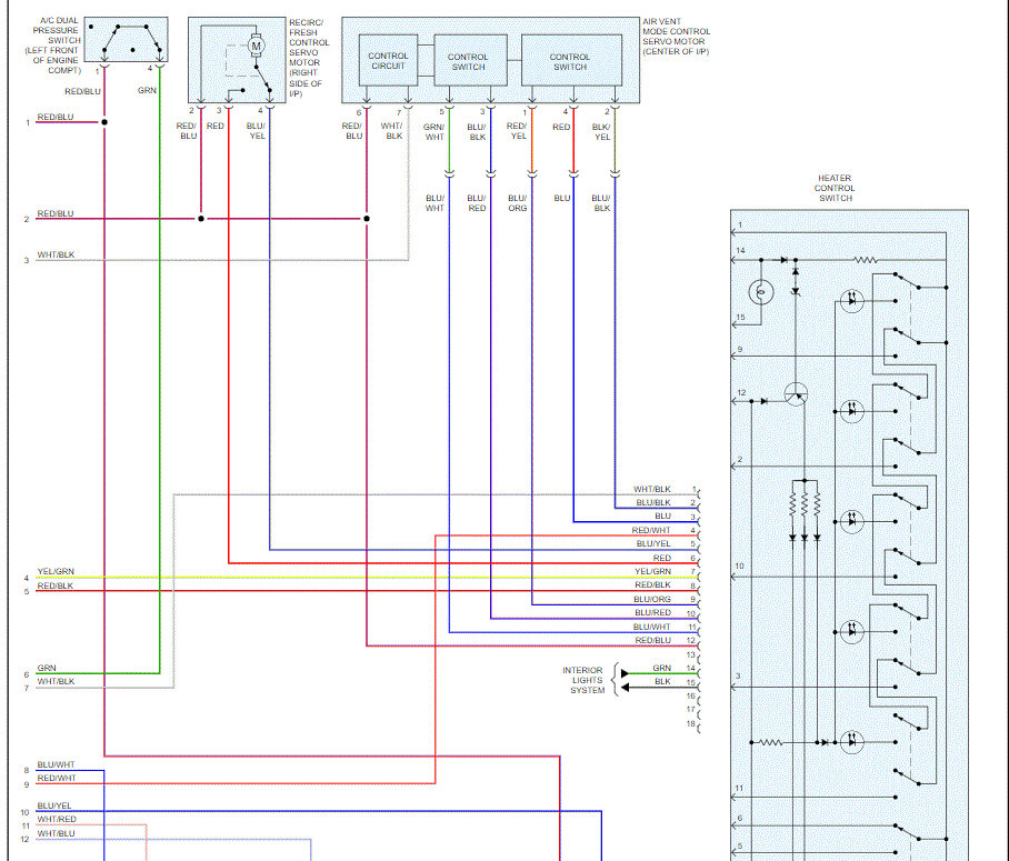
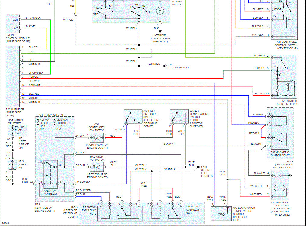
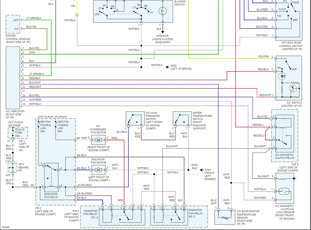
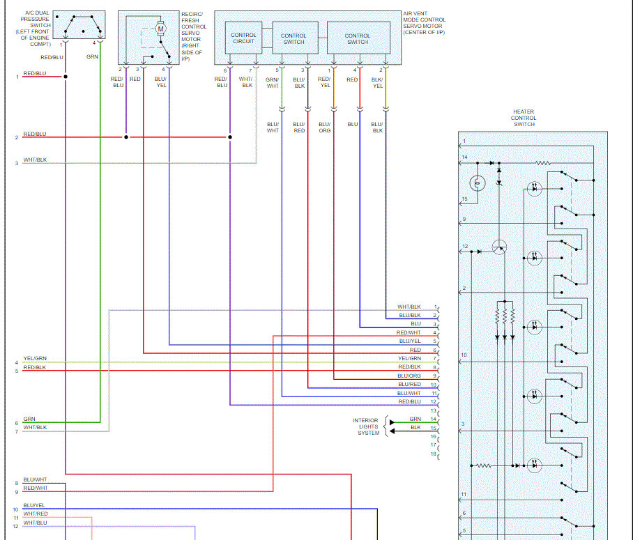
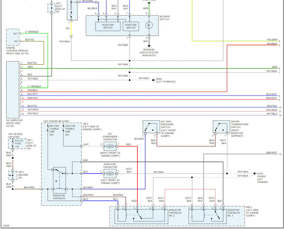
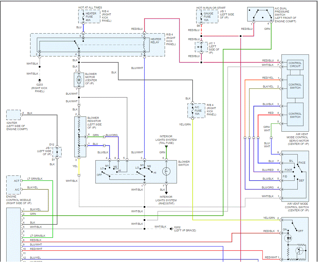
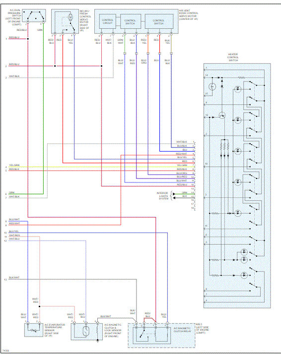
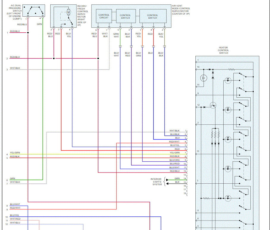
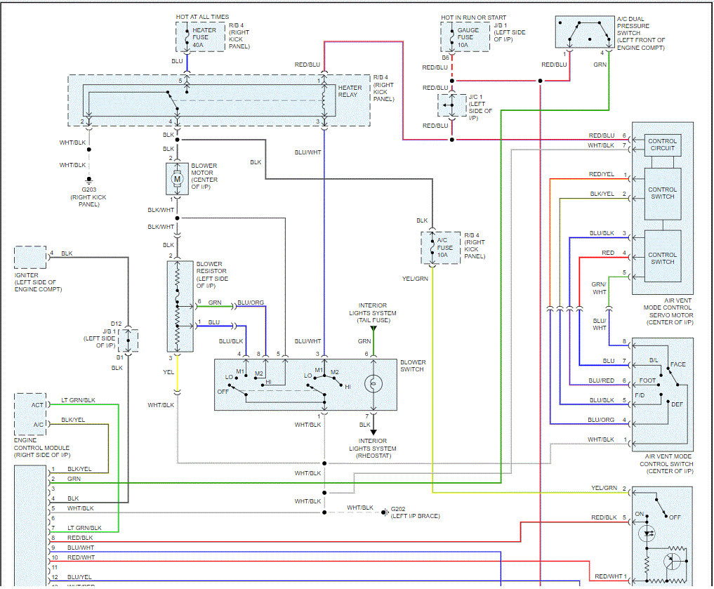
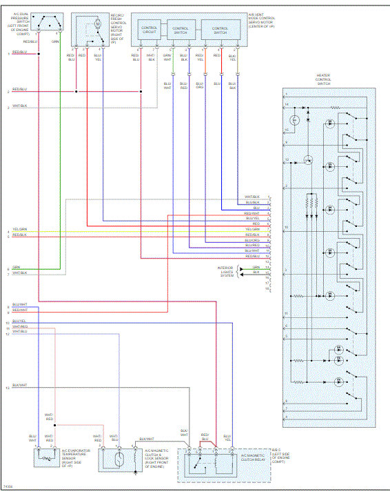
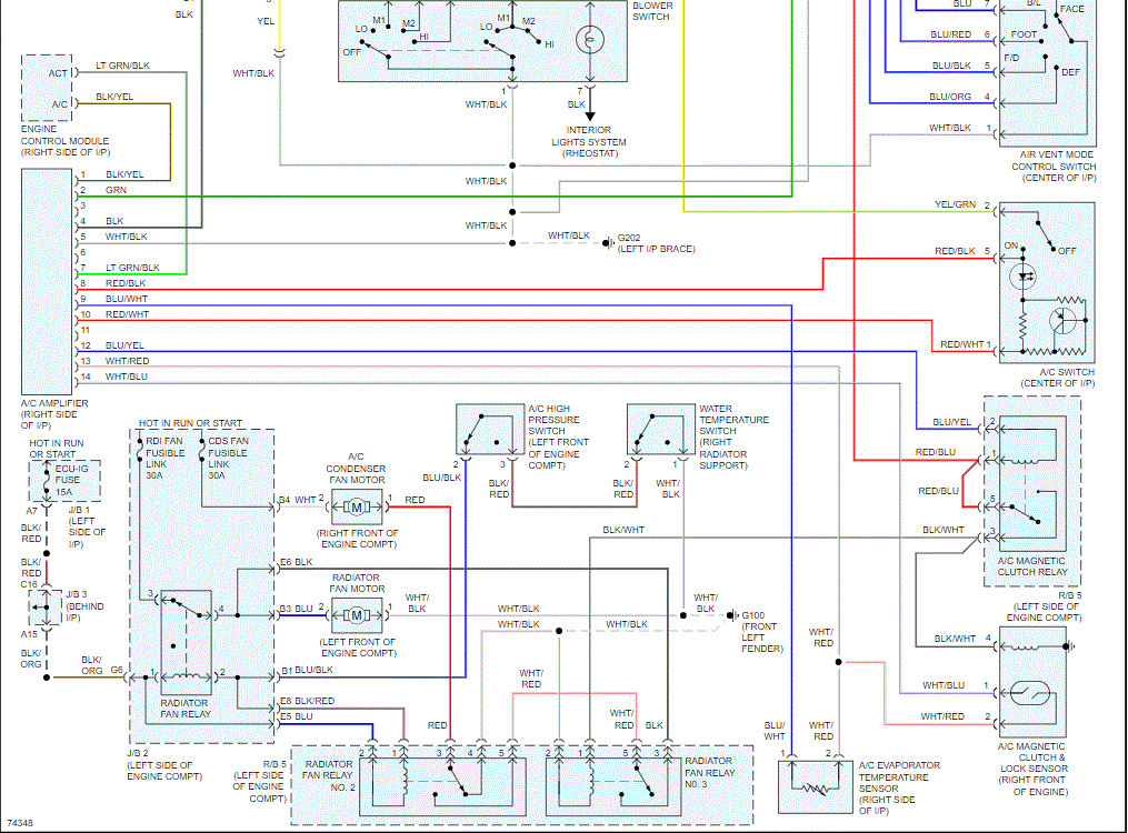
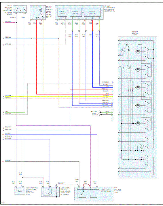
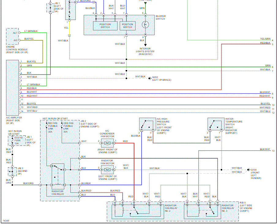
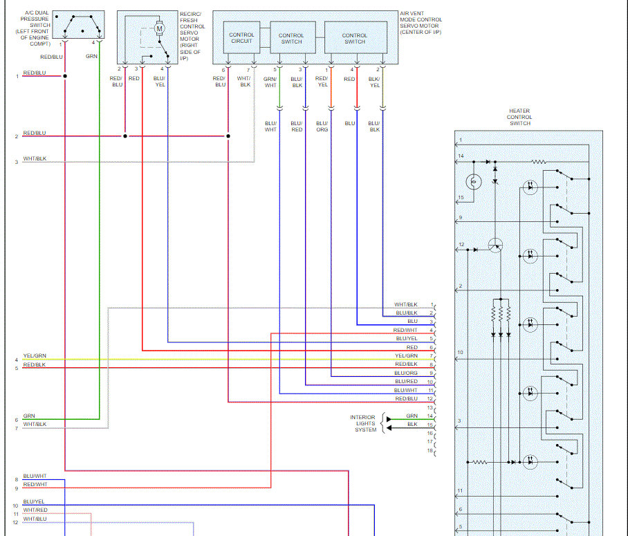
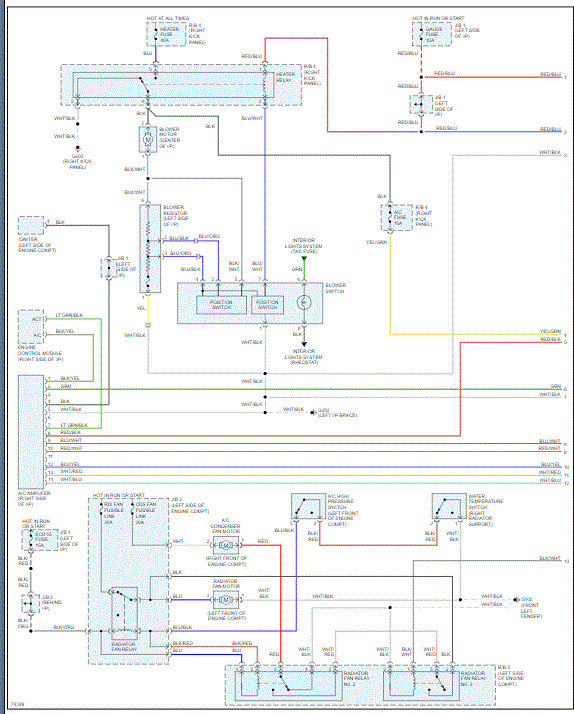
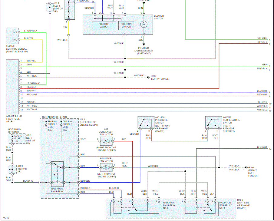
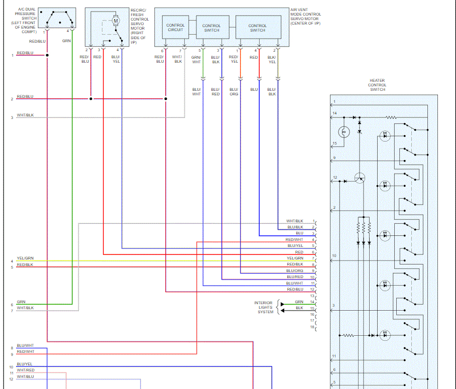
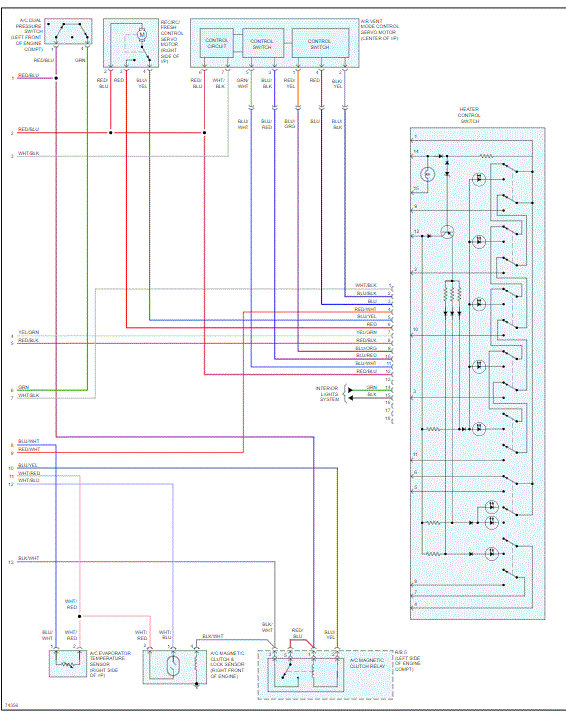
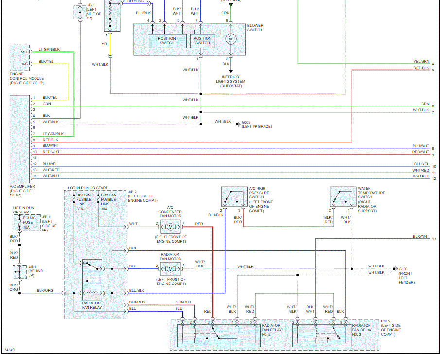
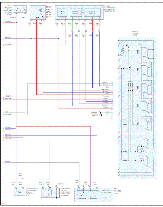
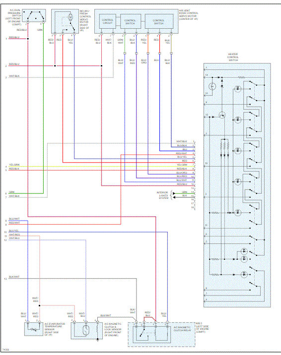
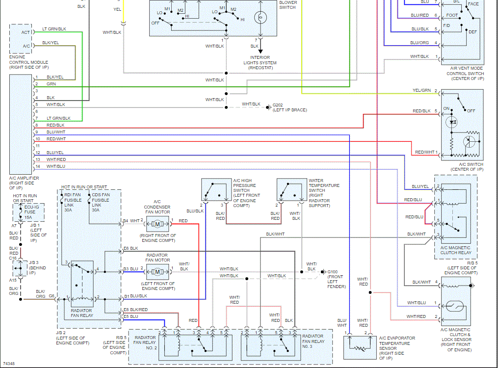
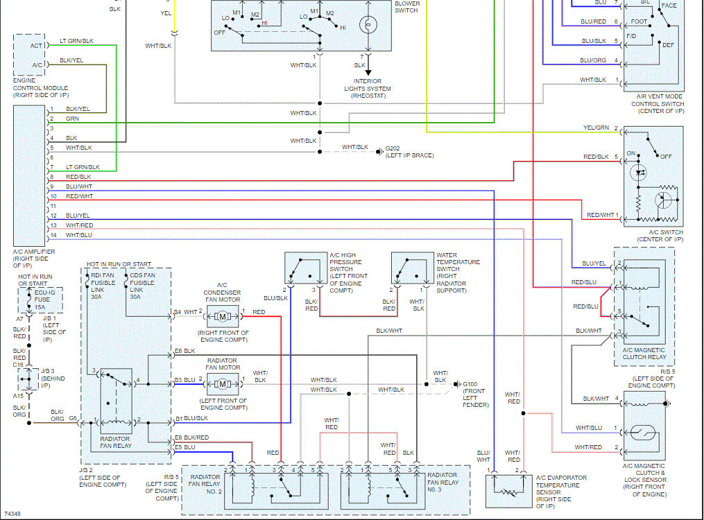
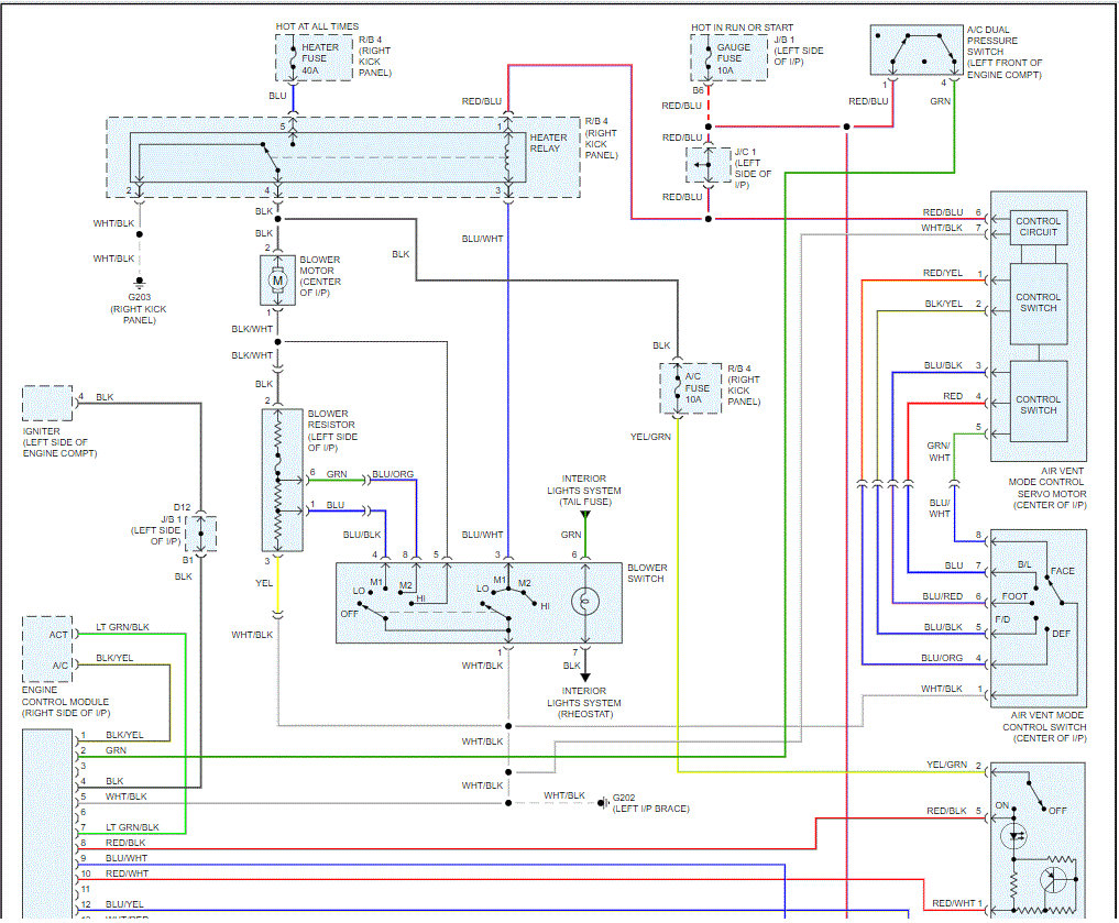
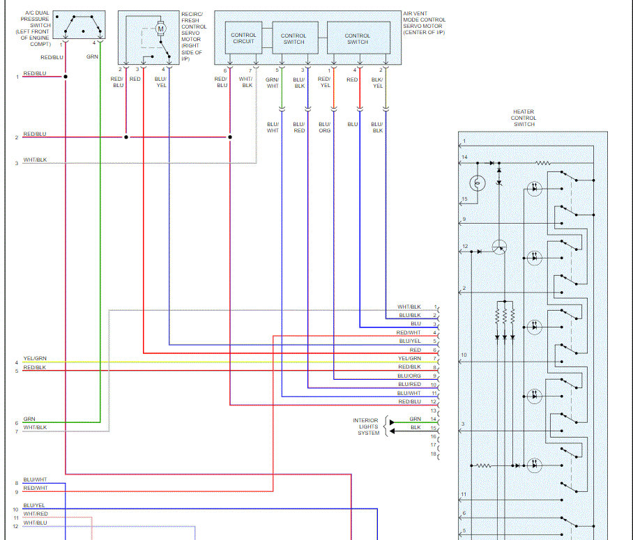
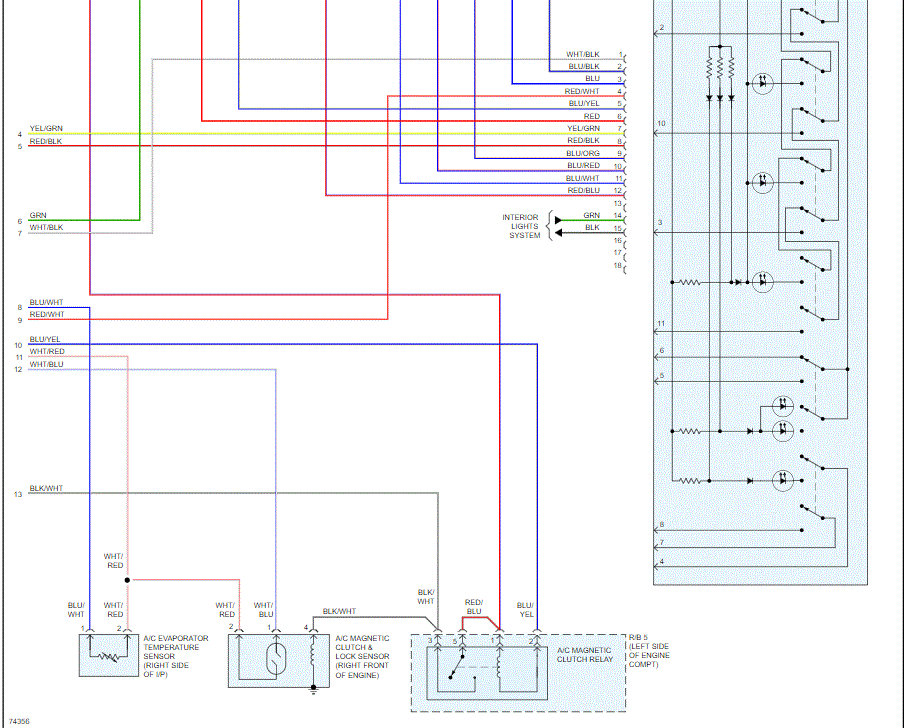
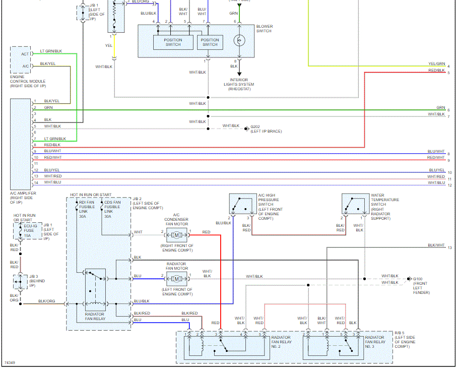
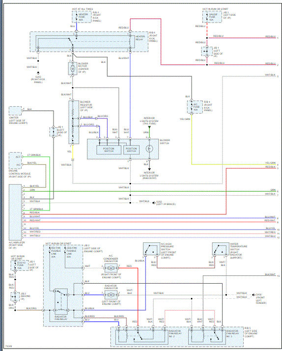
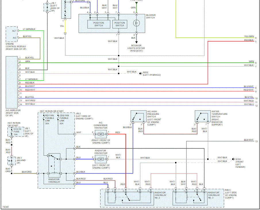
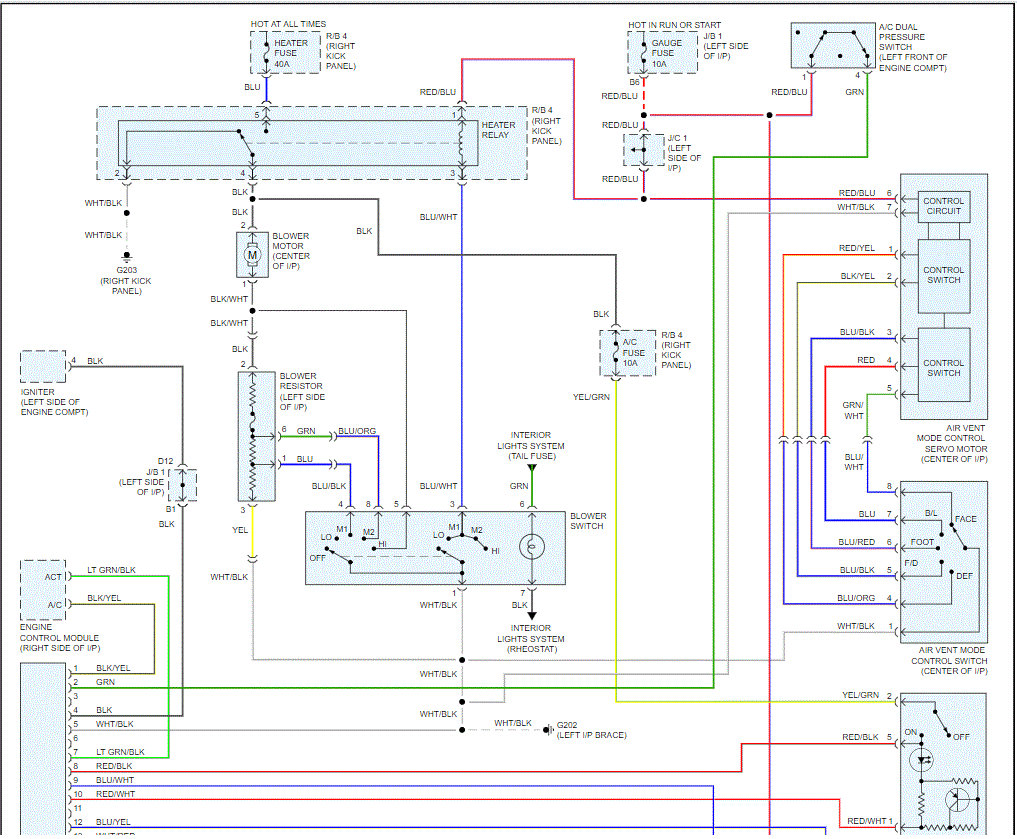
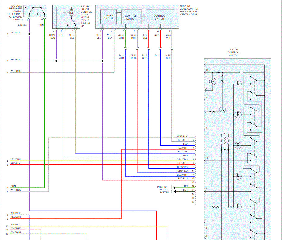
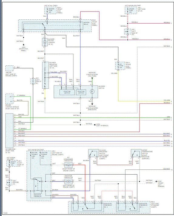
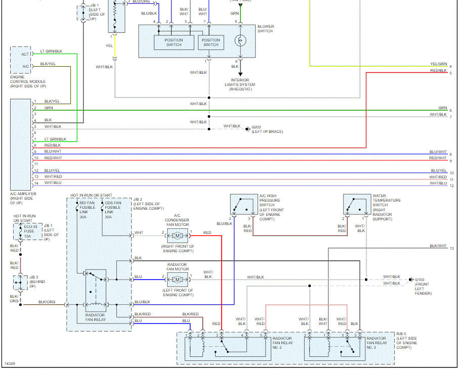
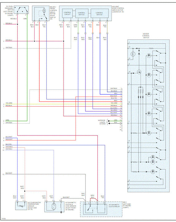
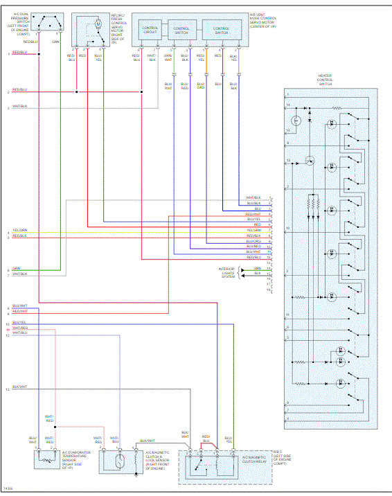
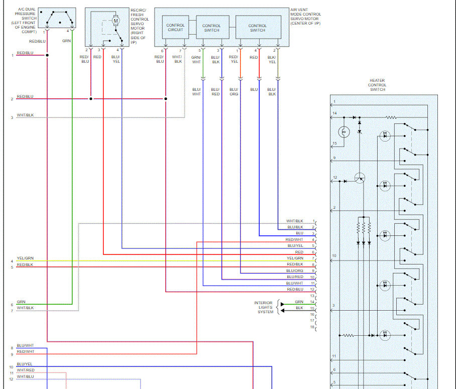
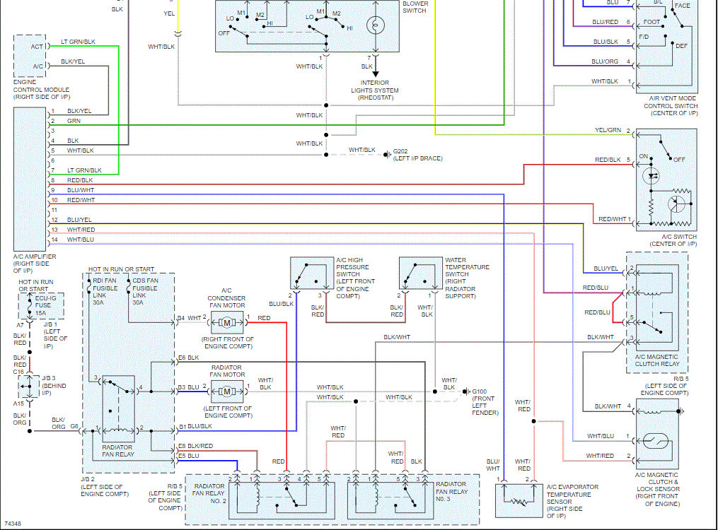
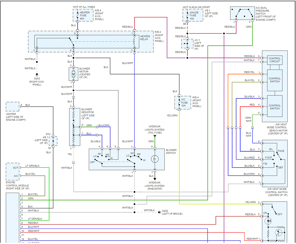
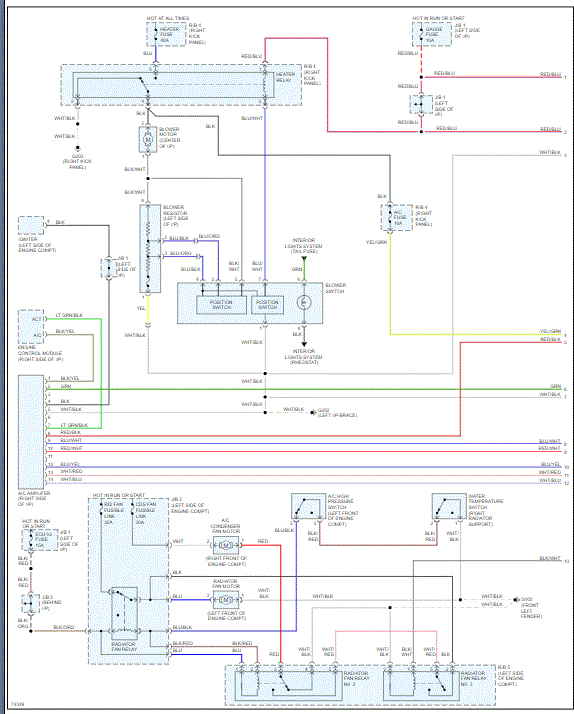
I attached 3 pics below. The first one is the AC wiring schematic for the lever-type control. Pics 2 and 3 are for the push-button type. I'm not sure which you have.

Here is a link you may find helpful:

https://www.2carpros.com/articles/how-to-check-wiring

I hope this helps. Let me know if you have other questions.

Take care and God Bless,

Joe
Was this
answer
helpful?
Yes
No
Tuesday, February 16th, 2021 AT 6:52 PM
Tiny
BLESSING EWOBOR
  • MEMBER
  • 754 POSTS
Thank you. Sir, how will I know that the blower motor is taking much current than expected?
Any test for that?
Was this
answer
helpful?
Yes
No
Tuesday, February 16th, 2021 AT 9:37 PM
Tiny
JACOBANDNICKOLAS
  • MECHANIC
  • 110,192 POSTS
You could use a multimeter to check for an amperage draw. On most multimeters, there is an amperage setting. Use the meter to jumper between the power supply and the fan motor. I would expect the draw to be approximately 5 amps.

Let me know.

Joe
Was this
answer
helpful?
Yes
No
Wednesday, February 17th, 2021 AT 3:21 PM
Tiny
BLESSING EWOBOR
  • MEMBER
  • 754 POSTS
Okay, thank you.
Was this
answer
helpful?
Yes
No
Wednesday, February 17th, 2021 AT 9:51 PM
Tiny
BLESSING EWOBOR
  • MEMBER
  • 754 POSTS
Good evening sir, I have printed those diagram but they are blur, I don't know if you could help me divide the diagram so that I can have a clearer picture.
Was this
answer
helpful?
Yes
No
Thursday, February 18th, 2021 AT 7:36 AM
Tiny
BLESSING EWOBOR
  • MEMBER
  • 754 POSTS
For the wires, do I need to remove the dashboard before I access the wires or I can access the wires without removing the dashboard?
Was this
answer
helpful?
Yes
No
Thursday, February 18th, 2021 AT 11:11 AM
Tiny
JACOBANDNICKOLAS
  • MECHANIC
  • 110,192 POSTS
Hi,

You should be able to do this without removal. The blower motor should be accessible on the right side (under dash).

Pics 1 and 2 are for the lever-type control. I cut the pic in half, but I did overlap them to help you follow.

The remaining pics are for push button control.

I hope this helps.

Joe
Was this
answer
helpful?
Yes
No
Thursday, February 18th, 2021 AT 5:59 PM
Tiny
BLESSING EWOBOR
  • MEMBER
  • 754 POSTS
Thank you sir.
Was this
answer
helpful?
Yes
No
Thursday, February 18th, 2021 AT 10:08 PM
Tiny
JACOBANDNICKOLAS
  • MECHANIC
  • 110,192 POSTS
Hi,

You are very welcome. I hope they help. If you have a chance, let me know how things turn out for you.

Take care and God bless.

Joe
Was this
answer
helpful?
Yes
No
Friday, February 19th, 2021 AT 5:26 PM
Tiny
BLESSING EWOBOR
  • MEMBER
  • 754 POSTS
Hi, I worked on the vehicle, I confirmed the fault by putting on the A/C while the vehicle is running after few minutes, I saw smoke from under the dashboard and power distribution center (fuse box) at the engine compartment. I traced the wires, three different wires were stick together under the dashboard, I separated them. Checking the fuse box at engine compartment, I realized that the wires that powers compressor were completely burnt and some wires that comes from that big heater relay. I traced to know the cause before I saw that the A/C magnetic clutch wire at the compressor and one of the wires for the lock sensor were combine together.
Could that have been the cause of the burnt wire?
The wires are shown below.
Was this
answer
helpful?
Yes
No
Saturday, February 20th, 2021 AT 12:47 PM
Tiny
BLESSING EWOBOR
  • MEMBER
  • 754 POSTS
I have replaced the burnt wires but the compressor is not engaging, when it is put on, the compressor will engage for like 5 seconds and disengage after that the light on the A/C button will be blinking, when the blower fan and A/C is turned off after sometime and turned on again, it will repeat itself. What could be the cause of that? I have a short video on that.
Was this
answer
helpful?
Yes
No
Saturday, February 20th, 2021 AT 1:17 PM
Tiny
JACOBANDNICKOLAS
  • MECHANIC
  • 110,192 POSTS
Hi,

Yes, the two wires in the first pic could have caused the issue, but the fuse should have blown before melting the wires. Check to make sure the fuse hasn't been replaced with one of a higher amperage.

Now for the light, does the compressor engage at first and then stop? The clutch itself may be bad. When the light starts flashing and the compressor stops, you need to check if there is power to the compressor clutch.

Let me know.

Joe
Was this
answer
helpful?
Yes
No
Saturday, February 20th, 2021 AT 7:04 PM
Tiny
BLESSING EWOBOR
  • MEMBER
  • 754 POSTS
Thank you.
Was this
answer
helpful?
Yes
No
Sunday, February 21st, 2021 AT 1:19 PM
Tiny
BLESSING EWOBOR
  • MEMBER
  • 754 POSTS
If I understood what you said, probing the test light at one end to the ground and the other end to the compressor wire, with the blower fan not in "off" position and the A/C button at "on" position, the test light should light up. For instance, if the test light illuminate but the compressor clutch does not engaged, then I can conclude that the compressor clutch is bad. Did I get it right?
Was this
answer
helpful?
Yes
No
Sunday, February 21st, 2021 AT 1:40 PM
Tiny
BLESSING EWOBOR
  • MEMBER
  • 754 POSTS
In these situations, probing the test light at one end to the ground and the other end to the compressor wire, with the blower fan not in "off" position and the A/C button at "on" position, the test light would light up, at these point the compressor clutch will engage for few seconds (A/C button light will be steady). After few seconds, the A/C button light will be flashing, at these time, the test light will not light up (no voltage at the compressor), so the compressor will not engaged.
When turned off (the blower fan and the A/C button) for sometime and turned on again, the compressor clutch will engaged and disengaged after sometime as explained earlier (as shown in the short video clip I sent earlier).
Was this
answer
helpful?
Yes
No
Sunday, February 21st, 2021 AT 1:58 PM
Tiny
BLESSING EWOBOR
  • MEMBER
  • 754 POSTS
I also realized that the wires of the compressor lock sensor has detached from the sensor at the compressor.
Was this
answer
helpful?
Yes
No
Sunday, February 21st, 2021 AT 2:16 PM
Tiny
JACOBANDNICKOLAS
  • MECHANIC
  • 110,192 POSTS
Hi,

Yes, it sounds like you are checking it properly. Have you tried repairing the wiring at the sensor? Did it make a change? Also, it sounds like you still have a bad connection causing power loss. Check back at the AC fuse and make sure it isn't getting hot.

Let me know.

Joe
Was this
answer
helpful?
Yes
No
Sunday, February 21st, 2021 AT 7:09 PM
Tiny
BLESSING EWOBOR
  • MEMBER
  • 754 POSTS
The A/C fuse is that 10A fuse at the instrument panel according to the diagram, am I right?
Was this
answer
helpful?
Yes
No
Sunday, February 21st, 2021 AT 7:36 PM
Tiny
BLESSING EWOBOR
  • MEMBER
  • 754 POSTS
Concerning the lock sensor, connecting the wires to the sensor (do I need to consider polarity or it doesn't matter)?
Was this
answer
helpful?
Yes
No
Sunday, February 21st, 2021 AT 7:45 PM
Tiny
BLESSING EWOBOR
  • MEMBER
  • 754 POSTS
I saw it somewhere that the resistance of the lock sensor should be within 160-300 ohms, would it be advisable to connect a resistor of that valve across the wires (without the sensor) to know if it will function?
Was this
answer
helpful?
Yes
No
Sunday, February 21st, 2021 AT 7:52 PM

Please login or register to post a reply.