Shuts off no warning

Tiny
GEORGE HHR
  • MEMBER
  • 2007 CHEVROLET HHR
  • 2.4L
  • 4 CYL
  • 2WD
  • AUTOMATIC
  • 200,000 MILES
Car starts and runs fine but will only run like five minutes and just shuts off, wait a bit and will restart and then same thing happens. No lights are on. Fuel pump comes on. Please help if can.
Thursday, December 20th, 2018 AT 3:13 PM

5 Replies

Tiny
JACOBANDNICKOLAS
  • MECHANIC
  • 110,194 POSTS
Hi and thanks for using 2CarPros.

It honestly sounds like a bad crankshaft position sensor. When they go bad, often times they work when cold and when they start to heat up, expansion causes them to fail. Once they cool back off, they work again until it starts the cycle over again. Take a look through this link and let me know if it seems to mirror your symptoms.

https://www.2carpros.com/articles/symptoms-of-a-bad-crankshaft-sensor

Here is a link that shows in general how one is replaced:

https://www.2carpros.com/articles/crankshaft-angle-sensor-replacement

What I suggest is this. If you are questioning what I mentioned, start the car and wait till it stalls and won't start. Then, check to see if you have spark to the plugs. Here is a link that shows how that is done:

https://www.2carpros.com/articles/how-to-test-an-ignition-system

To perform the test you can use a multi meter or a test light. Here are links that show how to use the needed equipment:

https://www.2carpros.com/articles/how-to-use-a-test-light-circuit-tester

https://www.2carpros.com/articles/how-to-use-a-voltmeter

https://www.2carpros.com/articles/how-to-check-wiring

___________________________________________

Another way to check if the sensor is bad is using a live data scanner. Basically, when it won't run, you check for an RPM signal to the scanner. If there isn't one, then suspect the sensor. However, I realize most people don't own a scanner.

__________________________________________

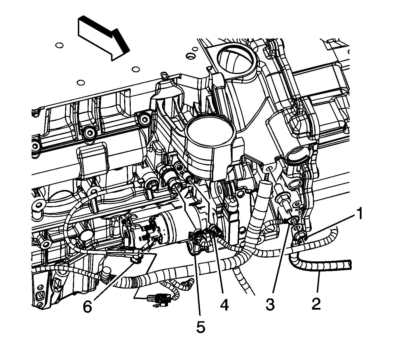
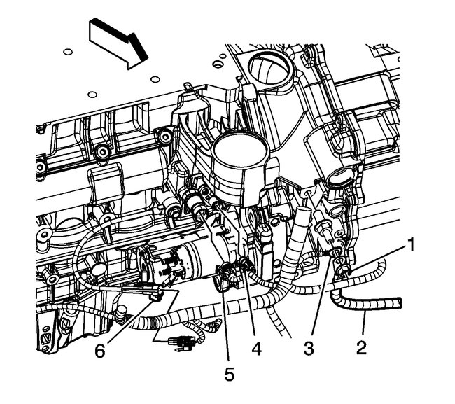
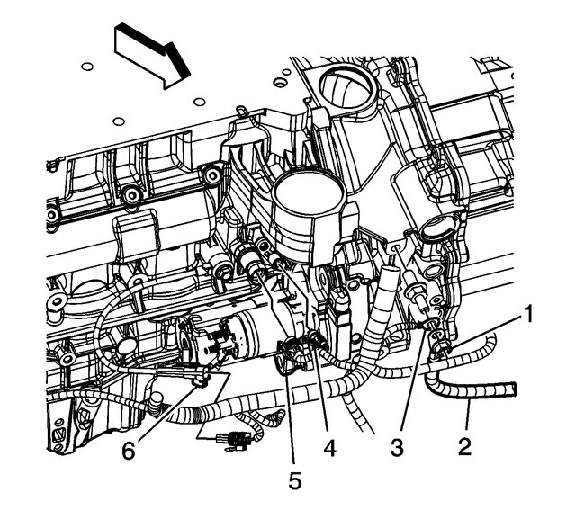
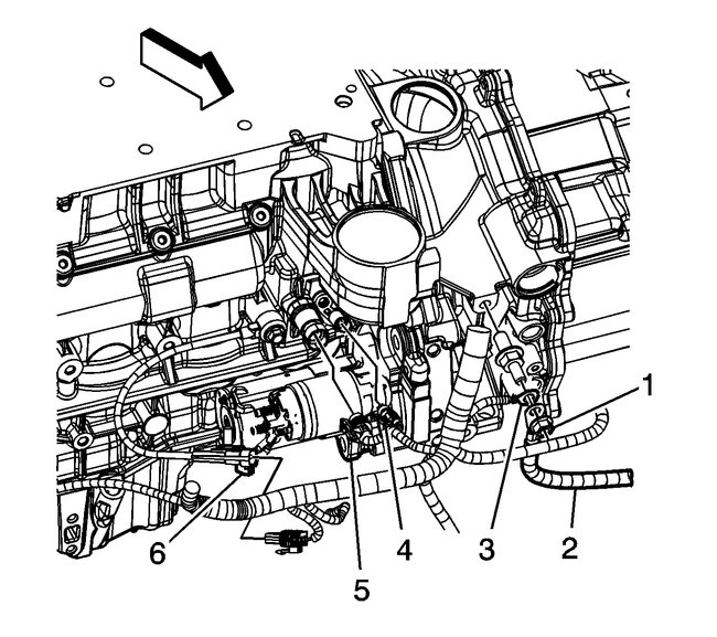
Unlike the example in the aforementioned sensor replacement, your car's sensor is behind the starter. Here are the directions specific to replacement. The attached pictures correlate with these directions. Note: Prior to removal of the starter, disconnect the battery.

_________________________________________

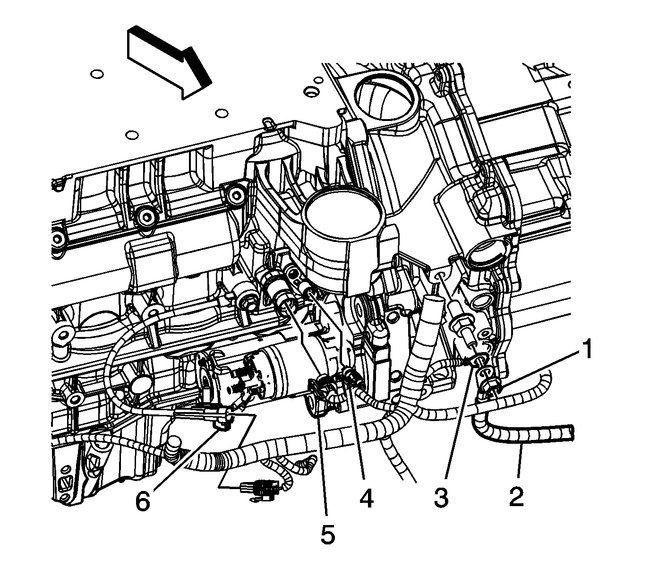
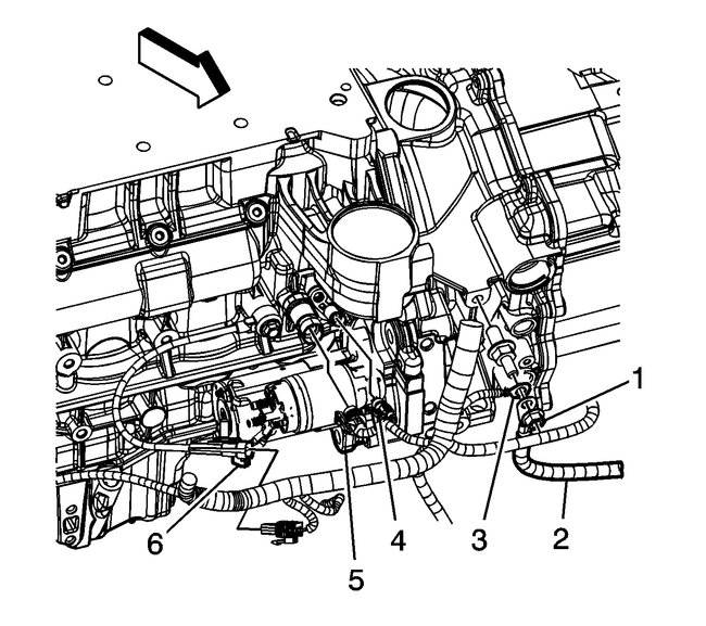
CRANKSHAFT POSITION SENSOR REPLACEMENT
Crankshaft Position Sensor Replacement

Removal Procedure

1. Remove the starter.
2. Disconnect the crankshaft position (CKP) sensor electrical connector (4).

3. Remove the CKP sensor bolt.
4. Remove the CKP sensor.

Installation Procedure

1. Lubricate the CKP sensor O-ring seal with clean engine oil.
2. Install the CKP sensor.

Notice: Refer to Fastener Notice.

3. Install the CKP sensor bolt.

Tighten the sensor bolt to 10 N.m (89 lb in).

4. Connect the CKP sensor electrical connector (4).
5. Install the starter.

_______________________________________

Let me know if this helps or if you have other questions.

Take care,
Joe
Was this
answer
helpful?
Yes
No
Thursday, December 20th, 2018 AT 8:42 PM
Tiny
GEORGE HHR
  • MEMBER
  • 3 POSTS
Hi me again. I changed my crankshaft sensor and my car still shuts off after like five minutes. No check engine light on.
Was this
answer
helpful?
Yes
No
Saturday, December 29th, 2018 AT 8:54 AM
Tiny
JACOBANDNICKOLAS
  • MECHANIC
  • 110,194 POSTS
Hi and welcome back:

When it shuts off, does it start right back up? If you have to wait, check to see if you lost fuel or spark to the engine. One of them is shutting it down. You will have to do that while it won't start. Here are links that show how it's done. Or, if it doesn't start, if you use starting fluid to try it, that will tell us what is missing. For example, if it starts with starting fluid for a couple seconds, then the issue is fuel related. If it doesn't, then it's spark related.

https://www.2carpros.com/articles/how-to-check-fuel-system-pressure-and-regulator

https://www.2carpros.com/articles/how-to-test-an-ignition-system

Let me know what you find or if you have other questions.

Joe
Was this
answer
helpful?
Yes
No
Saturday, December 29th, 2018 AT 6:19 PM
Tiny
GEORGE HHR
  • MEMBER
  • 3 POSTS
  • 2007 CHEVROLET HHR
  • 2.4L
  • 4 CYL
  • 2WD
  • AUTOMATIC
  • 200,000 MILES
Car will start and run five minutes and just shuts off, wait a bit and will restart. I changed my crankshaft sensor and still does the same thing. I have no check engine light on. Fuel pump does not come on right away but does after a few. Please help. I tried to take for ride and the only window that works is the passenger front.
Was this
answer
helpful?
Yes
No
Sunday, December 30th, 2018 AT 12:10 PM (Merged)
Tiny
ASEMASTER6371
  • MECHANIC
  • 52,796 POSTS
Good evening,

The first thing I would do is check the fuel pressure when it will not start. you have all the indications of a bad fuel pump.

https://www.2carpros.com/articles/how-to-check-fuel-system-pressure-and-regulator

https://www.2carpros.com/articles/how-to-replace-an-electric-fuel-pump

Procedure below

Roy

Caution: In order to reduce the risk of fire and personal injury that may result from a fuel leak, always replace the fuel sender gasket when reinstalling the fuel sender assembly.

imageOpen In New TabZoom/Print

1. Remove the fuel tank.
2. Disconnect the fuel pressure sensor and fuel pump module electrical connectors (1, 4).
3. Disconnect the fuel tank vent pipe quick connect fittings (2, 3).
4. Disconnect the fuel tank feed pipe quick connect fitting (5).
5. Install the J 45722 to the lock ring.

imageOpen In New TabZoom/Print

Notice: Avoid damaging the lock ring. Use only J-45722 to prevent damage to the lock ring.

Notice: Do Not handle the fuel sender assembly by the fuel pipes. The amount of leverage generated by handling the fuel pipes could damage the joints.

Important:
* The fuel sender assembly may spring up from its position.

* When removing the fuel sender assembly from the fuel tank, be aware that the reservoir bucket is full of fuel. It must be tipped slightly during removal to avoid damage to the float. Discard the fuel sender assembly O-ring and replace it with a new one.

* Carefully discard the fuel in the reservoir bucket into an approved container.

Important: Do NOT use impact tools. Significant force will be required to release the lock ring. The use of a hammer and screwdriver is not recommended. Secure the fuel tank in order to prevent fuel tank rotation.

Use the J 45722 and a long breaker-bar in order to unlock the fuel sender lock ring. Turn the fuel sender lock ring in a counterclockwise direction.

6. Remove the module lock ring.

imageOpen In New TabZoom/Print

7. Slowly raise the module until the fuel level sensor float arm is just visible. Ensure that the fuel level sensor harness connector clears the tank opening.

Important: When removing the module from the fuel tank, be aware that the module reservoir bowl is full of fuel. The module must be tipped slightly during removal to avoid bending the fuel level sensor float arm.

8. Tilt the module toward the rear of the fuel tank to allow the level sensor float arm to clear the tank opening. Remove the module from the tank.
9. Carefully discard the fuel in the module reservoir bowl into an approved fuel container.

Important: DO NOT reuse the old fuel pump module seal.

10. Remove and discard the fuel pump module seal.

imageOpen In New TabZoom/Print

Important:
* Some lock ring were manufactured with DO NOT REUSE stamped into them. These lock rings may be reused if they are not damaged or warped.

* Inspect the lock ring for damage due to improper removal or installation procedures. If damage is found, install a NEW lock ring.

* Check the lock ring for flatness.

Place the lock ring on a flat surface. Measure the clearance between to lock ring and the flat surface using a feeler gage at 7 points.
11. If the warpage is less than 0.41 mm (0.016 in), the lock ring does not require replacement.
12. If the warpage is greater than 0.41 mm (0.016 in), the lock ring must be replaced.
Was this
answer
helpful?
Yes
No
Sunday, December 30th, 2018 AT 12:10 PM (Merged)

Please login or register to post a reply.