Security light comes on intermittently which causes the car not to start

Tiny
SOLEMAN1971
  • MEMBER
  • 2012 HOLDEN BARINA
  • 0.6L
  • 4 CYL
  • 2WD
  • AUTOMATIC
  • 120,000 MILES
I had car battery replaced.(Seems to be around the time the problem started). Recently had key batteries replaced. I been to mechanics, auto electricians locksmiths and every body seems to keep sending me around in circles.
Monday, August 2nd, 2021 AT 9:54 PM

1 Reply

Tiny
KASEKENNY
  • MECHANIC
  • 18,907 POSTS
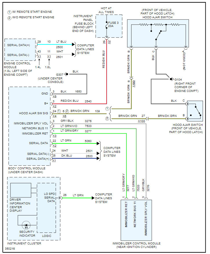
More than likely you have an issue in the body controller but here are a few guides that talk about this issue in a little more detail and provide so basic info on how to disable the system:

https://www.2carpros.com/articles/how-to-reset-a-security-system

https://www.2carpros.com/articles/everything-goes-dead-when-engine-is-cranked

If this all started after a battery replacement then when this theft light is on, we need to interrogate the BCM to find out if the hood ajar switch is faulty or something else along these lines.

We don't have a manual on this specific vehicle as it is not offered here in the USA but this is similar to a Chevrolet version that we do have here so I am providing the wiring diagrams for this below.

Please run through this material and let us know if you have questions.

Thanks
Was this
answer
helpful?
Yes
No
Wednesday, August 4th, 2021 AT 11:07 AM

Please login or register to post a reply.