Security Light On

Tiny
DGOOCH
  • MEMBER
  • 2007 HOLDEN BARINA
  • 4 CYL
  • FWD
  • AUTOMATIC
  • 68,000 MILES
I own a 2007 Holden Barina TK7 1.6 litre auto hatch. I currently have a problem whereby sometimes after the vehicle is locked and the indicator lights have flashed to signify the car is locked (as they should), some time later the indicator lights will flash intermittently at random for around 30 seconds and then turn themselves off. In other words they malfunction. This seems to occur about once every 2 or 3 days when the vehicle is parked. The vehicle is stock standard and has had no modifications done to it. I either see this happen or people inform me that the car lights are flashing. Can you please help me fix the problem?

Regards

Doug
Friday, June 3rd, 2011 AT 1:54 AM

2 Replies

Tiny
MHPAUTOS
  • MECHANIC
  • 31,937 POSTS
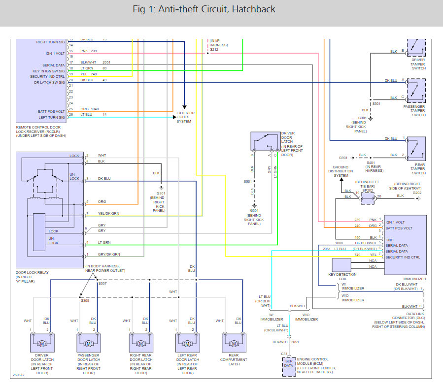
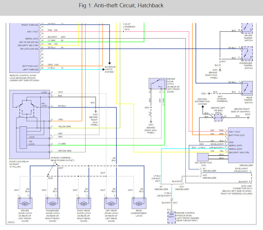
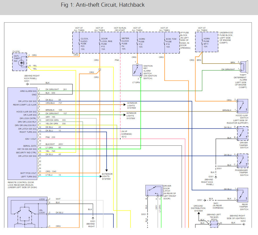
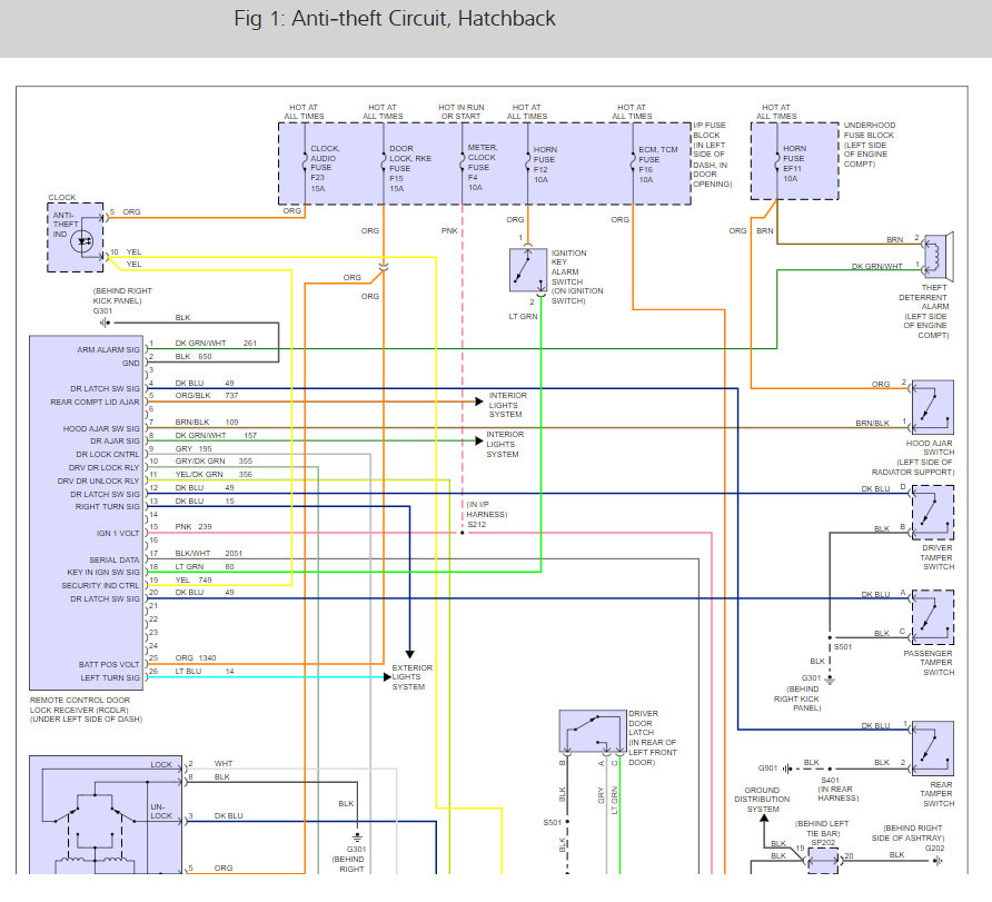
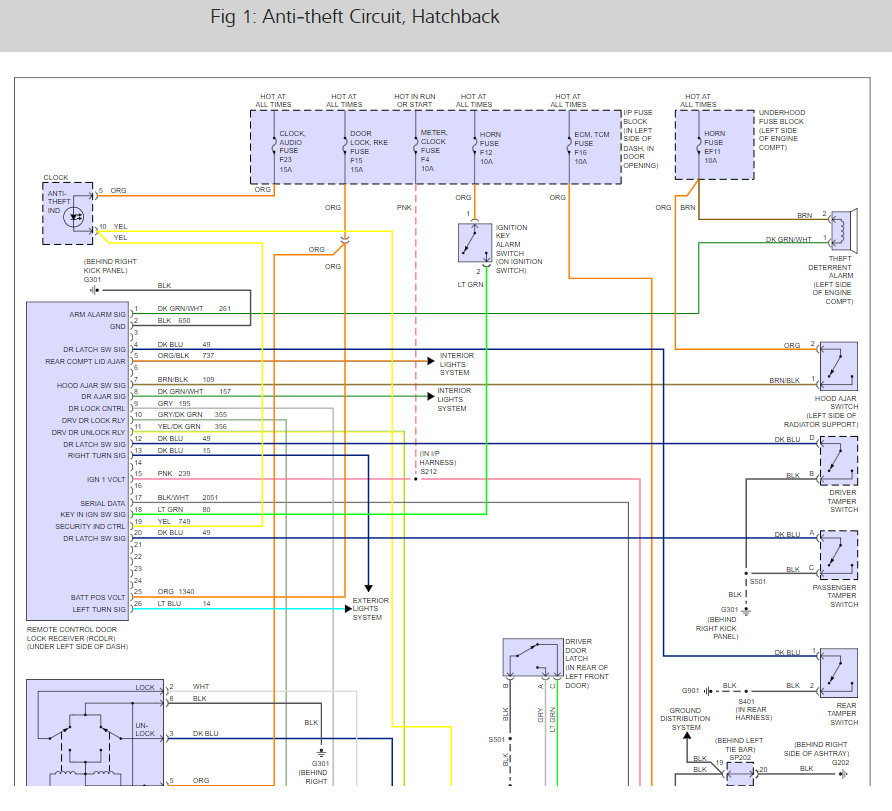
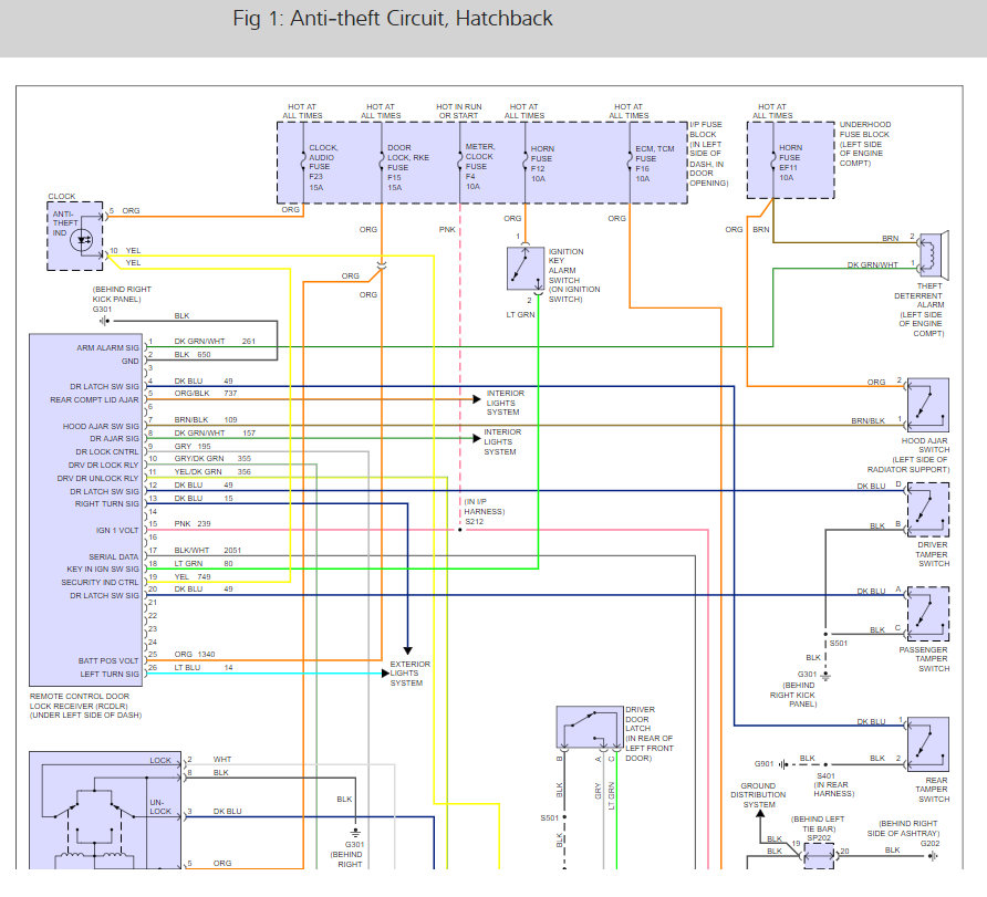
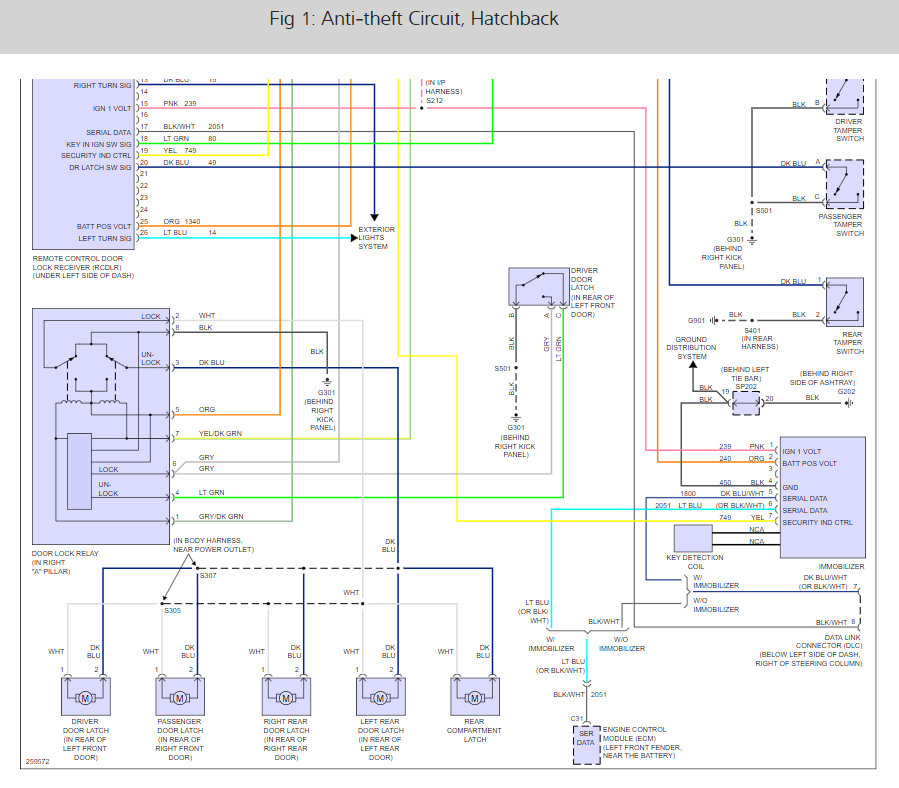
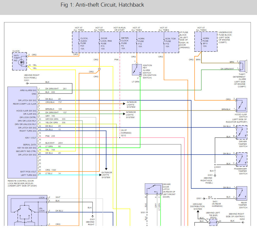
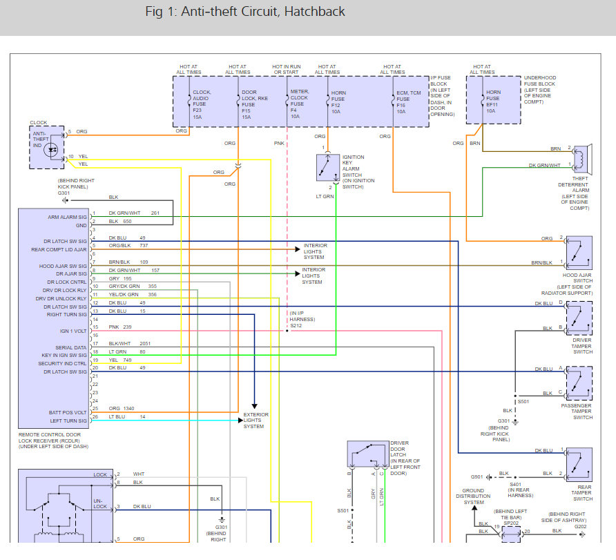
It sounds like the door lock remote control module is going out. Here is a wiring diagram so you can see how the system works and the location of the lock module.

When you replace it take you vin number to the dealer so they can program it for you.

Check out the diagrams (Below). Please let us know what happens.

Cheers
Was this
answer
helpful?
Yes
No
Thursday, June 9th, 2011 AT 10:38 PM
Tiny
DANIELMOYGANNON
  • MEMBER
  • 1 POST
Hi, I just got my car serviced with a new mechanic today and he replaced the lock module like you said it cost me $430.00 I found out the part was $139.00 I wish I seen this post before DOH
Was this
answer
helpful?
Yes
No
+1
Tuesday, November 6th, 2012 AT 8:54 AM

Please login or register to post a reply.