Right side parking lights stay on

Tiny
CHAZ9909
  • MEMBER
  • 2008 CHEVROLET SILVERADO
  • 4.8L
  • V8
  • 4WD
  • AUTOMATIC
  • 170,000 MILES
Can't seem to locate the short to power for the right-side front park lamps. They stay on after the truck shuts down and has drained my battery twice now. Not only do they stay on, but turn signals are working but are very faint.
Wednesday, February 2nd, 2022 AT 4:34 AM

5 Replies

Tiny
STEVE W.
  • MECHANIC
  • 15,679 POSTS
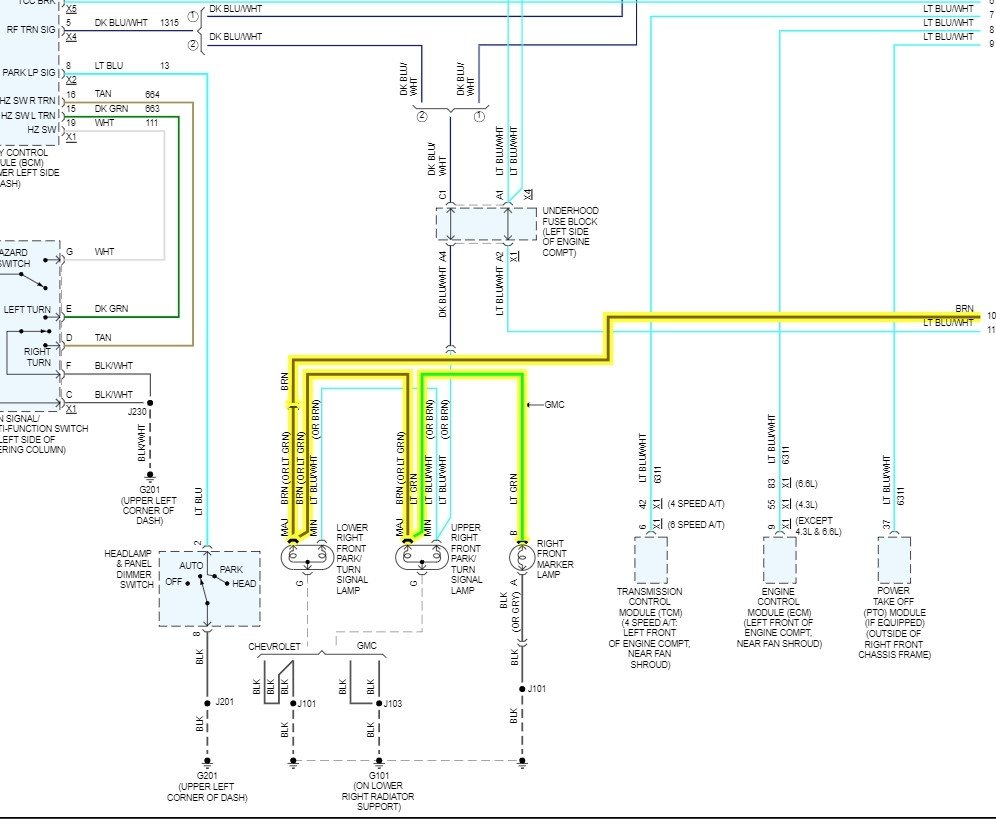
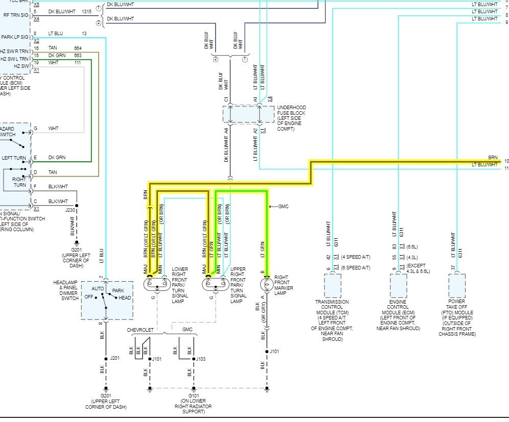
Is it only the front light that stays on? Both upper and lower bulbs? How about the side marker or right rear? Asking because they all use the same feed so if it's a short to power, they should all be on unless the wiring has failed. Try this, unplug fuse number 27 it powers all of the parking lamps on the right, does the right front light go out?
You say the turn signals are dim, is that both sides or just that light? If just that light you will want to check the ground connection for the lamp, it is the black wire coming out of the headlamp assy, and runs to a ground on the radiator support, if the ground was bad it can cause dim lights.
Was this
answer
helpful?
Yes
No
+1
Wednesday, February 2nd, 2022 AT 8:37 AM
Tiny
CHAZ9909
  • MEMBER
  • 3 POSTS
Yes, it's just the front right park lamps. And they stay on, even after I pull the #27 fuse. The only way I got them to shut off was by pulling the whole fuse box from its mount. So, I don't think it's local ground, but rather a bad fuse box perhaps? May have failed internally somehow. As for the directional, same side, but it's not that they are dim so much as only a faint blink can b seem from the front right directional markers. It's like they aren't shutting enough power off to actually blink, just slightly dimming. I hope that makes sense.
Was this
answer
helpful?
Yes
No
Wednesday, February 2nd, 2022 AT 11:49 AM
Tiny
STEVE W.
  • MECHANIC
  • 15,679 POSTS
Doesn't sound like a bad box, it sounds like there is a short in the harness, but I'm surprised it isn't feeding back into the system unless the wire to the box is broken between the box and light and the short is feeding the light. Pulling the box would just shut off all power to the truck so a short in the harness would lose power. Take a test light and check fuse 27s socket. With things turned off probe both contacts in the box. You should have power on only one side with the park lights on. If you have power to both there is a power short in the circuit outside the box. It would be a mess, but you could try pulling other fuses. Turn the lights on park and be sure they are all on, now turn them off and see if the right front is still on. Take a test light and connect it to ground, then run down the fuses in the box, find the ones that have power on both sides and pull them one at a time and see which one turns the light off. That would at least point to the circuit that is feeding it power.

Being you know how to pull the box you could try a test, pull the box, now use a fused jumper lead connected to the battery positive and go to the output from fuse 27 that is in gray connector X1 under the fuse block. Use the jumper to feed pin F5, that is the right front power feed to that light. Does it come on? What else comes on with it? Pull the light assembly out and check the connector for any issues. The brown wire is the marker feed.
Pull the connector up out of the fuse box connector assy, see any rubbed wires or corrosion there?
Worst case you could trace the harness across under the radiator and look for damage or corrosion. I'm betting that the turn and stuck on lights are because of something in the harness but finding it could take a bit.
Was this
answer
helpful?
Yes
No
Wednesday, February 2nd, 2022 AT 9:37 PM
Tiny
CHAZ9909
  • MEMBER
  • 3 POSTS
So using my test light on fuse 27, park lamps on (all park lamps on truck are lit), light doesn't light. Park lamps off, no light. Park lamps on, pulled every fuse in the box, rt front park lamps stay on. However I did find that the RT High beam fuse had melted down for some reason though. I'm going to have to chase the wiring this weekend it looks like.
Was this
answer
helpful?
Yes
No
Thursday, February 3rd, 2022 AT 3:13 PM
Tiny
STEVE W.
  • MECHANIC
  • 15,679 POSTS
The harness has all of them in it so I would say the headlight power feed might have shorted to the other lights in the harness, if it was touching ground or other light so it was drawing a lot of current that would cause the fuse to get hot. The right high is a light green with black tracer. Based on what you found I would say you have a short in the harness. I also suspect the box might have an issue or the OE diagram is wrong, Fuse 27 is supposed to be the park lights on the trucks without a diesel, and fuse 24 is supposed to be for the diesel, but check it if they installed it, wouldn't be the first time the diagram was wrong on fuses. The harness runs from the box toward the front then across under the radiator support and up to the lights.
Was this
answer
helpful?
Yes
No
Thursday, February 3rd, 2022 AT 9:37 PM

Please login or register to post a reply.