Monday, September 9th, 2013 AT 3:07 PM
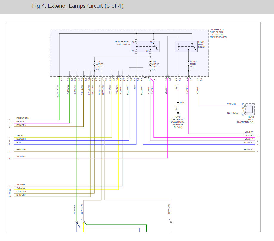
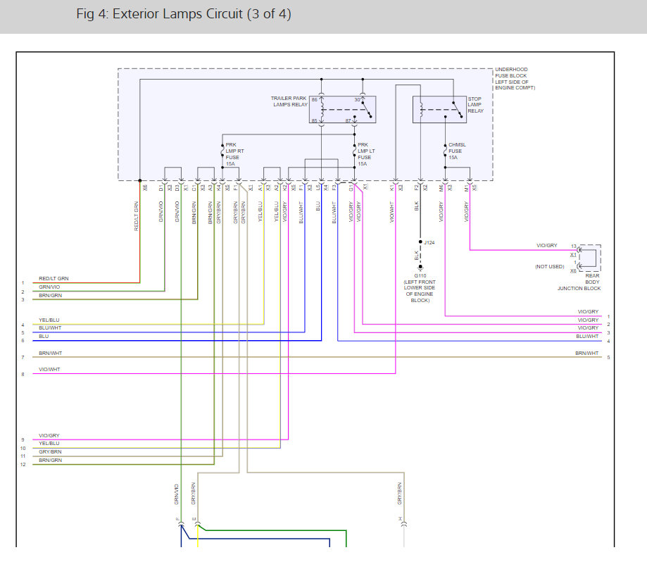
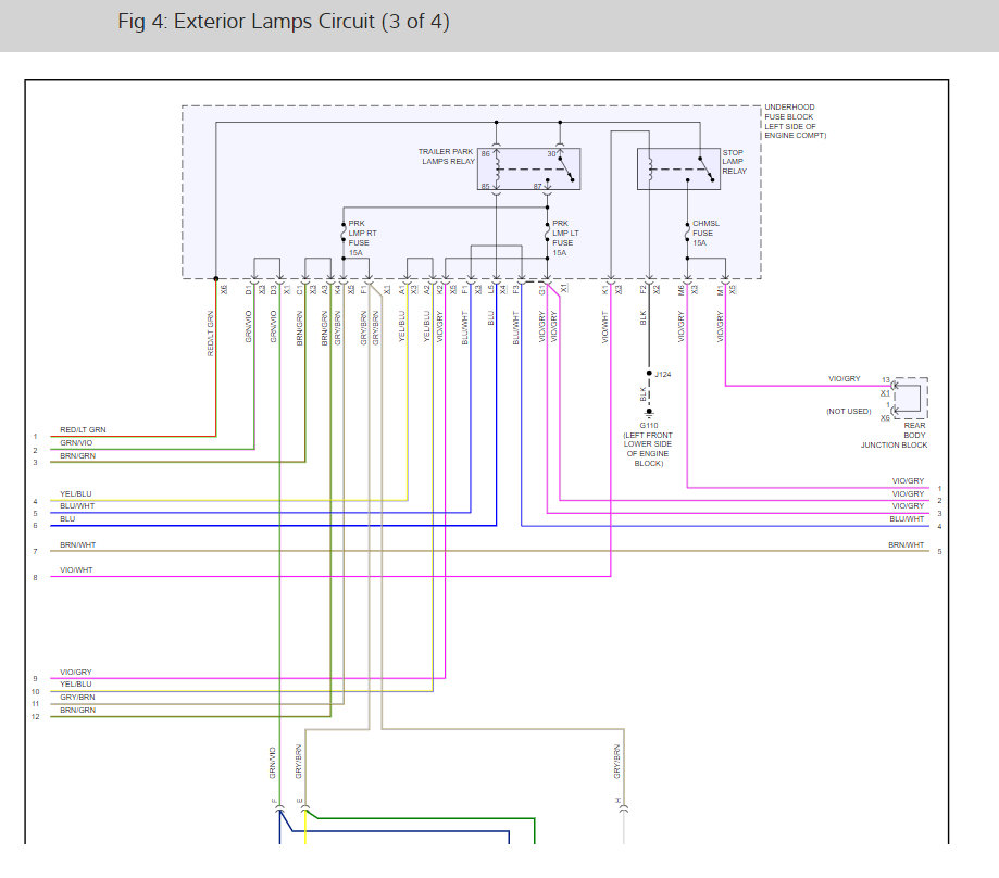
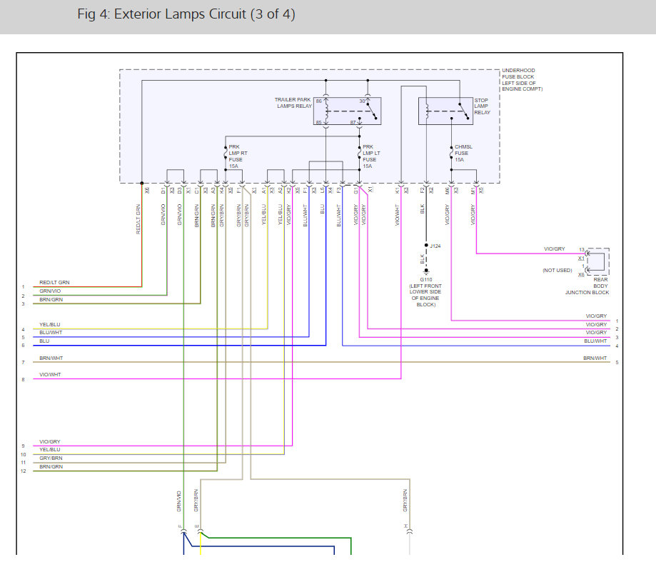
My park lights stay on after I shut off motor and park. It drained my battery and while recharging I heard a noise in the under hood fuse panel. I pulled out the fuse that was vibrating and the light went out but after placing the fuse back in the park lights refused to go out. So now I can not park the truck without pulling the fuse. Any idea what causing this? Thank you










