Tail lights not working

Tiny
FACETIOUS
  • MEMBER
  • 1995 CHEVROLET SILVERADO
Electrical problem V8 Four Wheel Drive Automatic 150000 miles

forgive me if this has been covered. Ok heres the problem my brake lights work, turn signals work, but tail lights do not. Replaced relay, fuses fine as far as I can tell, even changed out the whole tail light assemblies with my originals and nothing. Please Help
Tuesday, February 10th, 2009 AT 4:12 PM

17 Replies

Tiny
KEN L
  • MASTER CERTIFIED MECHANIC
  • 55,486 POSTS
Hello,

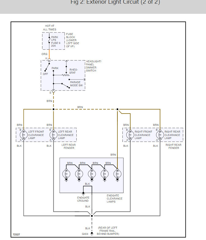
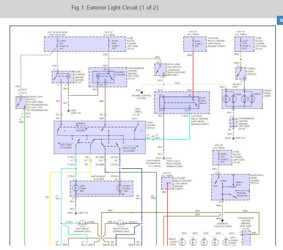
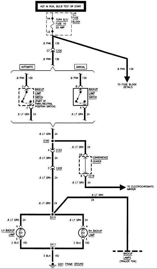
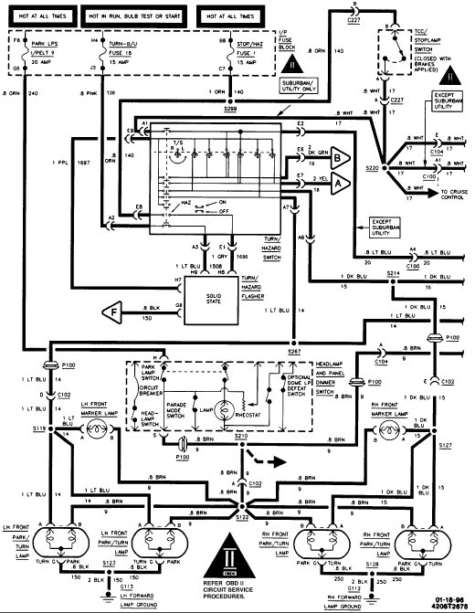
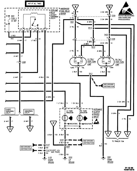
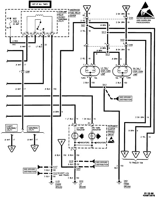
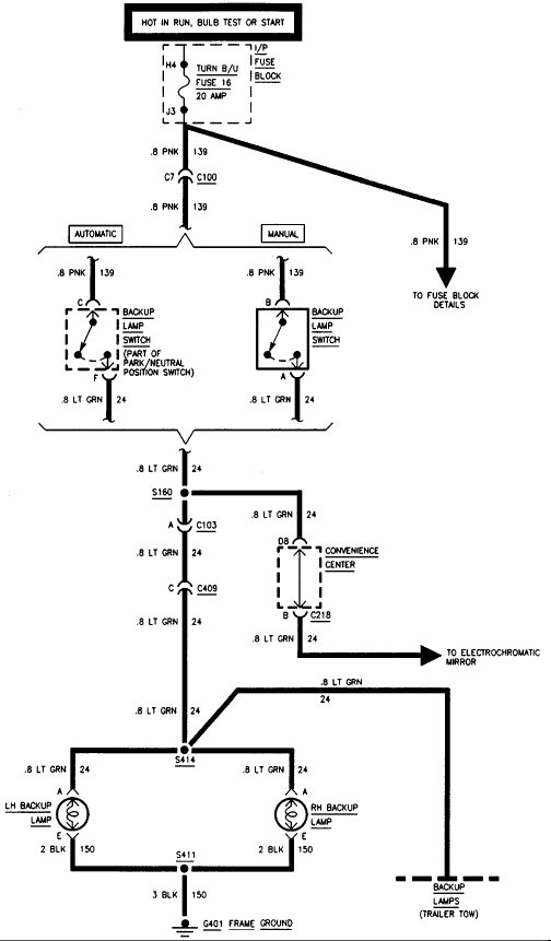
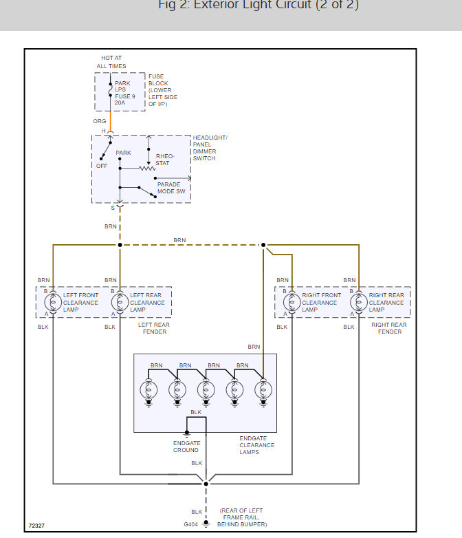
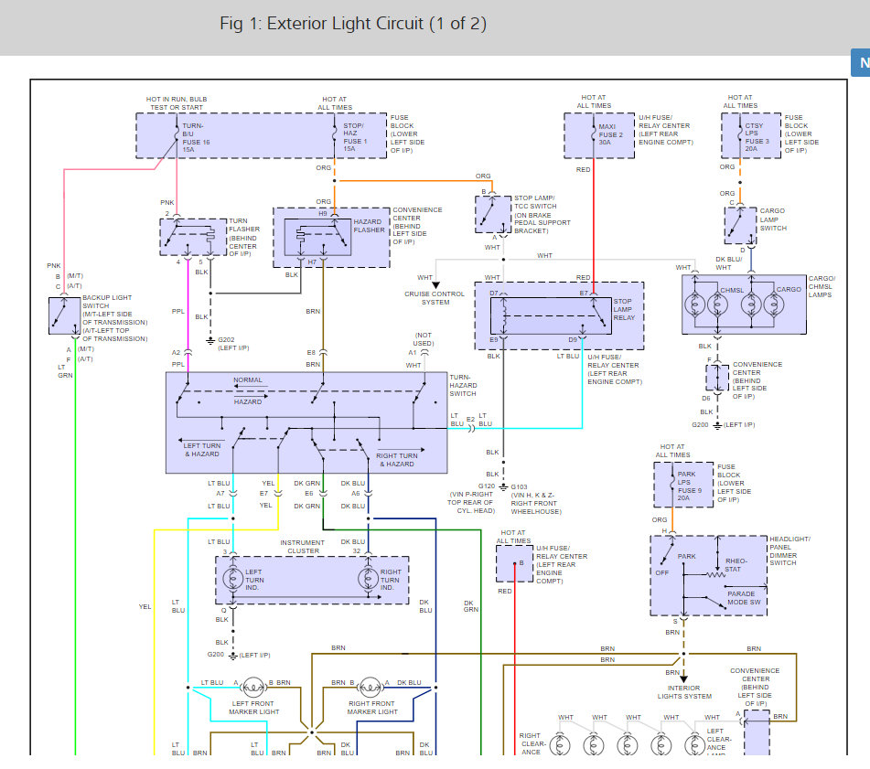
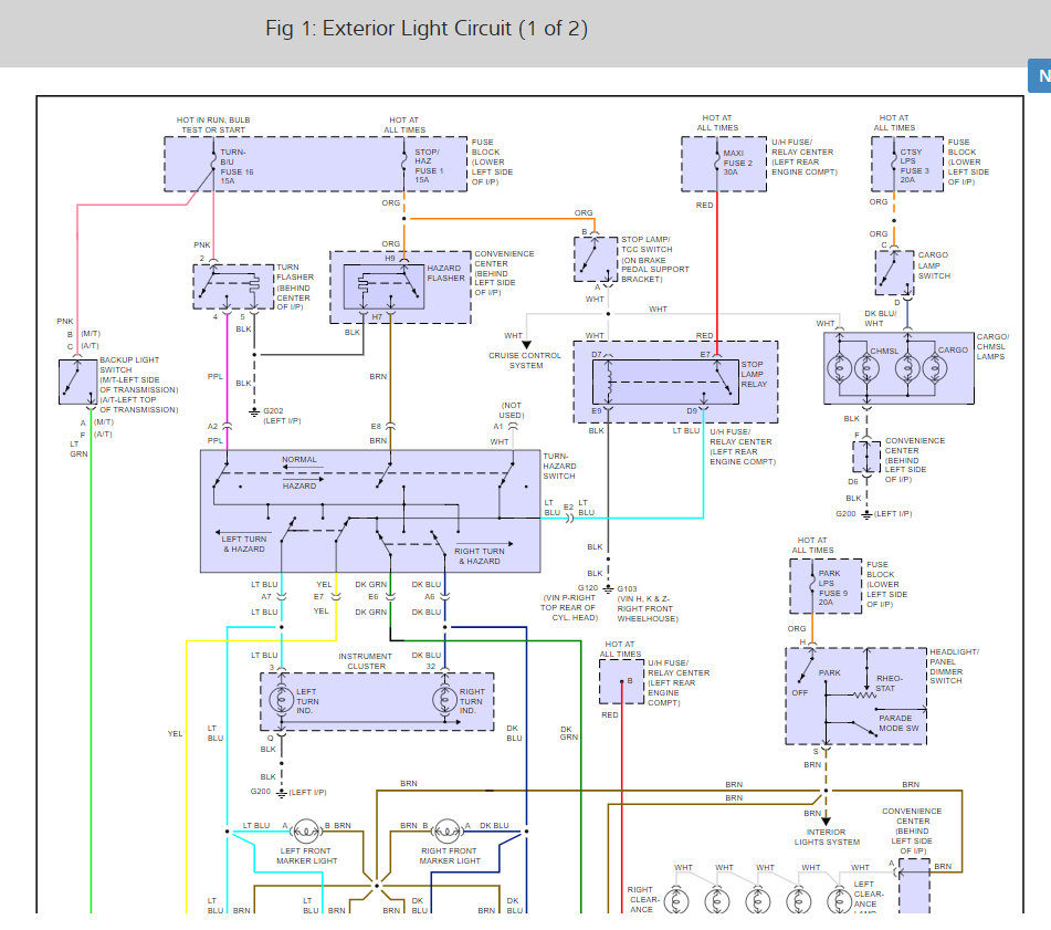
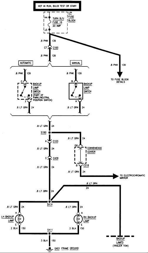
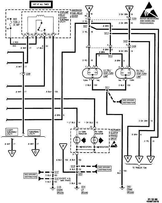
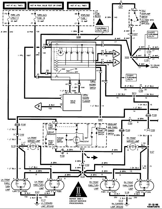
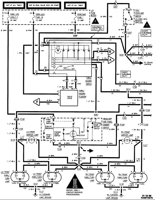
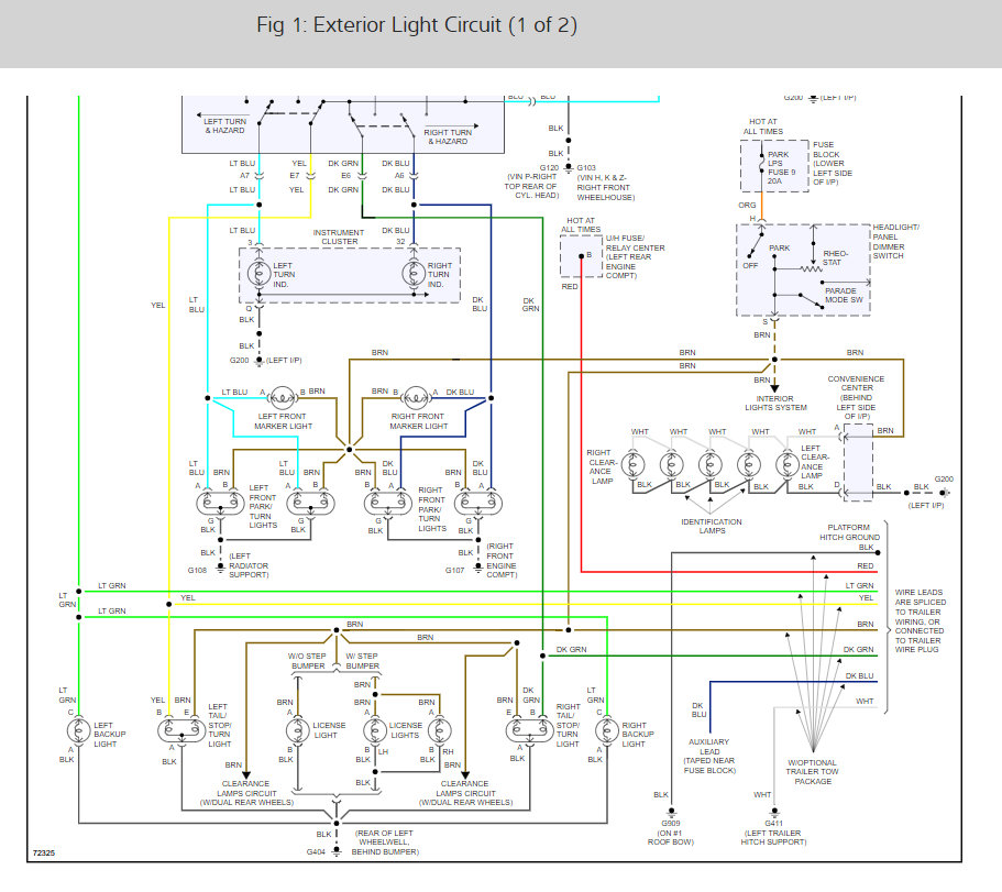
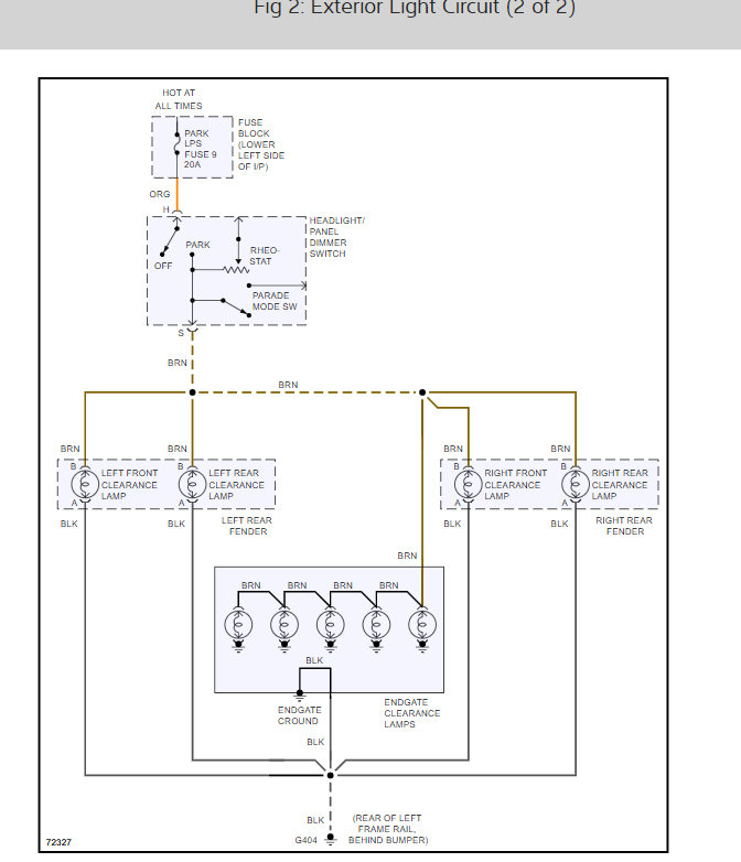
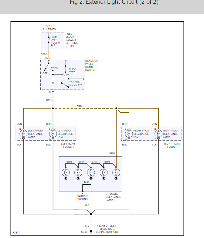
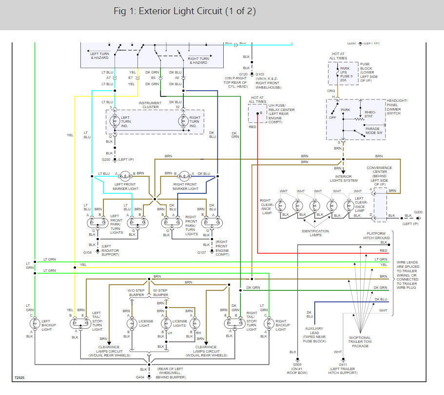
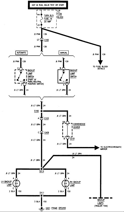
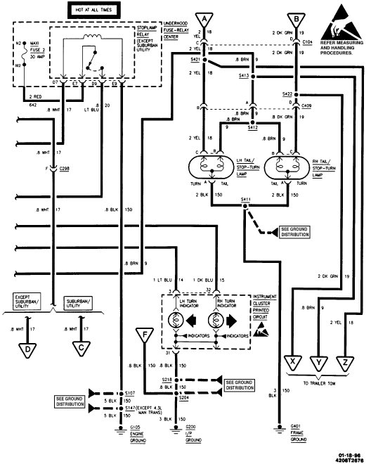
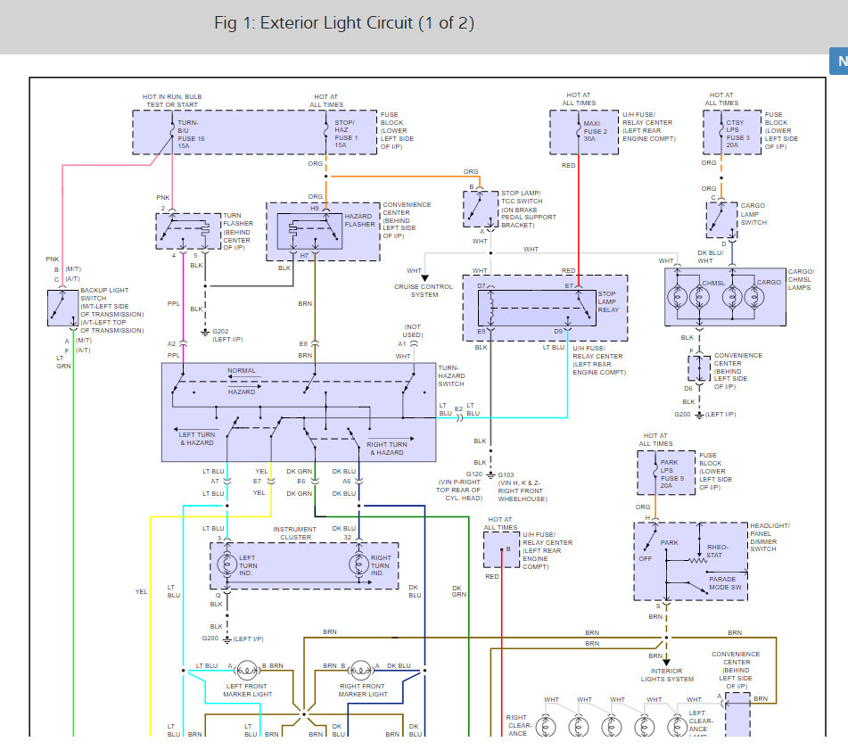
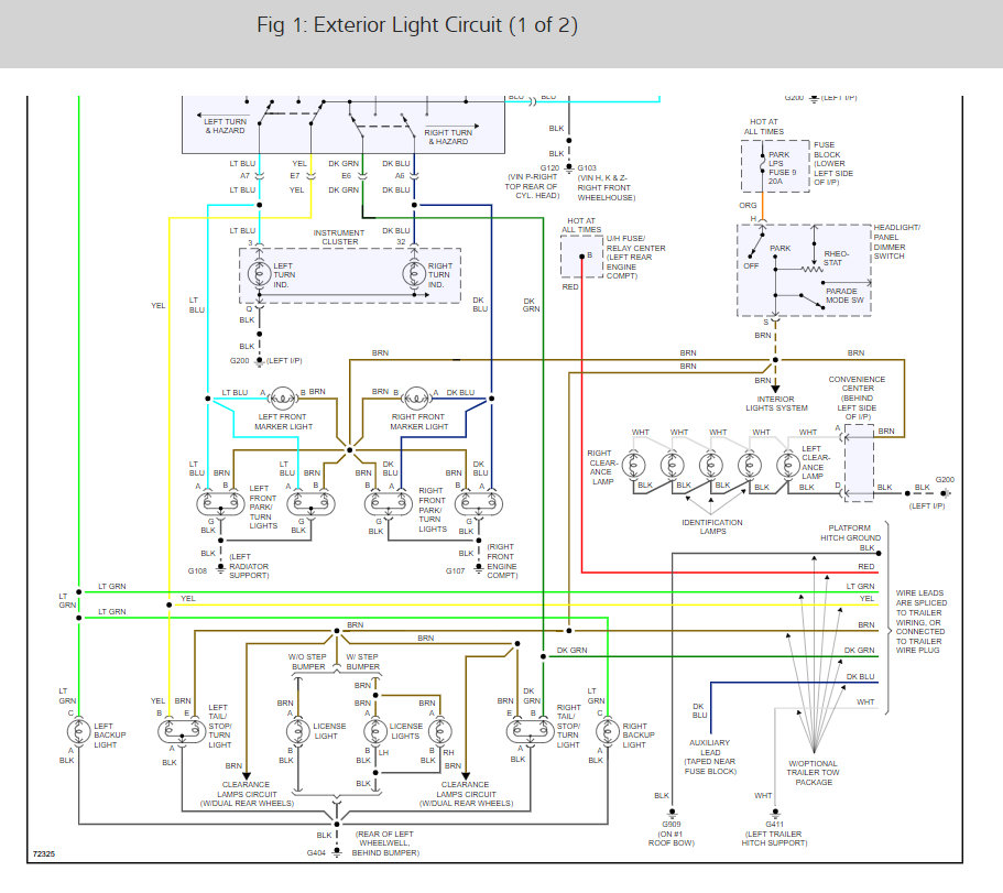
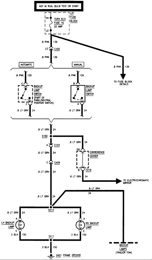
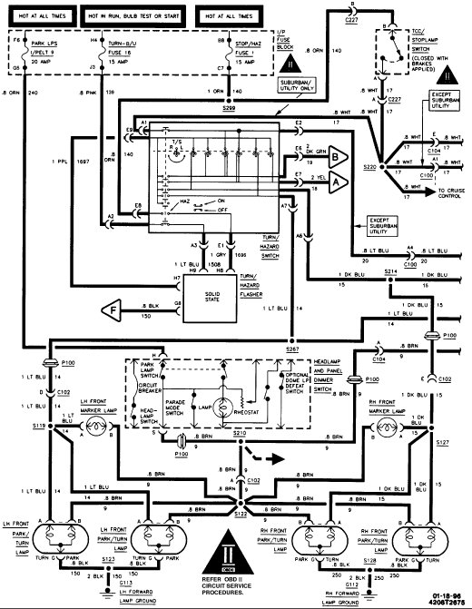
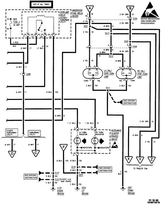
There is a tail light fuse you need to check first to see if there is power there if so follow the power through the switch to see if that is bad here is a guide to help you with the tests.

https://www.2carpros.com/articles/how-to-use-a-test-light-circuit-tester

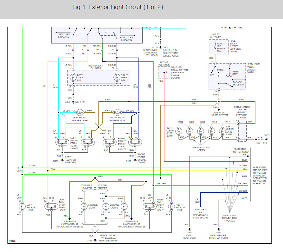
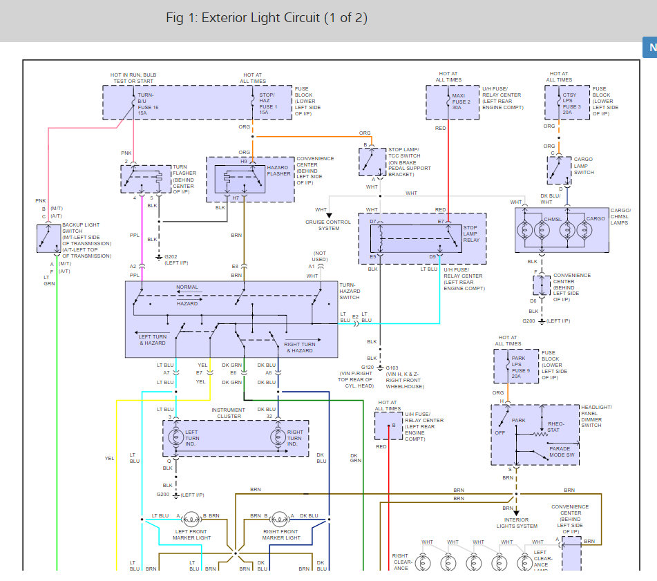
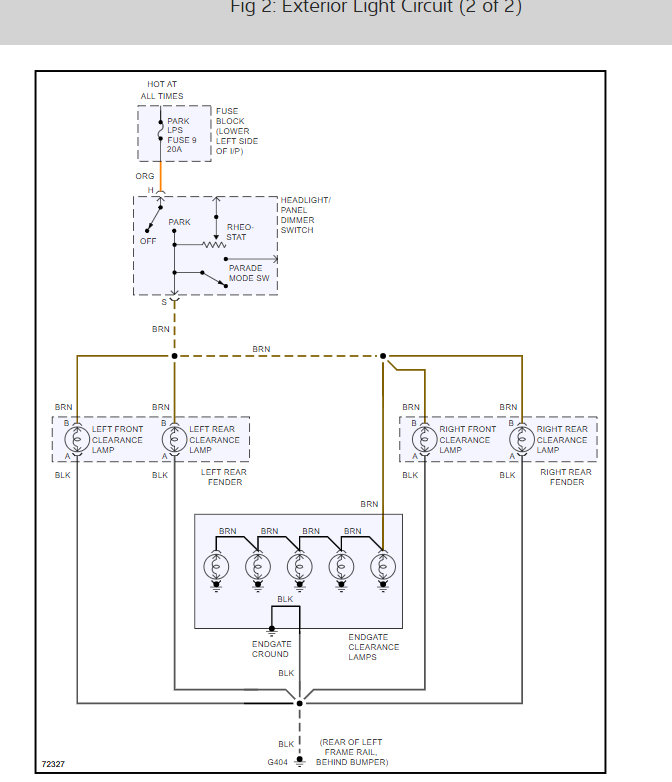
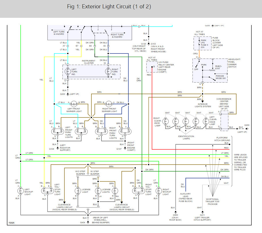
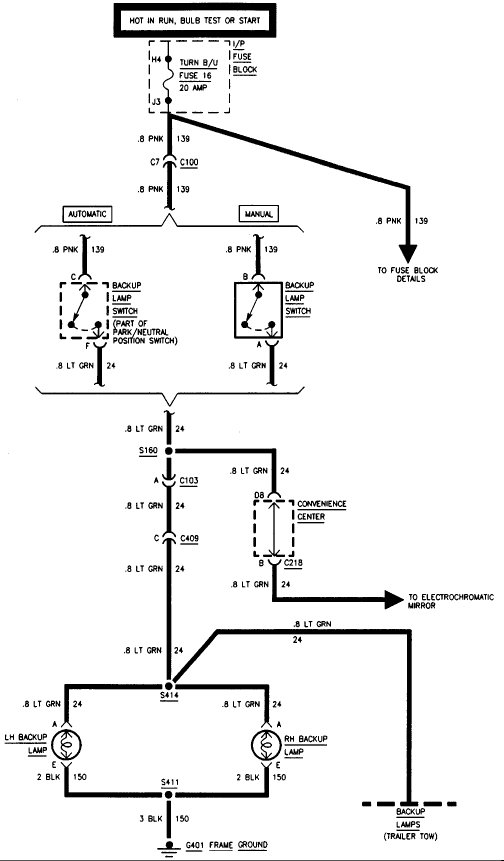
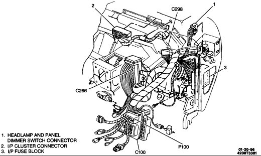
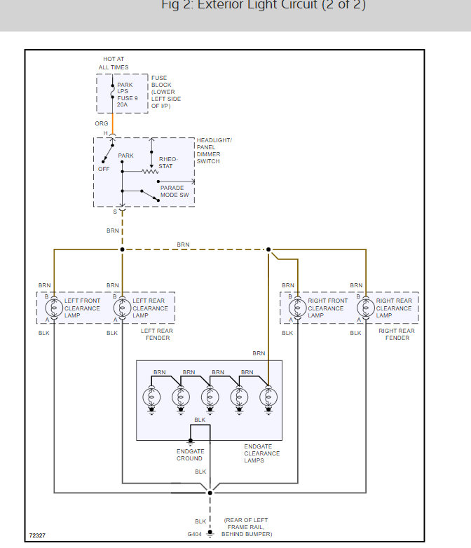
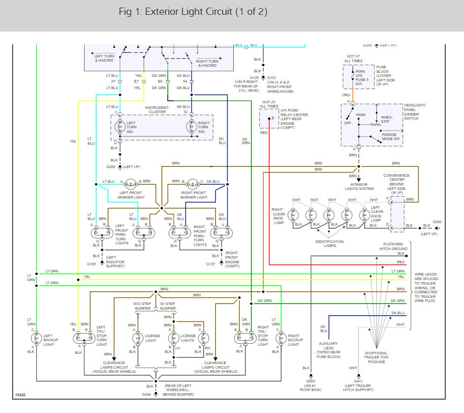
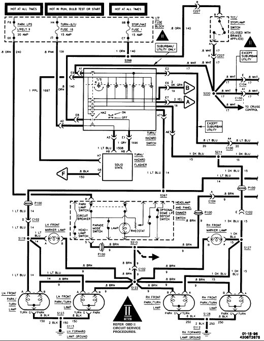
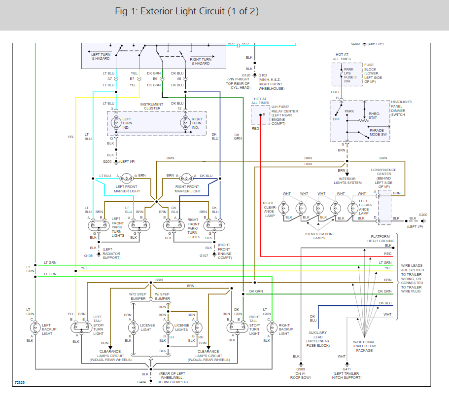
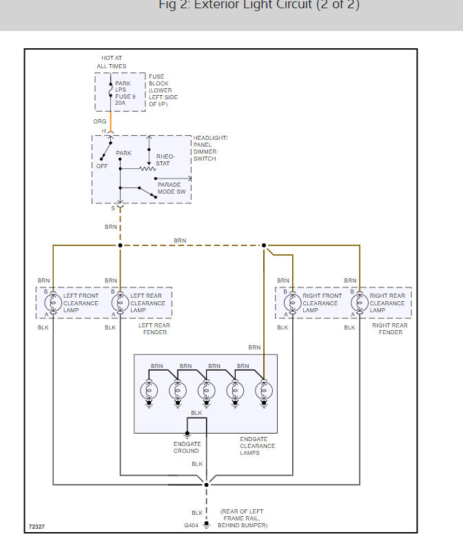
Here is a tail light wiring diagrams and the fuse location to help

Check out the diagrams (Below)

Please let us know what you find.

Cheers, Ken
Was this
answer
helpful?
Yes
No
Wednesday, February 11th, 2009 AT 2:23 PM
Tiny
FACETIOUS
  • MEMBER
  • 0 POST
Thanks for the test guide it was great I checked it out and the headlight switch has bad (fuse okay) so I replaced it now everything works! Thanks again I love this site.
Was this
answer
helpful?
Yes
No
+1
Friday, February 13th, 2009 AT 2:20 PM
Tiny
DAVID2R
  • MEMBER
  • 3 POSTS
  • 1995 CHEVROLET SILVERADO
  • 5.0L
  • V8
  • 4WD
  • AUTOMATIC
  • 200,000 MILES
Tail lights do not turn on, brake lights do not turn on, when I turn the left signal in cab one light on the left side blinks and the right side has two lights blink. When right turn signal no lights come on. Pulled out lights and checked to see if power was getting to lights, and getting power in all slots on both sides of connection. Brake light turns on on the cab light, also has a solid running light.

So I decided as a temp fix I plugged in a 3 light hitch that plugs into the trailer connection, which works I get running lights on that device, and when I use a turn signal I get the left but not right. Also with this plugged in the right running light comes on but is very dim.

Another strange thing, when I turn on the right turn signal, where the license plate lights are, the one on the right side blinks.

I have checked all fuses under the hood and they all work, I checked all fuses inside the drivers side panel and none were bad.

I am at a loss with this, it is very confusing and I have no idea where to start to find out were the issue is. Any ideas would be greatly appreciated!

To include all details - the front lights and high beams run perfectly, running lights (yellow) run fine up front, turn signals work in the front but blink extremely fast up front. Nothing in the rear works except the plugin for the trailer, but turn signals are still screwy on it.
Was this
answer
helpful?
Yes
No
-3
Saturday, March 10th, 2018 AT 6:03 PM (Merged)
Tiny
CARADIODOC
  • MECHANIC
  • 34,489 POSTS
All of what you described is typical of a broken ground wire, particularly when you have lights flashing with the signals, like the license lamp. To verify this, you can use a test light or voltmeter to check for voltage on all the terminals on one of the malfunctioning bulbs. If you have the flat plastic base with four wires, one should have 12 volts with the brakes applied and a different one will have 12 volts with the tail lights turned on. The other two must have 0.0 volts. With a bad ground wire, you'll have voltage on all four terminals although the two ground terminals will usually not have the full 12 volts.

If the bulbs have the older round brass bases, you must have 0.0 volts on the brass base. You'll find around 6.0 to 8.0 volts there if there's a broken ground wire.

Another clue is when working with the signal lights only, the bulb on one side will act differently when you remove the mating bulb on the other side of the vehicle. That's because when current can't get to ground, it finds an alternate path through the bulb on the other side that it's tied to, then through a front bulb and to ground.
Was this
answer
helpful?
Yes
No
+4
Saturday, March 10th, 2018 AT 6:03 PM (Merged)
Tiny
DAVID2R
  • MEMBER
  • 3 POSTS
So I checked the ground coming off the wiring harness at the rear end, it was extremely rusted, in which I re spliced, new screw, and sanded the rust off that same area AFTER checking to make sure it was a proper ground.

Still did not work, had the same problem.

So what I did was run a wire from the battery post negative side, to that ground and it fixed my ground issue. So I was wondering if that was an issue in the ground between the battery and the truck, including cab to bed? Or if there was another issue I am not seeing. I have checked and re checked fuses including ones under the hood, and all test fine, or they are not broken.

Thank you for the reply, it did help, was able to fix my vehicles taillights minus running a ground from the front to the back. Is there a recommended gauge of wire I should run for the ground if I do keep it at its current condition? I believe right now its 16 or 18 ga. I was thinking of running 10 gauge but didn't want to waste that on a test.

Thank you folks.
Was this
answer
helpful?
Yes
No
+1
Saturday, March 10th, 2018 AT 6:03 PM (Merged)
Tiny
CARADIODOC
  • MECHANIC
  • 34,489 POSTS
10 gauge is severe overkill. That's good for 30 amps. You need a wire to handle less than 10 amps if it's for all the lights on the rear. 14 gauge is fine for that.

The bigger issue is running a new wire. My students knew that was never an acceptable solution because you don't know what happened to the original wire, so you don't know if the same thing will happen to the other wires in the same harness. As an example, suppose a harness fell down onto hot exhaust parts and one melted through the insulation and the wire grounded out. How long before the same thing happens to the next wire? That second one could result in wasting a real lot of time on the diagnosis when the problem never would have occurred in the first place if the cause of the first problem was found and repaired. You would have seen the other wires in danger of becoming grounded. Same is true when a harness is sliding back and forth on something as the engine rocks, or it's rubbing on a sharp metal bracket. The point is you want to know exactly where the cause of the problem is so you can prevent it from happening again.

Now that you found where on the bulb socket that needs to be grounded but currently isn't, use a test light instead. Ground the test light's ground lead to a good, paint-free and rust-free point. You can even use the end of that wire you used for testing. Place the probe on the point that is supposed to be grounded. When you turn on that light, you'll see the bulb gets only half brightness and the test light gets half brightness. That's because each bulb is getting only half of the 12 volts. Now you can move the test light's probe along the socket's ground wire to the next accessible test point. That's typically a connector. Sneak the probe in there and see if the test light is still half brightness or if it stays off. You're looking for the first place the test light stays off. That means you just passed over the break in the circuit.
Was this
answer
helpful?
Yes
No
+3
Saturday, March 10th, 2018 AT 6:03 PM (Merged)
Tiny
DAVID2R
  • MEMBER
  • 3 POSTS
I checked all the wire, there was no breaks, nothing was burnt, all the voltage is good. I checked with the prior owner and never had an issue. And as for running a new wire, considering it is just a ground wire, its not a major issue. If it was a hot wire then that would be a different story.

I will do some more searching with the test light as you suggested for the break in the ground, but I am guessing it is due to a rust issue, and I just need to replace all the grounds on the vehicle.
Was this
answer
helpful?
Yes
No
+1
Saturday, March 10th, 2018 AT 6:03 PM (Merged)
Tiny
CARADIODOC
  • MECHANIC
  • 34,489 POSTS
Don't get all "wrapped around the axle", (carried away) with searching for every ground wire on the truck. There's only two you have to be concerned with. One is for all the lights on the rear or all the lights on one side on the rear. That wire will usually be in the harness that runs toward the front. It won't be bolted to the box because the box may not provide a good ground, especially if it's mounted on rubber isolators. It could be bolted to the frame. Then you have to look for where the frame is grounded to the body. If that ground is bad, there's going to be a lot of other things that don't work.

The second ground involved is the smaller black battery negative wire. That is bolted to the body, but here again, if that one is bad, everything will be dead because the only other way for circuits to be grounded is through the negative battery cable that's bolted to the engine block. The engine is mounted on rubber mounts. The drive shaft makes a very poor connection, but even if it was good, the rear axle is mounted to leaf springs with rubber bushings. The closest thing there is to another ground path is the accelerator cable, and that will never do a good job.

The most common thing I find when there's a bad ground at the rear is someone installed a trailer wiring harness with Scotch-Lok connectors or something similar. Those don't seal out moisture so you can expect the wires to corrode. Look for rust on the frame too where ground wires are bolted, but that seems to be much less of a problem.
Was this
answer
helpful?
Yes
No
+1
Saturday, March 10th, 2018 AT 6:03 PM (Merged)
Tiny
BOBXL1200
  • MEMBER
  • 2 POSTS
  • 1996 CHEVROLET SILVERADO
  • V8
  • 4WD
  • AUTOMATIC
  • 180,000 MILES
Electrical problem
1996 Chevy Silverado V8 Four Wheel Drive Automatic 180000 miles

I recently noticed that when my truck is runnung the headlights aren't on any more I have owned this truck sinse 1998 and have never replaced a headlight in it is this a simple fix I like this feature please help me thanks Bob
Was this
answer
helpful?
Yes
No
Saturday, March 10th, 2018 AT 6:04 PM (Merged)
Tiny
MERLIN2021
  • MECHANIC
  • 17,250 POSTS
Check the #15 fuse, 20 amp. Also the DRL relay in the convenience center below the dash.


https://www.2carpros.com/forum/automotive_pictures/62217_DRL_relaya_1.jpg



https://www.2carpros.com/forum/automotive_pictures/62217_DRL_relayb_1.jpg



https://www.2carpros.com/forum/automotive_pictures/62217_DRL_Relayc_1.jpg



https://www.2carpros.com/forum/automotive_pictures/62217_DRL_Relayd_1.gif

Was this
answer
helpful?
Yes
No
+3
Saturday, March 10th, 2018 AT 6:04 PM (Merged)
Tiny
QUAGMIRE86
  • MECHANIC
  • 98 POSTS
Are you referring to your headlamps or the DRL's? Before you check the relays and such, make sure the bulbs are not burnt out. They are pretty easy to change but if you need help, stop by any auto parts store and they will be glad you giver you a hand.
Was this
answer
helpful?
Yes
No
Saturday, March 10th, 2018 AT 6:04 PM (Merged)
Tiny
THOMAS WAGNER
  • MEMBER
  • 8 POSTS
  • 1994 CHEVROLET SILVERADO
  • 5.7L
  • V8
  • 2WD
  • AUTOMATIC
  • 180,000 MILES
Noticed today that both of my tail lights are out. Both rear break lamps are out as well. Nothing is working in regards to the light lamps in the rear. I checked the interior fuses but nothing was blown from what I could tell. There were two fuses encased in metal preventing me from determining if they were blown or not. Otherwise? Not sure where to start in search of the problem.
Was this
answer
helpful?
Yes
No
Saturday, March 10th, 2018 AT 6:04 PM (Merged)
Tiny
MLDANIELS2000
  • MECHANIC
  • 227 POSTS
Check ground at left rear frame rail
Was this
answer
helpful?
Yes
No
Saturday, March 10th, 2018 AT 6:04 PM (Merged)
Tiny
THOMAS WAGNER
  • MEMBER
  • 8 POSTS
Someone else mentioned something about the ground wire; so you sound like you not only really know your stuff but your probably totally rite on as well. Can you please give me a little better explanation of where I will find the ground wire areas I should be looking for some kind of break.
Thank you Mr. Auto Mechanic God!
Was this
answer
helpful?
Yes
No
Saturday, March 10th, 2018 AT 6:04 PM (Merged)
Tiny
MLDANIELS2000
  • MECHANIC
  • 227 POSTS
Check for a bolt holding several wire ends mounted to frame around spare tire well just behind bumper. Most likely several black wires bolted to one location on the frame. Make sure there is not corrosion or accumulation of dirt on eyelet connector at that point. Remove bolt and clean. Also trace wire up from that point, possible break up farther. If you have a tow hitch, ground is bolted to left side of tow hitch.
Was this
answer
helpful?
Yes
No
+2
Saturday, March 10th, 2018 AT 6:04 PM (Merged)
Tiny
PAUL ALLRED
  • MEMBER
  • 12 POSTS
I am having the same issue with my 96 k 1500. I have replaced both tail light circuits, turn signal switch, brake switch and relay. Pulled the wiring harness all the way to connectors C104, C110, and C111. Inspected that section of harness, and oh I also have this same elusive wire. Mine was taped off at the rear and has power when you press the brake pedal but no other time.
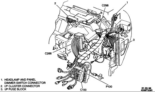
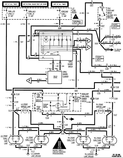
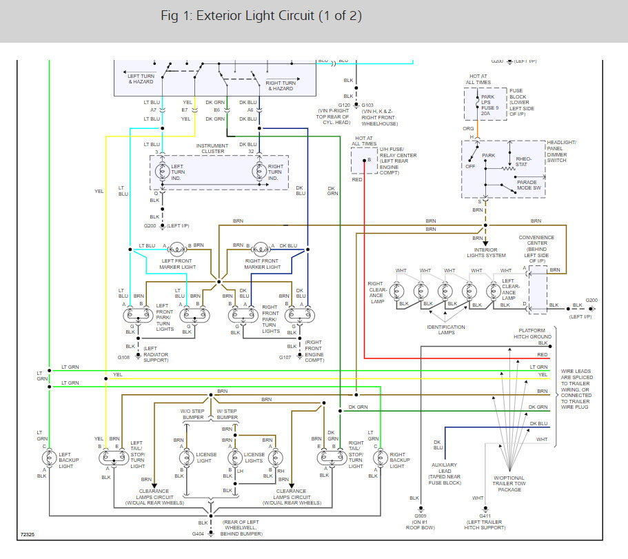
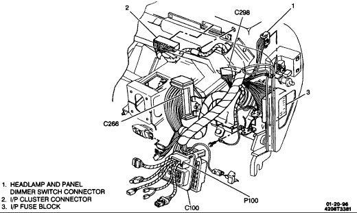
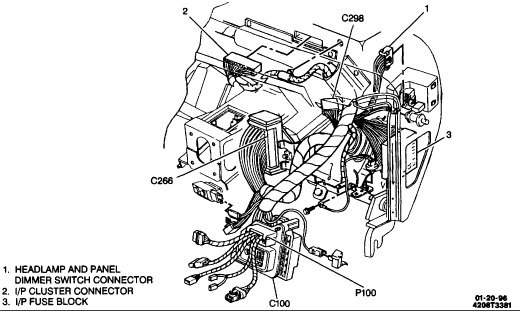
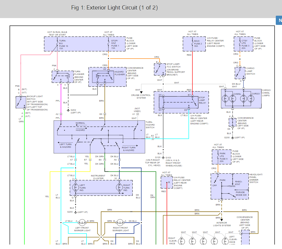
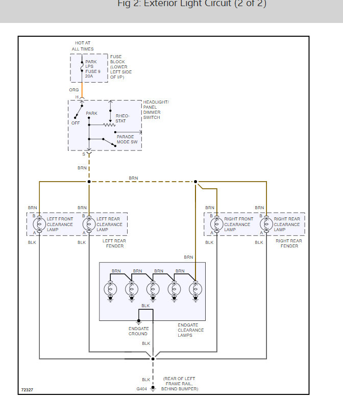
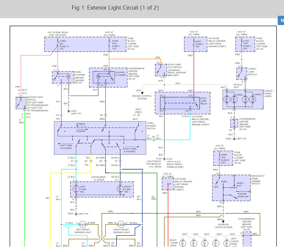
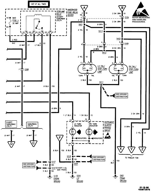
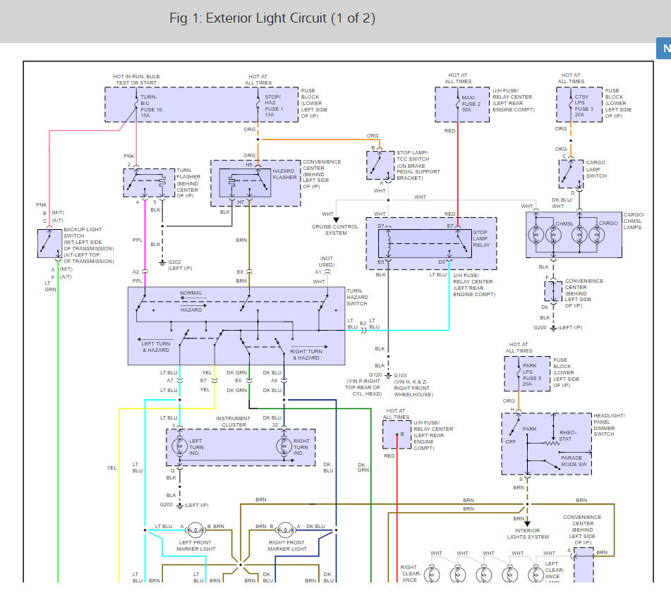
-Take notice the 4 white wires coming from the TCC/stop lamp upper right corner. 2 of those wires have connector C100 A and C104 E as a point where they are running to. Look further down on image 1 and see brown wire going to connector C104 A.
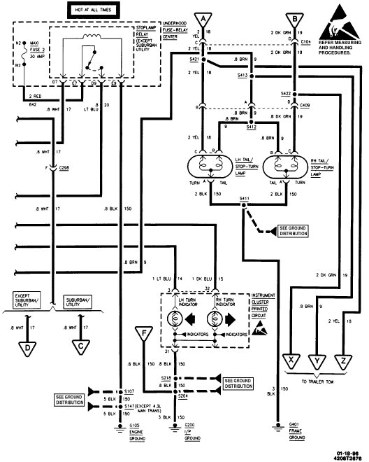
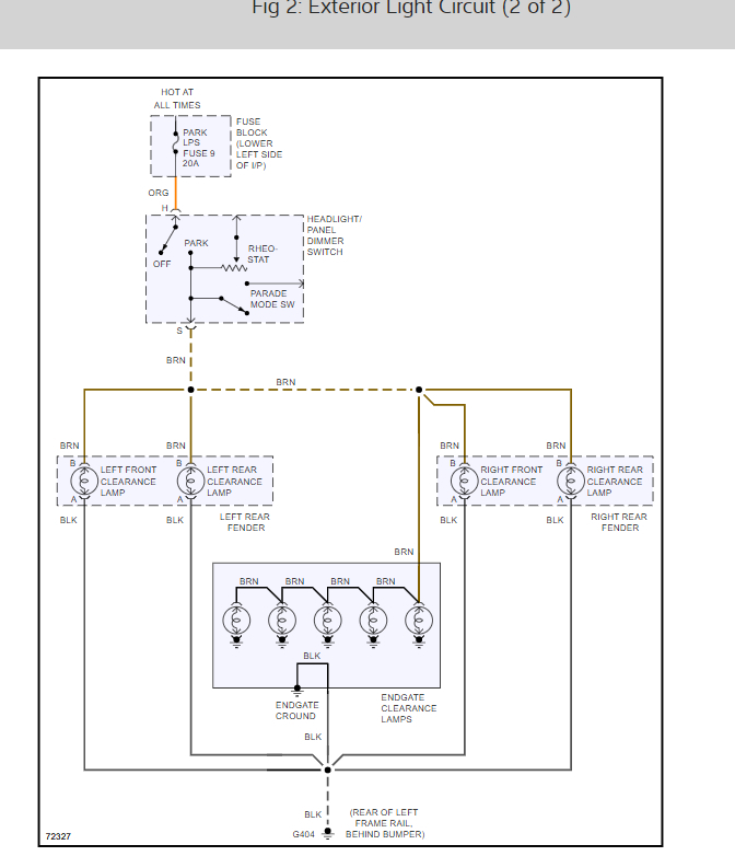
-In image 2 if you look in the center you see yellow going to C104 C and dark green going to C104 D
- Have not found C104 A
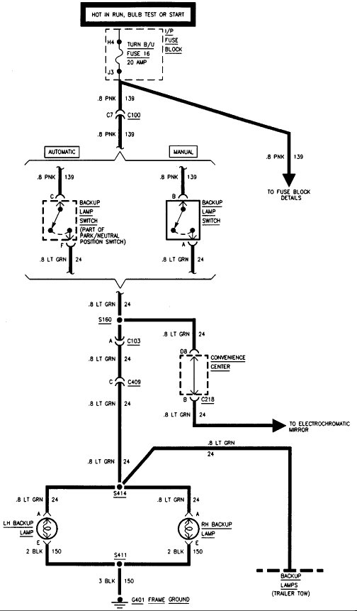
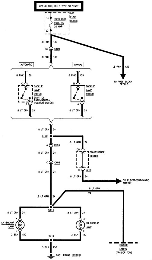
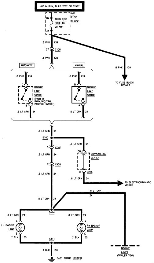
- In 3rd image you see backup lamp wire coming from connector C100 C to the rear.
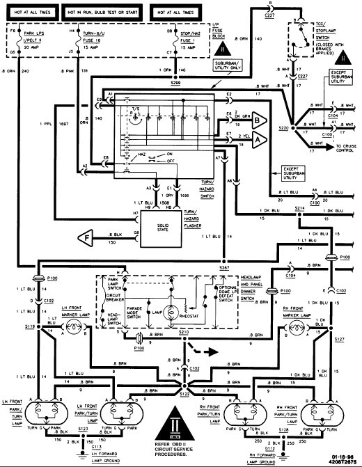
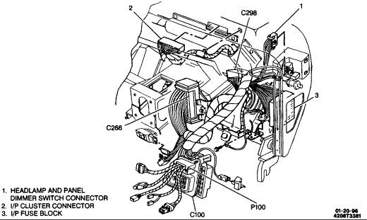
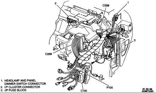
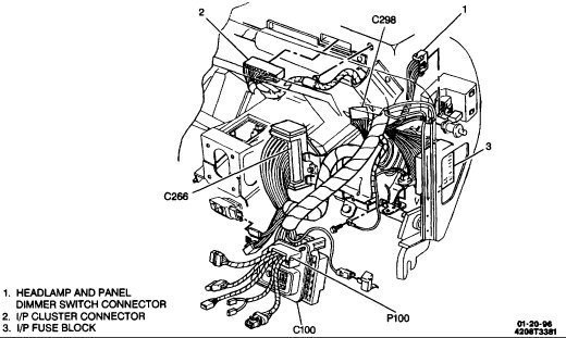
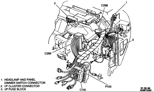
- You will notice in these images that brown, yellow, d green, and l green all run to rear harness connector C409 but the white shows it going to connector C298 F, stop lamp relay B pin and on page 1 to TCC, cruise, and turn hazard switch. Image 4 shows location of C298.
- Also note that C104, 110, & 111 are all listed as being on the rear lamp harness.

White wire is coming from C298 through the I/p connector to C104 and just runs down to the rear. Same length as other wires. White wire through C100 runs to relay switch in under hood fuse box. Now you are where I am with no brake lights. Everything has been replaced and checked. With multimeter and light. White wire acts like it is the rear brake light, and as far as factory goes. There are no splices or nothing out of the ordinary that does not look factory.
Was this
answer
helpful?
Yes
No
+1
Thursday, July 25th, 2019 AT 5:50 AM
Tiny
KEN L
  • MASTER CERTIFIED MECHANIC
  • 55,486 POSTS
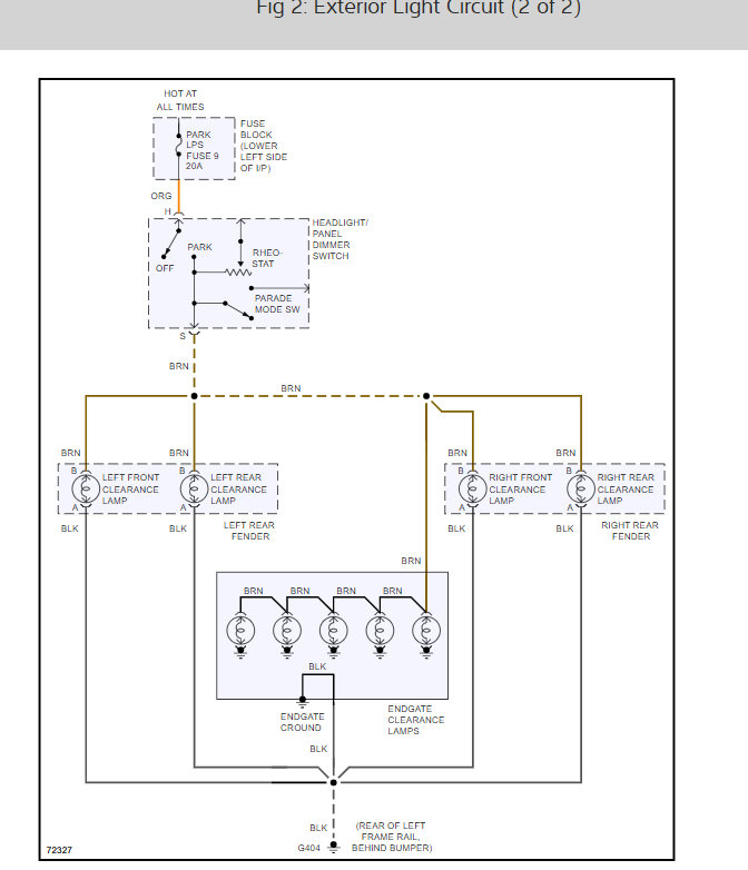
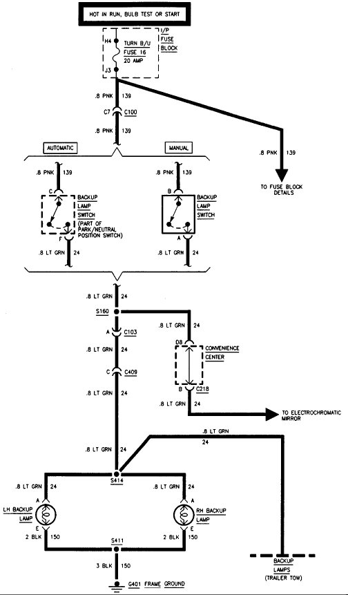
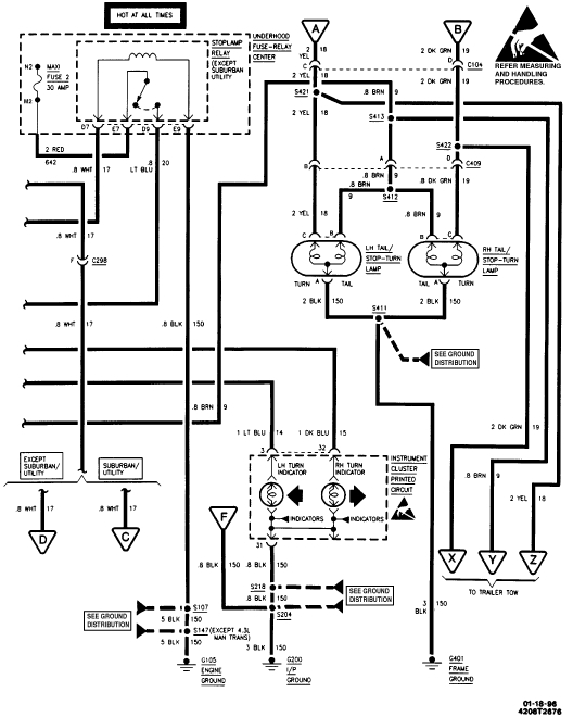
It sounds like the turn signal switch is no good but to be sure here is a guide to help you check for power and the wiring diagrams from mitchell1 so you can see how the system works a little better. Check for power in and out of the switch. Check out the diagrams (Below). Please let us know what you find. We are interested to see what it is.
Was this
answer
helpful?
Yes
No
Friday, July 26th, 2019 AT 9:57 AM

Please login or register to post a reply.