Tails lights don't work

Tiny
JNPK64
  • MEMBER
  • 2003 CHEVROLET SILVERADO
  • 3.8L
  • V8
  • 2WD
  • AUTOMATIC
  • 150,000 MILES
Tail lights don't work. Checked brake light, its fine.
Sunday, October 19th, 2014 AT 8:29 AM

1 Reply

Tiny
KASEKENNY
  • MECHANIC
  • 18,907 POSTS
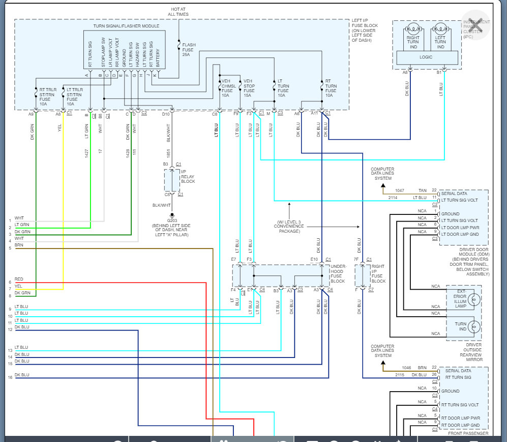
The first thing to check is the stop lamp switch.

Basically, we need to check the voltage going to the switch and then press the brakes and check the voltage coming out of it. Here is a guide that will help with this:

https://www.2carpros.com/articles/how-to-check-wiring

You can also disconnect the switch and jump the terminals together and see if the brake lights turn on.

If this is not the issue, then we need to suspect the flasher module is the issue as the brake switch feeds the module.

Please see the wiring diagram and let me know what you find. Please tell me what questions you have. Thanks
Was this
answer
helpful?
Yes
No
Wednesday, March 9th, 2022 AT 4:03 PM

Please login or register to post a reply.