Turn signals (blinkers) not working why?

Tiny
JDL
  • MECHANIC
  • 16,098 POSTS
Welcome to the forum, check for a multiwire connector under dash close to steering column. The connector is for wiring going into and from the steering column. Dark blue wire with white tracer is voltage for the left turn signal, activate left turn circuit, use a testlite, see if anything on the wire? Also, white wire with red tracer goes from flasher to turn signal switch.
Was this
answer
helpful?
Yes
No
+1
Wednesday, June 2nd, 2021 AT 2:01 PM (Merged)
Tiny
MARKREGAN
  • MEMBER
  • 3 POSTS
Thank you very much, that is exactly what I was looking for. I sincerely appreciate your assistance!
Was this
answer
helpful?
Yes
No
Wednesday, June 2nd, 2021 AT 2:01 PM (Merged)
Tiny
GLASLJ
  • MEMBER
  • 1 POST
  • 2000 FORD RANGER
Turn signals and flashers not working, fuses good. What is wrong?
Was this
answer
helpful?
Yes
No
Wednesday, June 2nd, 2021 AT 2:01 PM (Merged)
Tiny
KEN L
  • MASTER CERTIFIED MECHANIC
  • 55,291 POSTS
Hello,

It sounds like you have a switch or flasher that has gone bad. Here is a guide that will help you get the problem fixed.

https://www.2carpros.com/articles/turn-signals-not-working-blinker

and

https://www.2carpros.com/articles/how-to-check-an-electrical-relay-and-wiring-control-circuit

Here is the flasher relay location.

Check out the diagrams (Below). Please let us know what you find.

Cheers, Ken
Was this
answer
helpful?
Yes
No
+2
Wednesday, June 2nd, 2021 AT 2:01 PM (Merged)
Tiny
CHALISTA
  • MEMBER
  • 1 POST
  • 2000 FORD RANGER
  • 6 CYL
  • 4WD
  • MANUAL
  • 288,000 MILES
All lights, flashers, turn signals work except the rear driver side turn signal. The same bulb is used for flashers and it works just fine but not as a turn signal.
Was this
answer
helpful?
Yes
No
Wednesday, June 2nd, 2021 AT 2:01 PM (Merged)
Tiny
SCGRANTURISMO
  • MECHANIC
  • 4,897 POSTS
This could be a problem with the bulb. I have included a few links for you down below that lead to troubleshooting guides for your vehicles blinkers. Please go through them and get back to us with what you find out.

https://www.2carpros.com/articles/turn-signals-not-working-blinker

https://www.2carpros.com/articles/turn-signals-blink-rapidly

https://www.2carpros.com/articles/turn-signal-bulb-replacement

Thanks,
Alex
2CarPros
Was this
answer
helpful?
Yes
No
Wednesday, June 2nd, 2021 AT 2:02 PM (Merged)
Tiny
MICHAEL ERIC
  • MEMBER
  • 1 POST
  • 1999 FORD RANGER
  • 3.0L
  • V6
  • 2WD
  • AUTOMATIC
  • 139,000 MILES
Replaced turn signal switch and flasher, nothing.
Was this
answer
helpful?
Yes
No
Wednesday, June 2nd, 2021 AT 2:02 PM (Merged)
Tiny
JACOBANDNICKOLAS
  • MECHANIC
  • 110,192 POSTS
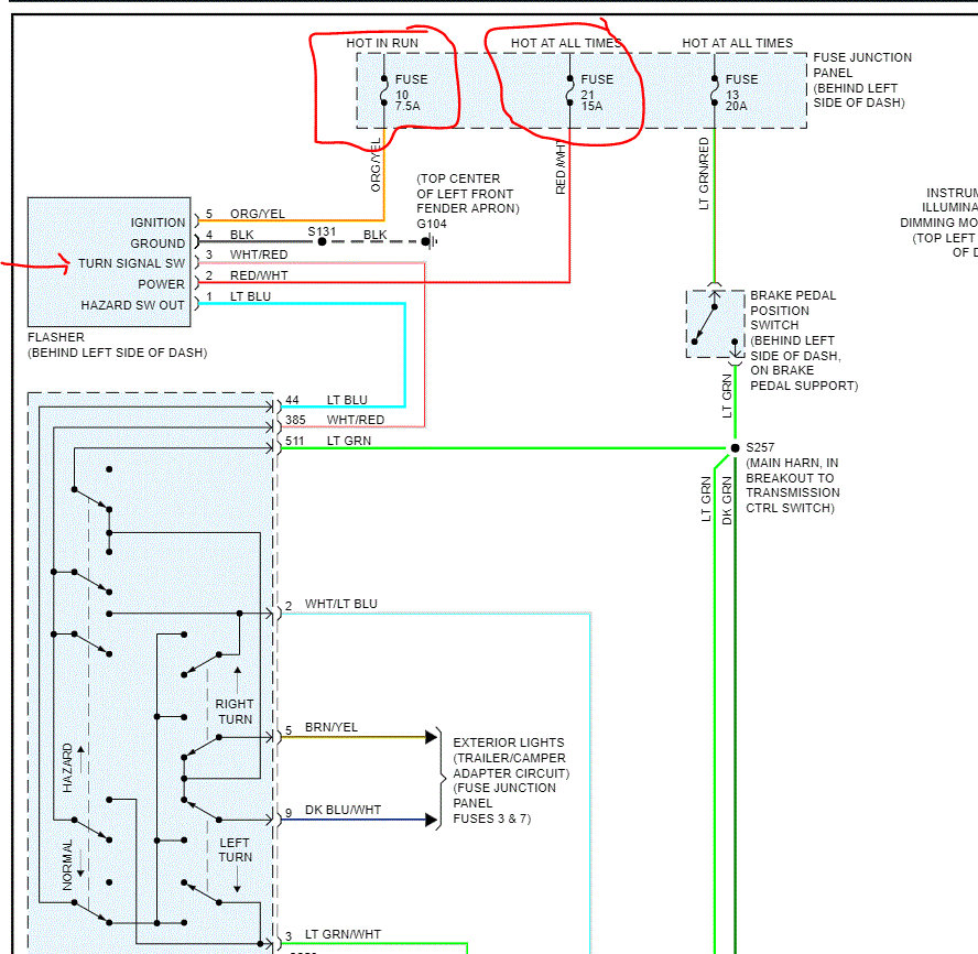
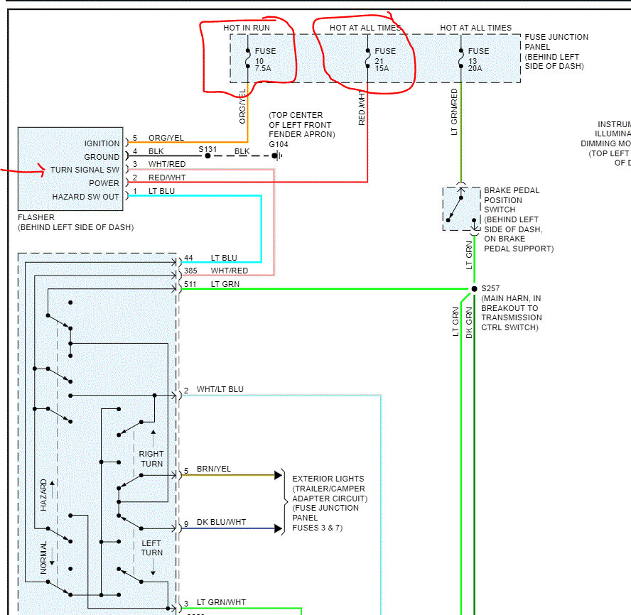
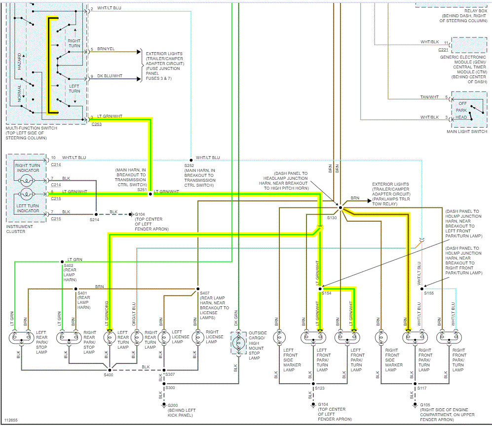
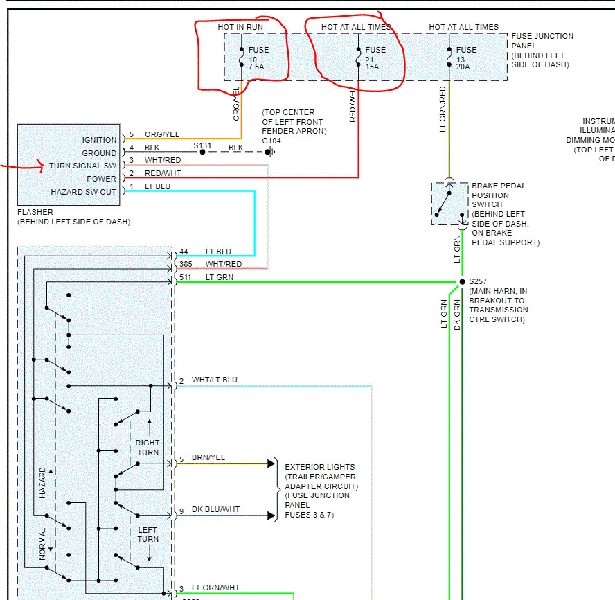
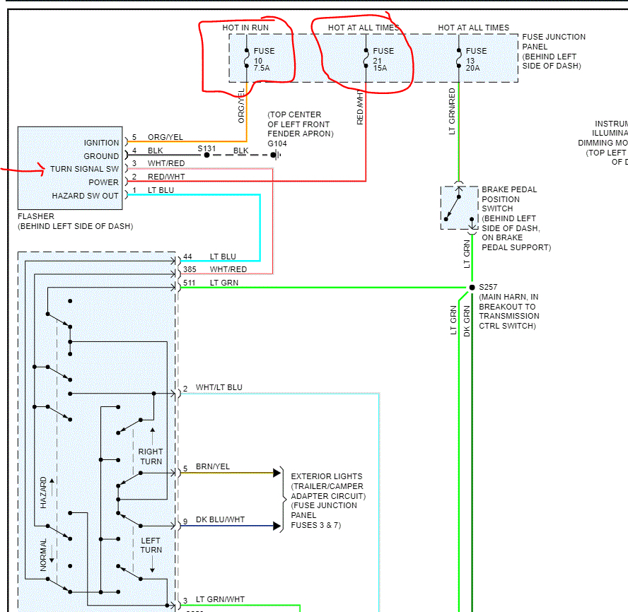
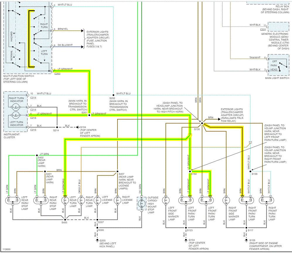
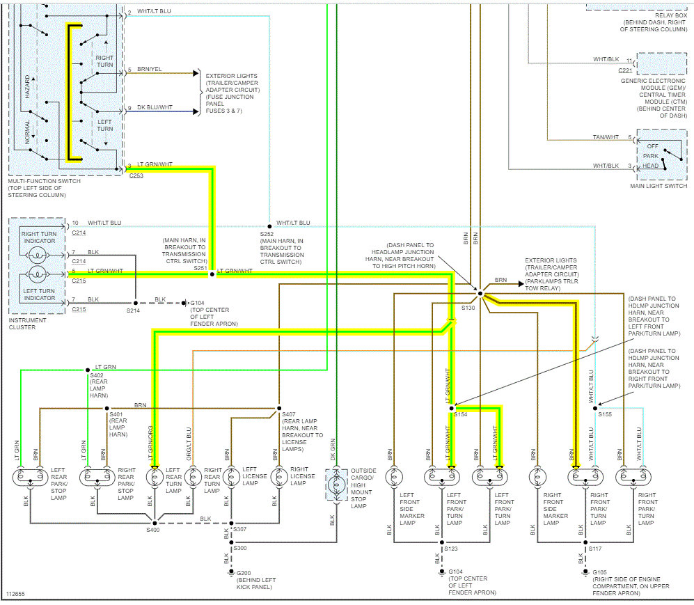
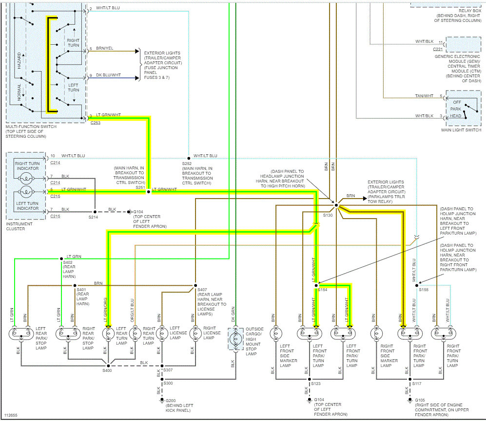
Does anything work on the left side? For example, do the brake light work? Do any of the left side lights do anything including the indicator in the vehicle? I attached a pic from the wiring schematic and highlighted the left signal wiring. On the top left of the picture is the multi-function switch you replaced. Above that is the fuse that powers the lights. Since the right side works, the fuse isn't the problem.

Let me know if anything on the left works. Also, does it flash when the hazard lights are on.

Joe
Was this
answer
helpful?
Yes
No
-1
Wednesday, June 2nd, 2021 AT 2:02 PM (Merged)
Tiny
MICHAEL ERIC
  • MEMBER
  • 1 POST
Hey Joe, the left brake light works, but the hazard and turn signal do not; there is no indicator on the dash panel. What next?
Was this
answer
helpful?
Yes
No
Wednesday, June 2nd, 2021 AT 2:02 PM (Merged)
Tiny
JACOBANDNICKOLAS
  • MECHANIC
  • 110,192 POSTS
Hi,

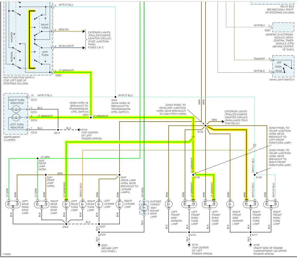
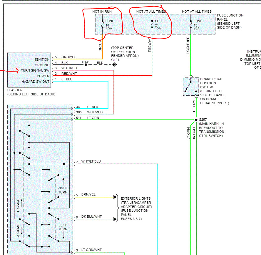
Since the switch is new, we need to start at the beginning. I attached a portion of the wiring schematic below. Confirm that both fuses I circled are good and have power. Next, go to the flasher behind the dash. There will be a white wire with a red tracer coming from it. Confirm there is power to that wire when the key is in the run position. We need to determine where the power is lost. If there is power out from that wire to the switch, and I suspect there is, then you need to confirm power out from the light green wire with a white tracer at the switch. If there is, then the wire is broken before it gets to any of the lights.

Let me know what you find.

Joe
Was this
answer
helpful?
Yes
No
Wednesday, June 2nd, 2021 AT 2:02 PM (Merged)
Tiny
CASSIDY MCWATERS
  • MEMBER
  • 1 POST
  • 1999 FORD RANGER
  • 4 CYL
  • 2WD
  • MANUAL
  • 160,000 MILES
The turn signals and emergency flashers are not working and I cant find the problem. I have already checked the fuse panel.
Was this
answer
helpful?
Yes
No
Wednesday, June 2nd, 2021 AT 2:02 PM (Merged)
Tiny
BLUELIGHTNIN6
  • MECHANIC
  • 16,542 POSTS
Need to inspect flasher unit. Flasher is similar to a relay and this is what controls the signal lights.

Read these guides first, they will help you

https://www.2carpros.com/articles/how-to-check-wiring

https://www.2carpros.com/articles/turn-signals-not-working-blinker

Wiring diagrams and flasher location attached below
Was this
answer
helpful?
Yes
No
-1
Wednesday, June 2nd, 2021 AT 2:02 PM (Merged)
Tiny
SHAME
  • MEMBER
  • 1 POST
  • 1998 FORD RANGER
  • 2.5L
  • 4 CYL
  • 2WD
  • MANUAL
  • 113,000 MILES
The issue is both the turn signals & hazard indicators are not working. The malfunction simply abruptly occurred. The turn signals came on sporadically thereafter but absolutely nothing now. The fuse is okay. Please advise to next steps. Appreciate your time & knowledge.
Was this
answer
helpful?
Yes
No
Wednesday, June 2nd, 2021 AT 2:02 PM (Merged)
Tiny
JDL
  • MECHANIC
  • 16,098 POSTS
Usually the problem is the multifunction switch or the wiring in the steering column. Did you check for voltage at the applicable fuse/s? Even if the fuse is good, if no voltage, the circuit is still dead. Use a test light to check for voltage.
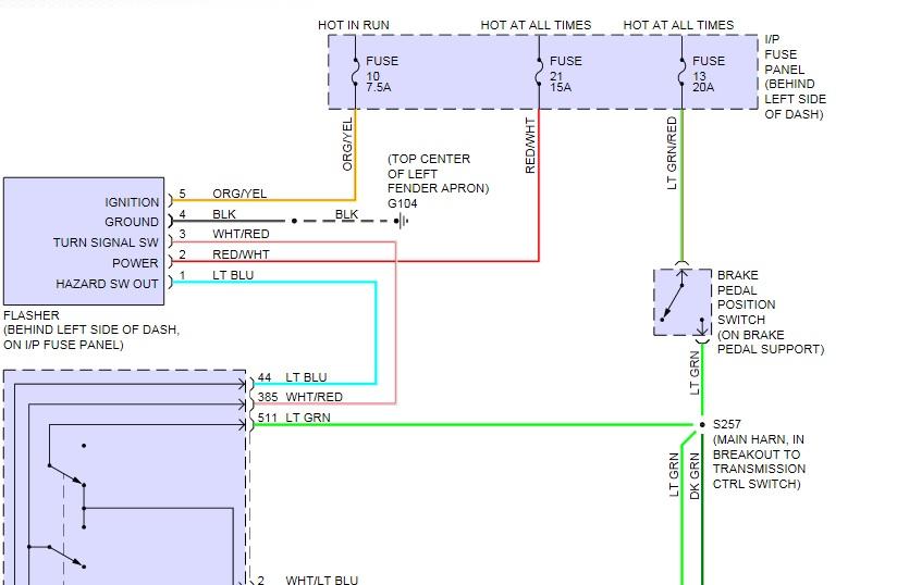
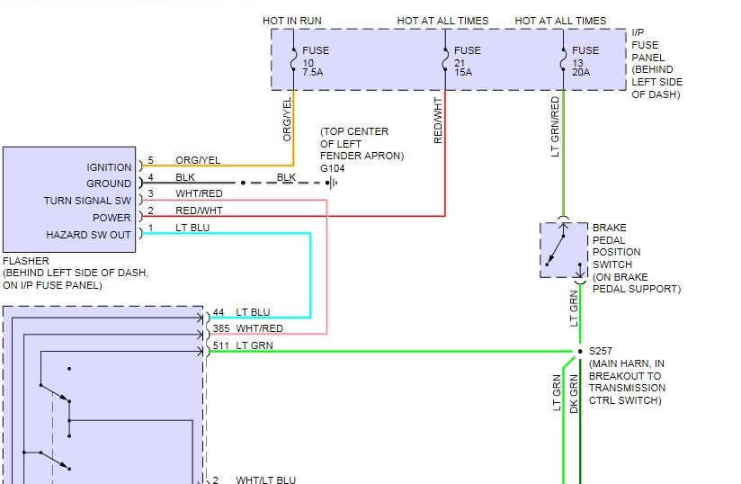
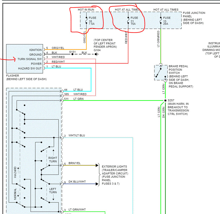
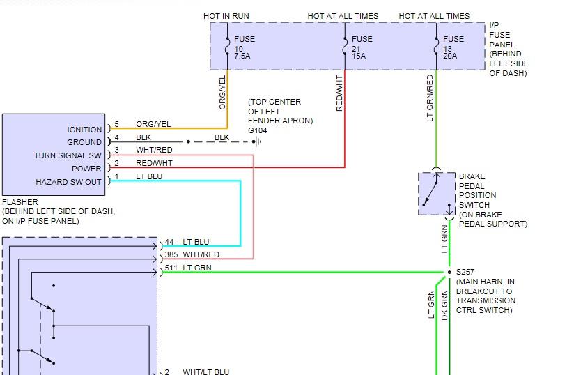
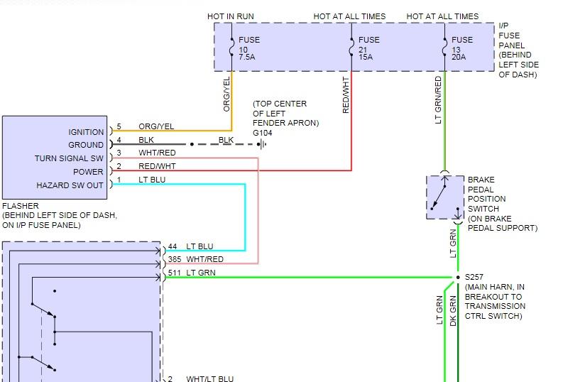
Give me a second and I'll post the wiring info. Here is diagram. The fuse for turn signals goes hot with the key on. The fuse for hazard lamps is hot all the time. Because neither work, check the flasher then the multifunction switch.

Did you check for voltage and ground at the applicable rear lamp, I was focused on the fuses. I don't believe it is a fuse problem.
Was this
answer
helpful?
Yes
No
+2
Wednesday, June 2nd, 2021 AT 2:02 PM (Merged)

Please login or register to post a reply.