Where is the turn signal flasher?

Tiny
BEEZER02
  • MEMBER
  • 2005 FORD RANGER
Can you tell me where the flasher unit is located?
Wednesday, October 29th, 2008 AT 8:16 AM

9 Replies

Tiny
DANNY L
  • MECHANIC
  • 5,648 POSTS
Hello, I'm Danny.

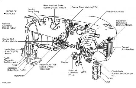
Here is the information you requested. The turn signal flasher is located in the smart junction box in the lower right hand kick panel under the dash board. I've attached pictures below of its location and also circled in red its location in the smart junction box. Hope this helps and thanks for using 2CarPros.
Was this
answer
helpful?
Yes
No
+2
Wednesday, June 2nd, 2021 AT 7:05 AM
Tiny
RANGEROWNER2004
  • MEMBER
  • 1 POST
  • 2004 FORD RANGER
Trying to find the location of the turn signal flasher for a 2004 Ford Ranger. My turn signal works intermittently. Sometimes it blinks a few times and stops, sometimes it does not come on at all and less often it works fine and I can not find the location of the flasher. The owners manual does not mention the flasher's location under the fuses and relay diagrams. Thanks
Was this
answer
helpful?
Yes
No
+5
Wednesday, June 2nd, 2021 AT 1:28 PM (Merged)
Tiny
KEN L
  • MASTER CERTIFIED MECHANIC
  • 55,291 POSTS
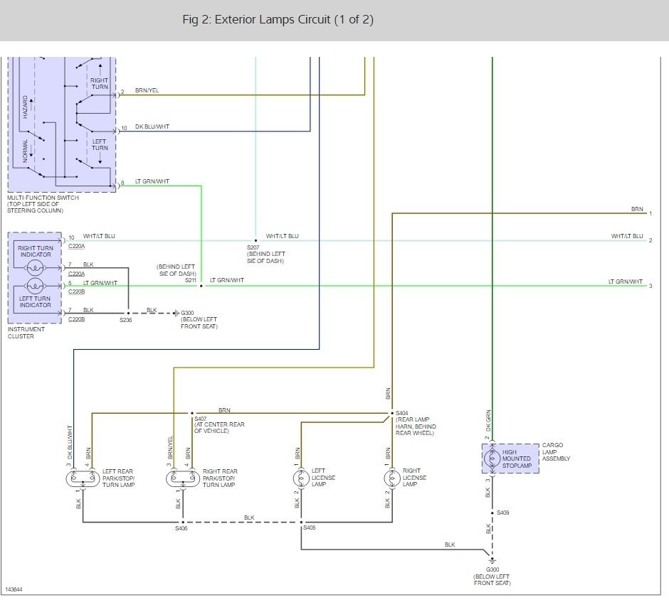
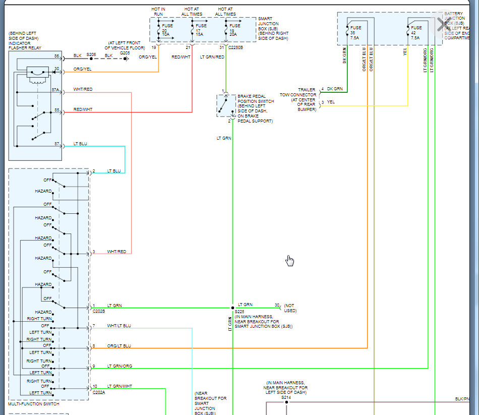
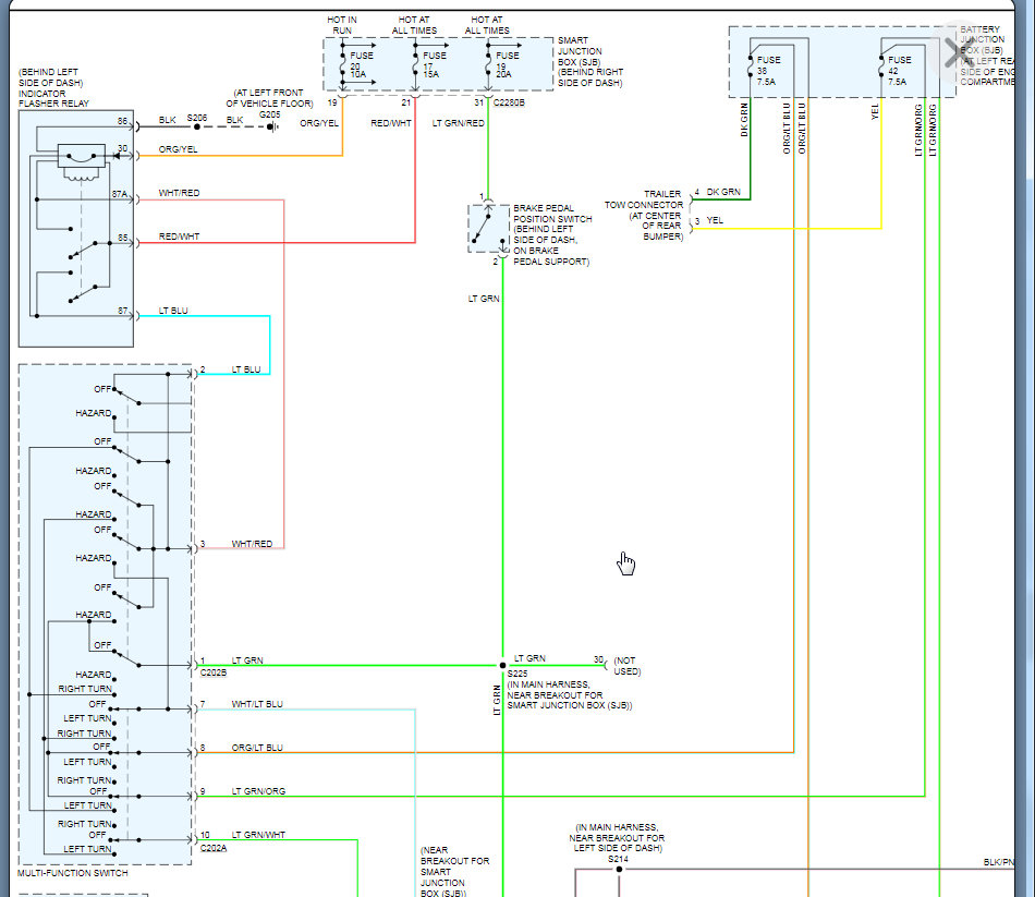
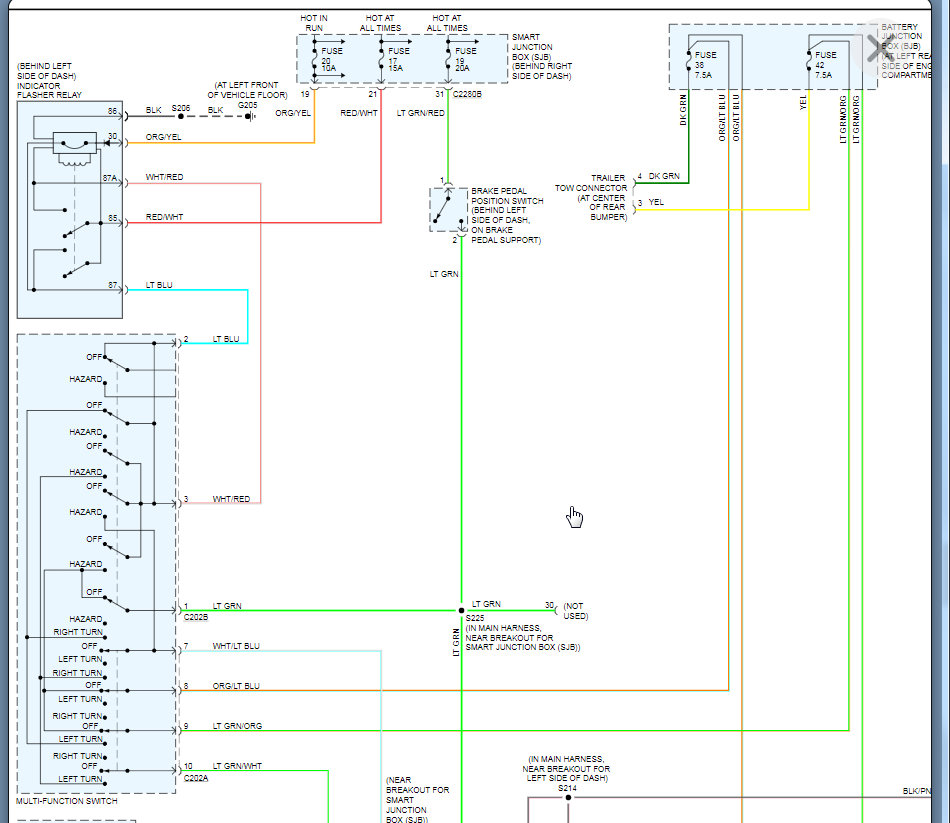
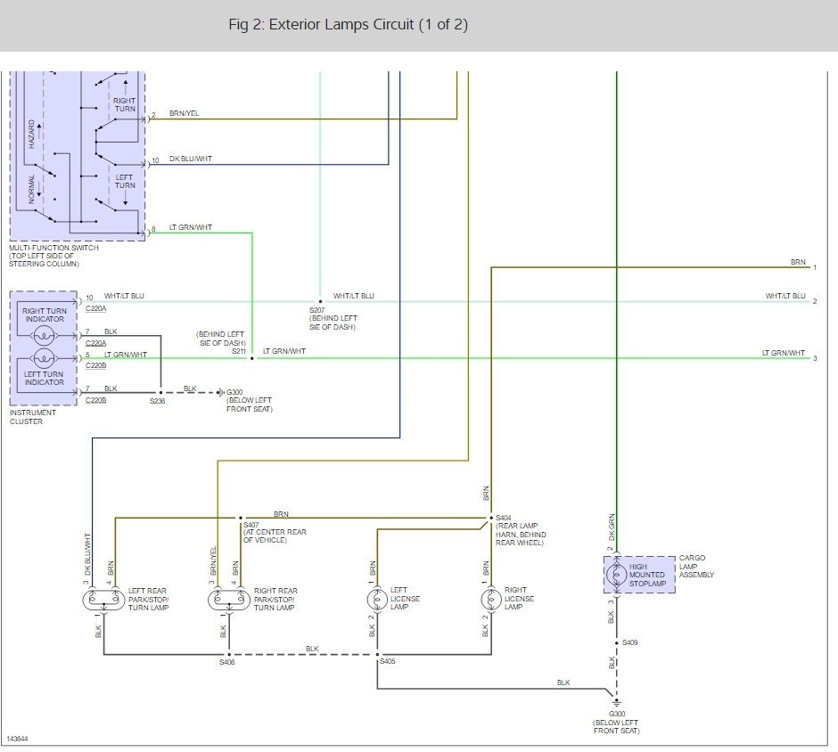
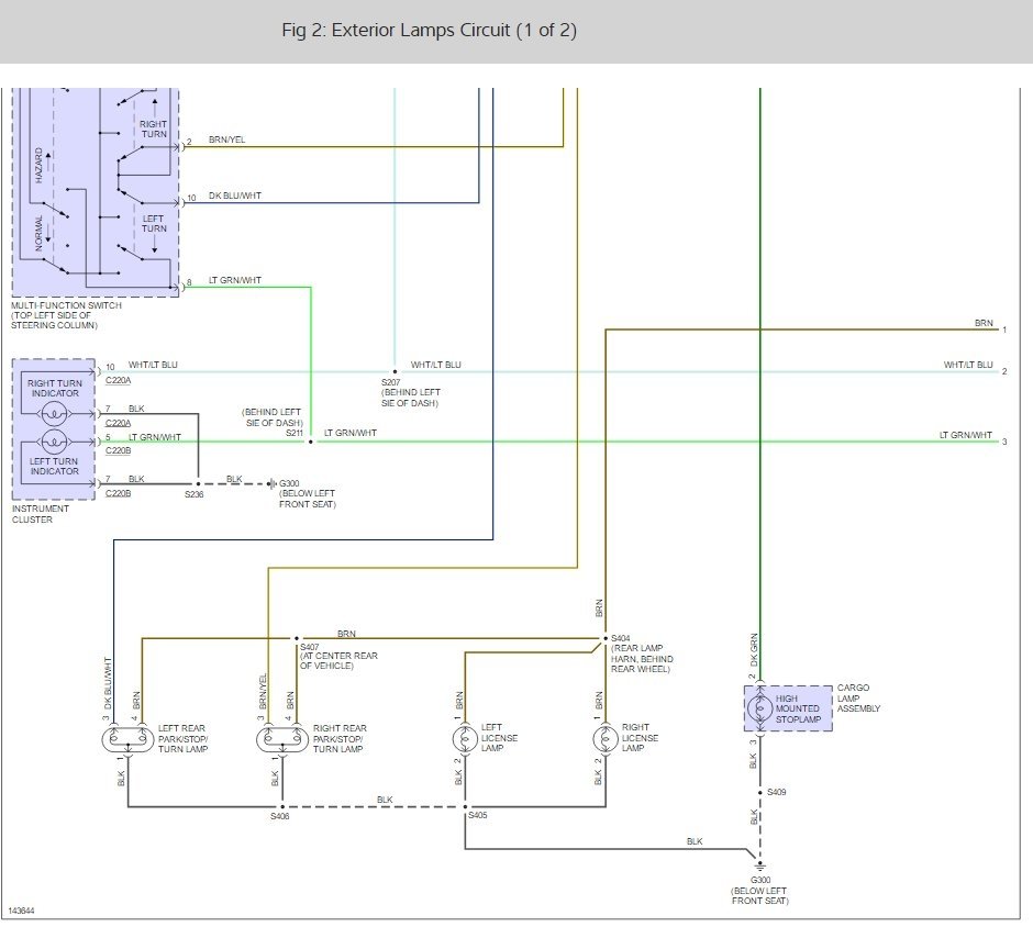
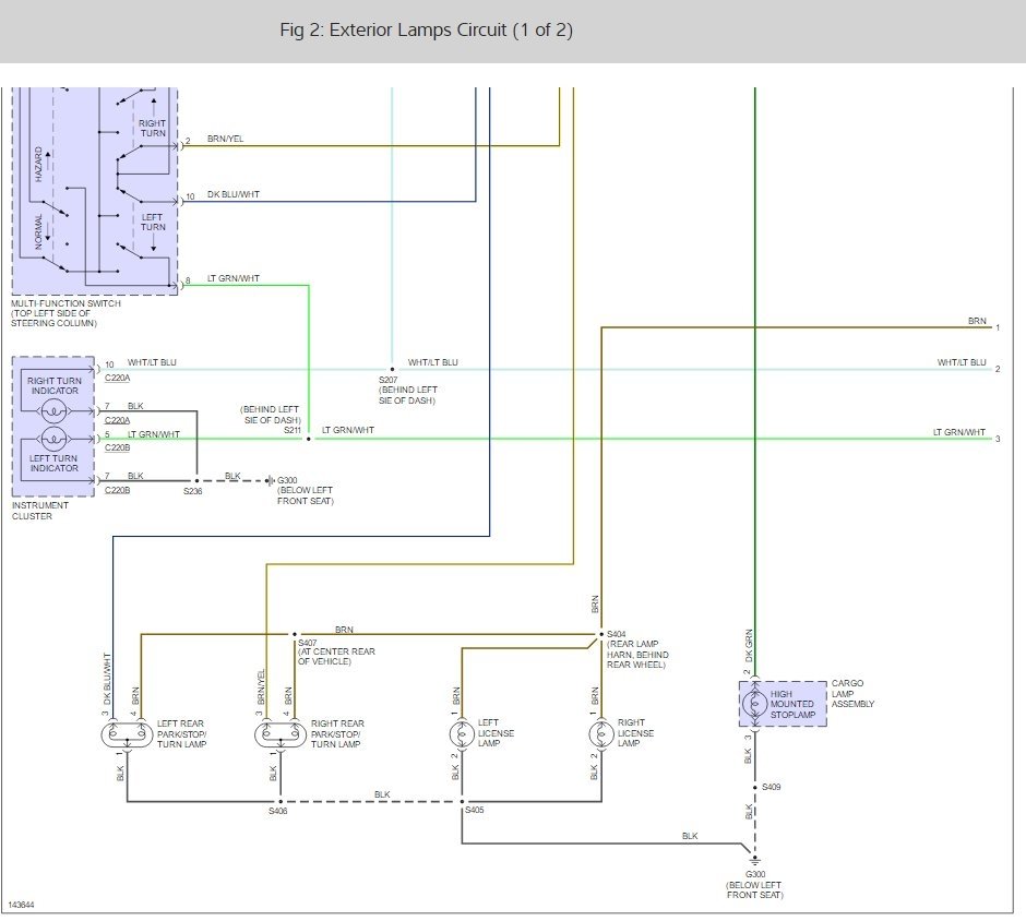
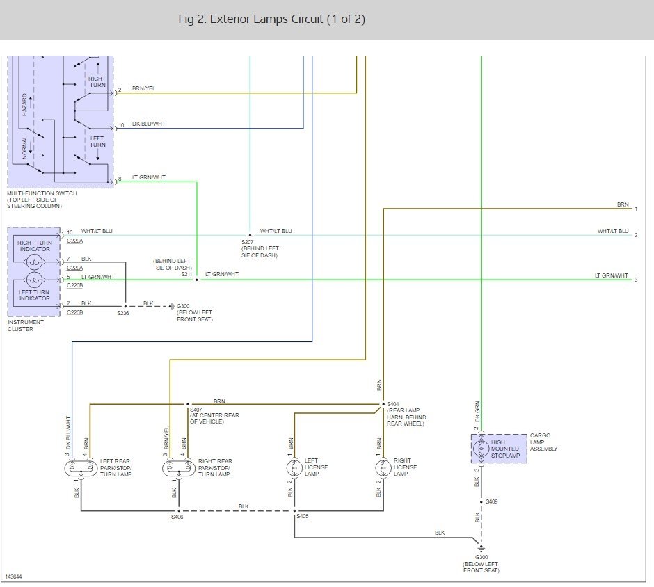
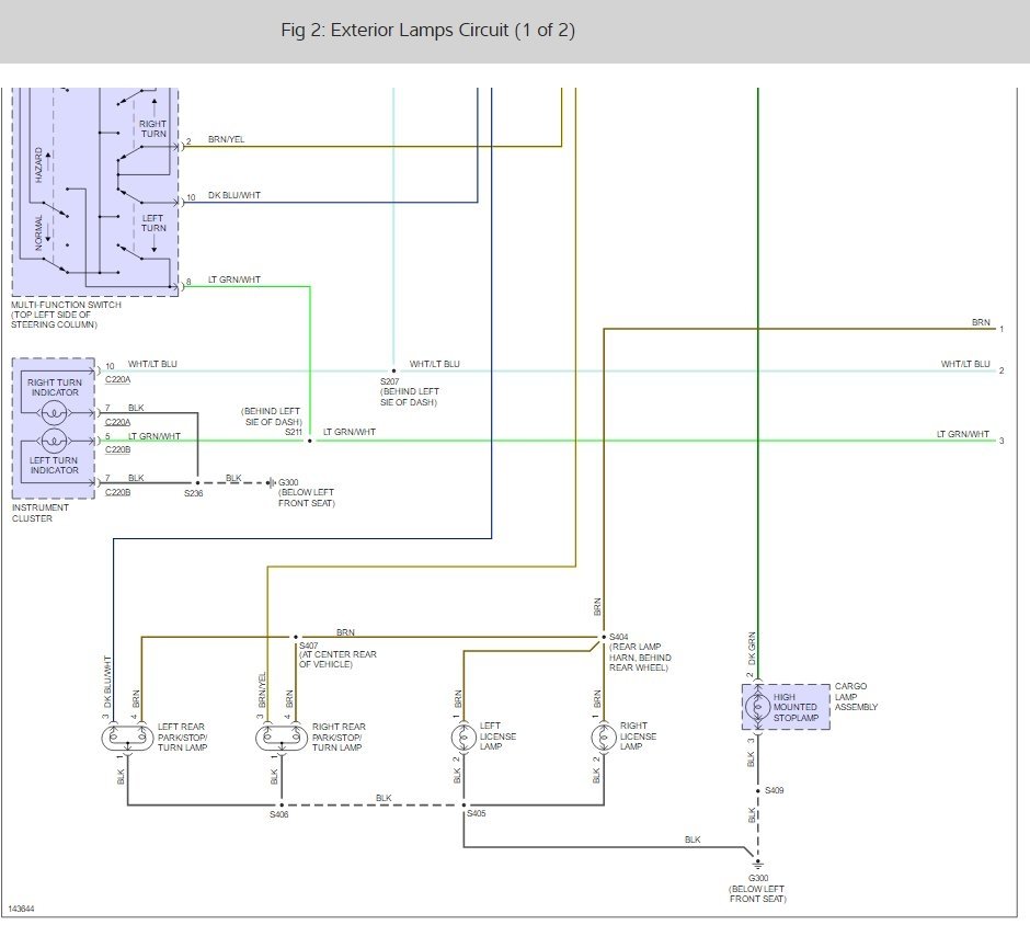
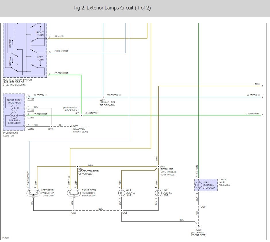
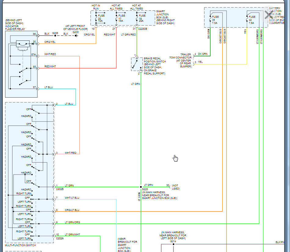
I found this diagram and location instructions for you, it looks like it is behind the driver's side dash by the brake pedal. I have a wiring diagram to to make sure you have the right flasher, sometime the emergency light flasher can look the same. Check out the diagrams (Below). Please let us know what happens.
Was this
answer
helpful?
Yes
No
-1
Wednesday, June 2nd, 2021 AT 1:28 PM (Merged)
Tiny
BJ1S301
  • MEMBER
  • 1 POST
  • 2004 FORD RANGER
  • 6 CYL
  • 2WD
  • MANUAL
  • 80,000 MILES
Just after I let the local HS Cheerleaders wash my truck my signal lights and hazard lights quit working. I have replaced the fuses but they still don't work. All other electronics work normally. I am not sure where the "flasher" is located or if there is another fuse to look for. Do you have any ideas?
Was this
answer
helpful?
Yes
No
+2
Wednesday, June 2nd, 2021 AT 1:28 PM (Merged)
Tiny
KASEKENNY
  • MECHANIC
  • 18,907 POSTS
Assuming that this is related, I would suspect the flasher failed but I am not sure how it happened by just washing it so I assume there is more to the story. However, I would go to the flasher and test it and then move on. You have a traditional relay and not an actual flasher so I attached the location and wiring diagram so that we can test the switch output next.

Here is a guide that will help with this as well:

https://www.2carpros.com/articles/how-to-check-wiring

https://www.2carpros.com/articles/how-to-check-an-electrical-relay-and-wiring-control-circuit

Let me know what you find or what questions you have.
Was this
answer
helpful?
Yes
No
Wednesday, June 2nd, 2021 AT 1:28 PM (Merged)
Tiny
RRFLOYD77
  • MEMBER
  • 1 POST
  • 2001 FORD RANGER
Where is the flasher located?
Was this
answer
helpful?
Yes
No
-1
Wednesday, June 2nd, 2021 AT 1:28 PM (Merged)
Tiny
KEN L
  • MASTER CERTIFIED MECHANIC
  • 55,291 POSTS
Hello,

One relay works both the blinkers and emergency flashers. Here is a diagram (below) of its location along with some wiring diagrams and a guide so you can do some testing and get the problem fixed.

https://www.2carpros.com/articles/how-to-check-an-electrical-relay-and-wiring-control-circuit

and

https://www.2carpros.com/articles/how-to-use-a-test-light-circuit-tester

Please run some tests and get back to us so we can continue helping you.

Cheers, Ken

Was this
answer
helpful?
Yes
No
-2
Wednesday, June 2nd, 2021 AT 1:28 PM (Merged)
Tiny
RHURT
  • MEMBER
  • 1 POST
  • 2000 FORD RANGER
My left turn signal works intermittently. When it is not working, it sounds like it is blinking very fast, but no lights flash. I checked both bulbs but they seem to be good. I also check the fuse panel, but I could not find any that are is labeled turn signal. Could there be a short in the wiring? How can I troubleshoot this?

Thanks
Was this
answer
helpful?
Yes
No
+1
Wednesday, June 2nd, 2021 AT 1:28 PM (Merged)
Tiny
BLUELIGHTNIN6
  • MECHANIC
  • 16,542 POSTS
Inspect flasher relay located behind left side of dash, pictured below..


https://www.2carpros.com/forum/automotive_pictures/261618_1_53.jpg



Thanks for using 2CarPros.com!
Was this
answer
helpful?
Yes
No
+1
Wednesday, June 2nd, 2021 AT 1:28 PM (Merged)

Please login or register to post a reply.