Will not stay running

Tiny
BOBBODINE
  • MEMBER
  • 2005 CHEVROLET SILVERADO
  • 5.3L
  • V8
  • 4WD
  • AUTOMATIC
  • 217,000 MILES
Starts and shuts off. Replaced PCM starts and runs battery/ABS/airbag light on widows/locks no work on lights inside.
Sunday, April 5th, 2020 AT 4:58 AM

3 Replies

Tiny
ASEMASTER6371
  • MECHANIC
  • 52,796 POSTS
Good morning,

Did all the options work before you replaced the ECM?

Did you replace the BCM as well? If you did, was it programmed to your truck after installation?

As far as the lights, did you have it scanned for any codes?

https://www.2carpros.com/articles/checking-a-service-engine-soon-or-check-engine-light-on-or-flashing

https://www.2carpros.com/articles/abs-warning-light-on-easy-repair-guide

Both are controlled by the BCM. That is why I was asking about the programming.

Roy
Was this
answer
helpful?
Yes
No
Thursday, February 18th, 2021 AT 12:41 PM
Tiny
BOBBODINE
  • MEMBER
  • 2 POSTS
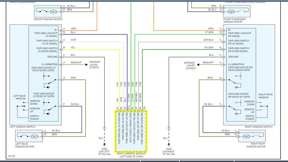
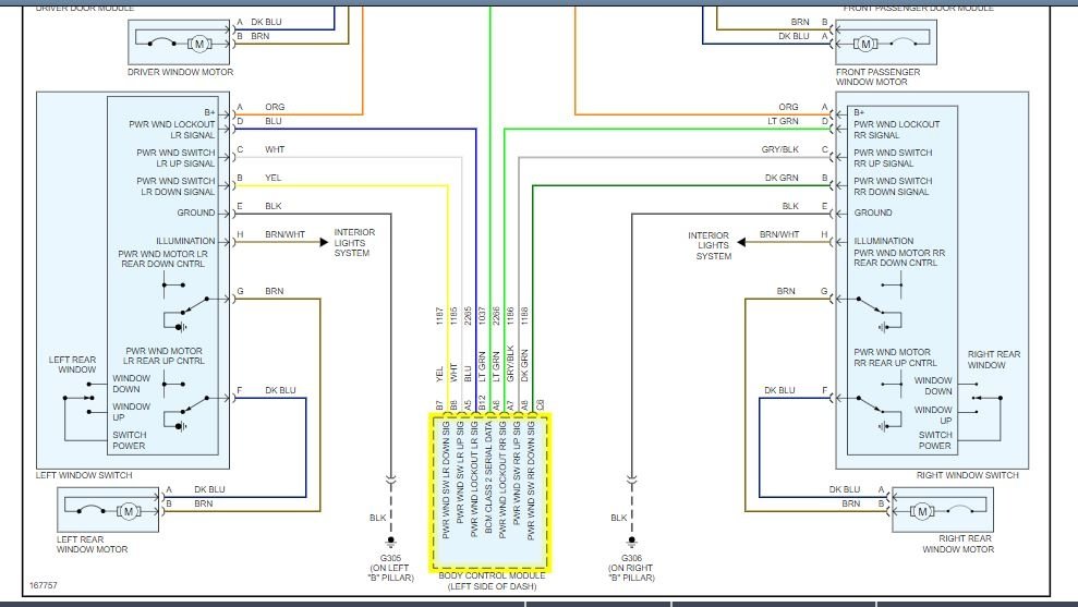
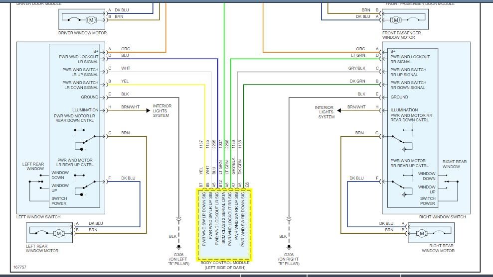
No did not work. It starts and shuts off. No communication so I replaced PCM with a reprogrammed and it started and runs so I replaced the BCM with a reprogrammed one relearn key starts and runs, but no gauge and no interior power or widows/locks battery /ABS/airbag lights on. Scan tool error link.
Was this
answer
helpful?
Yes
No
Thursday, February 18th, 2021 AT 12:41 PM
Tiny
ASEMASTER6371
  • MECHANIC
  • 52,796 POSTS
Okay, do you have a scan tool that can access the BCM?

The BCM has to be programmed on the vehicle with the proper programming equipment.

I know places sell them that are pre programmed but they are not always right.

I posted below the steps for the programming.

Roy

BODY CONTROL MODULE (BCM) PROGRAMMING/RPO CONFIGURATION

INTRODUCTION
The procedures below are designed to set-up the body control module (BCM) correctly during BCM related service. Before you start, read these procedures carefully and completely.

IMPORTANT: The following procedures must be followed:
1. Programming the BCM.
2. Programming Theft Deterrent System Components, if equipped with Passlock System.

PROGRAMMING THE BCM

IMPORTANT: After the procedure is completed, the personalization settings of the BCM are set to a default setting. Inform the customer that the personalization must be set again.

Perform the BCM special function "Request BCM Info. For SPS", then connect the scan tool to the SPS terminal and follow the instructions on the screen. Refer to Service Programming System (SPS) in Programming and Setup.

PROGRAMMING THEFT DETERRENT SYSTEM COMPONENTS
Perform the Programming Theft Deterrent System Components in Theft Deterrent after successfully finishing the Setup New BCM procedure. If the Programming Theft Deterrent System Components in the Theft Deterrent procedure is not performed after a BCM replacement, one of the following conditions will occur:
The vehicle will not be protected against theft by the PASSLOCK system.
The engine will not crank or start.

IMPORTANT: After programming, perform the following to avoid future misdiagnosis:
1. Turn the ignition OFF for 10 seconds.
2. Connect the scan tool to the data link connector.
3. Turn the ignition ON, with the engine OFF.
4. Use the scan tool in order to retrieve history DTCs from all modules.
5. Clear all history DTCs.
Was this
answer
helpful?
Yes
No
Thursday, February 18th, 2021 AT 12:41 PM

Please login or register to post a reply.