The blower motor stays running and will not shut off?

Tiny
JAMES BERNDT
  • MEMBER
  • 2006 CHEVROLET SILVERADO
  • 5.3L
  • V8
  • 4WD
  • AUTOMATIC
  • 117,376 MILES
When I shut off my truck the heater fan continues to run I have to pull the fuse to get it to shut off
Thursday, November 20th, 2014 AT 1:47 PM

26 Replies

Tiny
DRCRANKNWRENCH
  • MECHANIC
  • 3,380 POSTS
Hello,

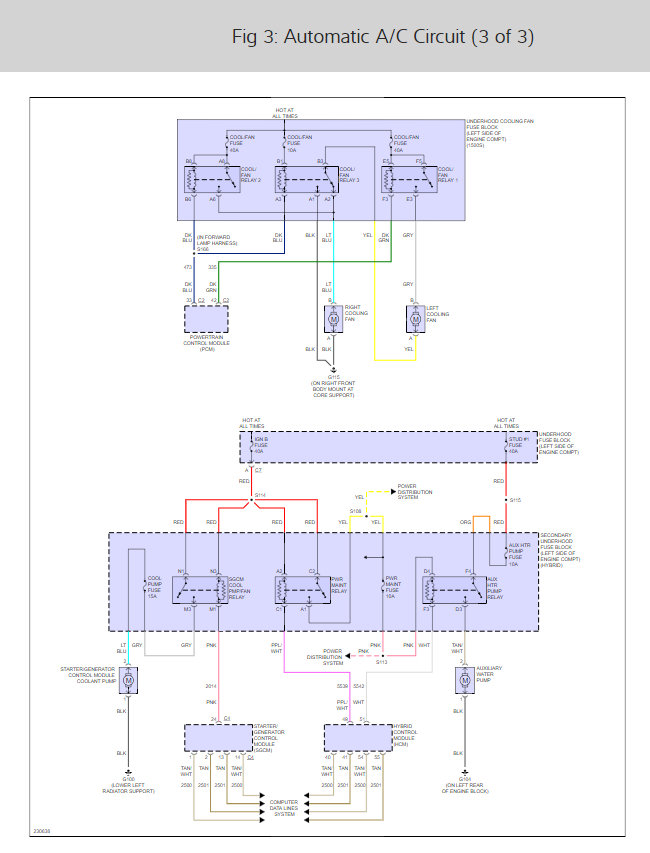
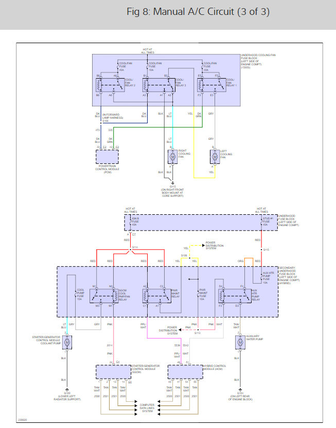
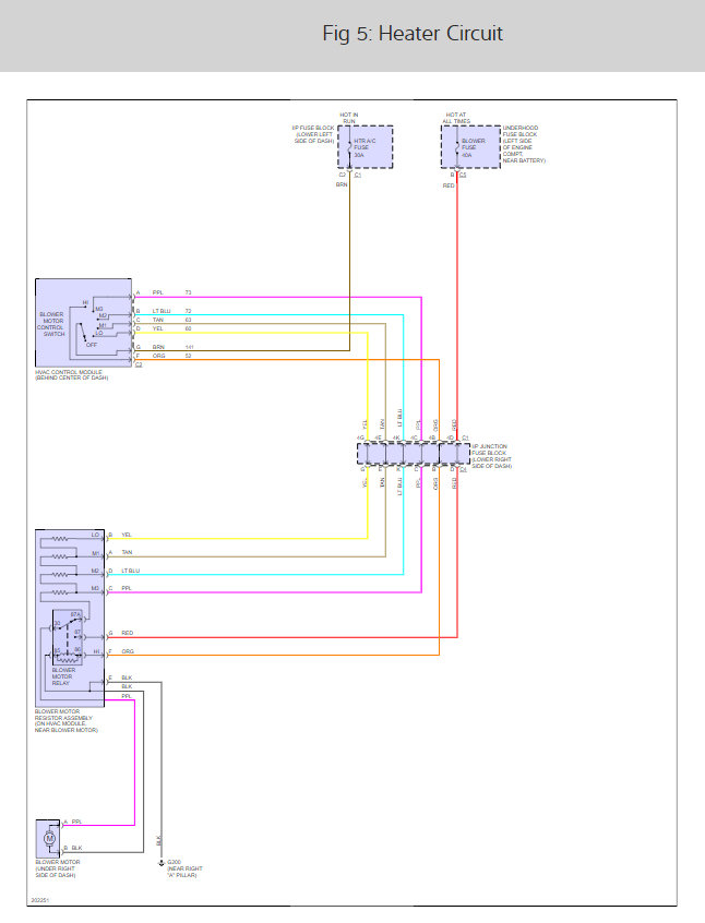
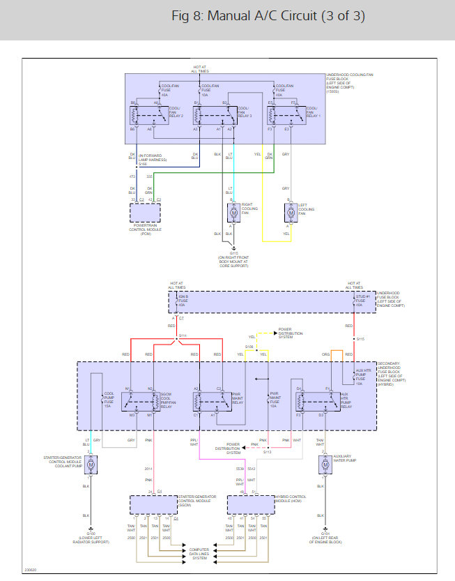
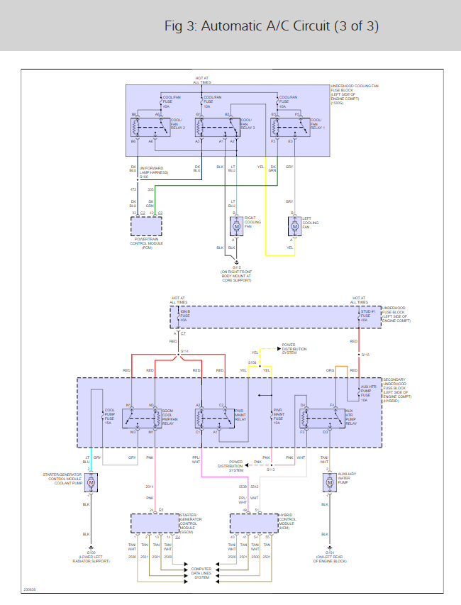
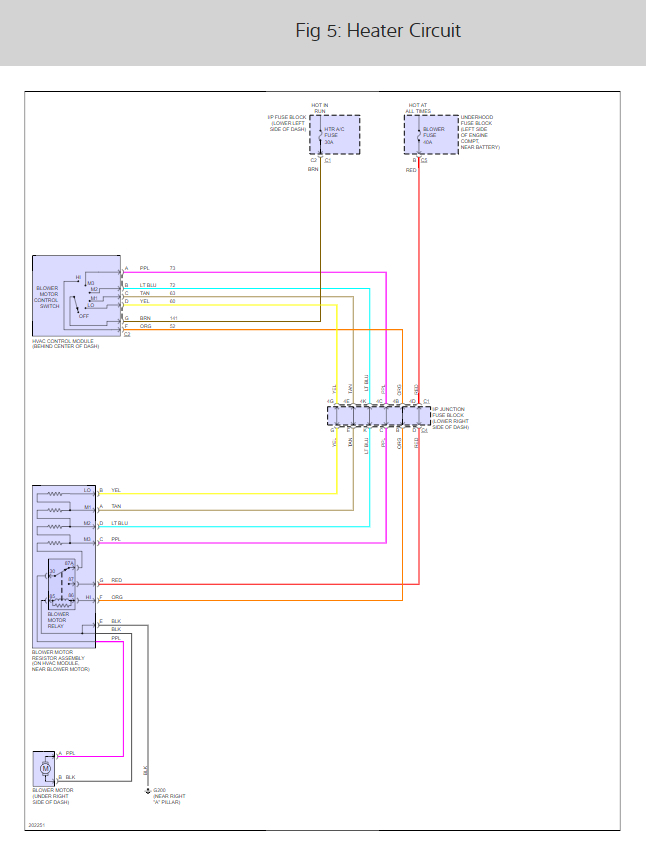
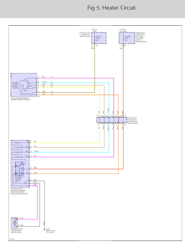
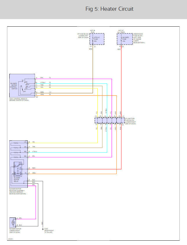
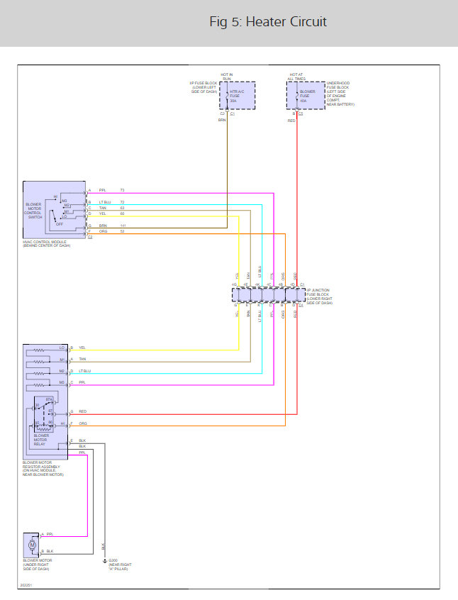
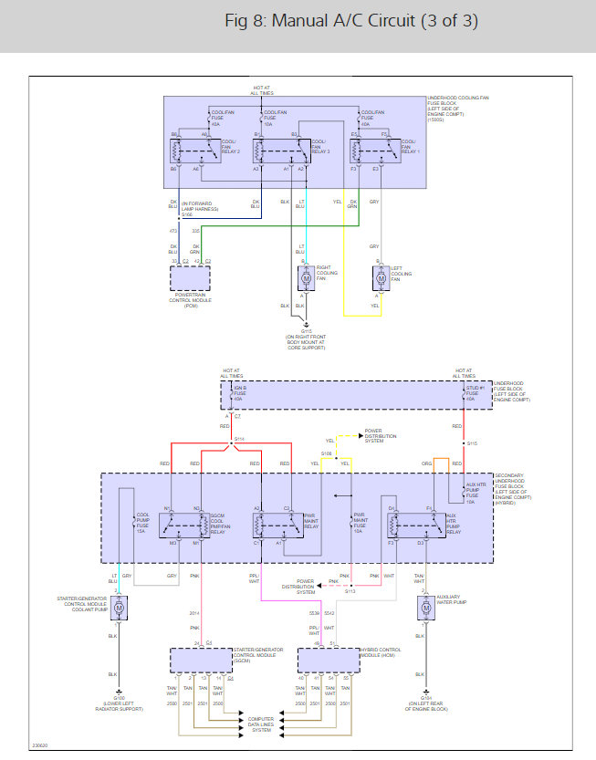
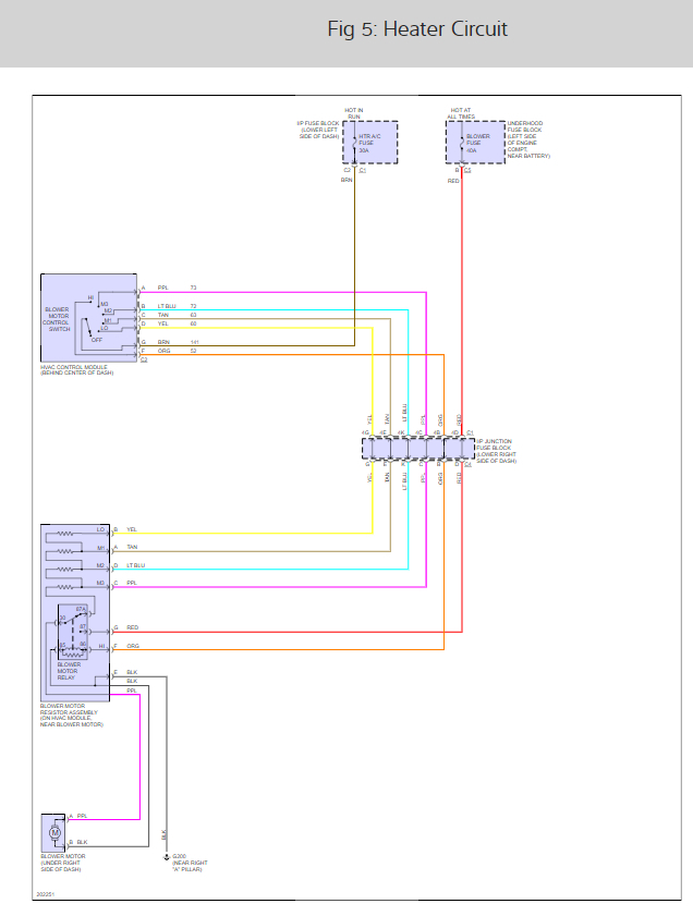
It sounds like you have a blower motor relay that is stuck if the system is manual and a blower motor speed control for the automatic system. Here are the locations for each and the blower motor wiring diagrams for both systems. Check out the diagrams (Below)
Was this
answer
helpful?
Yes
No
+7
Thursday, November 20th, 2014 AT 2:16 PM
Tiny
JAMES BERNDT
  • MEMBER
  • 2 POSTS
Yep you where right it was the speed controller I have an automatic system. Thank you so much!
Was this
answer
helpful?
Yes
No
+10
Thursday, November 20th, 2014 AT 2:44 PM
Tiny
DRCRANKNWRENCH
  • MECHANIC
  • 3,380 POSTS
Good to hear, please use 2CarPros anytime we are here to help.

Cheers
Was this
answer
helpful?
Yes
No
Thursday, November 20th, 2014 AT 3:08 PM
Tiny
TOLAR PARKER
  • MEMBER
  • 3 POSTS
  • 2006 CHEVROLET SILVERADO
  • 5.3L
  • V8
  • AUTOMATIC
  • 150,000 MILES
All of sudden the fan motor started running on high speed and will not cut off of high no other way than the ground off the battery, could not find on fuse panel the fan fuse.
Was this
answer
helpful?
Yes
No
+7
Friday, April 30th, 2021 AT 3:11 PM (Merged)
Tiny
HARRY P
  • MECHANIC
  • 2,296 POSTS
To clarify, are you talking about the engine cooling fan (under the hood), or the blower fan (for heat and A/C)?

If you are talking about the cooling fan, then we are likely looking at a relay gone bad. That relay should be in the under hood fuse/relay box (under hood, left side, behind battery). Starting with the high speed relay, pull it out and see if the fan turns off. Replace the one that causes the fan to go off when removed. I have attached images to help you.

And here is a link to general information about relays: https://www.2carpros.com/articles/how-to-check-an-electrical-relay-and-wiring-control-circuit

If, however, you are talking about the blower/HVAC fan, then it could be a little more complicated. I will walk through that with you if necessary.

Keep us posted.
Was this
answer
helpful?
Yes
No
+1
Friday, April 30th, 2021 AT 3:11 PM (Merged)
Tiny
TOLAR PARKER
  • MEMBER
  • 3 POSTS
To clarify it is the AC/heater fan.
Was this
answer
helpful?
Yes
No
+2
Friday, April 30th, 2021 AT 3:11 PM (Merged)
Tiny
ASEMASTER6371
  • MECHANIC
  • 52,796 POSTS
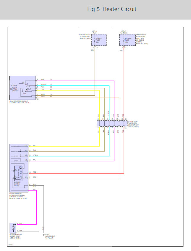
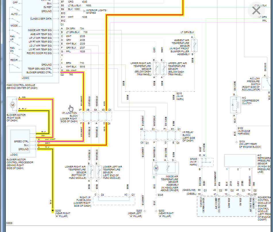
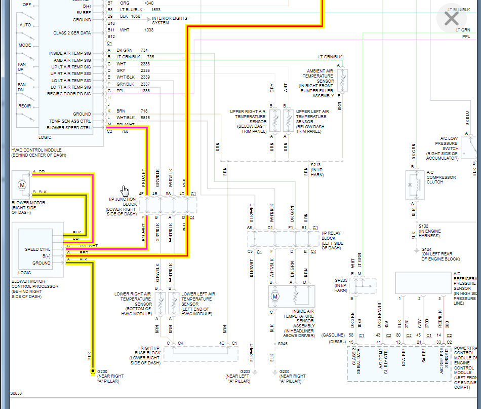
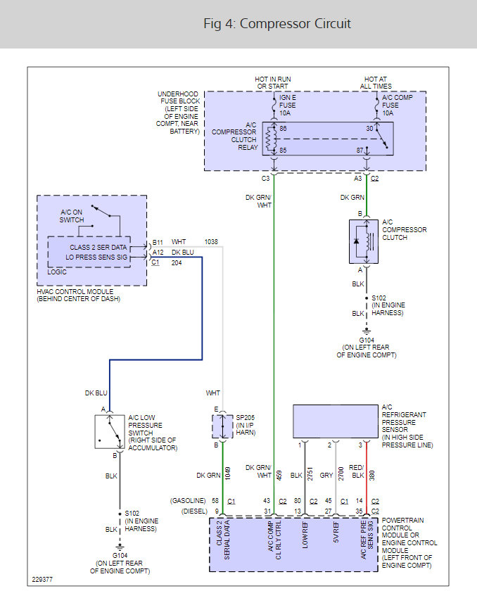
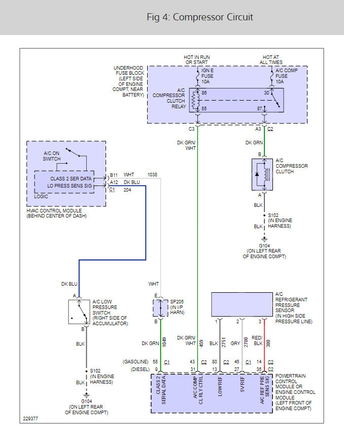
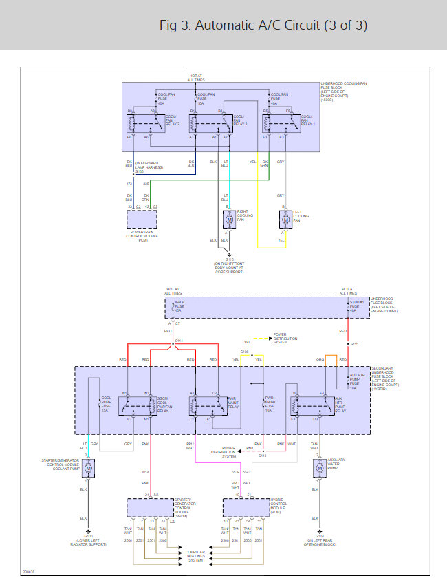
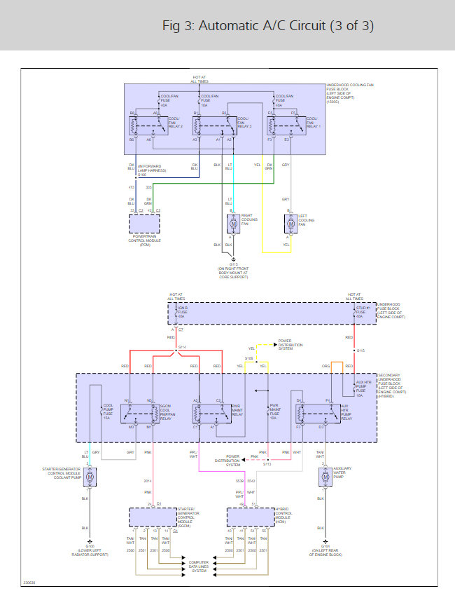
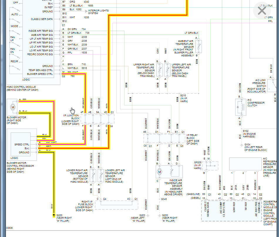
I attached a diagram for you to view. It shows the circuit for the blower motor. Can you check for power to the blower motor with the key on and the fan in high speed selection?

There is a blower resistor that is common for failing. It is next to the blower motor.

Roy
Was this
answer
helpful?
Yes
No
-1
Friday, April 30th, 2021 AT 3:11 PM (Merged)
Tiny
BOBRADLEY
  • MEMBER
  • 2 POSTS
  • 2006 CHEVROLET SILVERADO
  • V8
  • 4WD
  • AUTOMATIC
  • 95,000 MILES
My blower motor stays running on high, controls have no effect, runs even with key removed. Only way I can shut it off is to remove the relay, I've already tried other relays, no difference. I'm not sure if this is relative, but I just had it oiled before this problem started. Any advice would be greatly appreciated, thanks.
Was this
answer
helpful?
Yes
No
+4
Friday, April 30th, 2021 AT 3:12 PM (Merged)
Tiny
BRIAN 1
  • MECHANIC
  • 1,030 POSTS
Try this, Some customers may comment that the blower motor is inoperative or continues to run after the vehicle has been shut off.

Cause
These conditions may be caused by a blower motor control module failure. This failure may occur when the vehicle is operated in ambient temperature conditions of -23 °C (-10 °F) or below.

Correction
Important: Replace the blower motor control module if the vehicle experienced a blower motor control module failure in extremely cold ambient temperature conditions.

Technicians are to replace the blower motor control module, also called the Linear Power Module (LPM), with the P/N listed below. Refer to either the Blower Motor Control Processor Replacement or Blower Motor Processor Replacement-Auxiliary procedures in SI. After replacement of the blower motor control module, the customer may notice a slightly higher than expected blower motor speed at any of the blower speed settings.

Parts Information
Part Number
Description
Qty

89018849
Module Assembly, Auxiliary Blower Motor Control (Rear System on Escalade ESV, Suburban, Yukon XL)
1

89018964
Module, HTR & BLO & A/C CONT (Front system only vehicles - Except H2)
1

89023355
Module Assembly, Blower Motor Control (H2 Models)
1

89024926
Module Assembly, Auxiliary Heater & A/C Control (Rear System on Escalade, Yukon, Tahoe)
Was this
answer
helpful?
Yes
No
+3
Friday, April 30th, 2021 AT 3:12 PM (Merged)
Tiny
THORNCHIKEN20
  • MEMBER
  • 1 POST
My blower motor is staying on even after I have cut the truck off and opened the door.
Was this
answer
helpful?
Yes
No
+1
Friday, April 30th, 2021 AT 3:12 PM (Merged)
Tiny
BRIAN 1
  • MECHANIC
  • 1,030 POSTS
Some customers may comment that the blower motor is inoperative or continues to run after the vehicle has been shut off.

Cause

These conditions may be caused by a blower motor control module failure. This failure may occur when the vehicle is operated in ambient temperature conditions of-23 °C (-10 °F) or below.

Correction

Replace the blower motor control module if the vehicle experienced a blower motor control module failure in extremely cold ambient temperature conditions.

Technicians are to replace the blower motor control module also called the Linear Power Module (LPM) with the P/N listed below. Refer to either the Blower Motor Control Processor Replacement or Blower Motor Processor Replacement-Auxiliary procedures in SI. After replacement of the blower motor control module the customer may notice a slightly higher than expected blower motor speed at any of the blower speed settings.
This is a common problem, this should fix it.
Was this
answer
helpful?
Yes
No
Friday, April 30th, 2021 AT 3:12 PM (Merged)
Tiny
MXGEARHEAD
  • MEMBER
  • 1 POST
  • 2002 CHEVROLET SILVERADO
  • V8
  • 4WD
  • AUTOMATIC
  • 150,000 MILES
My blower/heater motor switch will not turn off the blower nor willl it change the motor speed. It's currently stick on high. Even if I turn the engine off and take out the keys the blower is still running. I had to discoinnect the battery to get it to stop. If you can direct me to the part I need to check and or replace I would greatly appreicate. A contribution is on it's way because I need to fix this right away.

Thank YOU!
Was this
answer
helpful?
Yes
No
Friday, April 30th, 2021 AT 3:12 PM (Merged)
Tiny
FLEXY5
  • MECHANIC
  • 512 POSTS
Almost all high current devices are powered by a relay. There should be a relay control in the fuse box or the power distribution box under the hood. If you have the owners manual try locating it and removing the relay from the socket. It sounds like a sticking relay. If you have more questions please post back or PM me. I'll do what I can to help.

Dave
Was this
answer
helpful?
Yes
No
Friday, April 30th, 2021 AT 3:12 PM (Merged)
Tiny
MIKENELSON0331
  • MEMBER
  • 2 POSTS
  • 1995 CHEVROLET SILVERADO
  • 5.0L
  • V8
  • 4WD
  • MANUAL
  • 240,000 MILES
I have replaced the blower motor, the resistor, and the fan speed switch. The blower motor constantly blows on high and will not shut off even after the ignition is off. I have asked countless mechanics and they are all baffled. Any ideas? I dont want to send my truck to a mechanic that won't be able to fix it or have an idea on how to fix it. I have checked all the fuses and relays. Please help.
Was this
answer
helpful?
Yes
No
Friday, April 30th, 2021 AT 3:12 PM (Merged)
Tiny
KASEKENNY
  • MECHANIC
  • 18,907 POSTS
This vehicle operates a little different then some others as it has a high blower speed relay. I suspect the relay is stuck on causing the resistor to be bypassed and the blower stays on high.

Here is a guide that will help with testing this relay.

https://www.2carpros.com/articles/how-to-check-an-electrical-relay-and-wiring-control-circuit

I am attaching the info below on this and what I would suggest is replacing the relay and retesting the system as I suspect this will fix the issue.

Please let us know what you find. Thanks
Was this
answer
helpful?
Yes
No
+1
Friday, April 30th, 2021 AT 3:12 PM (Merged)
Tiny
MIKEGRUNT0331
  • MEMBER
  • 5 POSTS
I will try that. Thank you.
Was this
answer
helpful?
Yes
No
Friday, April 30th, 2021 AT 3:12 PM (Merged)
Tiny
MIKEGRUNT0331
  • MEMBER
  • 5 POSTS
Would replacing it be the best option or is it something with the wiring.
Was this
answer
helpful?
Yes
No
Friday, April 30th, 2021 AT 3:12 PM (Merged)
Tiny
WRENCHTECH
  • MECHANIC
  • 20,761 POSTS
No, we would test the wiring to see if it is being told to stay on but it may be easier for you to just try a new relay.
Was this
answer
helpful?
Yes
No
Friday, April 30th, 2021 AT 3:12 PM (Merged)
Tiny
KASEKENNY
  • MECHANIC
  • 18,907 POSTS
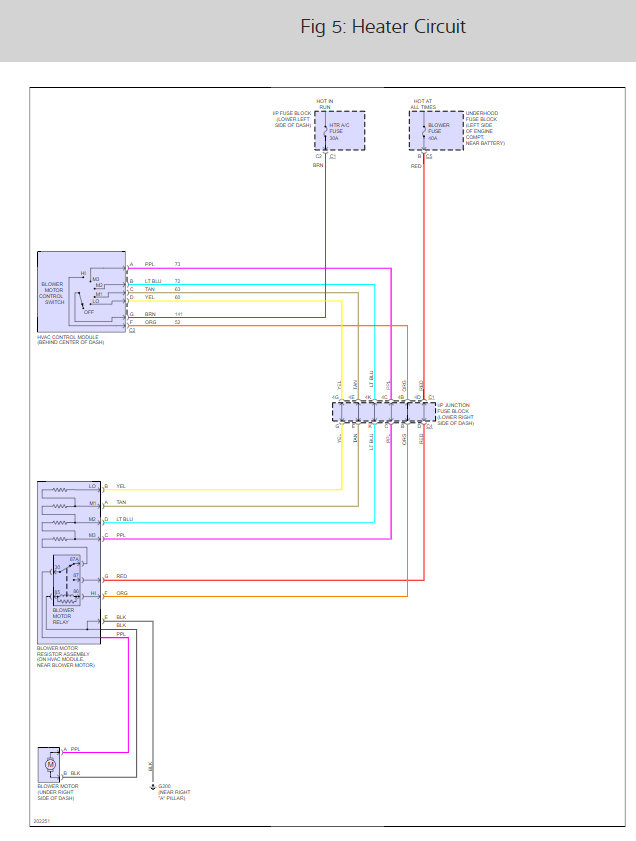
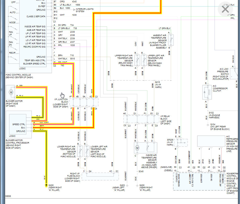
I am attaching the wiring diagram and info below. More than likely you have a control processor issue, which is basically the resistor.

The HVAC control module is to send the speed control signal to the processor which then changes the fan speed. When this shorts it usually puts the fan to high speed.

Please check the voltage to the processor and I am sure you will see that it is the correct voltage which means it is shorted.

https://www.2carpros.com/articles/how-to-check-wiring

Please let us know what you find with this. Thanks
Was this
answer
helpful?
Yes
No
+1
Tuesday, May 25th, 2021 AT 11:47 AM (Merged)
Tiny
DANNY L
  • MECHANIC
  • 5,648 POSTS
Hello, I'm Danny.

Here is the information you requested. It sounds like you are having a problem with the blower motor resistor. It was a common problem from the early to mid 200's truck being defective. You might want to check the blower motor wiring harness to be sure it's not melted or burnt which was the common problem causing your blower motor symptom. Here is a electrical wiring test tutorial in case you need to check or repair any wiring on the blower motor wiring harness:

https://www.2carpros.com/articles/how-to-check-wiring

I've attached picture steps below on how to replace the blower motor resistor and its location on the hvac box under dash on your truck. The problem was so common they made a replacement wiring connecter by Dorman available at all local auto parts stores as an alternative replacement as a lower cost than a Chevrolet dealership. Hope this helps and thanks for using 2CarPros.
Was this
answer
helpful?
Yes
No
Tuesday, May 25th, 2021 AT 11:48 AM (Merged)

Please login or register to post a reply.