Headlight switch replacement instructions needed

Tiny
JMURLEY1104
  • MEMBER
  • 1990 CHRYSLER NEW YORKER
  • 3.3L
  • 6 CYL
  • 2WD
  • AUTOMATIC
  • 100,000 MILES
My dad's car's headlights will not come on nor will the headlight doors raise. I can hear the motor activate but no good. When we prop the doors open and turn on the lights they do not operate unless we hold the dimmer switch back, then they all light up, but go off as soon as we release the switch. I cannot find any info on replacing the headlight switch itself as a starting point. Also plan on replacing fuses and relays before we attempt work on headlight motor. Any information would be appreciated. He's 81, a Marine Veteran and his dream is restoring this car.
Thank you for any and all help.
Wednesday, February 12th, 2020 AT 5:59 PM

1 Reply

Tiny
JACOBANDNICKOLAS
  • MECHANIC
  • 110,194 POSTS
Hi,

The first thing I suspect is the switch. Here are directions for replacement.

1990 Chrysler New Yorker V6-201 3.3L VIN R FI
Headlight Switch
Vehicle Sensors and Switches Sensors and Switches - Lighting and Horns Headlamp Switch Service and Repair Procedures Headlight Switch

Headlight switch

Disable airbag, refer to Airbags and Seat Belts/Air Bags (Supplemental Restraint Systems)/Service and Repair. After procedure has been completed, rearm airbag system.

1. Disconnect battery ground cable.
2. Remove left trim bezel as follows:
a. Pull bezel rearward until retaining clips disengage.
3. Remove three headlight switch attaching screws.
4. Pull switch assembly and wiring away from instrument panel, then disconnect wiring connector.
5. Disconnect escutcheon from mounting plate.
6. Unscrew bracket retainer nut attaching switch to bracket, then remove switch.
7. Reverse procedure to install.

________________________

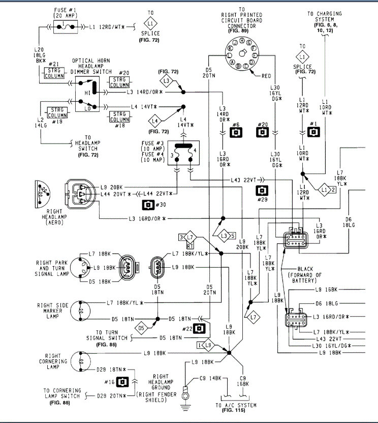
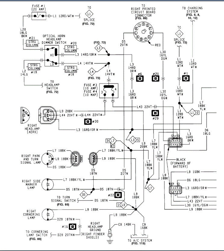
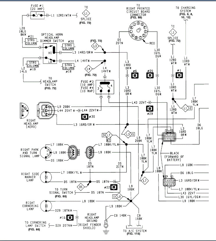
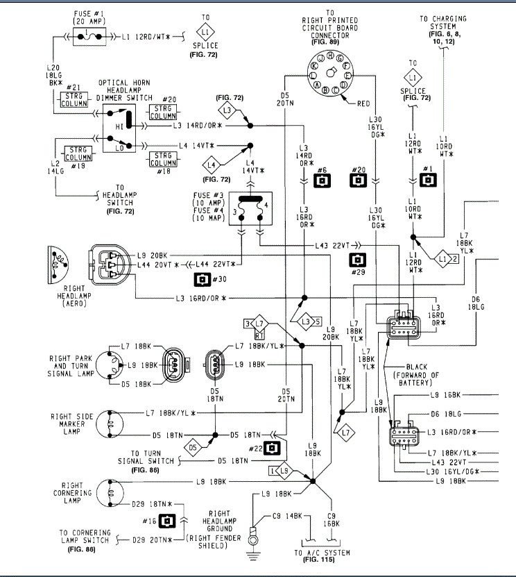
I attached a picture of the wiring schematic relevant to this vehicle's headlamp system. Here are a few links to help with testing:

https://www.2carpros.com/articles/how-a-car-fuse-works

https://www.2carpros.com/articles/how-to-check-a-car-fuse

https://www.2carpros.com/articles/how-to-check-an-electrical-relay-and-wiring-control-circuit

https://www.2carpros.com/articles/how-to-use-a-test-light-circuit-tester

https://www.2carpros.com/articles/how-to-use-a-voltmeter

https://www.2carpros.com/articles/how-to-check-wiring

___________________________

Let me know if this helps.

Take care,
Joe
Was this
answer
helpful?
Yes
No
Wednesday, February 12th, 2020 AT 6:33 PM

Please login or register to post a reply.