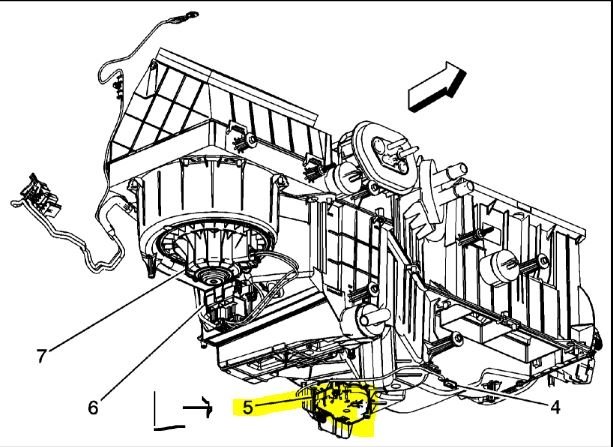
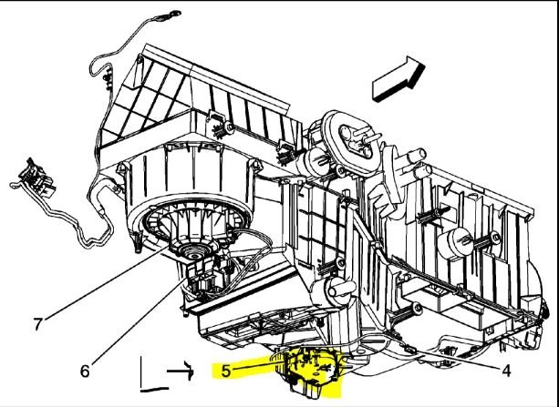
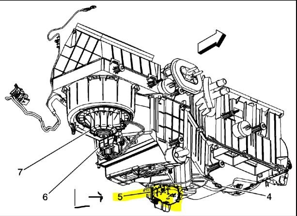
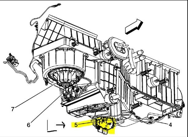
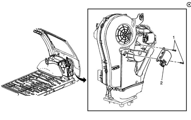
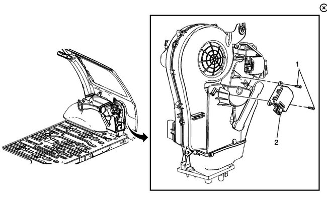
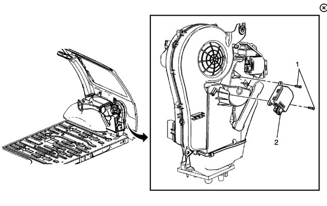
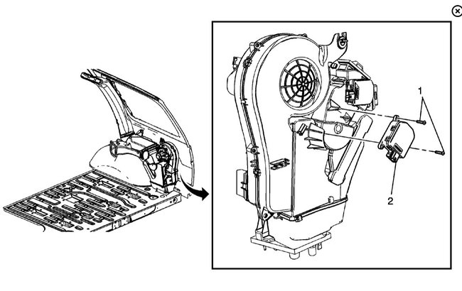
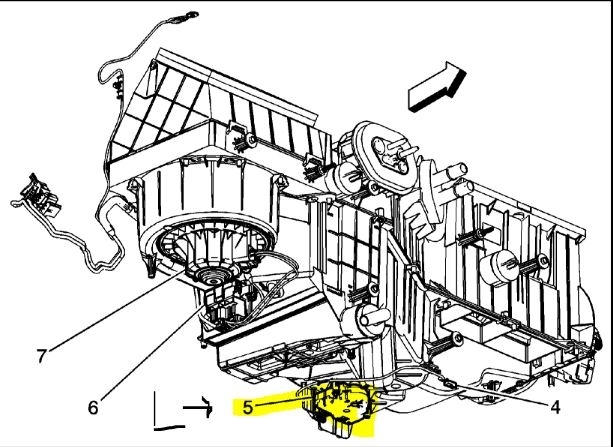
The actuator for the passenger side is on top of the heater case. I attached a diagram, picture and procedure for you.
The air bag module on top of the dash has to be removed to access the actuator.
https://www.2carpros.com/articles/replace-blend-door-motor
You can get the actuator at any parts store.
Roy
Was this helpful?
Yes
No
Thursday, July 16th, 2020 AT 11:41 AM
(Merged)












