Radiator fan problems

Tiny
JAKE CURTI
  • MEMBER
  • 44 POSTS
Sorry, I should’ve been clearer. The wiring is not frying, the plastic on the pigtail is melting because the area is getting so hot.
Was this
answer
helpful?
Yes
No
Sunday, July 10th, 2022 AT 10:12 PM
Tiny
JACOBANDNICKOLAS
  • MECHANIC
  • 110,192 POSTS
Hi,

Okay, that makes sense. Jake, I was a bit concerned and didn't want you to have something like a fire resulting from an electrical issue. Make sure to keep an eye on the connector.

I did research on the topic of inoperative cooling fans. I found something of interest. In 2017 there was a technical service bulletin sent out specific to the harness you are having issues with.

Do me a favor. Read through the TSB that I attached below. If I'm understanding it properly, the harness connector melting causes an internal problem in the connector itself. I think that is what you are dealing with.

Let me know your thoughts.

Take care,
Joe

See pics below.
Was this
answer
helpful?
Yes
No
Monday, July 11th, 2022 AT 9:26 AM
Tiny
JAKE CURTI
  • MEMBER
  • 44 POSTS
Yeah, so fortunately we got the entire fan assembly, motors and all, replaced yesterday. So, the attachments are all new. It's still not kicking on the radiator fan.
Was this
answer
helpful?
Yes
No
Monday, July 11th, 2022 AT 10:48 AM
Tiny
JACOBANDNICKOLAS
  • MECHANIC
  • 110,192 POSTS
Jake,

Was the wiring harness from eBay replaced? According to the TSB I sent, that is where the problem comes from.

If it were, we would need to go back and start tracing where power is being lost. Also, the engine coolant temperature sensor could be faulty. If you have a live data scanner, see if the signal from the sensor is bad.

Let me know.

Joe
Was this
answer
helpful?
Yes
No
Monday, July 11th, 2022 AT 7:57 PM
Tiny
JAKE CURTI
  • MEMBER
  • 44 POSTS
Yes, the connectors were replaced now, correct gauge, new assembly entirely. We just managed to change the coolant sensor and we’re disappointed to see that the radiator fan still will not kick on. Our next steps will be getting a meter to check and make sure the pigtail is giving off 12v of power as well as a coolant/radiator flush. We are lucky enough to know a body mechanic who put the new assembly in at cost, saving me hundreds. He does not know enough about Mitsubishis to be confident about what else could be wrong.
Was this
answer
helpful?
Yes
No
Monday, July 11th, 2022 AT 8:14 PM
Tiny
JACOBANDNICKOLAS
  • MECHANIC
  • 110,192 POSTS
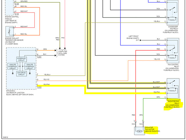
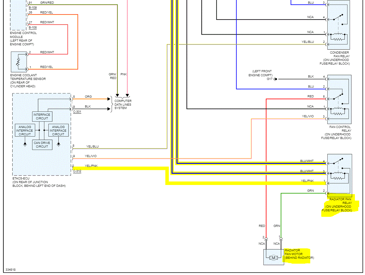
Do me a favor. Check fusible link 29 has power on both sides.

I attached the wiring schematic below and highlighted the wiring and fuse.

Here is a link that you may find helpful:

https://www.2carpros.com/articles/how-to-check-a-car-fuse

Let me know.

Joe
Was this
answer
helpful?
Yes
No
Monday, July 11th, 2022 AT 8:21 PM
Tiny
JAKE CURTI
  • MEMBER
  • 44 POSTS
So, today we took it to Mitsubishi which turned out to be an enormous waste of time. They said the fans were both working and then tried to make me pay $800.00 for a tune up and replace some tubing. I declined because I was not there for that stuff and after the drive home the fan was still not kicking on. We did the sensor, but it didn’t work. They checked the fuse and wiring and said that it was giving off the correct voltage. They said the fans both came on. I still have not seen it.
Was this
answer
helpful?
Yes
No
Tuesday, July 12th, 2022 AT 1:48 PM
Tiny
JAKE CURTI
  • MEMBER
  • 44 POSTS
I just noticed something, when I jumped the relays, I dont think I turned the car all the way on, just the battery. Thus if the engine is not on, the one working fan has not come on, so the other wouldn’t either. Hopefully that makes sense.
Was this
answer
helpful?
Yes
No
Tuesday, July 12th, 2022 AT 5:08 PM
Tiny
JACOBANDNICKOLAS
  • MECHANIC
  • 110,192 POSTS
Hi,

Yes, that makes sense. The key needs to be in the "run" position with the engine not running. If you jump the relay, it should turn the fan on. If it doesn't, we have a wiring issue between the two components because I remember you replaced the fan motors.

Let me know what you find.

Joe
Was this
answer
helpful?
Yes
No
Tuesday, July 12th, 2022 AT 7:58 PM
Tiny
JAKE CURTI
  • MEMBER
  • 44 POSTS
Yeah, it still didn’t work unfortunately. At this point I’ve ruled out a lot and pinpointed a wiring issue. Tomorrow I’m going to bring it to a mechanic I trust more and just have them specifically focus on that.
Was this
answer
helpful?
Yes
No
Tuesday, July 12th, 2022 AT 8:50 PM
Tiny
JACOBANDNICKOLAS
  • MECHANIC
  • 110,192 POSTS
Hi,

This is an interesting one. If possible, could you let me know what is found? I'm interested in knowing.

Joe
Was this
answer
helpful?
Yes
No
Tuesday, July 12th, 2022 AT 10:26 PM
Tiny
JAKE CURTI
  • MEMBER
  • 44 POSTS
Absolutely. The mechanic said on the phone that based on what I’ve described, it’s likely a computer issue. So, I assume the cooling fan control module.
Was this
answer
helpful?
Yes
No
Wednesday, July 13th, 2022 AT 7:24 AM
Tiny
JAKE CURTI
  • MEMBER
  • 44 POSTS
So, the mechanic has pinpointed the issue and it’s the car’s computer system being bad. He was honest with me and said this would have to be done at a dealer and it’ll be $1,300.00 or so, or we just bypass the computer all together to where when the relay says to come on, it comes on full speed. So, we opted to just bypass it. Though the longevity of the fan might not be as long, at least it will be working.
Was this
answer
helpful?
Yes
No
Wednesday, July 13th, 2022 AT 11:32 AM
Tiny
JAKE CURTI
  • MEMBER
  • 44 POSTS
Final update:

The computer recognized that they were trying to bypass it and wouldn’t allow them to do it. So, unless I got a new computer, my only other option is to sell it. Because of the age and worth of the car, we are going to sell it.
Was this
answer
helpful?
Yes
No
Wednesday, July 13th, 2022 AT 1:35 PM
Tiny
JACOBANDNICKOLAS
  • MECHANIC
  • 110,192 POSTS
Hi,

Thank you for the update. I'm sorry to hear that is the issue. However, which computer is he referring to? I have purchased plug-and-play computers online which worked perfectly.

Let me know. There may be hope yet.

Take care,

Joe
Was this
answer
helpful?
Yes
No
Wednesday, July 13th, 2022 AT 9:29 PM

Please login or register to post a reply.