Power windows not working

Tiny
WILLISIN
  • MEMBER
  • 2011 CHEVROLET SILVERADO
  • 5.3L
  • V8
  • 4WD
  • AUTOMATIC
  • 153,000 MILES
I replaced master switch still not working.
Friday, January 7th, 2022 AT 11:41 AM

5 Replies

Tiny
SQM
  • MECHANIC
  • 6,383 POSTS
Hello,

First item you want to check when a window is not working is the fuse.
Have you checked it?
There is a 25A circuit breaker located on the fuse panel at the end of the dash inside the vehicle.

https://www.2carpros.com/articles/how-to-check-a-car-fuse

If the circuit breaker is good, then the issue could be a window motor or regulator. It can also be due to faulty wiring.

Does any window operate? from any switches?

Let me know a few more details of what you are experiencing.

Please let me know if you have any questions.
Thank you.
Was this
answer
helpful?
Yes
No
+2
Friday, January 7th, 2022 AT 8:26 PM
Tiny
JACOBANDNICKOLAS
  • MECHANIC
  • 110,192 POSTS
Hi,

The first thing I need you to do is check for power at the red wire with a white tracer at the driver's door main switch. The power to the switch is supplied via a circuit breaker that may have failed. If there is power, then confirm the black wire at the main switch has continuity to ground. Here is a link that you may find helpful:

https://www.2carpros.com/articles/how-to-check-wiring

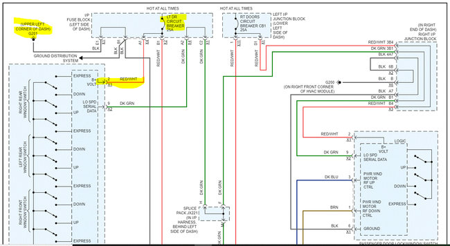
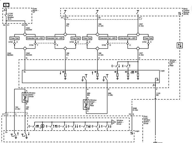
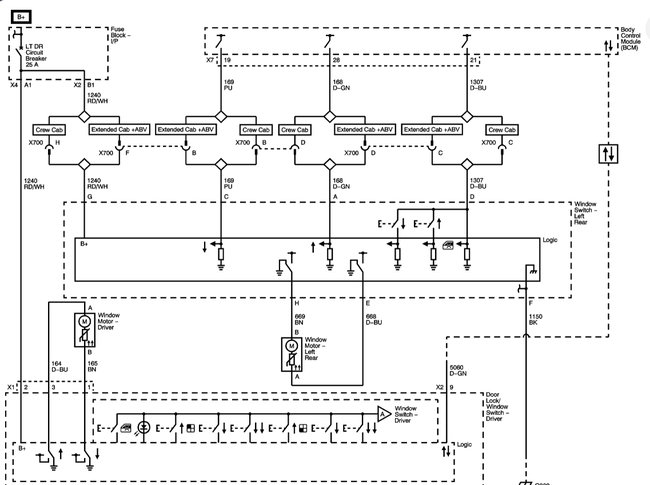
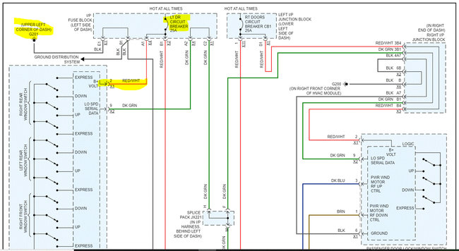
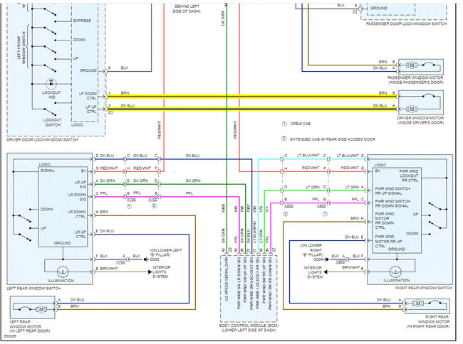
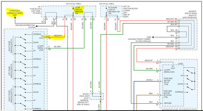
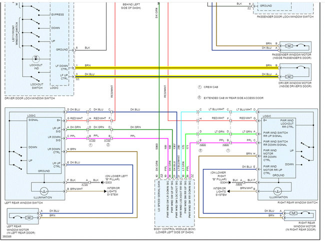
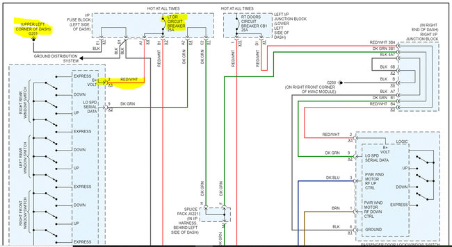
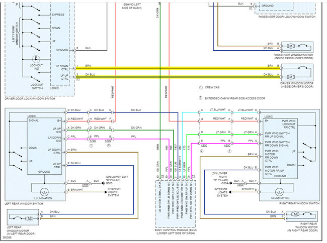
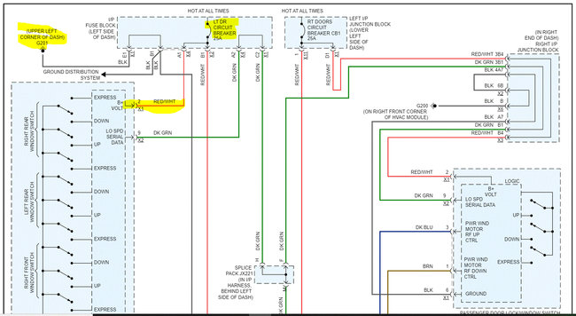
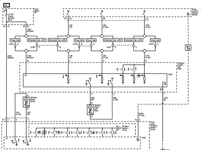
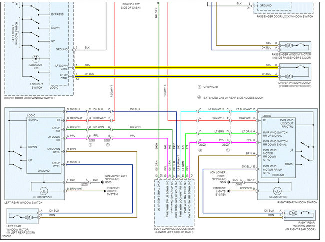
If you look at pic 3, it shows the circuit breaker location in the fuse box.

If you find no power at the red/white wire, check the circuit breaker, making sure there is power to it and from it.

Let me know what you find or if you have other questions.

Take care,

Joe

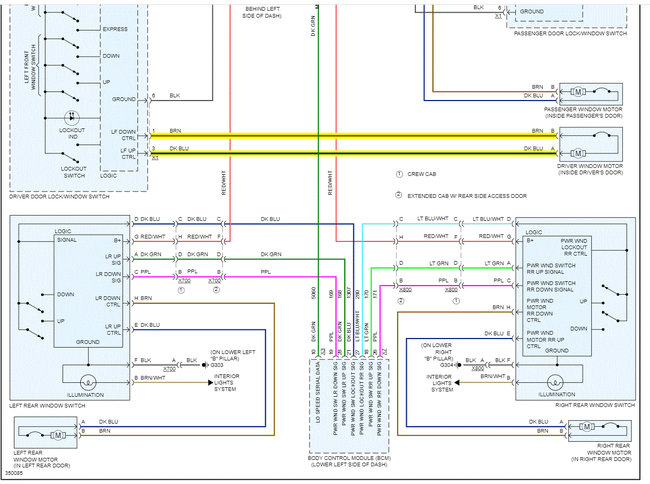
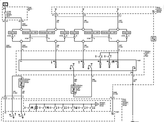
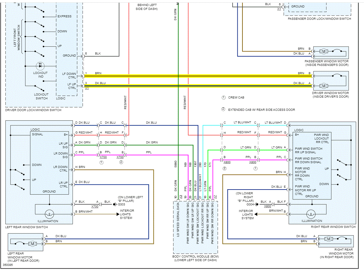
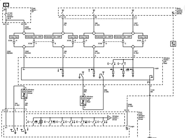
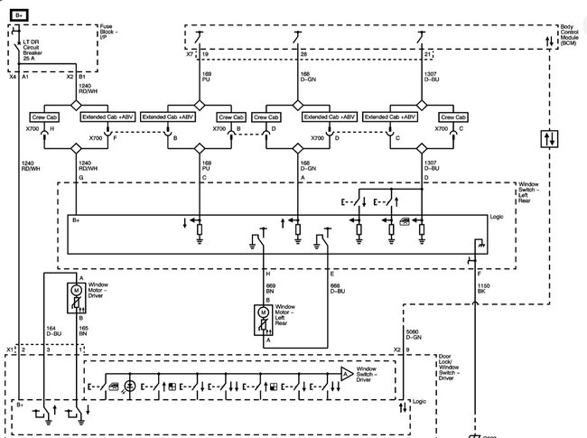
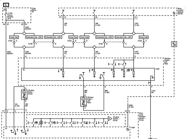
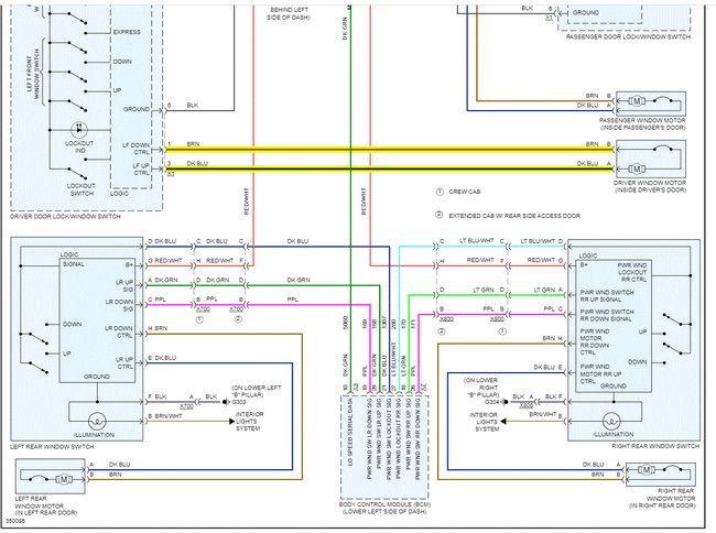
See pics below. Note: Pics 1 and 2 are the wiring schematic for the windows. I had to cut them in half to make them readable. I did overlap them.
Was this
answer
helpful?
Yes
No
+1
Friday, January 7th, 2022 AT 8:41 PM
Tiny
WILLISIN
  • MEMBER
  • 3 POSTS
I completed a test and I have current to my master switch drivers' side, the window on front passenger side will operate using that switch I have 2 fuse boxes on my truck listed above I have tested all fuses both under the hood and inside the cab. I have a few fuses both inside the cab and under the hood not showing any current. Pulled and checked all fuses and they are fine. I will wait for response. Thank you
Was this
answer
helpful?
Yes
No
Saturday, January 8th, 2022 AT 9:22 AM
Tiny
WILLISIN
  • MEMBER
  • 3 POSTS
Oh, I forgot drivers side and rear passenger windows will not work independently.
Was this
answer
helpful?
Yes
No
Saturday, January 8th, 2022 AT 9:25 AM
Tiny
JACOBANDNICKOLAS
  • MECHANIC
  • 110,192 POSTS
Hi,

Let me know which fuses don't have power. That way, I can trace them back to see where the power is coming from. Something before the fuse must have failed.

Let me know.

Joe
Was this
answer
helpful?
Yes
No
-1
Saturday, January 8th, 2022 AT 11:23 PM

Please login or register to post a reply.