Tuesday, August 1st, 2023 AT 11:46 PM
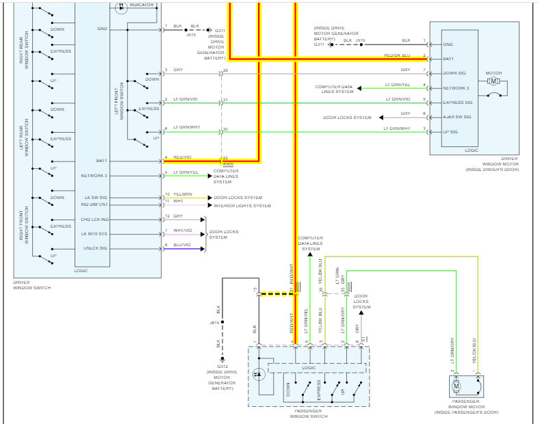
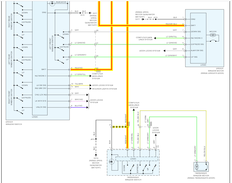
Power locks and power mirrors work, and I am able to operate rear windows locally and rear doors will trigger door ajar alarm. I have checked the wiring harness to both front doors and all the fuses. The only problem I can find is the insulation had worn down on the red/blue as well as the black wire so there was a small amount of exposed wire.


