Thursday, September 17th, 2015 AT 5:08 PM
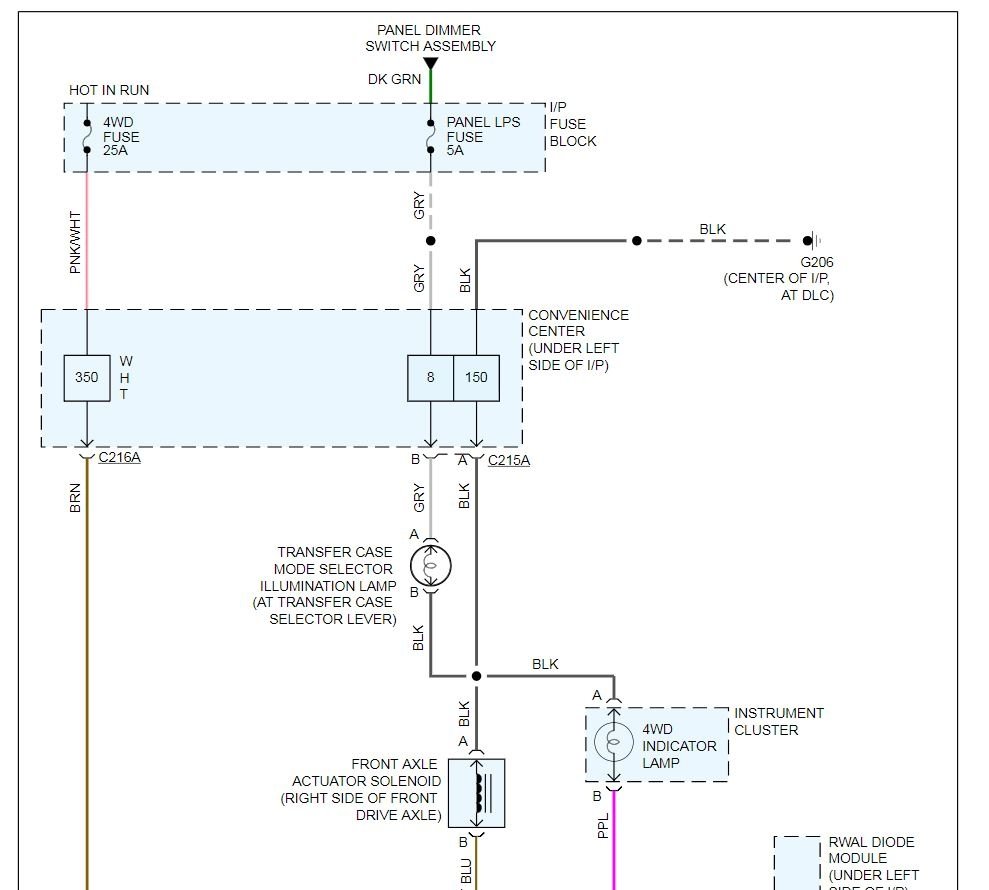
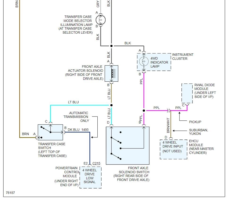
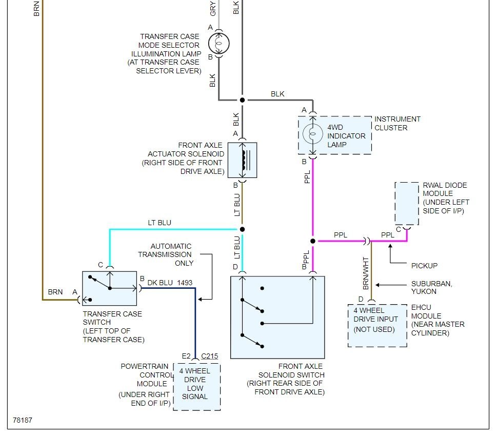
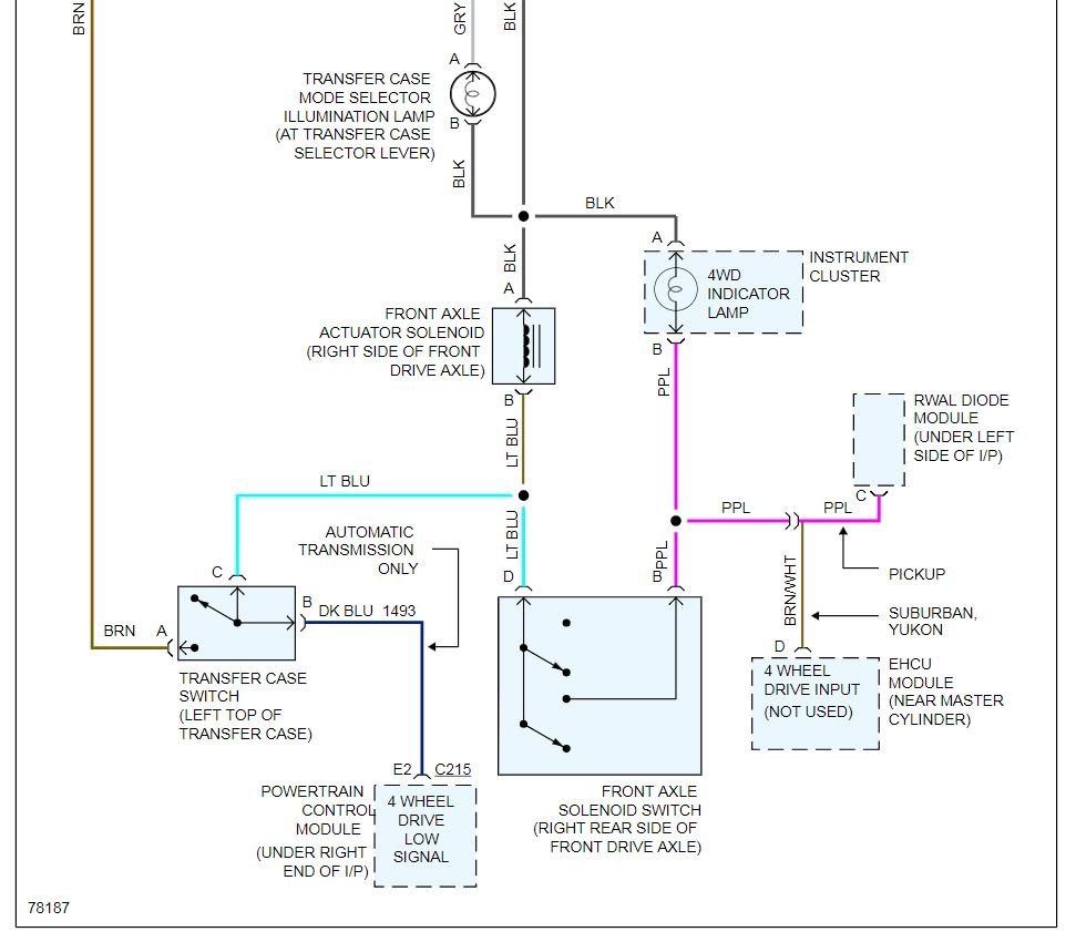
I have changed my transfer case control switch and it worked but now it does not. I cannot find a transfer case control module on this vehicle to replace. I looked behind the transfer case control switch and removed the instrument cluster behind the headlight switch and my truck does not have the transfer control module as shown in my Haynes Repair Manual on figure 7.1 page 7C-3. Please help! Do I go out and buy another transfer case control switch?


