Power loss - possible vacuum issue

Tiny
RYELANDO
  • MEMBER
  • 2006 BUICK RENDEZVOUS
  • 3.5L
  • 6 CYL
  • 2WD
  • AUTOMATIC
  • 320,000 MILES
When accelerating or under a small load like going up a slight incline even, it completely loses power and you can hear it 'gasp' for air, then it surges with power for a second, then gasps again, then surges with power, then gasps etc.

I have tried replacing the Mass Airflow unit and the foul air breather tube that goes to rear of engine from the air inlet.

When I put a vacuum gauge to the PCV orifice on the front of the engine, I thought it would be sucking air into the engine, but it is pulling it in the other direction (see video attached) - I'm not sure if that is normal or not, maybe the video will provide some clues or I can make another and test something if you need me to.
Saturday, August 7th, 2021 AT 10:06 AM

31 Replies

Tiny
KASEKENNY
  • MECHANIC
  • 18,907 POSTS
Okay. This is correct. What you are seeing is intake manifold vacuum. Basically the intake manifold us under negative pressure from the engine and pistons pulling in air during the intake stroke. This is what is supposed to happen and when you rev the engine it drops to 0 PSI and in hg showing that there is no vacuum. Then when you hold it at 2000 RPM, the vacuum recovers and is stays steady.

This needs to be under vacuum for the PCV as this will pull in crankcase gases and reuse them in the intake. You may have a clogged PCV so remove it and shake it and see if the valve is free inside.

Based on that steady needle, I don't think this is caused by a vacuum leak but here is a guide that will help with checking;

https://www.2carpros.com/articles/how-to-use-an-engine-vacuum-gauge

The fact that this is happening when you are accelerating does point to an air fuel mixture. It could be rich or lean so we need to find out which one before we know which direction to go.

We do this by monitoring the o2 sensor voltage when this is happening. Any chance you have a scan tool that can monitor the o2 data?

Here are a couple that can do this:

https://www.youtube.com/watch?v=jr_Iv8T_Phk

https://www.youtube.com/watch?v=Mb7whGkD8vw

https://www.youtube.com/watch?v=XY-1CsAzrFA

Clearly you don't have to go with one of these if you don't have one. You can use any that monitor the PCM live data.

I would only suggest buying one if you think you will use it in the future. Otherwise it is not a good option but based on the fact that you know how to hook up a vacuum gauge, I am betting you have one.

This is basically low power issue so here is one more guide that will help with the most common items.

https://youtu.be/U1RoG3I-Oww

Please let us know and we can go to the next steps.

Thanks
Was this
answer
helpful?
Yes
No
Sunday, August 8th, 2021 AT 4:10 PM
Tiny
RYELANDO
  • MEMBER
  • 19 POSTS
Thank you for the detailed reply that is very helpful!

Unfortunately, don't have a scan tool that does live data. Although I do have an old OBDII scanner though that shows me codes. I ran a scan and it gave me codes P0171, and P0449. Does this provide any clues?

It doesn't have a PCV valve, I think it has what is called a 'fixed orifice'. It is part of the valve cover. I'll take a look at that today and see if it is clean/clear.
Was this
answer
helpful?
Yes
No
Monday, August 9th, 2021 AT 8:51 AM
Tiny
RYELANDO
  • MEMBER
  • 19 POSTS
It appears the PCV orifice on the front of the engine connected to the fresh air PCV tube is clean and non-restricted, although I'll inspect further today to double check as I'm not 100% convinced yet (I need to push a slightly smaller item through it tonight to verify).

I'm now wondering about the foul air PCV tube that goes to the back of the engine. In the attached videos I show how it just barely has airflow coming out of the engine through it, although I'm not sure if this is the normal/expected behavior or not?

I have attached a couple more videos that may be helpful as well as my OBDII codes.

What do you think for next steps?
Was this
answer
helpful?
Yes
No
Monday, August 9th, 2021 AT 11:25 AM
Tiny
KASEKENNY
  • MECHANIC
  • 18,907 POSTS
Okay. That is all great info. To start, that does appear to be normal as the other tube you connected to is just a breather and it will pull air from the exhaust (I believe) as it needs it. It is in front of the throttle body so it is going to have more pressure as the engine revs. It also has a one way check valve so that the air does not go from the intake to the exhaust, only pulls from the exhaust to the intake to reuse any unburned fuel.

Also, the way you hooked to that line, it would have positive pressure (PSI) as the air will be pushed to the intake from the exhaust.

The PCV line is under negative pressure (vacuum) as the intake is pulling fumes from the engine and the engine has positive pressure and pushes towards the intake.

All this to say, that all looks fine. The only thing I am concerned with now is the P0171 is a vacuum leak code. However, you may have tripped that when unhooking those lines. So let's clear the codes, drive the vehicle and see if they come back.

If that code returns then we have air getting into the intake from some other source causing the engine to run lean. Or we have a fuel issue that is not supplying enough fuel causing the engine to run lean.

So let's see if that comes back and we can go from there.

Thanks
Was this
answer
helpful?
Yes
No
Tuesday, August 10th, 2021 AT 8:03 AM
Tiny
RYELANDO
  • MEMBER
  • 19 POSTS
I cleared the codes and took it for a drive. The P0171 didn't return so we must have tripped it when I unplugged the hoses.

The P0449 did return, although that code has been around for years, so I'm guessing that is not part of the issue?

Side note: We redid all calipers/pads/rotors a year ago, although the ABS keep coming off and on intermittently which triggers the ABS light on the dash. I think it's unrelated to this problem but thought I'd mention it in case you need to know.

I attached some more videos of the drive I took it on. If you listen closely, you can hear it 'gasp' for air, then the power surges, then it takes another little gasp and gives me a boost of power again.

Thank you for your help.
Was this
answer
helpful?
Yes
No
Tuesday, August 10th, 2021 AT 9:46 AM
Tiny
KASEKENNY
  • MECHANIC
  • 18,907 POSTS
Great info. I should have asked for that earlier. So that EVAP code may be related and just got to the point where it is causing a surge. However, it is less likely so let's come back to that.

I agree that I hear that gasp as well. That is normally a result of a leak and that gasp is the actual air being sucked in.

However, it could also be the air gasping through the air filter like it is supposed to. But that is a sign that the air fuel mixture is off.

So at this point we have to do two things. First is hook up your vacuum gauge to a vacuum line (that PCV line is fine and cap off the PCV orifice) and then tape the gauge to the windshield so that you can drive it and watch that gauge. Then we need to see what the vacuum is doing as this may be an intake valve issue that is floating.

Also have you inspected the accordion tube that goes to the intake for leaks? They crack and don't show up unless under a load which makes sense why it surges going up a hill. Unplug that sensor that is just in front of that tube which should be the MAF sensor and then drive it. You are going to set a code but when that is open circuit the ECM uses a default and the surging would stop if the leak was between the sensor and the throttle plate.

Next is to watch the fuel pressure the same way. Hook the gauge up and tape it to the windshield so we can watch the gauge while it is surging.

See below for the info on this. Sorry for the long note but we will get this. You are doing great work!
Was this
answer
helpful?
Yes
No
Tuesday, August 10th, 2021 AT 7:34 PM
Tiny
RYELANDO
  • MEMBER
  • 19 POSTS
Okay. Here is what I tested so far:

1. Valve float test: I capped the PCV orifice and hooked up vacuum gauge to the fresh air PCV tube. Result: It seemed to make no change, needle appeared fairly steady on vacuum gauge.

2. Unplugged the MAF electrical connection. Result: It would stall if I didn't add a bit of pressure on the gas pedal. It didn't have a ton of power, although it didn't seem to surge at all. I could still hear a 'whistle' sound a bit, I'm assuming it was air being sucked in somewhere possibly but no gasping noise and no surging. I attached 2 videos because the fact it didn't surge surprised me so I tried it twice so you can take a look.

3. I inspected the accordion tube and it appears that it doesn't have any cracks/holes.

4. I didn't do a fuel gauge test because I will have to pick up a fuel gauge, and will do that if you think we should go down that road next. I was wondering though if I need to buy one would it make more sense to buy a new obdII reader that reads live data and monitors fuel pressure etc. And accomplish the same thing?

See videos attached.
Was this
answer
helpful?
Yes
No
Thursday, August 12th, 2021 AT 4:48 PM
Tiny
KASEKENNY
  • MECHANIC
  • 18,907 POSTS
Excellent job. If unplugging the MAF made any difference then we need to focus on that.

Here is a guide that will help with trying to clean it if you want:

https://www.2carpros.com/articles/mass-air-flow-service

Otherwise we need to replace it.

https://www.2carpros.com/articles/how-to-replace-a-mass-air-flow-sensor-maf

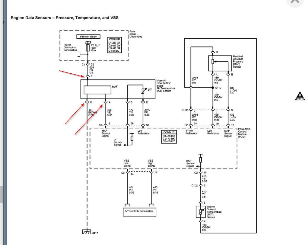
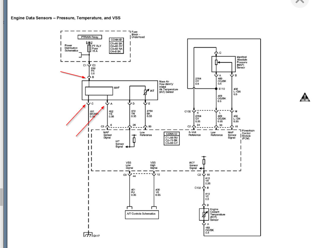
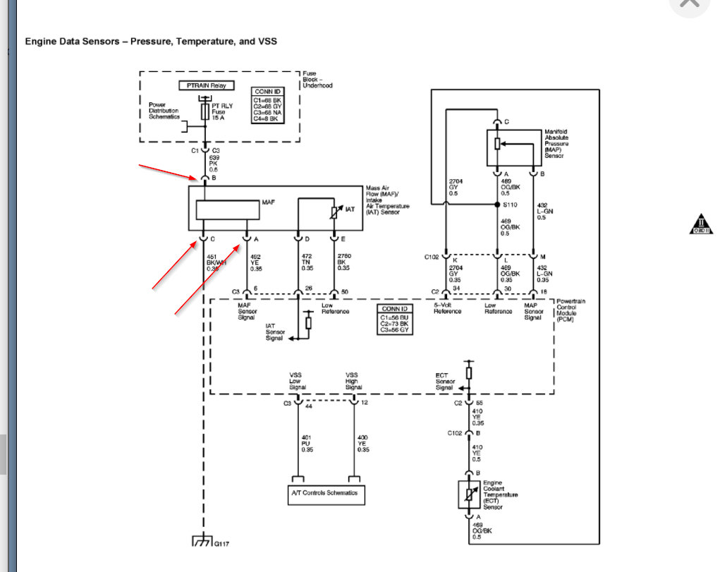
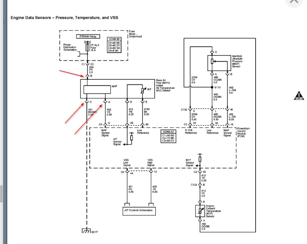
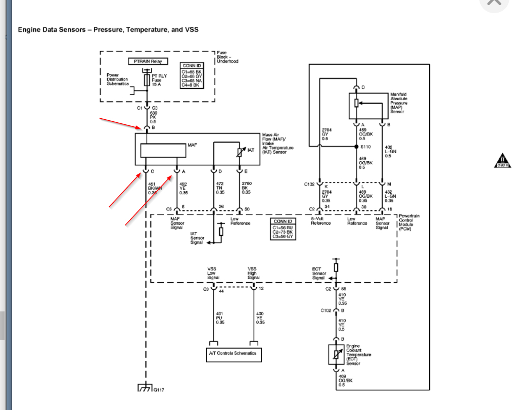
We can check this by checking the voltage at the sensor to see what it is telling the PCM for the incoming air if you don't want to just replace it without proof. Basically we need to check for 12 volts on pin B and C. This is testing the power and ground. If your meter does not show 12 volts then we have an issue with one or the other and we can dig into that to figure out which one.

Lastly A is the signal from the MAF to the PCM so we need to see what this is telling the PCM. Does your meter have a Hz setting? If so, that would be the way to test this.

https://www.2carpros.com/articles/how-to-check-wiring

If we back probe these circuits then we don't need a scan tool to monitor what the PCM is seeing.

Let's try this and let us know what you find and we can go from there.
Was this
answer
helpful?
Yes
No
Friday, August 13th, 2021 AT 11:38 AM
Tiny
RYELANDO
  • MEMBER
  • 19 POSTS
I just had it replaced at the dealership a week before I started this thread so I'm hoping it's good/new, but will do the testing anyways just to ensure. Thanks!
Was this
answer
helpful?
Yes
No
Friday, August 13th, 2021 AT 12:01 PM
Tiny
KASEKENNY
  • MECHANIC
  • 18,907 POSTS
Oh wow. Okay, but unfortunately that is all too common. New parts are not good parts. So let us know what you find with that and then we can take the next steps but there is something there.

Thanks
Was this
answer
helpful?
Yes
No
Friday, August 13th, 2021 AT 7:27 PM
Tiny
RYELANDO
  • MEMBER
  • 19 POSTS
Please see attached video for my multimeter readings.

I don't have much experience in using the meter so if you see any settings setup wrong or if I am in the wrong pin holes please let me know.

I see two holes on the purple connector for each spot A, B, C, D, E and and wasn't sure which hole to put it in (the small one or the big one). I'm assuming either is fine as long as it touches the connector, but let me know if it isn't and I can redo this test based on your advice. :)
Was this
answer
helpful?
Yes
No
Saturday, August 14th, 2021 AT 12:14 PM
Tiny
KASEKENNY
  • MECHANIC
  • 18,907 POSTS
Okay. That is all great. However, we need to back probe terminal B and plug the sensor in so that we can see what the sensor is telling the PCM.

If the sensor is new, we can assume it is not the issue which would point us to the PCM as the issue but normally when you unplug the sensor and it stops acting up, the sensor is the issue.

I normally just use a T pin or small safety pin to push it in the back of the connector. You will feel it bottom out on the metal connector and then you can just use an alligator clip to connect your meter to it.

If you don't have that then you can tape it to the back probe so that the metal probe of the meter lead is touching the safety pin or t pin.

Then we can drive it and make sure the readings are smooth and steady.

You are doing an excellent job with this. Very impressed.
Was this
answer
helpful?
Yes
No
Saturday, August 14th, 2021 AT 6:41 PM
Tiny
RYELANDO
  • MEMBER
  • 19 POSTS
Thank you. I'm learning lots, you are incredibly helpful!

I back probed terminal B with a safety pin and alligator clips.

I turned the key only to the accessory and it showed about 11.85V before starting the engine.

When driving, it seemed to steadily show about 14.35V to 14.37V.

I also added a little 'side-note' video about where the gasping noises appear to be coming from. I think the window seal is opening as we've had record heat here lately and maybe its just hot. Lets stay on track though, I feel like we're making progress, but wanted to add it while it's fresh in my mind.
Was this
answer
helpful?
Yes
No
Saturday, August 14th, 2021 AT 9:07 PM
Tiny
KASEKENNY
  • MECHANIC
  • 18,907 POSTS
Awesome. I should have explained my thought pattern better so that you could have gone further in one test, because that is what I expected.

I have seen in the past when the PCM drops ignition voltage on the sensor and that causes all sorts of odd issues. That did not happen so that is perfect.

Now we need to do the same test on the signal wire which I think was A. This would be on the hertz reading but if you can do both hertz and voltage that would be great.

The meter doesn't respond fast enough to be the best tool for checking the signal voltage but it is good to see if anything jumps out while doing it.

Thanks again.
Was this
answer
helpful?
Yes
No
Sunday, August 15th, 2021 AT 8:54 AM
Tiny
RYELANDO
  • MEMBER
  • 19 POSTS
Okay great. So I think I back probed the pin in their correctly, if these numbers in the video seem way off just let me know and I can retry it.

It seemed to idle at around 2.8Hz and on the drive went between 4Hz - 7Hz when putting some gas to it up the hill. The more gas pedal I applied the higher the Hz went.

* I think I have longer alligator clips so will try to bring the meter in the vehicle on the dash next time so the sun doesn't make it hard to read.
Was this
answer
helpful?
Yes
No
Sunday, August 15th, 2021 AT 11:39 AM
Tiny
KASEKENNY
  • MECHANIC
  • 18,907 POSTS
Okay. You don't have to get another video if you can just confirm that the number was not jumping around when your foot was steady on the throttle.

So when you accelerate the number should go up smoothly and then when you decelerate the number should come down.

From what I could see that is what was happening. If that is the case then that sensor appears to be fine which is not what I expected.

Just to recap before I recommend what's next. This bogs or looses power when you accelerate up a hill and when you unplug the MAF, it is better?

If that is the case the sensor appears to be fine which means we need to assume the PCM is not getting the proper info due to a wiring issue or the PCM itself if faulty and not able to accept that info. So when you unplug it, and the PCM resorts to its default value then the engine runs better.

I am not sure I asked and did not see it in the post but do you have a scan tool that can read live data? If not then we may be in a tough spot as we would need to see what the PCM is seeing from the MAF and that would be measured in grams/second (amount of air moving per second).
Was this
answer
helpful?
Yes
No
Sunday, August 15th, 2021 AT 3:45 PM
Tiny
RYELANDO
  • MEMBER
  • 19 POSTS
I don't have a scan tool that can read live data, but I decided to bite the bullet and invest in one. I ordered this one today:
https://www.amazon.ca/gp/product/B00652G4TS?tag=bluedriverwebca-20

It should be here later in the week so will read the MAF grams/second like you mentioned once it arrives.

In the meantime I will also disconnect the MAF again and take it for a few drives to see how it performs and if I still notice improvement while it's disconnected.
Was this
answer
helpful?
Yes
No
Monday, August 16th, 2021 AT 1:39 PM
Tiny
KASEKENNY
  • MECHANIC
  • 18,907 POSTS
Sounds great. Yeah. I think you will like that one. I have not used it but know guys that have and they like it.

Thanks for the update. Let us know what you find. Thanks
Was this
answer
helpful?
Yes
No
Tuesday, August 17th, 2021 AT 5:50 PM
Tiny
RYELANDO
  • MEMBER
  • 19 POSTS
Okay, I'm not sure if I'm doing this right as I'm still learning how to use the new obd2 so please bear with me here.

I did a full code scan. I found out my ABS is a circuit/wire behind my front left wheel. Totally cool, I can now fix that as I always wondered what it was.

Also, my P0449 says its the EVAP Canister Vent Solenoid circuit, so I might just tackle that as well this month and replace the evap canister vent valve solenoid thing. I may have to drop the tank to do it, but it could go okay if the straps come off easily.

It showed a P0102 (MAF) but I'm guessing that was triggered sometime during all my testing when I unplugging the MAF etc. So I cleared all the codes and took it for a good hard drive for a while and then rescanned. The results were the same except the p0102 code never reappeared despite it surging badly, so I'm pretty sure that code was from the testing we did earlier.

Lastly, I tried live data. It had tons of options to choose from (see attached video) so I picked what I thought you were looking for (the Mass Air Flow) and screen recorded it as I drove. The grams/second seem to climb steadily as I drove faster, then when it gasped for air it quickly dropped, and when it surged with power again it climbed. You can see the 20 grams spike approx. 20g/s during the test when it was gasping/surging. When it wasn't gasping/surging it was very steady.
Was this
answer
helpful?
Yes
No
Thursday, August 19th, 2021 AT 1:39 PM
Tiny
KASEKENNY
  • MECHANIC
  • 18,907 POSTS
Wow. That is great info. I am hoping this is starting to become clearer for me now because I am back onto thinking we have a MAF sensor issue but probably not the sensor itself. I suspect the module is the issue. Here is how we need to confirm this.

I just can't explain why we are not setting a code when this is happening but that could also be due to the module.

So in the picture below when you were taking the Hz reading, it had a K next to the Hz at the top of the screen correct? I circled what I am talking about.

If that is the case then that is the scaling of the meter which means that was around 4,000 Hz. I say that just to set the stage for the attachment below.

Then take a look at the testing in the next picture. These are the expected operating parameters of the module and sensor.

Granted this is the test for a code that we don't have. However, it looks like were are outside these parameters and that would tell you to replace the module.

Hopefully we can confirm this is a module issue with this testing and we can go from there. Thanks
Was this
answer
helpful?
Yes
No
Thursday, August 19th, 2021 AT 4:52 PM

Please login or register to post a reply.