Radiator Fans not working

Tiny
MRSLJBABLER
  • MEMBER
  • 2006 PONTIAC GRAND PRIX
The fans are not coming on. What could be the cause of this?

Thank you.
Thursday, November 12th, 2009 AT 8:45 PM

62 Replies

Tiny
BMRFIXIT
  • MECHANIC
  • 19,053 POSTS
Hello,

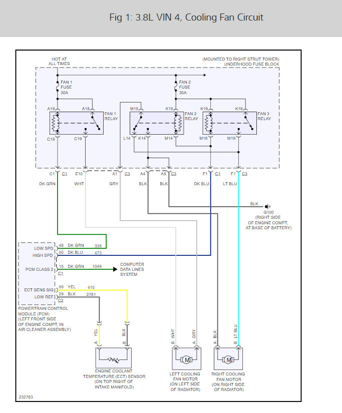
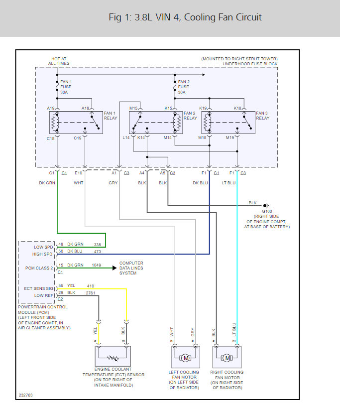
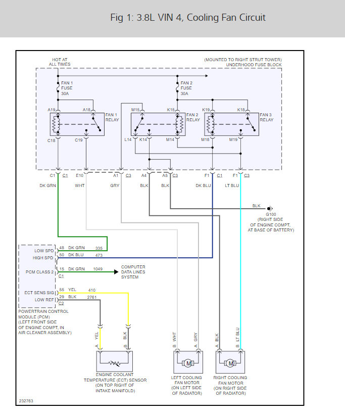
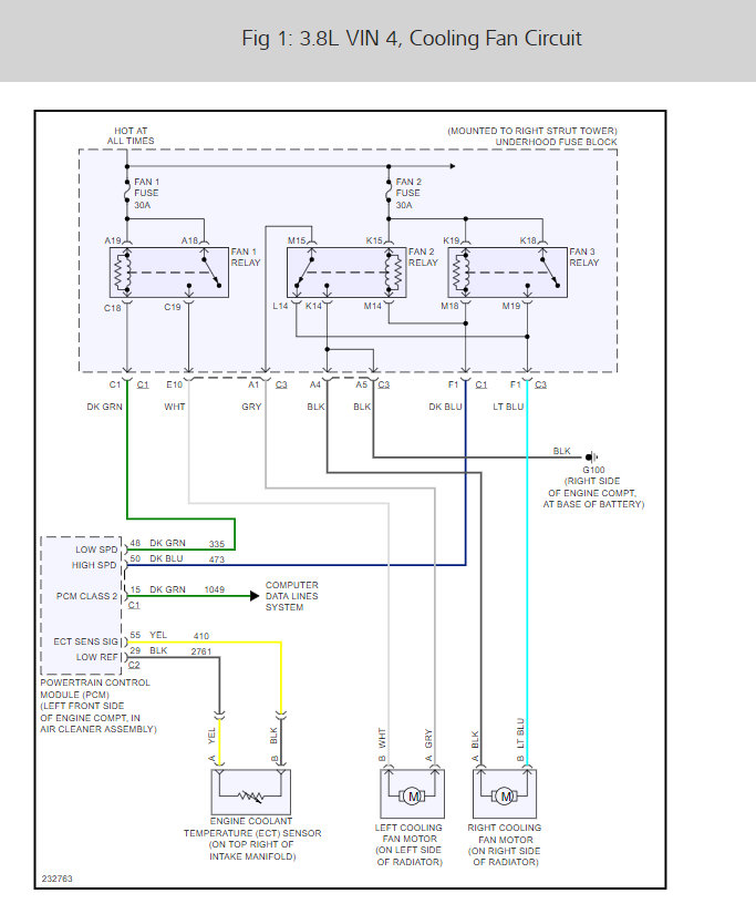
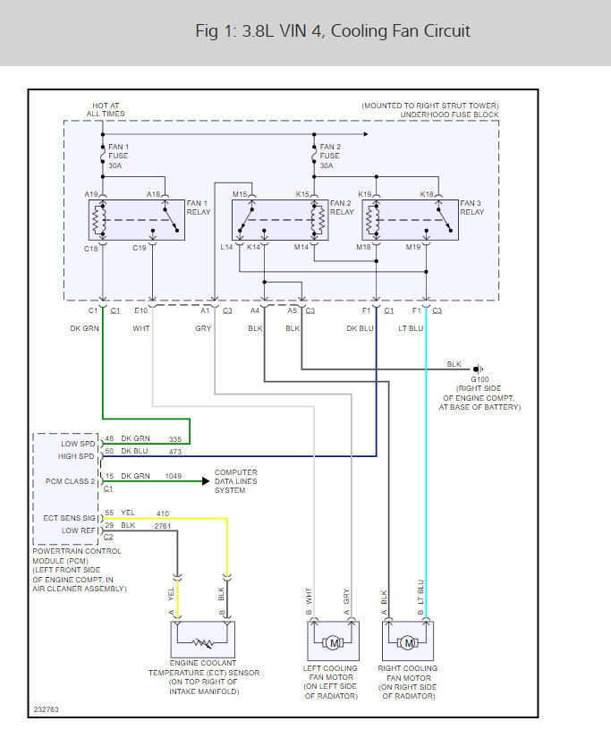
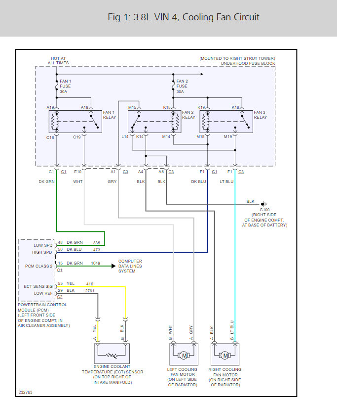
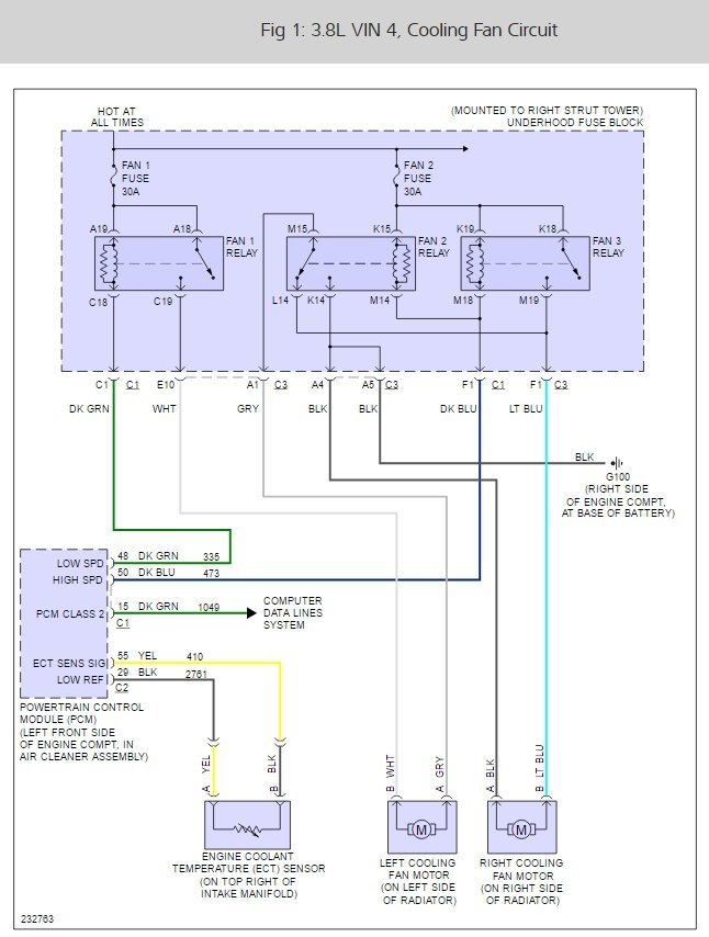
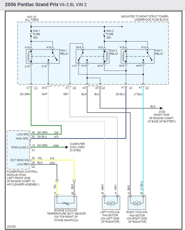
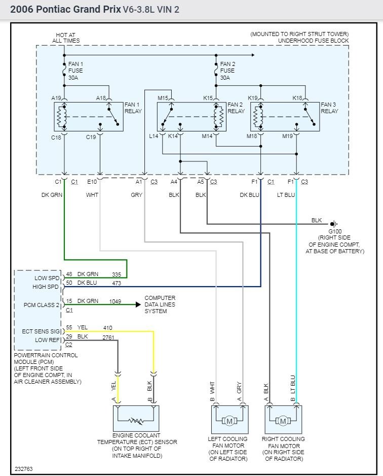
It sounds like it could be a fuse or relay not working but to be sure here are two guides and the cooling fan wiring diagrams so you can see how the system works with the fuse and relay locations as well.

https://www.2carpros.com/articles/how-to-check-a-car-fuse

and

https://www.2carpros.com/articles/how-to-check-an-electrical-relay-and-wiring-control-circuit

Check out the diagrams (Below). Please let us know what you find. We are interested to see what it is.
Was this
answer
helpful?
Yes
No
+5
Thursday, November 12th, 2009 AT 8:48 PM
Tiny
MRSLJBABLER
  • MEMBER
  • 7 POSTS
Yes, It was overheating and loosing coolant. We could not locate a leak, we replaced the thermostat and now we found that the fans are not working. Can you tell me where I can locate the fan switch and fan relays so that I can check them?
Was this
answer
helpful?
Yes
No
+15
Thursday, November 12th, 2009 AT 9:11 PM
Tiny
BMRFIXIT
  • MECHANIC
  • 19,053 POSTS
Did you check for codes

check fuses and relays under the hood


https://www.2carpros.com/forum/automotive_pictures/99387_fan_1.jpg

Was this
answer
helpful?
Yes
No
+9
Thursday, November 12th, 2009 AT 9:25 PM
Tiny
MRSLJBABLER
  • MEMBER
  • 7 POSTS
I checked the fuses but I am not sure the relays were checked. Is there a fan switch I can check? And what codes and where would I find them?
Was this
answer
helpful?
Yes
No
+5
Thursday, November 12th, 2009 AT 9:29 PM
Tiny
BMRFIXIT
  • MECHANIC
  • 19,053 POSTS
If its the switch or the coolant sensor check engine light would be on and
you need an OBDII reader to access the codes
most local part stores can help you in getting the codes for free
or use the OBDII reader for a deposit that you get back upon returning it
check with your local store for their policy
Was this
answer
helpful?
Yes
No
+2
Thursday, November 12th, 2009 AT 9:37 PM
Tiny
MRSLJBABLER
  • MEMBER
  • 7 POSTS
Will this reader tell us what the problem is then? Like a diagnostic?
Was this
answer
helpful?
Yes
No
+1
Thursday, November 12th, 2009 AT 9:42 PM
Tiny
BMRFIXIT
  • MECHANIC
  • 19,053 POSTS
Sure should tell something specially if have check engine light on
this is a site where you can check them and what they do
Was this
answer
helpful?
Yes
No
+3
Thursday, November 12th, 2009 AT 9:50 PM
Tiny
MRSLJBABLER
  • MEMBER
  • 7 POSTS
What if the CHECK ENGINE LIGHT hasn't come on. Will that reader still identify the problem?
Was this
answer
helpful?
Yes
No
-1
Saturday, November 14th, 2009 AT 12:36 AM
Tiny
BMRFIXIT
  • MECHANIC
  • 19,053 POSTS
This reader will not, you need a scanner to communicate with the PCM (computer )and check what is going on
does the fan come on when AC on?
Was this
answer
helpful?
Yes
No
+3
Saturday, November 14th, 2009 AT 6:27 AM
Tiny
NEILPARK2
  • MEMBER
  • 1 POST
I have the same problem both of my fans will not turn on ive checked the fuses but am not sure what else do as I do not have an check engine light on. The heat gage rises really quickly but does not quite over heat but it will if I sit for too long in traffic on a hot day. It has ac and hot air perfect. 2008 grand prix 3800 v6
Was this
answer
helpful?
Yes
No
+9
Saturday, June 3rd, 2017 AT 7:12 PM
Tiny
KEN L
  • MASTER CERTIFIED MECHANIC
  • 55,481 POSTS
Hello,

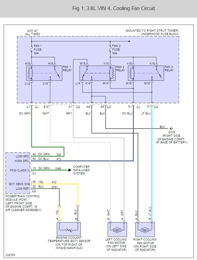
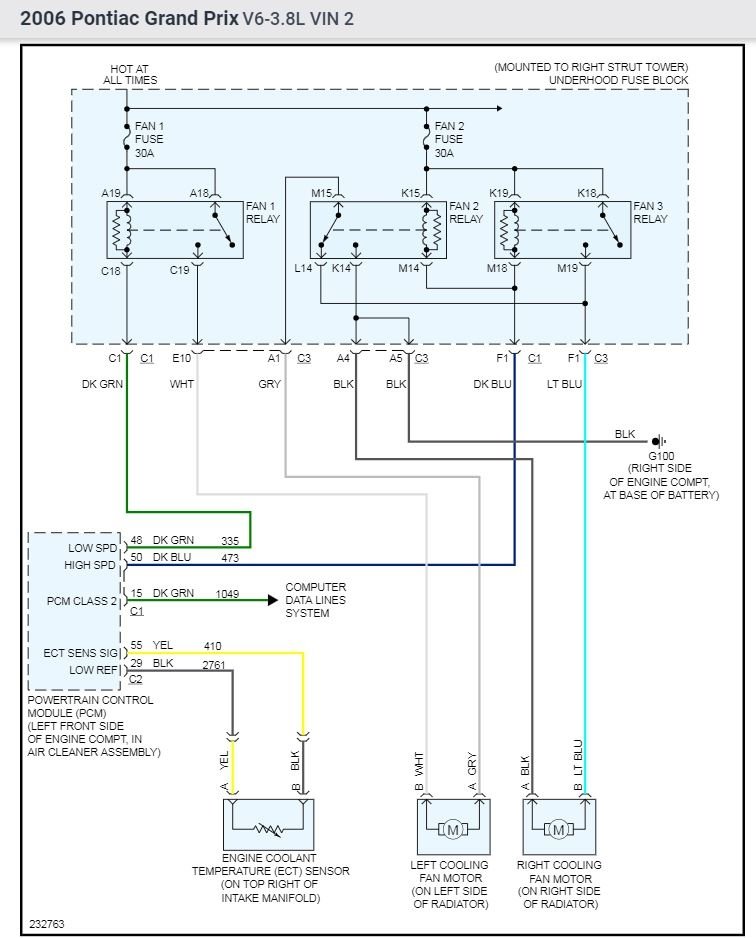
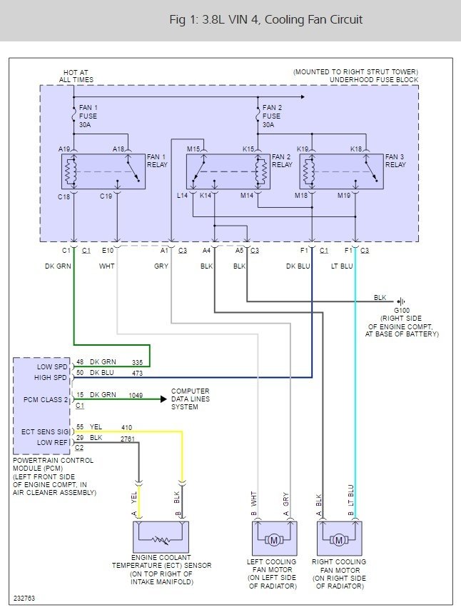
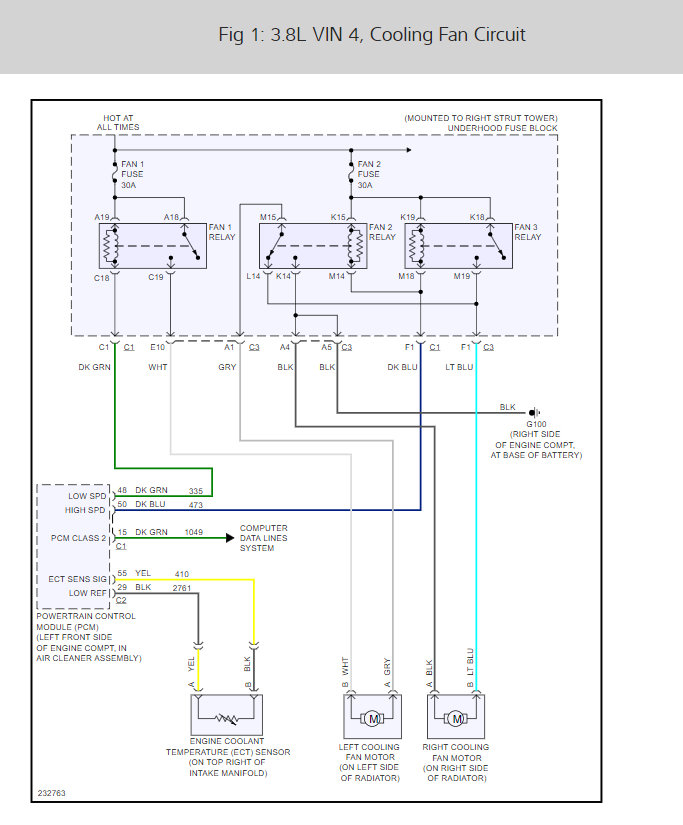
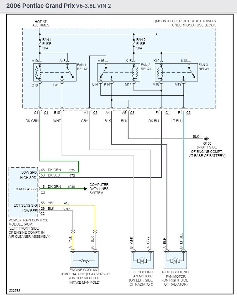
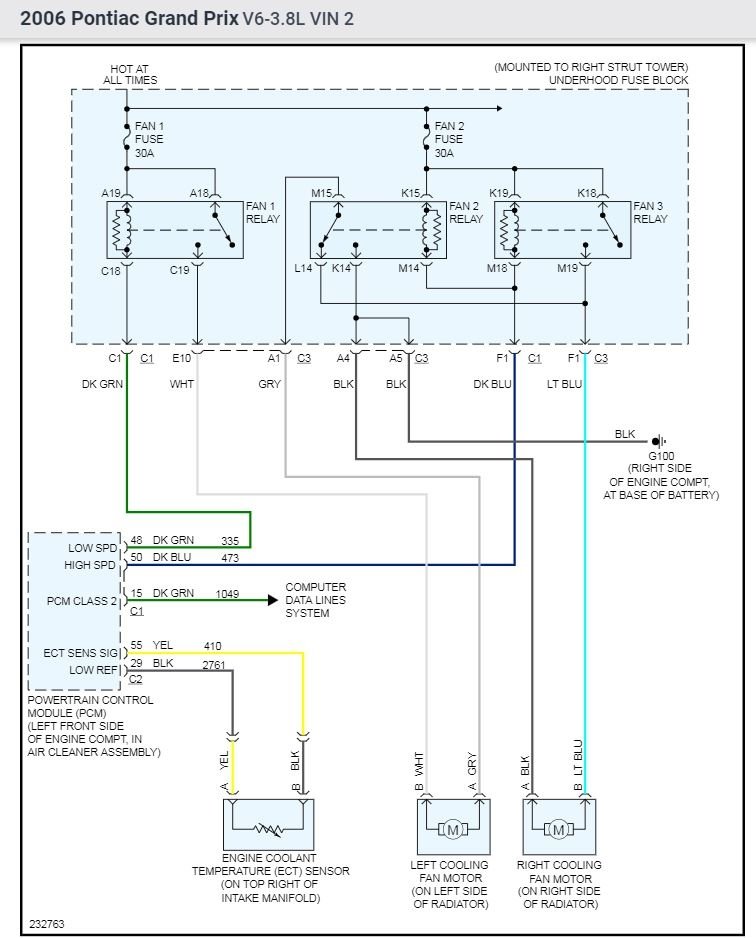
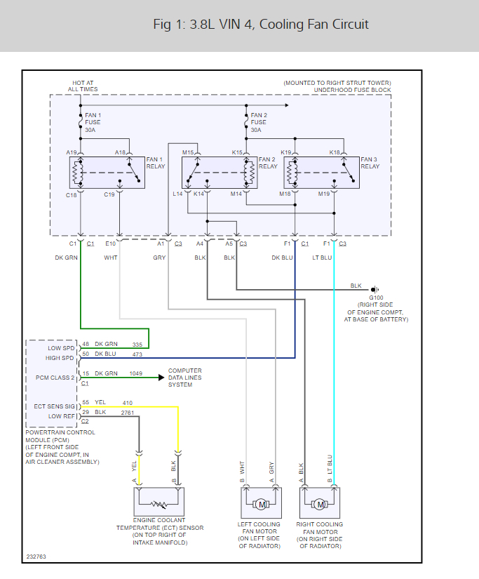
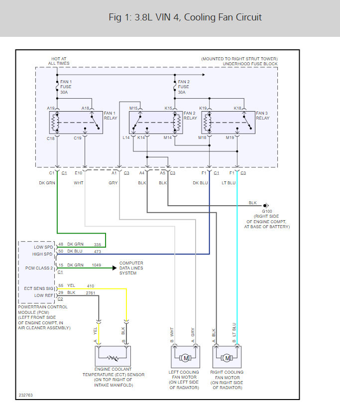
It sounds like a relay could be bad or a fuse, Here are some guides and the radiator fan wiring diagram (below)

https://www.2carpros.com/articles/how-to-check-a-car-fuse

and

https://www.2carpros.com/articles/how-to-use-a-test-light-circuit-tester

and

https://www.2carpros.com/articles/how-to-check-an-electrical-relay-and-wiring-control-circuit

Please run some tests and get back to us so we can continue helping you.

Cheers, Ken
Was this
answer
helpful?
Yes
No
-1
Tuesday, June 6th, 2017 AT 2:31 PM
Tiny
WILLCHIH
  • MEMBER
  • 1 POST
  • 2006 PONTIAC GRAND PRIX
  • 6 CYL
  • FWD
  • AUTOMATIC
  • 38,000 MILES
The cooling fans on my 2006 Gran Prix do not come on. What is up?
Was this
answer
helpful?
Yes
No
+2
Thursday, August 16th, 2018 AT 6:30 PM (Merged)
Tiny
MMPRINCE4000
  • MECHANIC
  • 8,548 POSTS
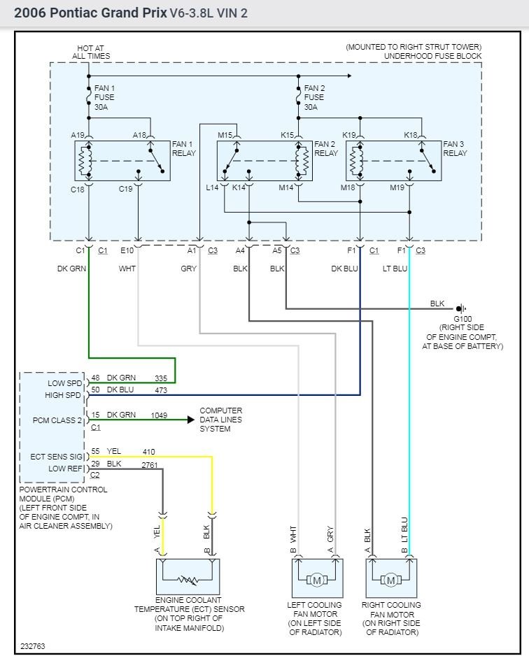
That could be either the fan relay or the fan motor itself. Follow the guides and wiring diagrams below to troubleshoot the problem.

https://www.2carpros.com/articles/how-to-check-an-electrical-relay-and-wiring-control-circuit

https://www.2carpros.com/articles/how-an-electric-cooling-fan-works

Please run down these guides and diagrams and report back.
Cheers
Was this
answer
helpful?
Yes
No
Thursday, August 16th, 2018 AT 6:30 PM (Merged)
Tiny
MRSLJBABLER
  • MEMBER
  • 7 POSTS
Thanks for the guides. Replaced the relay and it is working great again.
Was this
answer
helpful?
Yes
No
+4
Thursday, August 16th, 2018 AT 6:30 PM (Merged)
Tiny
HERSHEY
  • MEMBER
  • 2 POSTS
  • 2002 PONTIAC GRAND PRIX
  • 6 CYL
Hi! I have a 2002 Grand Prix 3.1 engine and the radiator cooling fans will not turn on. I have replaced the sensor that is located under the throttle body, checked the fuses and replaced the relays still they will not turn on. I also purchased the other sensor for it but I cannot find the location where it goes. Can you please help? Thanks
Was this
answer
helpful?
Yes
No
+1
Thursday, August 16th, 2018 AT 6:30 PM (Merged)
Tiny
RASMATAZ
  • MECHANIC
  • 75,992 POSTS
See below.
Was this
answer
helpful?
Yes
No
+1
Thursday, August 16th, 2018 AT 6:30 PM (Merged)
Tiny
HERSHEY
  • MEMBER
  • 2 POSTS
If I turn the AC on the fans will come on. Otherwise they do not come on at all. If I disconnect the sensor under the throttle body the fans come on automatically but then my temperature gauge does not work.
Was this
answer
helpful?
Yes
No
+2
Thursday, August 16th, 2018 AT 6:30 PM (Merged)
Tiny
BIGBOB
  • MEMBER
  • 1 POST
  • 2003 PONTIAC GRAND PRIX
  • 6 CYL
  • FWD
  • AUTOMATIC
Had the ect sensor and thermostat changed and the fan is still not coming on to cool the engine off. 2003 Pontiac Grand Prix SE 3.1L. What else could be the problem? Had the codes pulled up and they indicated that it was either fluid level, defective sensor and/or thermostat.
Was this
answer
helpful?
Yes
No
-1
Thursday, August 16th, 2018 AT 6:30 PM (Merged)
Tiny
RASMATAZ
  • MECHANIC
  • 75,992 POSTS
Test the cooling fan motor and the fan relay.
Was this
answer
helpful?
Yes
No
+1
Thursday, August 16th, 2018 AT 6:30 PM (Merged)
Tiny
ROGER1966
  • MEMBER
  • 5 POSTS
  • 2003 PONTIAC GRAND PRIX
  • 120,000 MILES
I have changed main relay for fans. It will work ok for a few day, then the relay burns out. Any help wounld be nice. Thanks
Was this
answer
helpful?
Yes
No
Thursday, August 16th, 2018 AT 6:30 PM (Merged)

Please login or register to post a reply.