Radiator Fans not working

Tiny
MHPAUTOS
  • MECHANIC
  • 31,937 POSTS
Check that the fan turns freely by hand, if the motor is firm or tight this can over heat and be a cause of the relay to fail.
Was this
answer
helpful?
Yes
No
Thursday, August 16th, 2018 AT 6:30 PM (Merged)
Tiny
JOSHM432
  • MEMBER
  • 6 POSTS
  • 2005 PONTIAC GRAND PRIX
  • 6 CYL
  • 2WD
  • AUTOMATIC
  • 97,000 MILES
I Replaced the thermostat, coolant, coolant switch and upstream 02 sensor because I was getting maybe 13 mpg hwy. My radiator fans will not come on I noticed recently and engine gets hot, also will shut off after idling at a stop. Fuse, relays, motors for the fans are okay a mechanic, not sure what the problem is?
Was this
answer
helpful?
Yes
No
Thursday, August 16th, 2018 AT 6:30 PM (Merged)
Tiny
JDL
  • MECHANIC
  • 16,098 POSTS
Check for applicable trouble codes, anything? What is the temperature gauge showing?
Was this
answer
helpful?
Yes
No
+1
Thursday, August 16th, 2018 AT 6:30 PM (Merged)
Tiny
JOSHM432
  • MEMBER
  • 6 POSTS
I have got two new trouble codes 0053 and 0030. Since the repairs the engine temperature gauge reflects that the temperature needle is at 60% of total engine heat. Months ago, before repairs were needed it was 40% or below. I just had these above codes given to me and at the same time I had my alternator checked. The auto parts guy said it is okay. Then he checked the battery and said it is 50% and will not hold a charge, this is when the car has been off. Not sure if he is accurate.
Was this
answer
helpful?
Yes
No
Thursday, August 16th, 2018 AT 6:30 PM (Merged)
Tiny
JDL
  • MECHANIC
  • 16,098 POSTS
I would have top check actual engine temperature in degrees. If those are P codes, it is for 02 heater circuit.

If the battery is down, we cannot do any testing. You either have to get it charged or get a new battery. Does the starter crank okay? If you use a digital multi-meter across battery posts, key and everything turned off, what is the reading?

With the work you have done on it, possible air in the cooling system?
Was this
answer
helpful?
Yes
No
Thursday, August 16th, 2018 AT 6:30 PM (Merged)
Tiny
JOSHM432
  • MEMBER
  • 6 POSTS
Wow, I just noticed I am still getting about 12 or 13 mpg hwy on my car, put in new engine air filter and full synthetic motor oil the other day I have to mention. Back to what we were talking about. It may be the 02 circuit, the battery is not down completely. I think having this original battery though is the reason for engine to shut off at stops during idle. Starter turns the car over fine every time. As for the radiator fans not working it is has to be the wires from the fans, which I think is odd or the heater circuit which I could actually check real quick before even doing the temperature gauge, so I think anyway? The fans not working do you think could be related at all to the battery is not holding its charge?
Was this
answer
helpful?
Yes
No
Thursday, August 16th, 2018 AT 6:30 PM (Merged)
Tiny
JDL
  • MECHANIC
  • 16,098 POSTS
With the engine running, the alternator should carry the load. Did you use jumpers to see if fan will run off the battery, for testing. You should use an inline fuse.

I would have to check voltage and ground circuit at the fan relay/s.
Was this
answer
helpful?
Yes
No
Thursday, August 16th, 2018 AT 6:30 PM (Merged)
Tiny
JOSHM432
  • MEMBER
  • 6 POSTS
I checked the fuse for the SIR sensor or 02 sensor, the fans as well and none are broke and just bought 2 alligator lead lines. I don't have a voltmeter. Does it mean anything if I just started the car up, disconnected the negative battery wire and the car still runs? Can I somehow test to see if the relays are good although I don't have a voltmeter?
Was this
answer
helpful?
Yes
No
Thursday, August 16th, 2018 AT 6:30 PM (Merged)
Tiny
JDL
  • MECHANIC
  • 16,098 POSTS
If taking the negative battery cable loose means anything, I do not know what? I would not take anything loose with the engine running. Without a voltmeter or test light, hard to do any testing.
Was this
answer
helpful?
Yes
No
Thursday, August 16th, 2018 AT 6:30 PM (Merged)
Tiny
JOSHM432
  • MEMBER
  • 6 POSTS
I found out that the Mass Air Flow sensor was bad, so I just had that replaced at a shop. They said the vehicle's computer though needs to be reprogrammed because that should fix the radiator fans. What's another name for the computer that controls the radiator fans? He also said (the mechanic) the car will still run pretty rough even though the MAF was replaced, but should help your 5mpg problem some. He referred me to the dealer for the computer issue. Because he said he can't reprogram the computer or replace it. I'm not sure if I should go to a dealer, I just called one and they want 130 dollars for one hour to look at it?
Was this
answer
helpful?
Yes
No
Thursday, August 16th, 2018 AT 6:30 PM (Merged)
Tiny
JDL
  • MECHANIC
  • 16,098 POSTS
Pcm controls the fan relays. A lot of places will charge 100 bucks just for the diagnostics, even if they don't fix it.
Was this
answer
helpful?
Yes
No
Thursday, August 16th, 2018 AT 6:30 PM (Merged)
Tiny
CHARLIE1229
  • MEMBER
  • 46 POSTS
  • 1998 PONTIAC GRAND PRIX
  • 170,000 MILES
We have a 1998 Pontiac Grand Prix. Cooling fans work when AC is on, but they will not turn on when engine gets to 230 degrees Fahrenheit without the AC on. We have swapped relays, changed the coolant temp sensor. Still no luck. Anything we are missing? We know the coolant 1 and coolant 2 relays are working because the fans come on with the AC. Not sure of the function of the other NO/NC relay.
Was this
answer
helpful?
Yes
No
Sunday, March 10th, 2019 AT 11:13 AM (Merged)
Tiny
SATURNTECH9
  • MECHANIC
  • 30,869 POSTS
Have you checked the coolant temp sensor yet?
Was this
answer
helpful?
Yes
No
+6
Sunday, March 10th, 2019 AT 11:13 AM (Merged)
Tiny
CHARLIE1229
  • MEMBER
  • 46 POSTS
Yes I have already replaced it
Was this
answer
helpful?
Yes
No
Sunday, March 10th, 2019 AT 11:13 AM (Merged)
Tiny
SATURNTECH9
  • MECHANIC
  • 30,869 POSTS
What colors were the wires going to it?
Was this
answer
helpful?
Yes
No
+1
Sunday, March 10th, 2019 AT 11:13 AM (Merged)
Tiny
WRENCHTECH
  • MECHANIC
  • 20,761 POSTS
Let me jump in here.

Your car is responding exactly the way it was designed to. It was programmed to come on at 230 without A/C

Here is a description of the circuit from the service manual

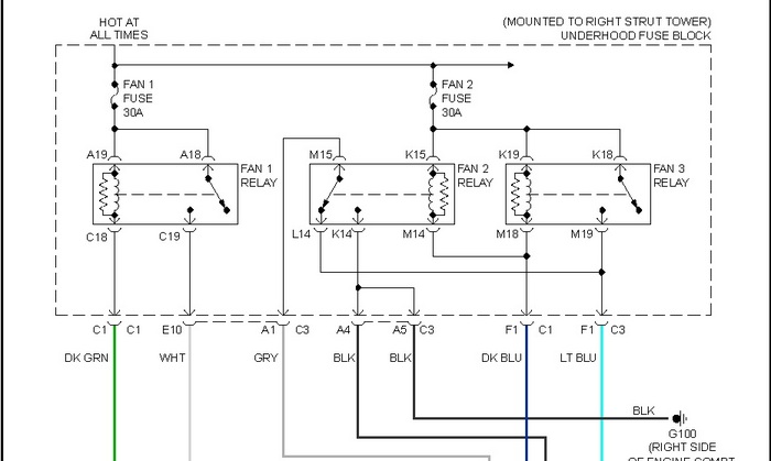
ELECTRIC ENGINE COOLING FAN AND RELAY
These vehicles use 2,360 mm (14.2 inch) cooling fans to aid air flow through the radiator. Electric motors drive the cooling fans. These motors are attached to the radiator. Motor size varies with each engine option.
A coolant temperature switch activates the fan motors. This switch regulates voltage to the cooling fan relay. This switch operates the fan whenever the engine coolant temperature exceeds 11O°C (230°F). For location and diagnosis, refer to Diagrams. A transducer can also activate the circuit, depending on the A/C compressor head pressure going to the condenser.
The engine cooling fan relays provide the high current required for the cooling fan motors using a low current signal coming from the Powertrain Control Module (PCM). This signal is a function of various inputs.
Refer to Diagrams for further information and diagnosis of the cooling fan relay.
Was this
answer
helpful?
Yes
No
+2
Sunday, March 10th, 2019 AT 11:13 AM (Merged)
Tiny
VINNIE MAC
  • MEMBER
  • 1 POST
  • 1994 PONTIAC GRAND PRIX
Engine Cooling problem
1994 Pontiac Grand Prix 6 cyl Automatic 123000 miles

my cooling fans are not working and my car's thermostat is indicating that it is hot. What can possibly cause my fans to not work? Can it be my fuses and what will happen to my car if I continue to drive like that? What do you suggest I do and what must I check to confirm the problem a-z
Was this
answer
helpful?
Yes
No
Sunday, March 10th, 2019 AT 11:13 AM (Merged)
Tiny
RASMATAZ
  • MECHANIC
  • 75,992 POSTS
Direct battery voltage to the fan motor if its comes on-start checking the fuse/relay/coolant temperature sensor/sender to include the thermostat.

Stop driving it you might end up with major damage.
Was this
answer
helpful?
Yes
No
Sunday, March 10th, 2019 AT 11:13 AM (Merged)
Tiny
SATURNTECH9
  • MECHANIC
  • 30,869 POSTS
Thanks for the jump in wrenchtech.
Was this
answer
helpful?
Yes
No
Sunday, March 10th, 2019 AT 11:13 AM (Merged)
Tiny
WRENCHTECH
  • MECHANIC
  • 20,761 POSTS
No problem. Happy Holidays
Was this
answer
helpful?
Yes
No
Sunday, March 10th, 2019 AT 11:13 AM (Merged)

Please login or register to post a reply.