Overheating

Tiny
THEVIL8ER
  • MEMBER
  • 2006 CADILLAC DEVILLE DTS
  • 4.9L
  • V8
  • 2WD
  • AUTOMATIC
  • 150,000 MILES
Replaced thermostat and fans. Relays are all good and radiator flows, and waterproof does not leak. Heater does not work, and fan (1) comes on with A/C turned on.
Wednesday, March 23rd, 2022 AT 11:01 AM

4 Replies

Tiny
KASEKENNY
  • MECHANIC
  • 18,907 POSTS
Okay. Do the engine fans run or are they not running causing overheating?

https://www.2carpros.com/articles/engine-overheating-or-running-hot

Or are the fans running but the engine still overheats?

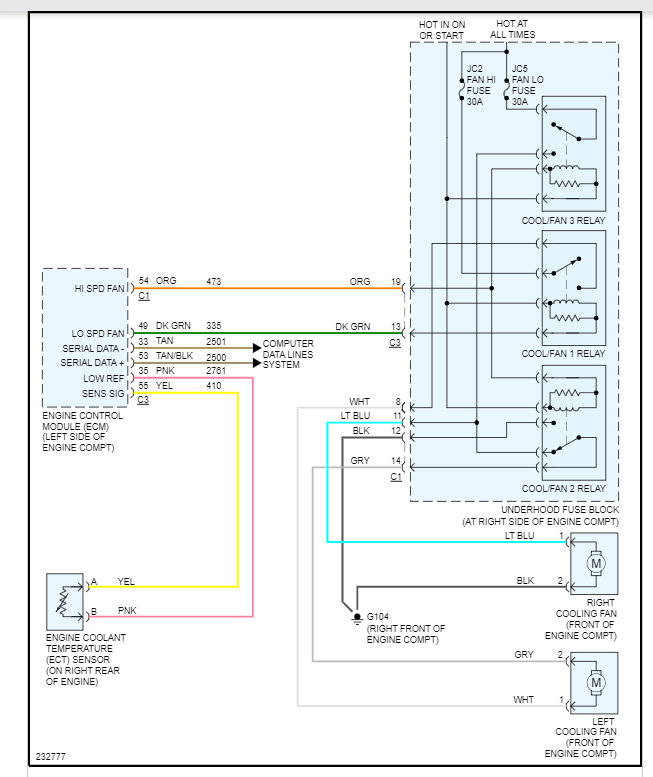
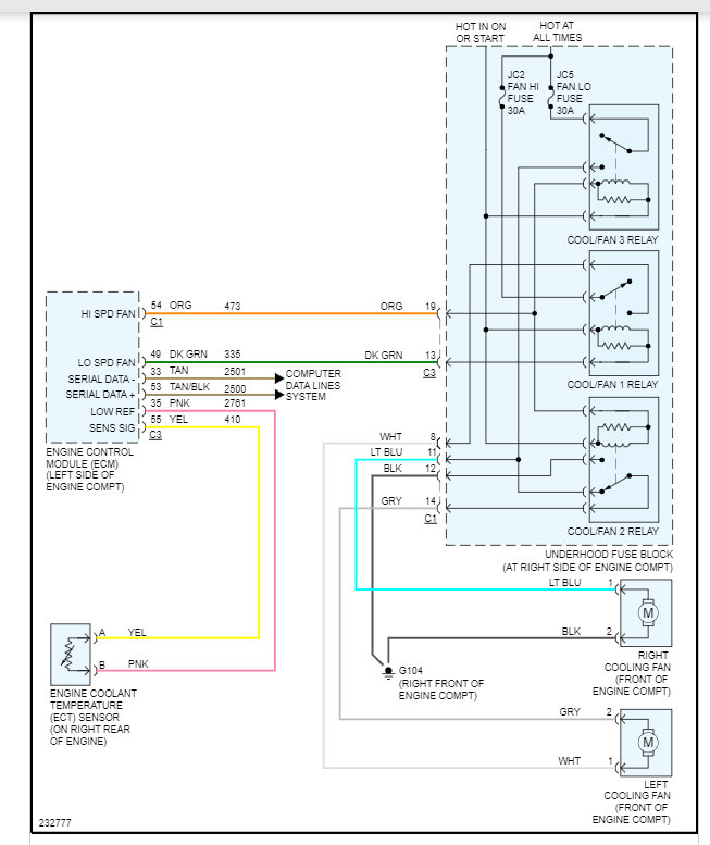
The way I understand this is the fans are not running but the left cooling fan runs when the AC is on. If that is the case, then we need to find out if they are getting power.

If they are not getting power, then we need to jump the relay and find out if they come on.

I am attaching the wiring diagram below which will help with doing this.

https://www.2carpros.com/articles/how-to-check-wiring

https://www.2carpros.com/articles/how-to-check-an-electrical-relay-and-wiring-control-circuit

So, if the fans are not coming on, we need to find out if the PCM is commanding them on. You should be getting a ground signal on the low speed at first and then switch to the high-speed circuit.

So, we need to check the ground on these circuits.

Let's run through this info and we can go from there.

Thanks
Was this
answer
helpful?
Yes
No
+1
Wednesday, March 23rd, 2022 AT 5:30 PM
Tiny
JACOBANDNICKOLAS
  • MECHANIC
  • 110,192 POSTS
Hi,

Was the heater an issue prior to the overheating? If not, it sounds like there could be air in the cooling system.

Also, is there any damage to the front of the vehicle that could prevent proper airflow? Do the cooling fans turn on when the engine is too hot? By any chance, was a traditional green coolant mixed with the original Dex-cool coolant?

Do me a favor. I attached diagnostics below. They explain how to diagnose an overheating issue. Many of the things listed, you have done. However, there are others that may be helpful. Take a look through them and let me know if they help.

Also, pic 3 provides the coolant filling procedure. The last pic shows the air deflector under the front of the vehicle. Make sure it is attached and not damaged.

Let me know what you find.

Joe

See pics below.
Was this
answer
helpful?
Yes
No
+1
Wednesday, March 23rd, 2022 AT 5:41 PM
Tiny
THEVIL8ER
  • MEMBER
  • 2 POSTS
No damage to the front, purchased car used, heater did not work. Fans come on when A/C turned on. Coolant is green, mostly water.
Was this
answer
helpful?
Yes
No
Thursday, March 24th, 2022 AT 9:50 PM
Tiny
JACOBANDNICKOLAS
  • MECHANIC
  • 110,192 POSTS
Does it appear as though the green coolant may have been mixed with the OEM Dexcool? That can cause issues. Also, does it overheat at highway speed or just in-town driving?

Also, was Kenny accurate with his understanding mentioned above?

Let us know.

Joe
Was this
answer
helpful?
Yes
No
Friday, March 25th, 2022 AT 11:58 AM

Please login or register to post a reply.