My Engine is Overheating?

Tiny
GARY REED
  • MEMBER
  • 2008 CHRYSLER SEBRING
  • 2.7L
  • 6 CYL
  • 2WD
  • AUTOMATIC
  • 148,000 MILES
After I drive about twenty miles it wants to overheat.
Tuesday, August 28th, 2018 AT 12:03 PM

36 Replies

Tiny
JACOBANDNICKOLAS
  • MECHANIC
  • 110,192 POSTS
Hi and thanks for using 2CarPros.com.

Overheating can be the result of a few different things. Make sure the coolant level is full and the cooling fan is turning on to help cool the engine when it begins to exceed normal operating temperature on the gauge. If it is, I would next recommend that you flush the cooling system and replace the thermostat. Here are general directions for this process and a link that discusses the system:

https://www.2carpros.com/articles/engine-cooling-system

https://www.2carpros.com/articles/coolant-flush-and-refill-all-cars

https://www.2carpros.com/articles/how-an-engine-thermostat-works

https://www.2carpros.com/articles/replace-thermostat

___________________________________

If you decide to flush the system and replace the thermostat, here are directions specific to your vehicle. All attached pictures correlate to these directions:

___________________________________ Removal

1. Disconnect negative cable from remote jumper terminal.

2. Drain cooling system. Refer to See: Cooling System > Procedures

3. Raise vehicle on hoist.

4. Remove right front wheel and belt splash shield.

5. Remove accessory drive belts. Refer to See: Drive Belt > Service and Repair

6. Remove lower generator mounting bolt.

7. Lower vehicle.

8. Disconnect generator electrical connectors.

9. Disconnect A/C clutch and AC pressure sensor electrical connectors. Reposition wiring harness.

10. Remove oil dipstick and tube. Plug hole in oil pan where dipstick tube mounts with water tight stopper.

WARNING: If hole for dipstick tube in oil pan is not plugged, coolant will enter oil pan. Serious engine damage can occur.

11. Remove remaining generator mounting bolts. Remove generator.

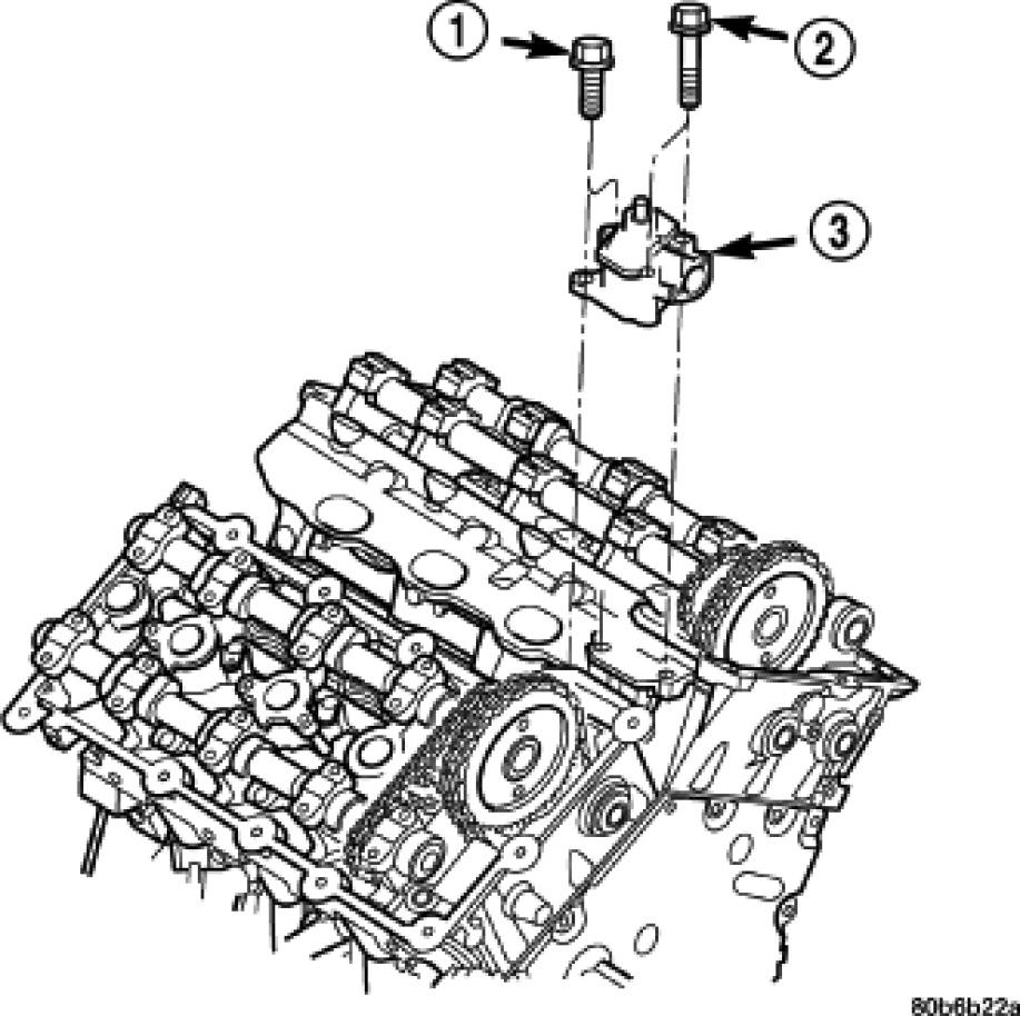
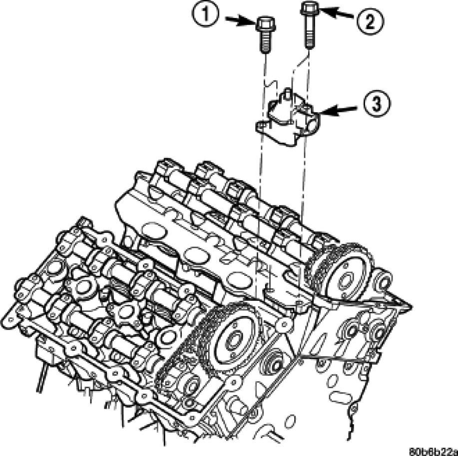
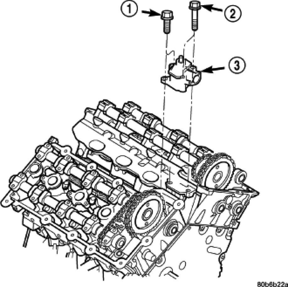
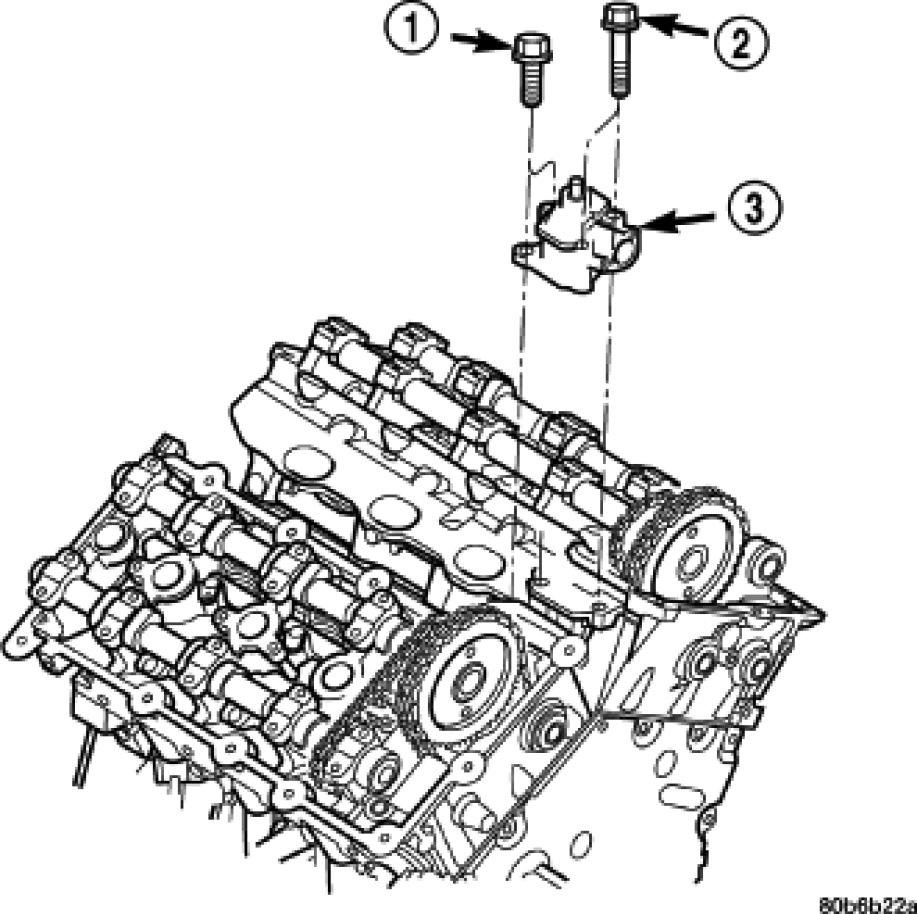
12. Remove radiator hose tube mounting bolt (3).

13. Disconnect hose clamps (1) at thermostat housing.

14. Remove thermostat housing bolts.

15. Remove thermostat and housing.

__________________________ Install

1. Clean gasket sealing surfaces.

Note: Install thermostat with the bleed valve located at the 12 o'clock position.

2. Install the thermostat and gasket into the thermostat housing.

3. Install thermostat and housing to cylinder block. Tighten attaching bolts to 12 Nm (105 in.lbs).

4. Install radiator hose tube (2) to thermostat and housing. Connect hose clamps (1) at thermostat housing. Install radiator hose tube mounting bolt (3).

5. Install generator and attaching bolts.

CAUTION: Before removing plug in oil pan, clean residual coolant from area.

6. Remove plug in oil pan and install engine oil dipstick tube.

7. Reconnect AC clutch and AC pressure sensor connectors.

8. Reconnect generator connectors.

9. Raise vehicle on hoist.

10. Install accessory drive belts. Refer to See: Drive Belt > Service and Repair

11. Install belt splash shield and right front wheel.

12. Lower vehicle.

13. Reconnect negative battery cable.

14. Fill cooling system. Refer to See: Cooling System > Procedures

______________________________Refilling the system

Cooling System Filling - 2.7L

Note: Drain-cock should be hand tightened only.

Note: It is imperative that the cooling system air bleed valve be opened before any coolant is added to the cooling system. Failure to open the bleed valve first will result in an incomplete fill of the system.

1. Close radiator draincock by turning clockwise.
2. Open cooling system bleed valve.
3. Attach a 6.35 mm (0.250 in.) inside diameter clear hose that is 120.0 cm (48 in.) long to the bleed valve. Route the hose away from accessory drive belts and radiator fan. Position the other end of hose into a clean collecting container. The hose will prevent coolant from contacting accessory drive belts and other components.
4. Remove cooling system pressure cap. Attach Filling Aid Funnel 8195, to coolant pressure container filler neck.
5. Use the supplied clip to pinch overflow hose that connects between the two chambers of the pressure container.
6. Pour coolant into the larger section of Filling Aid Funnel (the smaller section of funnel is to allow air to escape).
7. Slowly continue filling until a steady stream of coolant flows from attached hose on bleed valve.
8. Close bleed valve and continue filling system to top of Filling Aid Funnel. DO NOT overtighten. Tighten to 12.4 Nm (110 lbs. in.).
9. Remove clip from overflow hose.
10. Allow coolant in Filling Aid Funnel to drain into overflow chamber of pressure container.
11. Remove Filling Aid Funnel 8195 and install pressure cap on pressure container.
12. Remove hose from bleed valve.
13. Start engine and allow to run until thermostat opens and radiator fans cycle.

Note: If the engine cooling system overheats and pushes coolant into the overflow chamber of the pressure container, this coolant will be drawn back into the cooling system Only if the pressure cap is left on the pressure container. Removing the pressure cap breaks the vacuum path between the two chambers of the pressure container and the coolant will not return to the cooling system. The engine cooling system will push any remaining air into the pressure container within about one half hour of normal driving. As a result, a drop in coolant level in the pressure container may occur.

14. Shut off engine and allow it to cool down. This permits coolant to be drawn into the pressure chamber.
15. With engine cold observe coolant level in pressure chamber. Coolant level should be within MIN and MAX marks. Adjust coolant level as necessary

Let me know if this helps.

Take care,
Joe
Was this
answer
helpful?
Yes
No
-1
Wednesday, August 29th, 2018 AT 6:43 PM
Tiny
JOHN1776
  • MEMBER
  • 7 POSTS
  • 2007 CHRYSLER SEBRING
  • 2.7L
  • 6 CYL
  • FWD
  • AUTOMATIC
  • 96,000 MILES
I have been off the wrenches for a decade. This motor was new when I left, but a known problem.

Having problems with overheating, just got it.
Heads seem to test fine. Was told water pump was replaced. I just did thermostat, read cap, and bleed.
Runs right at middle on gauge. Fans on low. Drive and let idle for about an hour. No overheat, at this moment.
Any advice about average operating temperature? I am in central Florida. If it is still too hot, any ideas?
Thanks in advance.
Was this
answer
helpful?
Yes
No
Saturday, September 26th, 2020 AT 10:08 AM (Merged)
Tiny
HMAC300
  • MECHANIC
  • 48,601 POSTS
Remember the system is pressurized first off. Average temperature should be in 195-210 with a 195 stat in it. But a lot of auto gauges are notoriously off so use a infra red one from auto parts on top hose if it goes above 230 -250 then it is a problem.
Was this
answer
helpful?
Yes
No
Saturday, September 26th, 2020 AT 10:08 AM (Merged)
Tiny
JOHN1776
  • MEMBER
  • 7 POSTS
I will check. Thanks.
Was this
answer
helpful?
Yes
No
Saturday, September 26th, 2020 AT 10:08 AM (Merged)
Tiny
JOHN1776
  • MEMBER
  • 7 POSTS
Have now driven vehicle. A/C cool, low cooling fan is on. High came on while car was sitting, but only for a minute period. Gauge is at half way, maybe just slightly above. Seems half while driving. Nervous about driving it due to aluminum block. I know they have head gasket issues, cannot afford that right now. Will check house temperature Saturday when I get home from TOD. Anything else I should check. My Isuzu runs C to 1/4, my daughter's Saturn Ion about 1/4 - 1/2, my 440 runs around 180 give or take. Any recommendations appreciated. My wife's car, cannot leave her stranded. Add extra push fan?

Thanks again.
Was this
answer
helpful?
Yes
No
Saturday, September 26th, 2020 AT 10:08 AM (Merged)
Tiny
JOHN1776
  • MEMBER
  • 7 POSTS
Is there more than one thermostat? Do not remember this engine having two, but see posts stating there are. If so, where is the other one?
Was this
answer
helpful?
Yes
No
Saturday, September 26th, 2020 AT 10:08 AM (Merged)
Tiny
ELBACOLLINS
  • MEMBER
  • 1 POST
  • 2007 CHRYSLER SEBRING
  • 4 CYL
  • AUTOMATIC
  • 179,000 MILES
Losing water in the radiator. Fill up radiator with water seems to run okay. But water had to be replaced every 2days or so. Had hoses, thermostat, radiator checked could not find a leak. Gauge seems to always stay at mid position. Can runs fine, but when idling seems like steam comes from under the hood by the right front of the hood by the windshield. What can it be?
Was this
answer
helpful?
Yes
No
Saturday, September 26th, 2020 AT 10:08 AM (Merged)
Tiny
CARADIODOC
  • MECHANIC
  • 34,463 POSTS
The radiator is under the front of the hood. The heater hoses are under the rear of the hood under the windshield. Either of those could have a leak. Also, there could be a leaking radiator hose, engine block core plug, or water pump. You'll have to look for where the steam is coming from. If possible, post a photo of the location.
Was this
answer
helpful?
Yes
No
Saturday, September 26th, 2020 AT 10:08 AM (Merged)
Tiny
KEN L
  • MASTER CERTIFIED MECHANIC
  • 55,281 POSTS
Hello,

There is only one thermostat at the lower hose. It sounds like it is running normal. Try to check the heat at the upper radiator hose.

https://www.2carpros.com/articles/how-to-use-an-infrared-temperature-meter

Please let us know what happens, we are interested to see what it is.

Cheers, Ken

Was this
answer
helpful?
Yes
No
Saturday, September 26th, 2020 AT 10:08 AM (Merged)
Tiny
JOHN1776
  • MEMBER
  • 7 POSTS
Will do Ken, thanks. By the way this site is great :)
Was this
answer
helpful?
Yes
No
Saturday, September 26th, 2020 AT 10:08 AM (Merged)
Tiny
KEN L
  • MASTER CERTIFIED MECHANIC
  • 55,281 POSTS
We are glad you like it. I like it too :)
Was this
answer
helpful?
Yes
No
Saturday, September 26th, 2020 AT 10:08 AM (Merged)
Tiny
JOHN1776
  • MEMBER
  • 7 POSTS
So update. No access to an infrared thermometer. Drive car for a bit. Only a little over 1/2 gauge.
Wife drove and stated the following.
(Interstate driving) With AC on high car started to get hot and at 3/4 gauge. Turned on heat and went to half and was fine. Later, drove with AC @ 1 and vehicle was at half and fine the whole trip. Even went through a drive through.
I'm at a loss. Any recommendations? Sell it?
Thanks.
Was this
answer
helpful?
Yes
No
Saturday, September 26th, 2020 AT 10:08 AM (Merged)
Tiny
KEN L
  • MASTER CERTIFIED MECHANIC
  • 55,281 POSTS
The car might be fine, is it overheating or the gauge says its hot? Really need the infrared to see.

https://www.2carpros.com/articles/engine-overheating-or-running-hot

Please let us know what happens.

Cheers, Ken
Was this
answer
helpful?
Yes
No
Saturday, September 26th, 2020 AT 10:08 AM (Merged)
Tiny
JOHN1776
  • MEMBER
  • 7 POSTS
Actually overheats. No access to a thermometer. Checked parts store and they dont have one.
Was this
answer
helpful?
Yes
No
Saturday, September 26th, 2020 AT 10:08 AM (Merged)
Tiny
KEN L
  • MASTER CERTIFIED MECHANIC
  • 55,281 POSTS
If it overheats then no need for one. Lets check for a blown head gasket . Here is a couple of guides that can help confirm the problem.

https://www.2carpros.com/articles/head-gasket-blown-test

and

https://www.2carpros.com/articles/engine-overheating-or-running-hot

You can get anything you need from Amazon.

https://www.amazon.com/OEMTOOLS-27145-Block-Tester/dp/B004FELK6A

Please run this test and get back to us we are interested to see what it is.

Cheers, Ken

Was this
answer
helpful?
Yes
No
Saturday, September 26th, 2020 AT 10:08 AM (Merged)
Tiny
JAY RODRIGUEZ
  • MEMBER
  • 3 POSTS
  • 2007 CHRYSLER SEBRING
  • 160,000 MILES
My car is still overheating after changing the pump and the stats new coolant fluid also didn't not over heat when I notice the temp was going up I went ahead and stopped quick waited for it to cool off and then left again this time I turned on the heater on high to keep it running cool and the a/c works really good as well. Do this cars can be purge or im I missing something, please help! Oh and for sure I will donate 20 or more I promise I just have spent some money and no one has helped but I will donate that much or more if this works please help me out I am not seeking free things just trying to fix the car when I know the pepboys I took it to for diagnose work said I needed a head gasket I don't believe them cause everyone in there where being told the same thing, one poor lady showed up with the work done and still overheating on a dodge truck poor lady. Sorry about all this just wanted you all to know how hard to find good help. Thank you
Was this
answer
helpful?
Yes
No
Saturday, September 26th, 2020 AT 10:09 AM (Merged)
Tiny
ASEMASTER6371
  • MECHANIC
  • 52,796 POSTS
If you have them do a leak down test, that will confirm you do not have a bad head gasket. Assuming it is ok, then you may have a clogged radiator.

Roy
Was this
answer
helpful?
Yes
No
Saturday, September 26th, 2020 AT 10:09 AM (Merged)
Tiny
JAY RODRIGUEZ
  • MEMBER
  • 3 POSTS
Mr Roy,
They had no response when I asked them questions about it the indicator fluid the poored in it couldn't tell me where they made that call. The only thing they said is that they checked the fluids for fumes but no signs on the oil or bubbles in there you think that car has a purge somewhere in there
Was this
answer
helpful?
Yes
No
Saturday, September 26th, 2020 AT 10:09 AM (Merged)
Tiny
ASEMASTER6371
  • MECHANIC
  • 52,796 POSTS
Ok, a leak down test is where they remove the spark plugs and inert shop air into the cylinder and see if the coolant moves in the rad. If it does, you have head gasket issues. If not then all is ok and you need to have the rad flow tested.

Roy
Was this
answer
helpful?
Yes
No
Saturday, September 26th, 2020 AT 10:09 AM (Merged)
Tiny
JAY RODRIGUEZ
  • MEMBER
  • 3 POSTS
Roy
I found the problem it was the stat they sold me the wrong one. I bought it at a autoparts store well note to everyone out there, they don't carry it you need to go to the dodge auto parts. And also there are 2 in there a short one and a long one. I went ahead and changed both and also the housing where they are located. Afther 1500 that a shop wanted to charge me I went ahead and spent a little more on it for the long run. Trust me ppl do the smallest things first before the head gasket it could save you a lot of money. I did call the shop and told them well after I told them what I did and found out that the head gasket was ok they are giving me my money back. I just feel for the lady that was there and spent about 3000 to get her head gaskets done and she went back cause her car was still over heating and I just heard the guy when he was talking to her was a lot of lies poor lady. So now I am sure she is going to spend another 3000 and more for her car to get fixed seemed like everyone there had a head gasket problem first clue to get out of there. I know a little about working on cars so that helped me not to believe them. Ppl out there please do the smaller work like hoses, stats, things like that even the pump check those out before doing the head gasket, check the smaller and cheaper parts first.
Thanks to this website and the ppl that help out here. I do feel sorry for the lady that was there she spent a lot of money and still had a over heating problem after getting the heads done I guess it turns out she probably had the same problem.

Thanks Roy and 2carpros, you replied fast ans thanks for that.
Was this
answer
helpful?
Yes
No
Saturday, September 26th, 2020 AT 10:09 AM (Merged)

Please login or register to post a reply.