Outside fuses

Tiny
SHANNON SELLERS
  • MEMBER
  • 1996 FORD RANGER
  • 2.3L
  • 4 CYL
  • 2WD
  • MANUAL
  • 2,000,000 MILES
Where are all the fuse wires connected to the truck?
Thursday, December 14th, 2017 AT 7:42 PM

1 Reply

Tiny
STEVE W.
  • MECHANIC
  • 15,671 POSTS
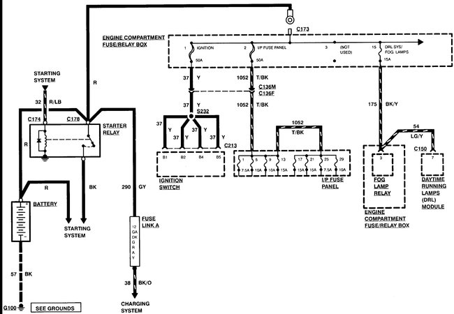
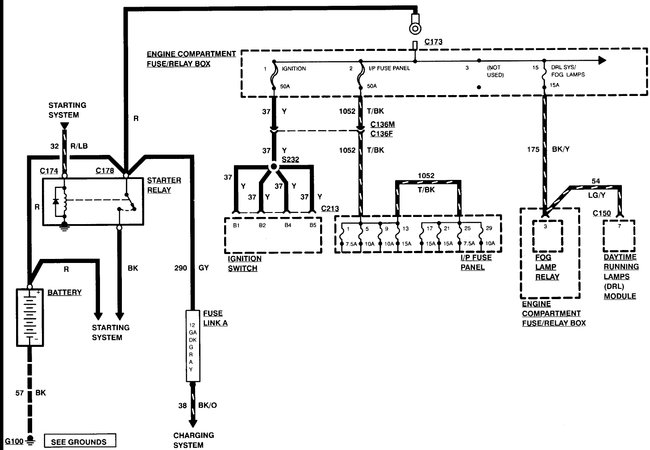
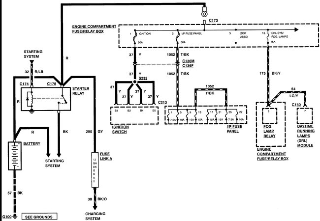
If you mean the fusible link, it is in the cable that runs from the starter to the back of the alternator.
Then you have the engine compartment fuse and relay box. That box feeds some items directly as well as feeding power to the fuse panel inside at the instrument panel.

What is the issue you are having?
Was this
answer
helpful?
Yes
No
Friday, December 15th, 2017 AT 6:48 PM

Please login or register to post a reply.