Tuesday, May 12th, 2020 AT 1:55 PM
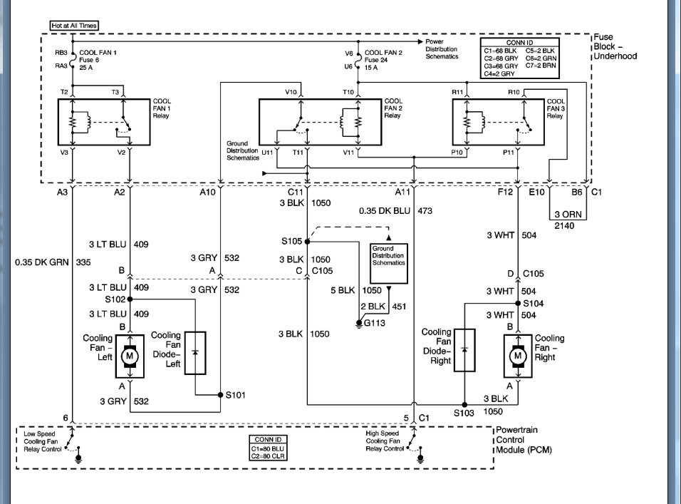
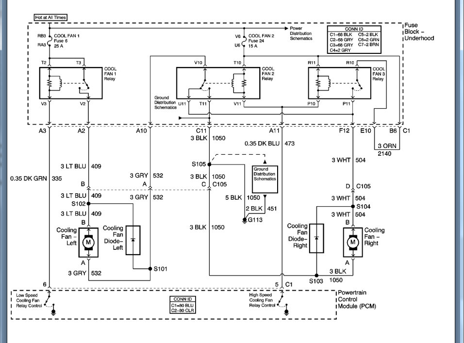
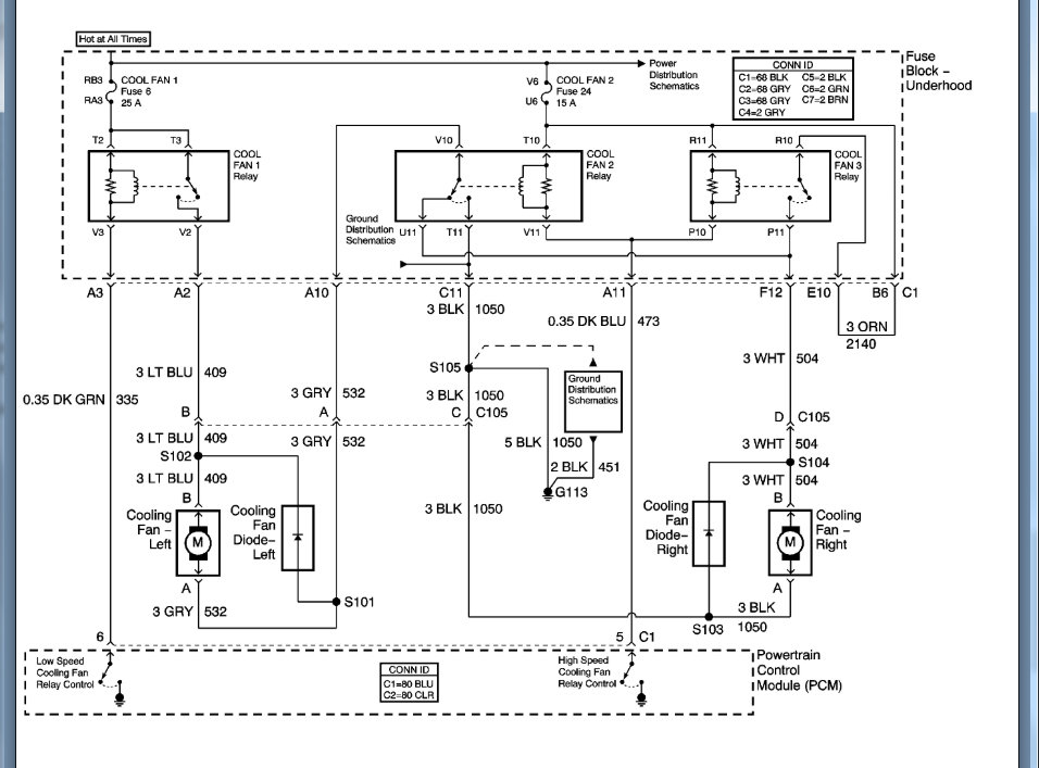
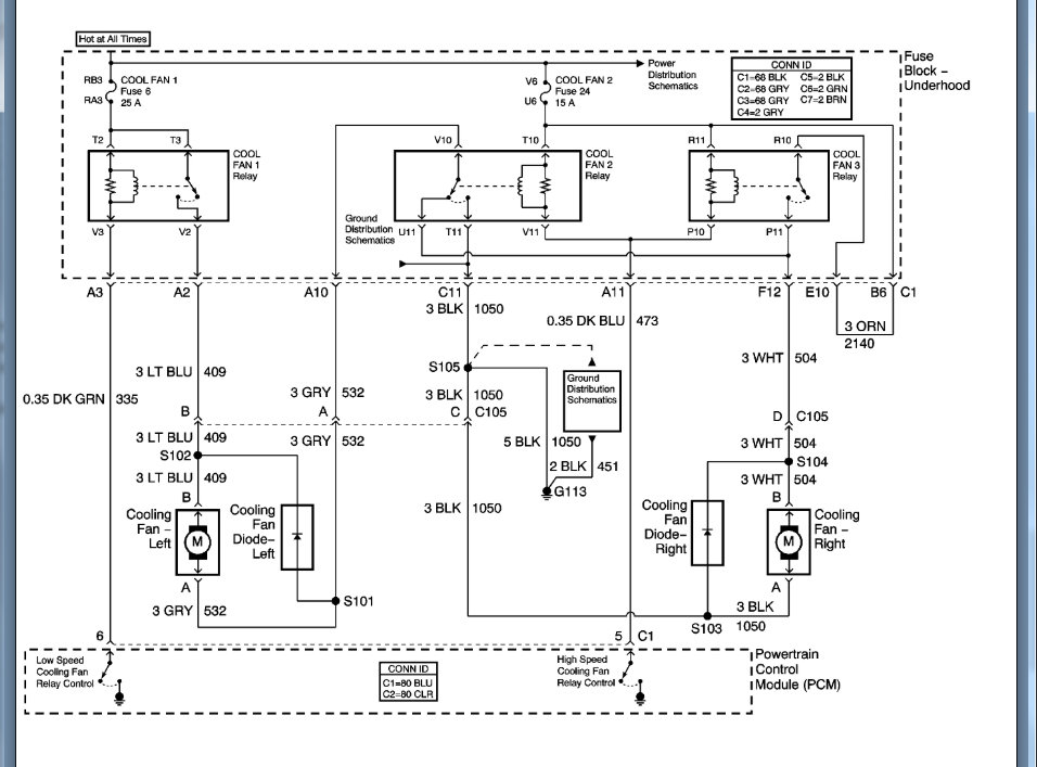
Just recently replaced the head gaskets (overheating blew gasket), temperature sensor, both fan motors, heater core and the radiator. Driver side fan kicks on just after coolant starts boiling and passenger side weakly tries to start but can't go as fast. I've checked all fuses and relays related to the fans and they're all good, max A/C should kick on passenger side but doesn't. I need advice and things to check.





