Tachometer, speedometer and A/C not working

Tiny
JOIHN CONOLY
  • MEMBER
  • 2001 CHEVROLET SUBURBAN
  • 5.3L
  • V8
  • 2WD
  • AUTOMATIC
  • 200,000 MILES
A/C control panel stopped working and so did most of my cluster, no rpm, s no mph, no gas.
Wednesday, June 30th, 2021 AT 4:28 PM

1 Reply

Tiny
KASEKENNY
  • MECHANIC
  • 18,907 POSTS
It is unlikely that these are related so can you clarify if these happened at the same time? Did it happen when you were driving the vehicle or did you just come out one morning and they were not working?

The best way to try and figure these out is to pick one system and fix that and if that fixes both then that is just a bonus.

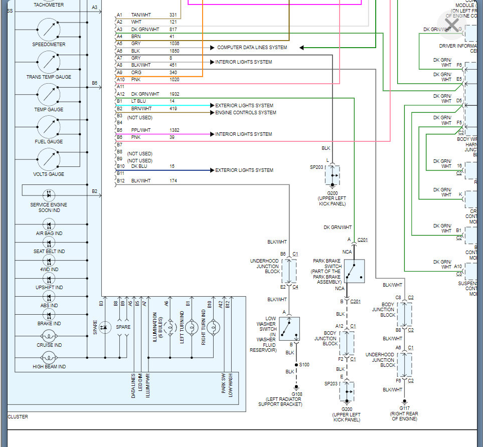
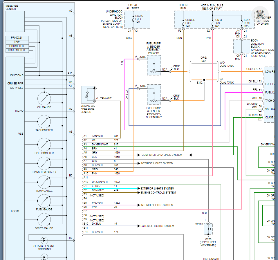
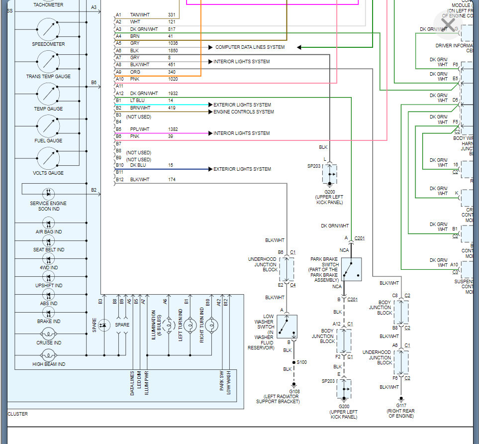
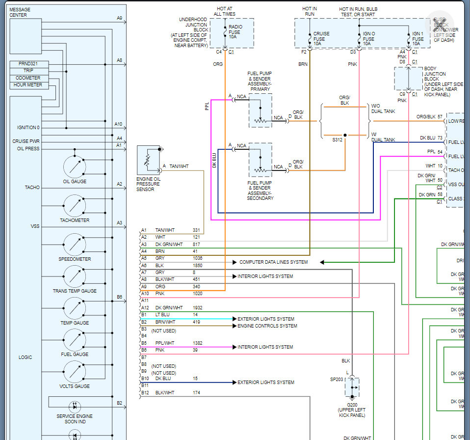
I would suggest we pick the HVAC control module and check all the fuses then power and ground to the module. If you have this then I suspect the module is the issue.

Here is a guide that will help with this:

https://www.2carpros.com/articles/how-to-check-wiring

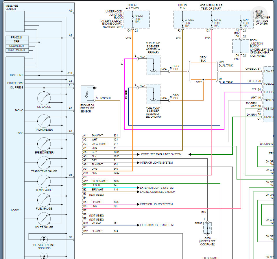
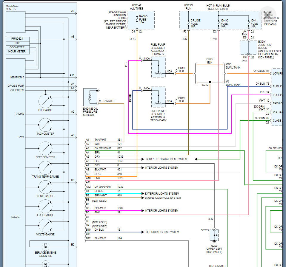
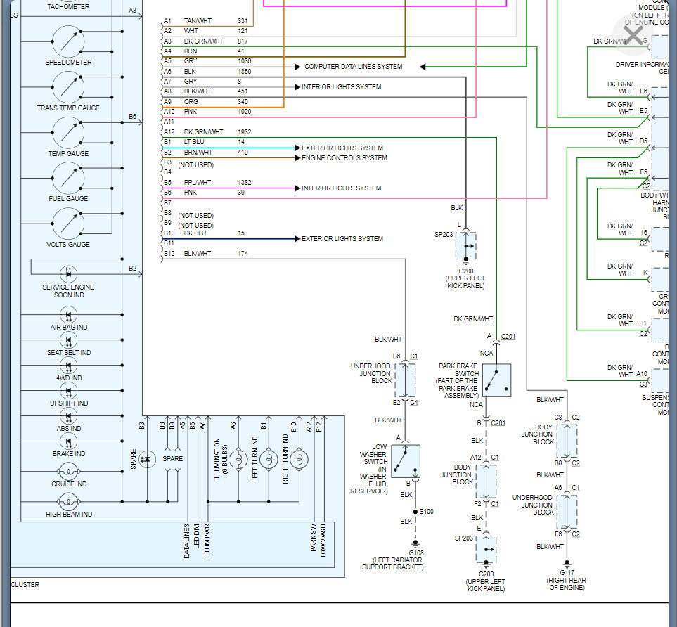
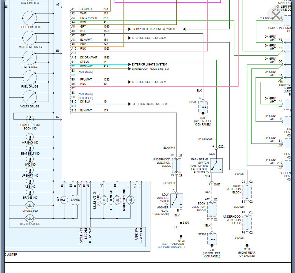
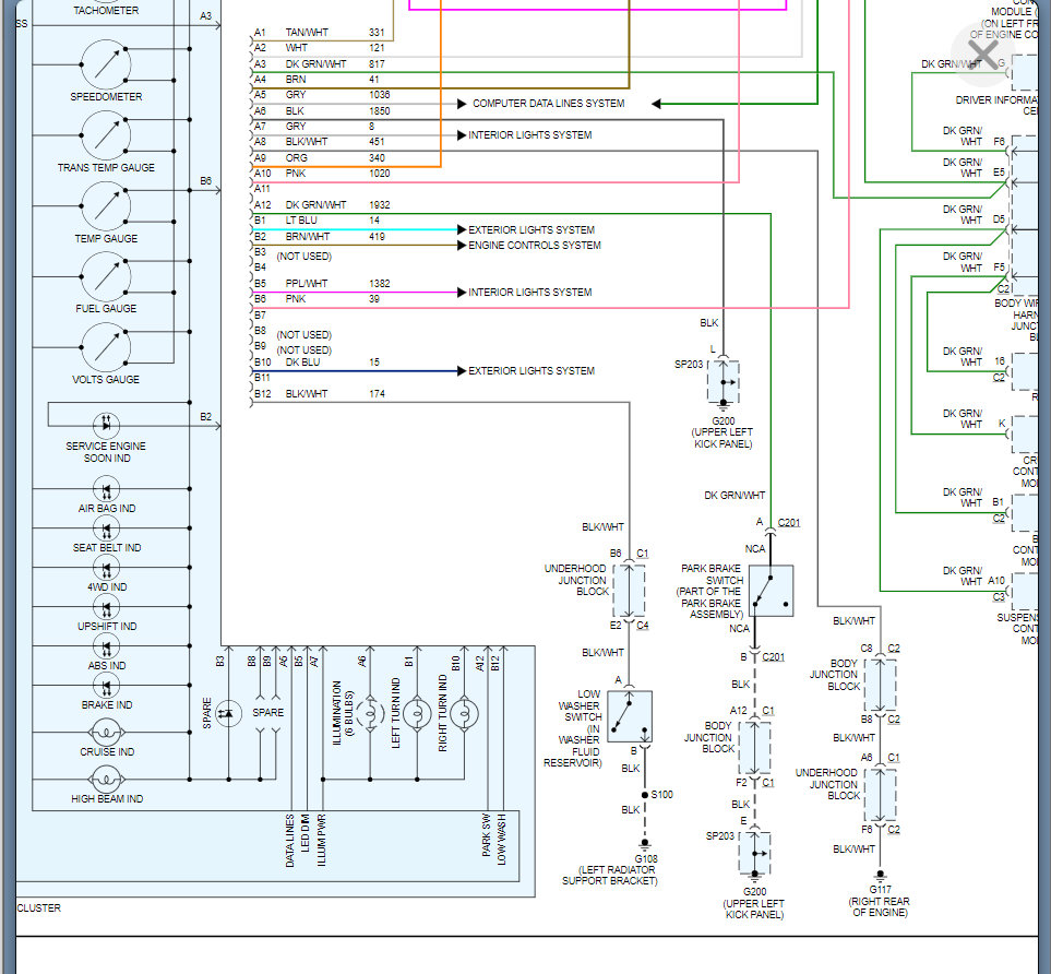
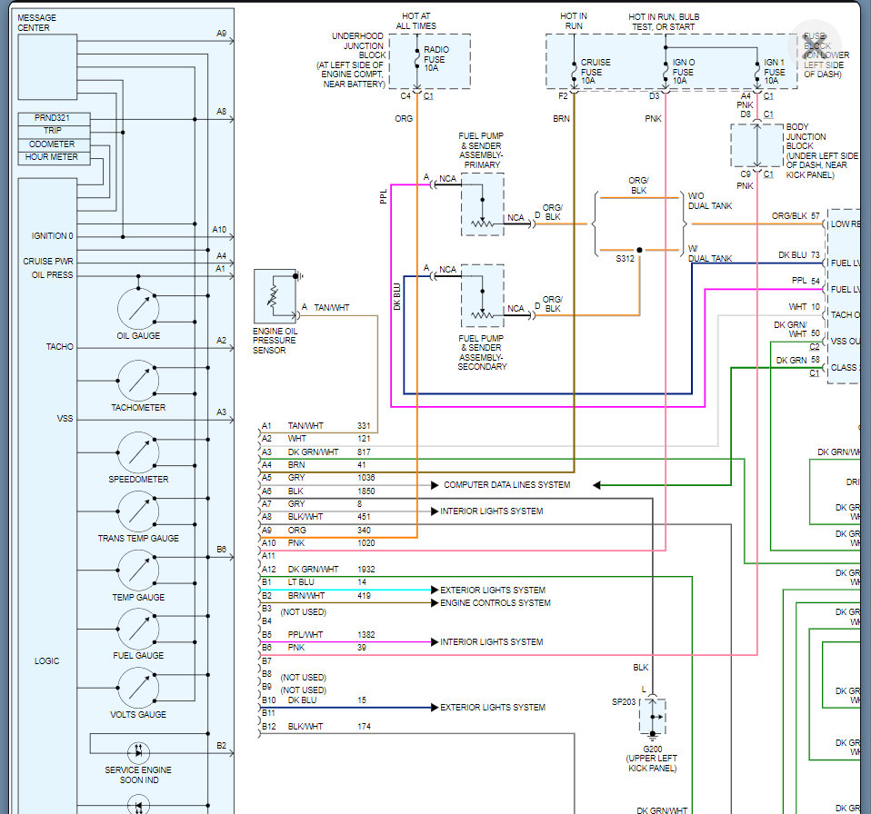
Below are the wiring diagrams that will help with this as well.

Please let me know if you have other questions. Thanks
Was this
answer
helpful?
Yes
No
+1
Thursday, July 1st, 2021 AT 4:22 PM

Please login or register to post a reply.

Related Air Conditioner Not Working Content

Fix an Air Conditioning Not Working Video
VIDEO