No start no crank

Tiny
MASEIE97
  • MEMBER
  • 2013 KIA OPTIMA
  • 2.4L
  • AUTOMATIC
  • 108,000 MILES
I drove my car one morning to work and then all of a sudden, my power steering and brakes just locked on me, and the car engine shut off. The lights on the dashboard were still on. Every electrical component still works like the windows and door sensors, but my brakes are now hard to press down and when I try to start up the car it only clicks. ABS and check engine light came on. Is it an electrical problem? Did a fuse pop? What’s going on?
Saturday, January 1st, 2022 AT 12:05 AM

3 Replies

Tiny
JACOBANDNICKOLAS
  • MECHANIC
  • 110,192 POSTS
Hi,

When the engine stalls, you lose assist to the power steering and the power brakes, so that is why you experienced that. Now, if the engine stalled and now just clicks when you try starting it, it sounds like the battery is weak. On today's vehicles, battery voltage is extremely important with all the different components.

The battery itself may be bad, or the alternator may not have been recharging it while driving and the draw from the electrical components shut the vehicle off.

Here is what we need to do. I'm not sure how comfortable you are doing things, so here is a really simple test. We are going to load test the battery. Follow the steps in this link and let me know the results:

https://www.2carpros.com/articles/car-battery-load-test

If you are comfortable doing it, you can remove the battery and have a parts store charge and load test it for you. Here is a link that explains how to replace one:

https://www.2carpros.com/articles/how-to-replace-a-car-battery

Also, I need to know if you tried to jump-start the vehicle or if you tried recharging the battery. Additionally, check to make sure the battery terminals are both clean and tight.

Let me know what you find with the battery. I need to know this so I can further direct you. I suspect the alternator wasn't recharging the battery allowing it to drain, but I want to have the battery check done first.

Take care and Happy New Year.

Joe
Was this
answer
helpful?
Yes
No
Saturday, January 1st, 2022 AT 12:29 AM
Tiny
MASEIE97
  • MEMBER
  • 2 POSTS
I took it to my nearest auto parts store to have them test the battery and they told me that the battery is bad and that I needed to replace it. There were leaks around the battery. They tried to jump start it too with their portable ones, but it never worked. So, I went to buy a new battery and replaced it, but nothing still happened. Still all the dashboard lights were on but no start on the engine. What should I do next?
Thank you, so much and happy new year.
Was this
answer
helpful?
Yes
No
Saturday, January 1st, 2022 AT 11:44 AM
Tiny
JACOBANDNICKOLAS
  • MECHANIC
  • 110,192 POSTS
Hi,

First, you are very welcome. I need a little more information at this point. First, when you try to start the engine, does the starter engage and turn the engine, does it make one click and nothing more, or does it do absolutely nothing?

Next, what happens if you place the transmission in neutral and try starting it? Additionally, I need to know if you have a push-button start or a traditional key for the ignition.

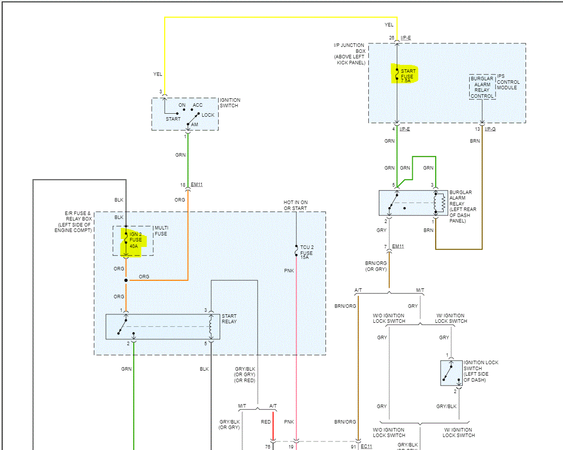
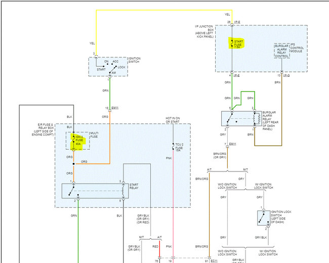
Since the battery hasn't helped, we need to dig a little further into the problem. First, I need you to check two fuses (this is if the starter isn't working properly). One fuse in the under-hood fuse box and the other is in the fuse box (in-car) under the dash on the left side.

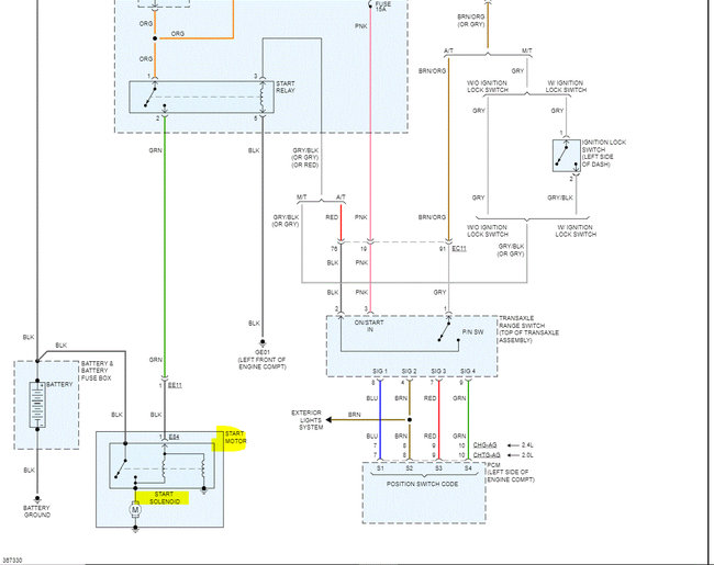
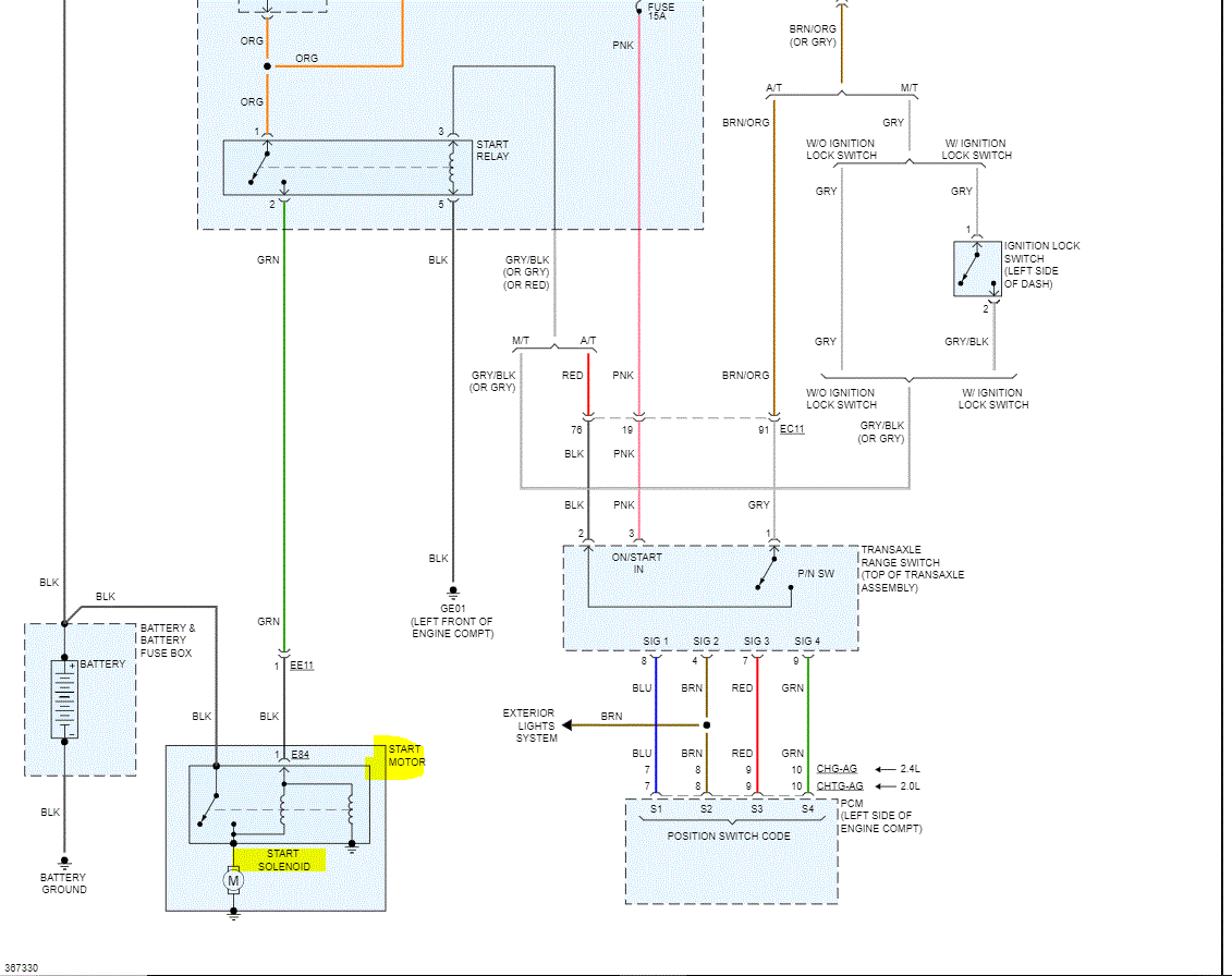
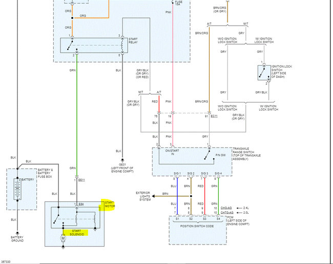
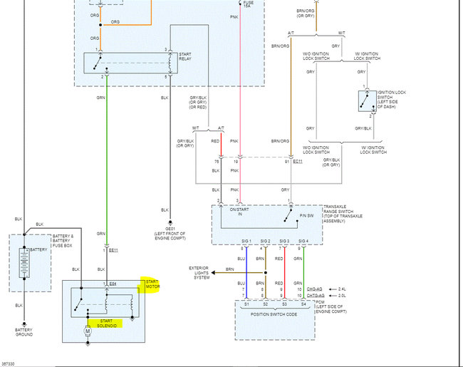
I attached the wiring schematic below for the starting system (standard key start). I highlighted the two fuses in the pic. If you follow the wires from those fuses, both go to the starter relay. However, there are a couple of variables for it to work (we will look at those as possible issues if needed).

Now, first, confirm the fuses are good. If one or the other is bad, replace them with the same amperage fuse and see if the car starts. If they both appear good, it is necessary for you to check if there is power to and from them. All you will need is a cheap test light that you can get at any parts store. Here is a link that explains what and how to check.

https://www.2carpros.com/articles/how-to-check-a-car-fuse

Do this and let me know the results. Also, please confirm the key type and exactly what happens when the key/push button reaches the start position.

Take care and I'll watch for your reply.

Joe

See pics below. Pics 3 and 4 show fuse locations in the different boxes. I also highlighted the starter relay in pic 4 (under-hood fuse box). Remove that relay and switch it with a different one in the fuse box that has the same part number to see if it makes a difference.

Was this
answer
helpful?
Yes
No
Saturday, January 1st, 2022 AT 9:43 PM

Please login or register to post a reply.