HOME
ASK A QUESTION
REPAIR GUIDES
BECOME A MEMBER
LOG IN
Login with Facebook
OR
Remember me
NOT A MEMBER?
FORGOT PASSWORD?
CONTACT US
PRIVACY POLICY
TERMS AND CONDITIONS
☰
Home
Dodge
Ram
Engine
Symptoms
Not Running
No start
129.KEN
MEMBER
2005 DODGE RAM
5.7L
V8
2WD
160,000 MILES
Changed fuel pump, no start.
Sunday, April 4th, 2021 AT 4:02 AM
1 Reply
ASEMASTER6371
MECHANIC
52,796 POSTS
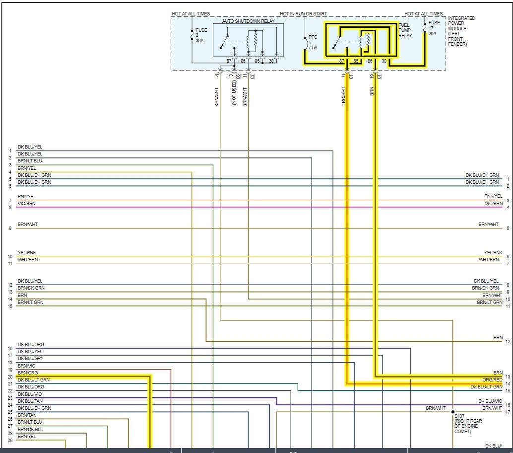
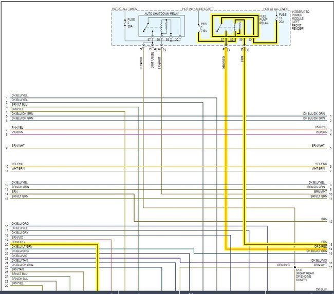
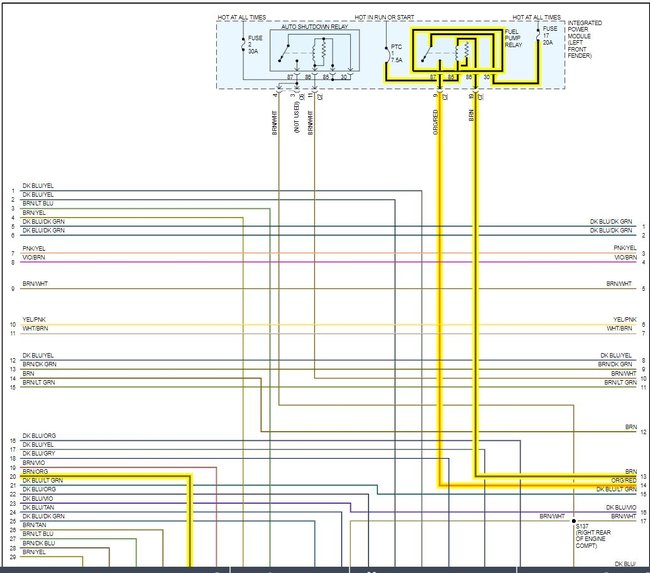
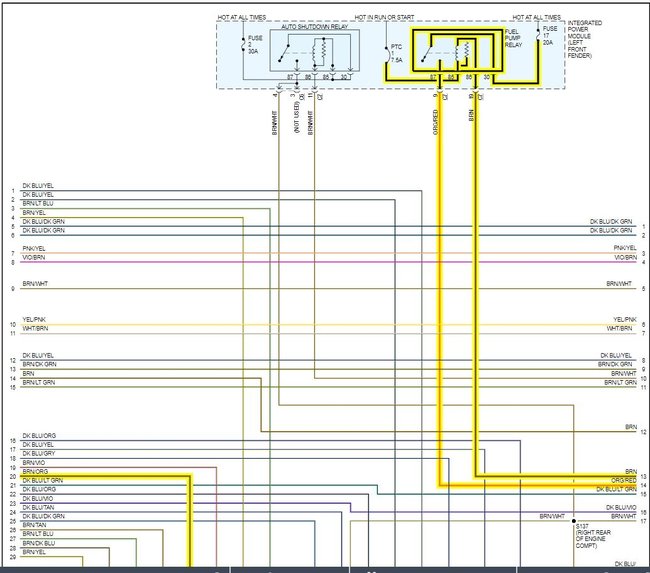
Good morning,
Did you verify fuel pressure when you have finished the repair?
https://www.2carpros.com/articles/how-to-check-fuel-system-pressure-and-regulator
FUEL SYSTEM PRESSURE
58 psi ± 2 psi
Do you have spark? I attached a guide for checking spark.
https://www.2carpros.com/articles/how-to-test-an-ignition-system
Check the compression as well to be sure the engine is still good.
https://www.2carpros.com/articles/how-to-test-engine-compression
Roy
Images (Click to make bigger)
Was this
answer
helpful?
Yes
No
Sunday, April 4th, 2021 AT 5:39 AM
Please
login
or
register
to post a reply.
Related Engine Not Running Content
No Start
My Truck Will Not Crank At Times I Notice When Then Starter Does Not Crank The Volt And Fuel Gauge Does Not Work. I Also Have No Power...
Asked by
stanley76
·
82 ANSWERS
1 IMAGE
2005
DODGE RAM
VIDEO
Car Cranking but Not Starting? Try This
Instructional repair video
GUIDE
Engine Not Starting
Over the past 20 years at 2CarPros we have identified the top problems that are easily fixed. This guide can save you a trip to the repair garage or calling a tow truck and...
2005 Dodge Ram 2005 Dodge Ram 1500, 4.7 L
For The Last Few Days, When I Would Start My Truck, All Of The Gears On The Dash Indicator Would Light Up Like I Was In All Gears. As...
Asked by
kittykatgrr8
·
8 ANSWERS
2005
DODGE RAM
2005 Dodge Ram Starts But Won't Stay Running
The Truck Has A Plow Assy., It Was Put On About 2 Years Ago. Never Had A Problem Starting Before. At First It Wouldn't Do Anything But Just...
Asked by
20PONTIAC
·
1 ANSWER
2005
DODGE RAM
Engine Not Running
I Desperately Need Help. I Have A 1999 Dodge Ram 2500 V10. Motor Blew So I Bought A Replacement From A 1995 Dodge Ram V10. I Realize The...
Asked by
joetracyjoetracy
·
29 ANSWERS
4 IMAGES
1999
DODGE RAM
Engine Not Running
I Have Replaced Ecm, Crankshaft Sensor, Purge Solenoid, Fuel Pump And Pretty Much Every Fuse An Relay. I Cannot Get My Truck To Run. I...
Asked by
Cody Epley
·
14 ANSWERS
8 IMAGES
1996
DODGE RAM
VIEW MORE
Ask a Car Question. It's Free!
How to fix an engine that wont start
Car Cranking but Not Starting? Try This
Crankshaft Sensor Replacement