Engine not running

Tiny
CODY EPLEY
  • MEMBER
  • 1996 DODGE RAM
  • 8.0L
  • V10
  • 4WD
  • AUTOMATIC
  • 167,000 MILES
I have replaced ECM, crankshaft sensor, purge solenoid, fuel pump and pretty much every fuse an relay. I cannot get my truck to run. I have strong fuel pressure all the way through the line. No spark at coils, but cannot fix that until I figure out my main issue. My ASD and fuel pump relay are clicking on the distribution panel. I have also heard the solenoid clicking with them under the intake. I am not very strong in electrical but as far a mechanical I cannot think or find the issue. I cannot get a code from the new ECM because the computer has not ran through a full cycle on the truck. If you can help me or point me in the right direction other than the dealer who wants to charge me $260.00 for diagnostics or give me $11,000 for trade in I want my truck to keep going. I faced the hard ship of finding the rare crank sensor and ECM.
Tuesday, October 18th, 2016 AT 8:14 PM

14 Replies

Tiny
CARADIODOC
  • MECHANIC
  • 34,463 POSTS
You replaced the Engine Computer. That means the 12 volt memory circuit was bad. That is why there are no fault codes. Removing the computer or disconnecting the battery erases the codes, then that valuable information is lost. Resetting fault codes has nothing to do with a drive cycle, although some defects are only detected under certain driving conditions. That can include codes related to the crankshaft position sensor and camshaft position sensor. Often the missing signal from one of those is only detected while the stalling engine is coasting to a stop. Those codes may not set by simply cranking the engine. You need a scanner to view live data to see if those signals are arriving at the Engine Computer. I have a Chrysler DRB3 scanner for all of my vehicles. That lists each sensor with a "No" or "Present" during cranking. Codes for electrical problems, like cut or grounded wires, and some sensor failures, will be detected the instant you turn on the ignition switch, and the fault codes will set at that time. Do you know how to read the codes yourself without a scanner?

You can verify if one of those sensor signals is missing without a scanner. Use a test light to check for the 12 volts. Most digital voltmeters do not respond fast enough for this test. Back-probe through the electrical connector for either coil pack, any injector, or either of the two smaller terminals on the back of the alternator. The correct wire is the one that is the same color at the coils and every injector. Typically that is the dark green/orange wire. You will see the test light turn on for one second when you turn on the ignition switch. What is important is if it turns on again during cranking.

If you do not get 12 volts during cranking, you will not have spark, injector pulses, or fuel pump.
Was this
answer
helpful?
Yes
No
+1
Thursday, October 4th, 2018 AT 10:32 AM
Tiny
CODY EPLEY
  • MEMBER
  • 8 POSTS
I replaced the ECM because there was no communications from the old one to the scanner. I replaced it and now the ASD relay along with fuel pump relay are clicking. I have been checking wires with volt meter and the power is not reaching the coils or letting fuel past the injectors but supplying plenty of pressure in the line all the way to the injectors. Only code it gave me was P0335 for the crank sensor so after replacing it now no codes other than my 3-4 shift solenoid show up. The relays still click and wont allow start up. I have read a lot of the forums talking about certain wires coming lose or becoming pinched. My first computer did not go out till after I hit a large puddle after a rain storm. I found no way for water to get to the ECM or any close connections. I later replaced that ECM with a used one and the truck fired right up. After a month I washed the truck and only washed from back of cab to front and under when I tried starting it would not run so I checked some ground wires and tightened then the truck fired up but just down the street is started to miss and shut off. If I let it sit for two to three minutes it would start and run for five to ten minutes then the relays click and shut off the truck. I could get it to run after letting it sit but once it got to running temperature it shuts off. I took it to the dealer and they drained my battery and only tested the distribution box then wanted $600.00 more to go on I told them no. Went to pick it up and could not start it cause they drained the battery I had to buy a new one cause they collapsed a cell. After all this now I am stuck with no fire but will turn with no problem. So I am looking for help figuring the area to look in or maybe someone knows a common issue I can begin my search with.
Was this
answer
helpful?
Yes
No
+1
Thursday, October 4th, 2018 AT 10:32 AM
Tiny
CARADIODOC
  • MECHANIC
  • 34,463 POSTS
Did you do the voltage check I described? We need to know if the ASD relay is turning on during cranking.

Did you read the fault codes?

Fuel pressure is not a valid clue because it will be normal due to the fuel pump running for that one second when you turn on the ignition switch.
Was this
answer
helpful?
Yes
No
+1
Thursday, October 4th, 2018 AT 10:32 AM
Tiny
CODY EPLEY
  • MEMBER
  • 8 POSTS
I checked voltage to coils the voltage does not come up even at a spike on start up. The crank sensor reads fine. I am looking into codes all I get is my shift issue for over drive. I did some wire checking and found my fourth O2 sensor wires were stripped of their insulation from transmission fluid was eaten away the wires were making contact. I re insulated them and found a connector on bottom left of the transmission with same problem. I insulated those as well but still have same issue. I do remember in my UTI classes as crappy as they were the O2 sensor its a self energized once heated to temperature so is it possible it is causing a unwanted ground making the ASD trip. I found my transmission relay clicking as well so I am clueless but I have tried jumping it and found to have power and ground with expense of a engine fuse in the cab. So what else can I check? Because I am going to try replacing the O2 sensor since it was tied into the ASD issue seeing the wires it was attached with.
Was this
answer
helpful?
Yes
No
+1
Thursday, October 4th, 2018 AT 10:32 AM
Tiny
KEN L
  • MASTER CERTIFIED MECHANIC
  • 55,291 POSTS
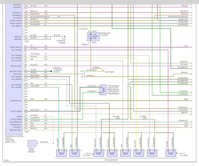
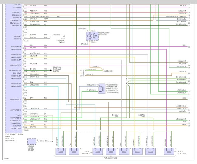
If I may jump in here, I would check for system reference voltage to see if the computer system is powering up on the sensor side, next disconnect all monitoring sensors such as coolant temperature and O2 sensors just leave the basic sensors such as crank angle, ignition and injectors. We are trying to see if the computer has any life in it without the disruption of outside sensors, one might be shorted causing the system to shut down. Here is a wiring diagram to check the system out. Turn the key on and test the dark green and red wire at the coil and injectors for 12 volts.

Please let us know what you find so it will help others.

Best, Ken
Was this
answer
helpful?
Yes
No
Thursday, October 4th, 2018 AT 10:32 AM
Tiny
CARADIODOC
  • MECHANIC
  • 34,463 POSTS
The only way the oxygen sensors are tied to the ASD relay is that relay sends current to their internal heaters. If the heater wire is shorted to the ground wire at one of those sensors, it will cause a fuse to blow or a fuse link wire to burn open. Neither of those will be intermittent.

As a comment of value, multiple clicking relays is a common symptom of a run down battery, or a battery with a shorted cell. Check the battery voltage with a digital voltmeter. If it's good and fully-charged, it will be 12.6 volts.

You really need a scanner to see what is taking place with the ASD relay. You can check the coil terminals too with a voltmeter. First verify there is 12 volts on terminal 86 when the ignition switch is on. You can do that with the relay removed from the socket. The next step is to see if the computer is grounding terminal 85. Normally I'd use a test light, but most of them draw a lot more current than the coil in a relay. I don't know if the circuit in the computer will be damaged by a test light. Also, to be accurate, the relay needs to be in the circuit. That means you need to lift it out of the socket just enough that it's still plugged in, but you can reach terminal 85 with the probe. With the ignition switch on, you should see 12 volts there, (coming through the relay's coil). That should drop to near 0 volts during cranking. If it does, the computer is turning on the relay. If that voltage is pulsing, there's a problem with the signal from the cam or crank sensor.

If the relay is buried or surrounded where you can't reach a probe to the terminal, insert a wire in the socket's terminal, then plug the relay in. You can use the wire for the test point, but you have to be very careful. A fat wire, plus the relay's terminal, can stretch the socket's terminal to the point it makes intermittent contact and you have another intermittent problem in the future. Stretched-out paper clips work well if there's room, otherwise use one or two strands of wire from an old power cord. Those are much too thin to cause a stretched terminal.
Was this
answer
helpful?
Yes
No
Thursday, October 4th, 2018 AT 10:32 AM
Tiny
CODY EPLEY
  • MEMBER
  • 8 POSTS
The areas in red showed lower volatge then needed for regular operation and in purple showed fukk strength for proper function. I know the 2 of the O2 sensors are grounds for fuel and 2 of them are grounds for coils I followed the diagrams and from what I can understand the O2 sensors seem to be the cause of the ASD relay clicking since they have such a strong control over such important parts of the engine. I tested the crank sensor and had only.9V DC and cam showed no voltage but the system to the pump has no issue other than then after the ASD relay cutting off power to the injectors. I hope what I did or showed sheds some light on what I am trying to figure out and I still cant get the ECM to scan or show codes on the dash we used 3 different scanners and none could get passed KWP2000 part where is says error but we got random scans where it would say 180 codes found but then says no codes found or pending. I got the original computer and it seems to be the only one giving strongest results. The newer ECMs I have bought wont let voltage to the coils but still cut power to the Injectors. The newer computers I get no spark or fuel. My Post cat O2 sensor gave me a voltage reading of 108V with lower m displayed so that would be millavoltage right but was enough it arched on contact.
Was this
answer
helpful?
Yes
No
Thursday, October 4th, 2018 AT 10:32 AM
Tiny
CODY EPLEY
  • MEMBER
  • 8 POSTS
Alright long time so chat but have a new update. I have all the voltage and signals going to the ECM and all sensors but new problem. I finally got a computer to give codes and it tells me there is a open or short in the EGR valve curcuit. So went looking for the EGR valve and it does not exist on this engine at all like even the B32 pin for the ECM connection is not there. I have not found any sign of this EGR the computer is looking for. I tried looking for a vin on the engine and found white paint marker on back of the block, under the diff and even the bell housing. I know factory uses white but these look more like salvage quick mark. I have reached out to the previous owner and he was told its the original but I've got a strong feeling this engine is not the original. I found no plate with VIN on either side of the block but did find 312 on the front upper part of the block. On the other side of the block I found 1M3C116 8291. The last one may be wrong but its all I could make out it looks like some one sanded the area cause the coloring is very rough compared to just inches away. My original ECM I had in the truck has these number is you can help.

(Bar Code)
JAT06PGC
(Bar Code)
P56040 945
(Bar Code)
T3245 RBWAA0

I am looking into other ways to reserch the engine cause as far as I know the EGR code missing is directly making the ASD relay kick keping the truck from running now.
Was this
answer
helpful?
Yes
No
Thursday, October 4th, 2018 AT 10:32 AM
Tiny
CARADIODOC
  • MECHANIC
  • 34,463 POSTS
The EGR is not related to this problem. It is monitored and problems are detected while the engine is running. None of the failures will cause the engine to stall.

I'm not an expert on any scanner other than the Chrysler DRB3 that I use for my vehicles. That one lists the optional circuits in use on the vehicle it's currently connected to, and if one is missing, it won't display any codes that might be set related to it. The older DRB2 would ask you, for example, if the car has air conditioning. If you answer "No", it will not display the code for open compressor clutch relay circuit. If you answer, "Yes", it will display that code on cars that don't have AC.

The engine numbers don't mean anything to me, but they might to the people in the dealer's parts department. One thing I CAN offer is if someone did replace the engine, AND the flex plate, and the engine never ran after that, you likely have the wrong flex plate. I don't know if this applies to the V-10 engines, but it is a common sore point with the V-8s. Some of them have four groups of four square notches in the ring welded to the flex plate. The crankshaft position sensor sees those notches by generating a voltage each time a notch passes by it and disturbs its magnetic field. The Engine Computer needs to see four pulses, a gap, four pulses, a gap, ... To know when to fire an injector and a pair of spark plugs, (one ignition coil), and it needs a different signal to know WHEN to fire which coil and injector. That is normally known by the signal from the camshaft position sensor. The first spark plug will fire once a signal is received from both sensors.

A different variation, (this is from memory and will likely be wrong, but you'll get the idea), has four notches in the ring on the flex plate, a gap, four notches, a gap, four notches, a gap, then five notches. When the computer sees five pulses in a row, it knows when a specific piston is coming to top dead center, and it knows which ignition coil to fire. From then on, it calculates which ones come next and just fires them in order each time it sees four pulses. The clue here is the engine will crank but will not start until that series of five pulses arrives. That can make it appear the engine has a long crank time before starting compared to what some people are used to.

The clinker is those flex plates can be interchanged. That often happens when an engine from a different year is transplanted and the flex plate stays with it. You need to reuse the flex plate that came with the truck. I don't know how many variations there are for these flex plates. But you can be sure you have the right one if the engine ever ran. Using the wrong flex plate always results in a crank / no-start condition. That would be frustrating to have to repeat the repair procedure to replace it, but it would be interesting first to watch the voltage on the dark green / orange wire to see if the ASD relay is being turned on sporadically by the Engine Computer. I don't plan on testing that idea any time soon!
Was this
answer
helpful?
Yes
No
Thursday, October 4th, 2018 AT 10:32 AM
Tiny
CODY EPLEY
  • MEMBER
  • 8 POSTS
Alright all parts check out and PCM is 90% there are ground wires directly linked to the PCM that have come loose or broken that are causing the scanner to not read the full system an the coils to not get the volts from the PCM. I have come to this point after testing the whole system from coils back and the voltage stops at the PCM but is going into the PCM from the Crank sensor. I may have things wrong but I keep getting told by mechanics after telling them everything that I have a disconnected ground. Just tell me where grounds are for the PCM so I dont tear into harnesses or lose it an just start removing the engine.
Was this
answer
helpful?
Yes
No
Thursday, October 4th, 2018 AT 10:32 AM
Tiny
CARADIODOC
  • MECHANIC
  • 34,463 POSTS
There's four ground wires. Two are for high-current items lie injectors and ignition coils. Two are signal grounds for sensor circuits. They will be bolted to the body someplace near the computer. I don't know exactly because I've never needed to find them. It isn't likely all four are bad.
Was this
answer
helpful?
Yes
No
Thursday, October 4th, 2018 AT 10:32 AM
Tiny
CODY EPLEY
  • MEMBER
  • 8 POSTS
Well I'm not sure if what went bad ground wise but fuel is getting to the injectors but not spraying and coils are not firing. Power for those circuits are reaching the ECM but the signal from the ECM is not being sent to the coils or injectors. When I get the time I'm going to try finding all the grounds but would like a idea of what colors they may be cause all I know is the schematics I found in my repair book just show they are engine grounds from the ECM.
Was this
answer
helpful?
Yes
No
Thursday, October 4th, 2018 AT 10:32 AM
Tiny
CARADIODOC
  • MECHANIC
  • 34,463 POSTS
Signal ground wire is A4. That is the wire all the sensors connect to. That wire is not actually grounded. It is the common ground circuit that goes TO ground after it goes through the Engine Computer. That is done so the computer can monitor it for proper operation. My diagram doesn't show the actual signal ground wires. To find that you'd have to find a paper copy of the manufacturer's service manual. That will have an entire section that shows every connector, every wire in that connector, its color and its function.

Two power ground wires are A31 and A32. They are black / tan wires that are spliced together, then grounded "in front of the engine". I don't know if that means on the engine block or on the core support in front of the engine. I've specialized in electrical diagnosis for decades, and as I mentioned, I've never had to look for the ground wires on a Chrysler product.
Was this
answer
helpful?
Yes
No
Thursday, October 4th, 2018 AT 10:32 AM
Tiny
CODY EPLEY
  • MEMBER
  • 8 POSTS
I'll give it a look over and see what I find thank you
Was this
answer
helpful?
Yes
No
Thursday, October 4th, 2018 AT 10:32 AM

Please login or register to post a reply.