No start

Tiny
JENNSANDERS
  • MEMBER
  • 2008 BMW 330
  • 100,000 MILES
Okay. So, I replaced the fuses for the start/stop button and at first it started, but then the windshield wipers turned on and the emergency request system failure light came on and now the car will not start again.
Thursday, February 10th, 2022 AT 1:37 AM

1 Reply

Tiny
KASEKENNY
  • MECHANIC
  • 18,907 POSTS
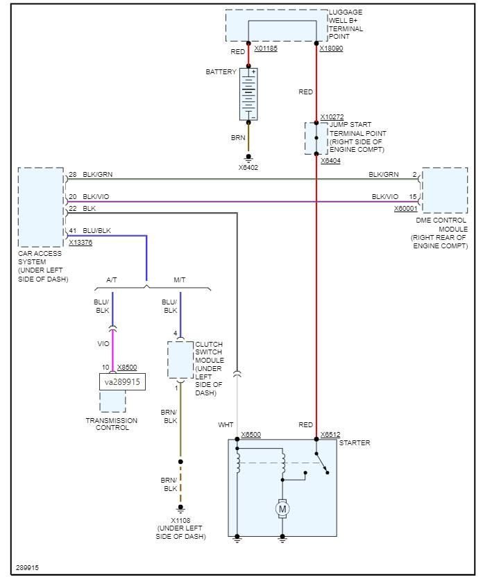
If the wipers are coming on and warning lights that normally means, there is a communication network failure.

So, we need to start with checking for codes and find out what is there so that we can determine best next steps.

Here are a couple of guides that will help with this:

https://www.2carpros.com/articles/checking-a-service-engine-soon-or-check-engine-light-on-or-flashing

https://www.2carpros.com/articles/can-scan-controller-area-network-easy

Depending on what we find we will know what direction to go but I would suggest we start tracking voltage through the system if the theft light is remaining off.

It doesn't sound like a theft issue because it worked after replacing fuses, but we need to check those fuses again.

When you replaced them, were they actually blown? If so, which exact fuses were they?
Was this
answer
helpful?
Yes
No
Friday, February 11th, 2022 AT 9:15 AM

Please login or register to post a reply.