No start

Tiny
NICHOLAS AGUILAR
  • MEMBER
  • 1992 MERCURY MARQUIS
  • 4.6L
  • V8
  • 2WD
  • AUTOMATIC
  • 89,000 MILES
Turn the ignition to the crank position and the car will not start not even turn over. The car the lights light up and the cuts off the radio when trying to crank, but no signal to the starter. Have power going to the switch but nothing coming out the relays and the fuses are good. The car has new ignition, switch, new transmission neutral switch, but you can hook up a power probe to the starter wire and the car starts and you can shut the car off with the key and that goes to tell me that all of that is good. But still turn the ignition and nothing. I’m at a loss and there is no broken wire or short just no power going out and oh you can not shift the car.
Thursday, April 15th, 2021 AT 5:57 PM

1 Reply

Tiny
JACOBANDNICKOLAS
  • MECHANIC
  • 110,192 POSTS
Hi,

When the radio cuts off, are the other electrical components affected as well? If they are, have you checked the battery terminals and grounds for corrosion, damage, or something loose?

Next, you indicated the fuses were checked. In addition to the fuses, did you confirm there is power to and from them? Here is a link showing how that is done:

https://www.2carpros.com/articles/how-to-check-a-car-fuse

If they are good, the next thing is the starter relay. Have you checked it? Here is a link showing how one is checked:

https://www.2carpros.com/articles/how-to-check-an-electrical-relay-and-wiring-control-circuit

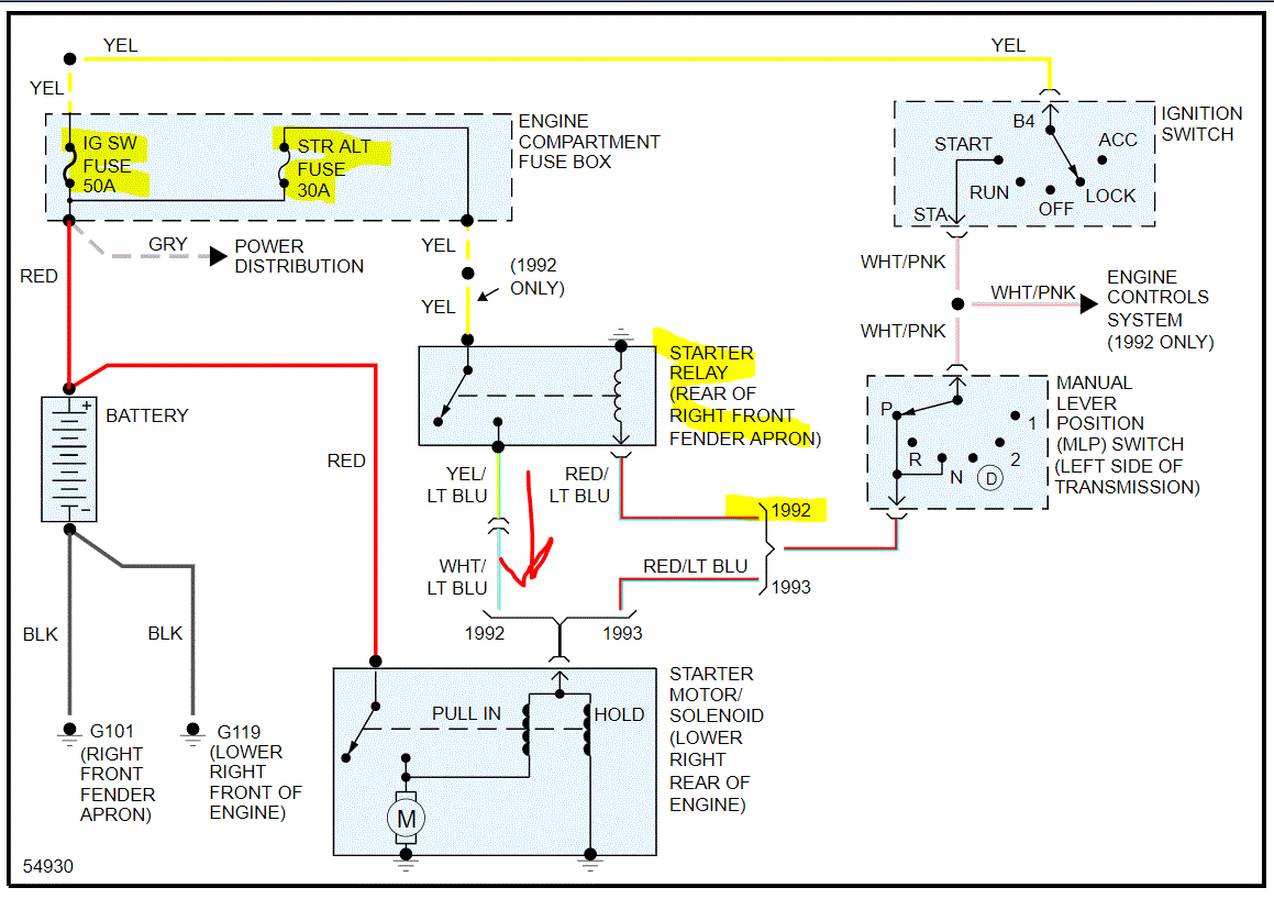
If the relay is good, then we need to go back to the switch. You indicated there is power to it. Check the white/pink wire out to see if power is present in the start position. If it is, go to the new neutral safety switch and confirm power goes to it via that wire.

If power is present at the safety switch, go to the red/lt blue wire on the relay and confirm there is power. Also, confirm ground to the relay.

At that point, power then goes to the S terminal on the starter to engage it. So that is the last check. At some point, power is being lost, so that is how I would go through the circuit.

I attached the wiring schematic for the starting system. Use that as a reference.

https://www.2carpros.com/articles/how-to-check-wiring

Let me know what you find or if you have other questions. Also, here is one last link you may find helpful.

https://www.2carpros.com/articles/starter-not-working-repair

Take care,

Joe

See pic below.
Was this
answer
helpful?
Yes
No
Friday, April 16th, 2021 AT 9:51 PM

Please login or register to post a reply.