No start, Have changed the fuel pump?

Tiny
BAMFIELD76
  • MEMBER
  • 1999 CHEVROLET SUBURBAN
  • 5.7L
  • V8
  • 4WD
  • AUTOMATIC
  • 156,000 MILES
Have changed the fuel pump, fuel filter and fuel pump relay. And new ground in rear by fuel tank. It won't start unless I jump the relay.
Thursday, March 26th, 2020 AT 8:24 PM

1 Reply

Tiny
JACOBANDNICKOLAS
  • MECHANIC
  • 110,192 POSTS
Hi,

I need to get a little info from you. First, when you say jump the relay, are you referring to the starter relay or fuel pump relay?

If you are referring to the fuel pump relay, here are directions for diagnosing a relay circuit issue. The attached pictures are actually flow charts. I believe you will need to start at pic 3 (the second flow chart). Also, the testing does require a scan tool that command on the pump. Other things you will need are a test light or a multi meter.

_______________________________

1999 Chevy Truck K 1500 Suburban 4WD V8-5.7L VIN R
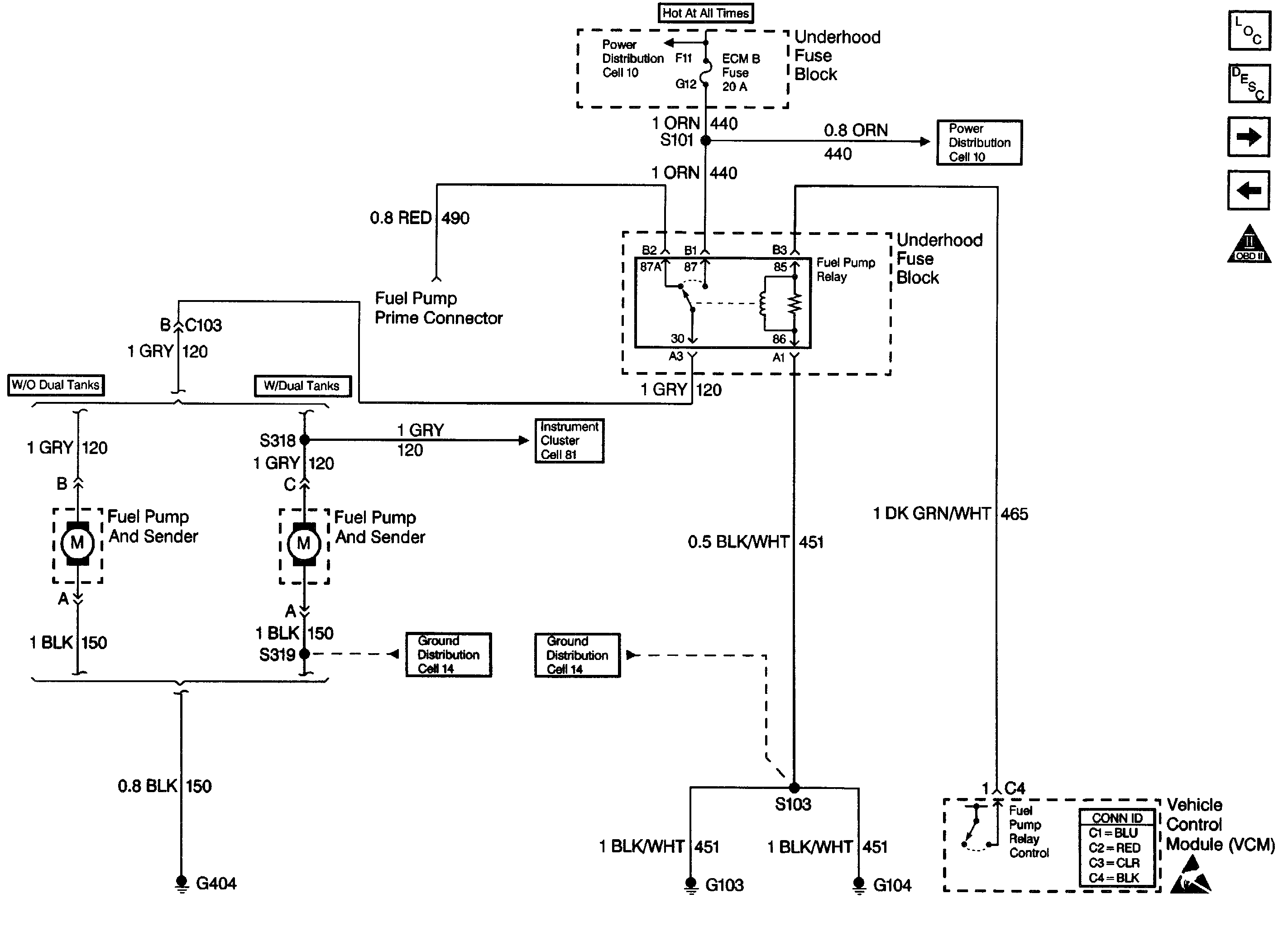
Fuel Pump Relay Circuit Diagnosis
Vehicle Powertrain Management Computers and Control Systems Testing and Inspection Component Tests and General Diagnostics Fuel Pump Relay Circuit Diagnosis
FUEL PUMP RELAY CIRCUIT DIAGNOSIS
FUEL PUMP RELAY CIRCUIT DIAGNOSIS

(Base And Luxury) (Fuel Controls)

Pic 1

pic 2

pic 3

pic 4

Circuit Description
When the ignition switch is turned ON, the VCM energizes the fuel pump relay which powers the in-tank fuel pump ON. The in-tank fuel pump remains ON as long as the engine is cranking or running and the VCM is receiving the distributor reference pulses. If there are no reference pulses, the VCM shuts the fuel pump OFF within 2 seconds after the ignition was turned ON or if the engine stops. The VCM will also turn ON the fuel pump for 2 seconds when the ignition is turned to the OFF position.

Diagnostic Aids
If the fuel pump relay circuit checks out OK, refer to Fuel System Diagnosis. See: Computers and Control Systems > Component Tests and General Diagnostics
Excessive fuel may also cause long cranking times which is accompanied by the following conditions:
A start that is not as fast as normal.
A puff of black smoke at the tailpipe.

An improperly connected or faulty EVAP component can cause this problem. Refer to EVAP Control System Diagnosis. See: Computers and Control Systems > Component Tests and General Diagnostics

One or more leaking poppet nozzles (CSFI injectors) may also extend the cranking time. Perform the Injector Balance Test. Refer to Fuel Injector Balance Test with Tech 2. See: Computers and Control Systems > Component Tests and General Diagnostics

Test Description
Number(s) below refer to step number(s) on the Diagnostic Table.
1. The Powertrain OBD System Check prompts the technician to complete some basic checks and stores the freeze frame and failure records data on the scan tool, if applicable. This creates an electronic copy of the data taken when the malfunction occurred. The information is then stored in the scan tool for later reference.
3. If the no start condition was due to a open fuse, locate and repair any shorts that may have caused the fuse to open before replacement.
4. This step determines if the fuel pump circuit can be controlled by the VCM. The VCM should energize the fuel pump relay and turn the fuel pump ON when commanded by the scan tool. If the engine is not cranking or running, the VCM should de-energize the relay and turn OFF the fuel pump after 2 seconds.
5. Jumpering the fuel pump positive voltage terminal to the fuel pump relay ignition positive voltage terminal verifies that the fuel pump relay ignition positive voltage circuit, the fuel pump positive voltage circuit, the fuel pump and fuel ground are all OK.
8. This step checks for an open ground circuit.
17. Replacement VCMs must be reprogrammed. Refer to the latest Techline information for programming procedures.
18. This step checks the fuel pump ground circuit on the fuel tank side of the body harness connector only. If the fuel pump ground circuit is OK, then the fuel pump positive voltage circuit or the fuel pump ground circuit in the fuel tank harness or the fuel pump itself is malfunctioning.
21. This test will determine if a short to ground on the fuel pump positive voltage circuit caused the fuse to open. To prevent mis-diagnosis, be sure the fuel pump harness is disconnected before the test.

_______________________________________________________________________________________

I don't know if you need them, but here are a few links you may fine helpful:

https://www.2carpros.com/articles/how-to-use-a-test-light-circuit-tester

https://www.2carpros.com/articles/how-to-use-a-voltmeter

https://www.2carpros.com/articles/how-to-check-wiring

_____________________________

Let me know if this helps or if it is a relay other than the fuel pump you are having problems with.

Take care,
Joe
Was this
answer
helpful?
Yes
No
Thursday, March 26th, 2020 AT 8:44 PM

Please login or register to post a reply.