No spark at the plugs?

Tiny
ANGELA PEACOCK
  • MEMBER
  • 1994 FORD F-150
  • 5.0L
  • V8
  • 2WD
  • AUTOMATIC
  • 220,000 MILES
My truck is sporadically. At the times it will not start. There is no spark at the coil. I have replaced the coil pack, ignition sensor, fuel filter, o2 sensor, plugs and wires and tested the pump. It will turn over but not crank most of the time. After sitting for a day or so it will crank and run fine. I have checked for a vapor lock as well and nothing seems to correct the problem. Any ideas?
Sunday, August 13th, 2017 AT 10:21 AM

42 Replies

Tiny
DIESEL&AUTOTECH
  • MEMBER
  • 5 POSTS
I would lean more to crank sensor. My truck had same issue with no check engine light. Took me a day to realize it was the crank sensor registering but no signal output. This guide can help us

https://www.2carpros.com/articles/how-to-test-an-ignition-system

Please run down these guides and report back.
Was this
answer
helpful?
Yes
No
Sunday, August 13th, 2017 AT 11:28 AM
Tiny
KEN L
  • MASTER CERTIFIED MECHANIC
  • 55,291 POSTS
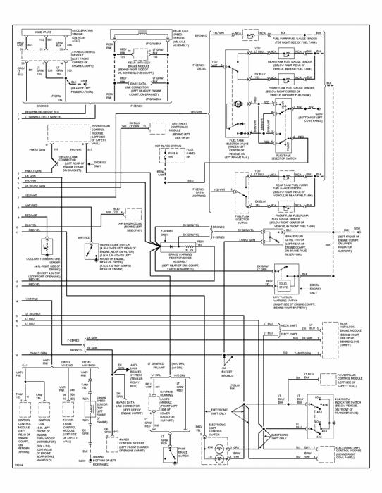
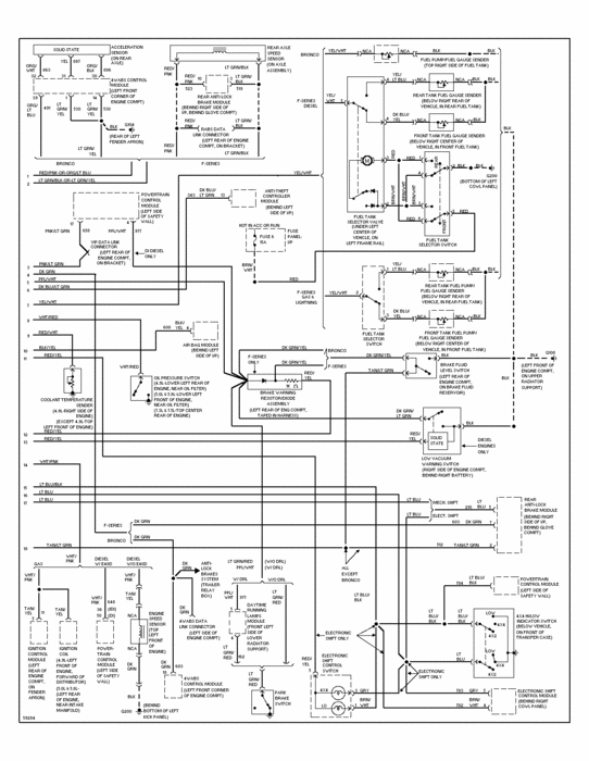
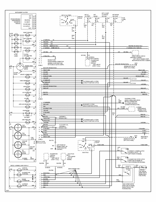
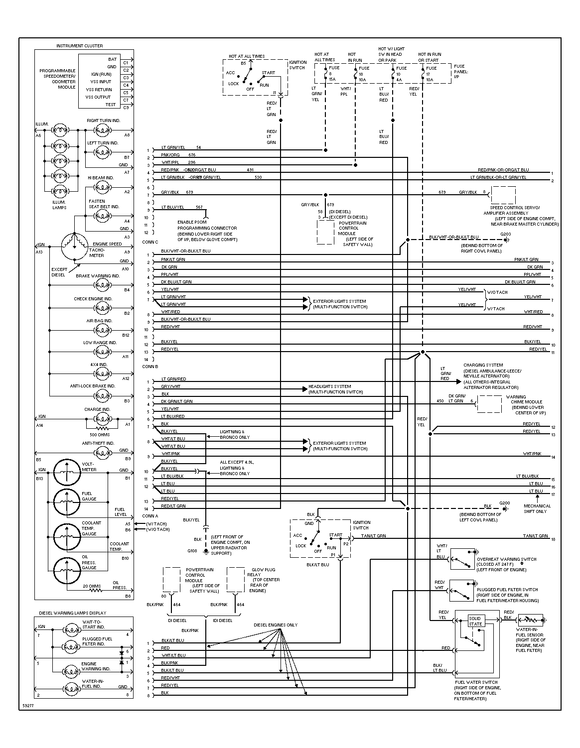
DIESEL&AUTOTECH is right. The crankshaft angle sensor or PIP can cause the problem you have described.

Here is a diagram (below) that will help you get the problem fixed. This hall effect sensor goes out all the time.

Please let us know what happens, we are interested to see what it is.

Cheers, Ken
Was this
answer
helpful?
Yes
No
Wednesday, August 16th, 2017 AT 11:47 AM
Tiny
DIESEL&AUTOTECH
  • MEMBER
  • 5 POSTS
Wow that is greatly detailed. Thanks for the enlightenment Ken.
Was this
answer
helpful?
Yes
No
Wednesday, August 16th, 2017 AT 1:10 PM
Tiny
KEN L
  • MASTER CERTIFIED MECHANIC
  • 55,291 POSTS
We are a team, helping people get back on the road. Please help out on the site when you can :)
Was this
answer
helpful?
Yes
No
Wednesday, August 16th, 2017 AT 8:48 PM
Tiny
ANGELA PEACOCK
  • MEMBER
  • 2 POSTS
Thanks for all of the advicadvice. I am going to try it out this weekend. I'll let you know what happens.
Was this
answer
helpful?
Yes
No
Thursday, August 17th, 2017 AT 10:26 AM
Tiny
JERBERRR245
  • MEMBER
  • 3 POSTS
  • 1994 FORD F-150
  • 140 MILES
Hi this truck is really something to see ive insp wiring harness in cab to firewall the only component that I know of that may have a common to the two circuts is the multi function switch or the ignition so I am guessing that it has to be wiring in the engine compartment it certainly seems like a rubbed wire but pls any help at this point is welcome thnx
Was this
answer
helpful?
Yes
No
Wednesday, October 14th, 2020 AT 2:06 PM (Merged)
Tiny
JACOBANDNICKOLAS
  • MECHANIC
  • 110,192 POSTS
Have you checked for bad body grounds?
Was this
answer
helpful?
Yes
No
Wednesday, October 14th, 2020 AT 2:06 PM (Merged)
Tiny
JERBERRR245
  • MEMBER
  • 3 POSTS
Yup I even added a couple temp grnds to main harness in cab to see if the spark would stop or change but no change
Was this
answer
helpful?
Yes
No
Wednesday, October 14th, 2020 AT 2:06 PM (Merged)
Tiny
JACOBANDNICKOLAS
  • MECHANIC
  • 110,192 POSTS
Did you check wiring in the steering column? Something there must be an issue since the flashers affect the ignition.
Was this
answer
helpful?
Yes
No
Wednesday, October 14th, 2020 AT 2:06 PM (Merged)
Tiny
CJ MEDEVAC
  • MECHANIC
  • 11,005 POSTS
Here we go!

Mega complicate stuff in there!

I need more specific trk info. Heck, I have no clue what some of it means! But if you tell me, I can get the correct diagrams

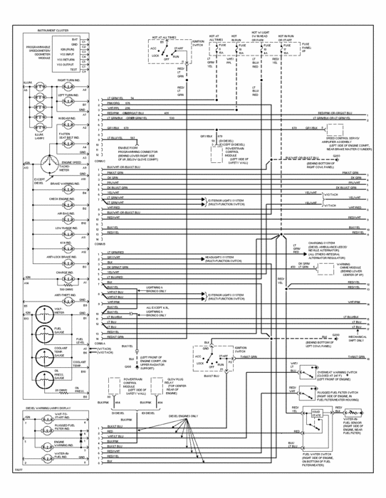
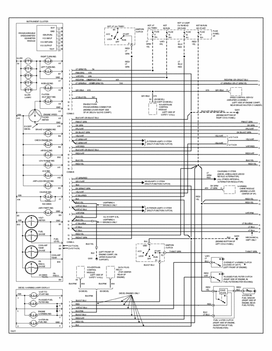
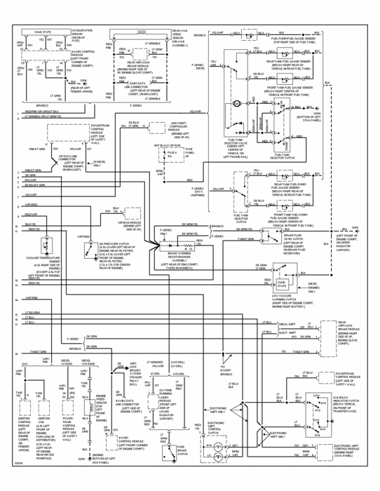
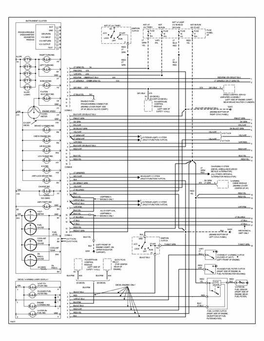
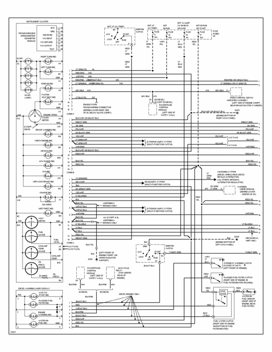
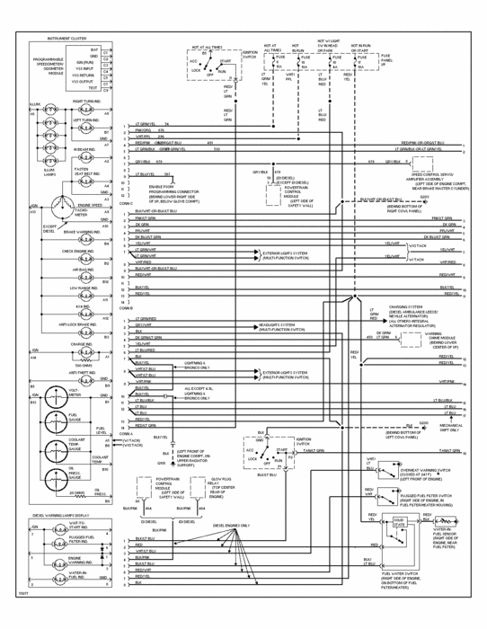
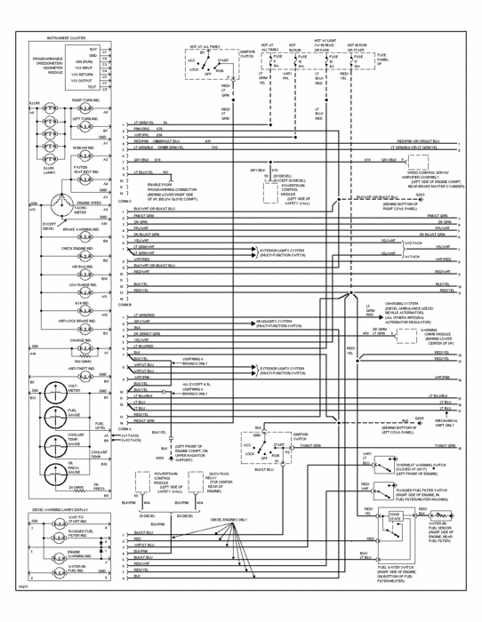
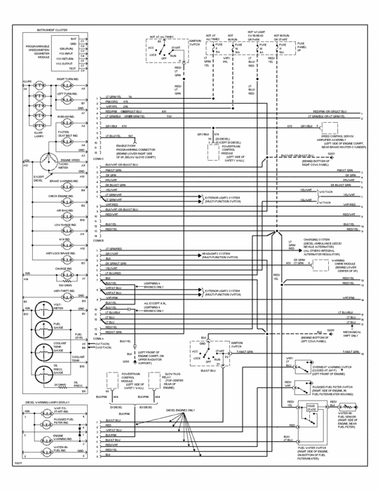
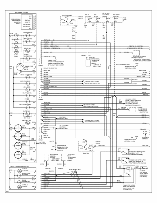
I went ahead and grabbed 3 diagrams, the later 2, should both be correct for all 150s they are the instrument cluster (broke into two diagrams)

The 1st is "mfi" 5.0 engine performance (i grabbed that one, it's the 1st diagram!) Other choices were "sfi" and even more listed transmission types, to acquire the correct engine performance diagrams (in all, I have about 6 choices w/ a 5.0). So what it boils down to is, I got the right diagrams. Or you are gonna have to send more info so I can! Mfi?Sfi? Tranny? Will help me a bunch!

I did a quick scan of the 1st diagram, the coil pic, shows it going to another diagram. The gauges. That's sorta how I made my choices on grabbing the instrument diagrams

There's like a hundred diagrams for various engine applications. That's why we need to get specific!

Sorry if I ain't really helpin' real good, thus far

Let me know if you cannot read these, as I do not know what size they will be when I post.I can explain a "private" "safe" way to get them to you. Don't just blurt out your private info here!

Night night time here!

I was also given another source, I have access to (ford stuff only). Just was told how to get in yesterday, I have not been in yet. One of our big guys was nice enough to clue me in! So if you still like, I can see what it offers when I wake up!

See you later today, it's 0220 eastern here, wifeys gonna be upset I stayed up so late!

Dream about jeeps tonight!
Was this
answer
helpful?
Yes
No
Wednesday, October 14th, 2020 AT 2:06 PM (Merged)
Tiny
CJ MEDEVAC
  • MECHANIC
  • 11,005 POSTS
All-righty then

Went to the ford support site, kinda have no clue how to navigate within it!

J & n, are you familiar with the "technical resource center"? If so, maybe you could find something helpful in it?

So i'm gonna stick to what I may be able to give you, within my means, that we can possibly find a common factor in your systems

Yes, I sorta get carried away. But I do try to help, if possible. Some of the other guys "might" vouch for that?

Even though i've told you that i'm sorta shootin' in the dark, I do have a lot of night fire training, and I have scored pretty decent, with confirmed hits on obscure targets!

If you could supply the correct info for your truck, I will try to get the right diagrams. Someone (it may not be me) should be able to figure something out. You may be correct (or not) about the multifunction or the ignition switch. Looks to me like tracing thru the diagrams, might be cheaper than, throwing parts, or last resort hiring someone else to do it.

Can you read the above diagrams? Was the "mfi 5.0" the correct diagram?

You also have the option of telling me to. Go away. And I will, my feelings are unhurtable.

The medic
Was this
answer
helpful?
Yes
No
Wednesday, October 14th, 2020 AT 2:06 PM (Merged)
Tiny
JERBERRR245
  • MEMBER
  • 3 POSTS
I cannot blow up the diagrams since last post ive pulled the dash and inspected all the wiring nothing around the column ha rubbed thru so im going to get the two switches and inspect harness from firewall to relay box under hood my wife tore her acl so ive changed out the ECC relay that fixed it yah me! Great site btw.
Was this
answer
helpful?
Yes
No
Wednesday, October 14th, 2020 AT 2:06 PM (Merged)
Tiny
JESSICA STAFFORD
  • MEMBER
  • 7 POSTS
  • 1993 FORD F-150
  • 5.8L
  • 6 CYL
  • AUTOMATIC
  • 148,932 MILES
I checked all of the of the fuses and relays. I have replace the ignition module and I am getting power to the harness. I am at a loss. Any suggestions would be greatly appreciated. Thank you in advance.
Was this
answer
helpful?
Yes
No
Wednesday, October 14th, 2020 AT 2:06 PM (Merged)
Tiny
OBXAUTOMEDIC
  • MECHANIC
  • 3,711 POSTS
Hello,

Okay, so I believe you mean a 4.9l engine. Anyway did you check the cap and rotor? Also, with cap off did you check to make sure the rotor was spinning while attempting to start. This vehicle is known to have a Plastic Timing Gear.

Mark
Was this
answer
helpful?
Yes
No
+1
Wednesday, October 14th, 2020 AT 2:06 PM (Merged)
Tiny
JESSICA STAFFORD
  • MEMBER
  • 7 POSTS
I originally put that the rotor turns while cranking and the cap and rotor are fairly new, but I rotated my screen and the site booted me back to start. My apology and the engine is 5.8. I suppose it could be considered a 1993 or 1994 it was built 6/93.
Was this
answer
helpful?
Yes
No
Wednesday, October 14th, 2020 AT 2:06 PM (Merged)
Tiny
OBXAUTOMEDIC
  • MECHANIC
  • 3,711 POSTS
Okay, so the most likely problem is the PIP/crank sensor inside the distributor. Your choice to either disassemble distributor to replace it or just purchase new one.

Mark
Was this
answer
helpful?
Yes
No
Wednesday, October 14th, 2020 AT 2:06 PM (Merged)
Tiny
JIMWARMEY
  • MEMBER
  • 1 POST
  • 1992 FORD F-150
Electrical problem
1992 Ford F150 V8 Two Wheel Drive Automatic

Hi i'm having problems with my F-150 i was driving and switched fuel tanks then it shut off and i dont even get fuel or a spark either. i was told this is probably a pcm unit problem, but i've tried several stores and no one has any idea about a pcm unit for this car. i pulled out what i thought was the pcm the part number is VF2TB-10D840-AA is this the right part to replace or am i totally looking the wrong way.


http://www.2carpros.com/forum/automotive_pictures/456343_MVC002L_1.jpg



http://www.2carpros.com/forum/automotive_pictures/456343_MVC001L_1.jpg

Was this
answer
helpful?
Yes
No
Wednesday, October 14th, 2020 AT 2:06 PM (Merged)
Tiny
BLACKOP555
  • MECHANIC
  • 10,386 POSTS
No way is that a pcm.

The pcm is where the big harness of wires connects to under the hood. Will have cooling fins on it. Should be driver side of vehicle.
Was this
answer
helpful?
Yes
No
Wednesday, October 14th, 2020 AT 2:06 PM (Merged)
Tiny
BIGJOHN610
  • MEMBER
  • 5 POSTS
  • 1991 FORD F-150
  • 5.0L
  • V8
  • 4WD
  • AUTOMATIC
  • 113,000 MILES
My truck quit running one day and would not restart. I checked fuel pressure, it was fine. I started checking for spark. No spark. Checked for signal coming into coil and there was none. I decided to replace the pickup coil, ignition module, and coil with new Motorcraft replacements. I reinstalled the distributor and coil, and checked initial timing. The truck ran great for 30 minutes, and revved up to 2,000 rpm's, battery light was flickering while this was happening, and shut off. It would not restart. Same problem, no signal to the coil. I tried unplugging the spout connector, still no signal. The next morning, it started right up and did the same thing as the day before. Any ideas? Anybody?
Was this
answer
helpful?
Yes
No
Wednesday, October 14th, 2020 AT 2:06 PM (Merged)
Tiny
SCGRANTURISMO
  • MECHANIC
  • 4,897 POSTS
Hello,

This could be a number of things from the Ignition Control Module (ICM), The Power-train Control Module (PCM), The Spark Output (SPOUT) connector, spark plug wires, or the spark plugs themselves. But, in the diagrams down below I have included an Ignition System Troubleshooting flowchart for you to go through. Please go through it and get back to us with what you find out.

Thanks,
Alex
2CarPros
Was this
answer
helpful?
Yes
No
Wednesday, October 14th, 2020 AT 2:06 PM (Merged)

Please login or register to post a reply.