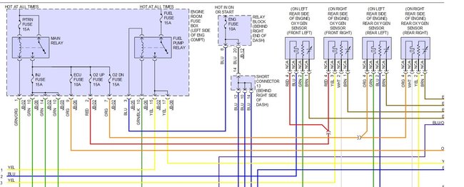
A full line trace shows the relay fed by the fuel fuse, then out of the relay as a yellow wire to the fuel cut sensor, out of the sensor the power is now on a red wire to the pump.
There should be a Green wire that goes to the fuel gauge from the sending unit in the tank and another Black which is the ground for the fuel gauge.
Green/black stripe, Brown and Red should be the colors on the tank pressure sensor and White and Black for the temperature sensor.
This is assuming that these are correct.
Was this helpful?
Yes
No
-1
Monday, December 28th, 2020 AT 12:25 PM
(Merged)


















