No power going to front actuator

2008 RAM 1500
86 MILES • 5.7L • V8 • 4WD • AUTOMATIC
Avatar
MATTIE0393
  • MEMBER
  • 40 POSTS
There are four wires and one wire has power all the time. And I can hear the transfer case one making noise. So any idea why there isn’t any power going to front actuator? I put a 6” lift in my truck and a 3” body lift too. so I don’t know if that would have anything to do with why no power going to other 3 wires.. help
Sep 3, 2019 at 4:25 PM
Advertisement
Avatar
STRAILER
  • CAR REPAIR CONTRIBUTOR
  • 54,248 POSTS
Hello,

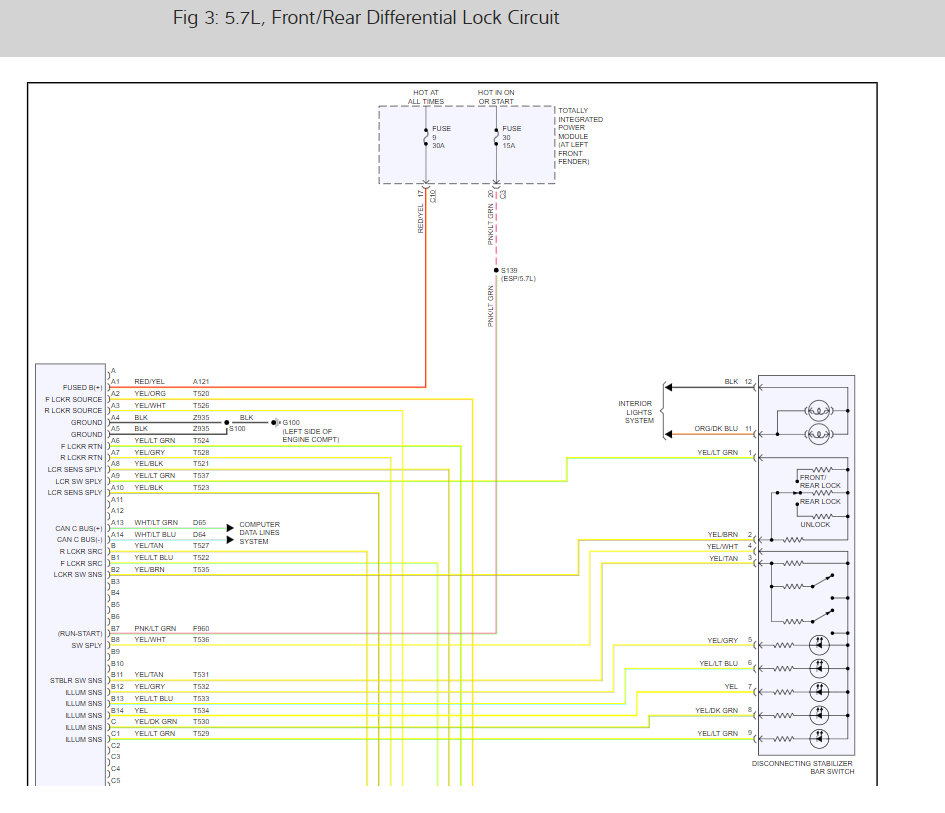
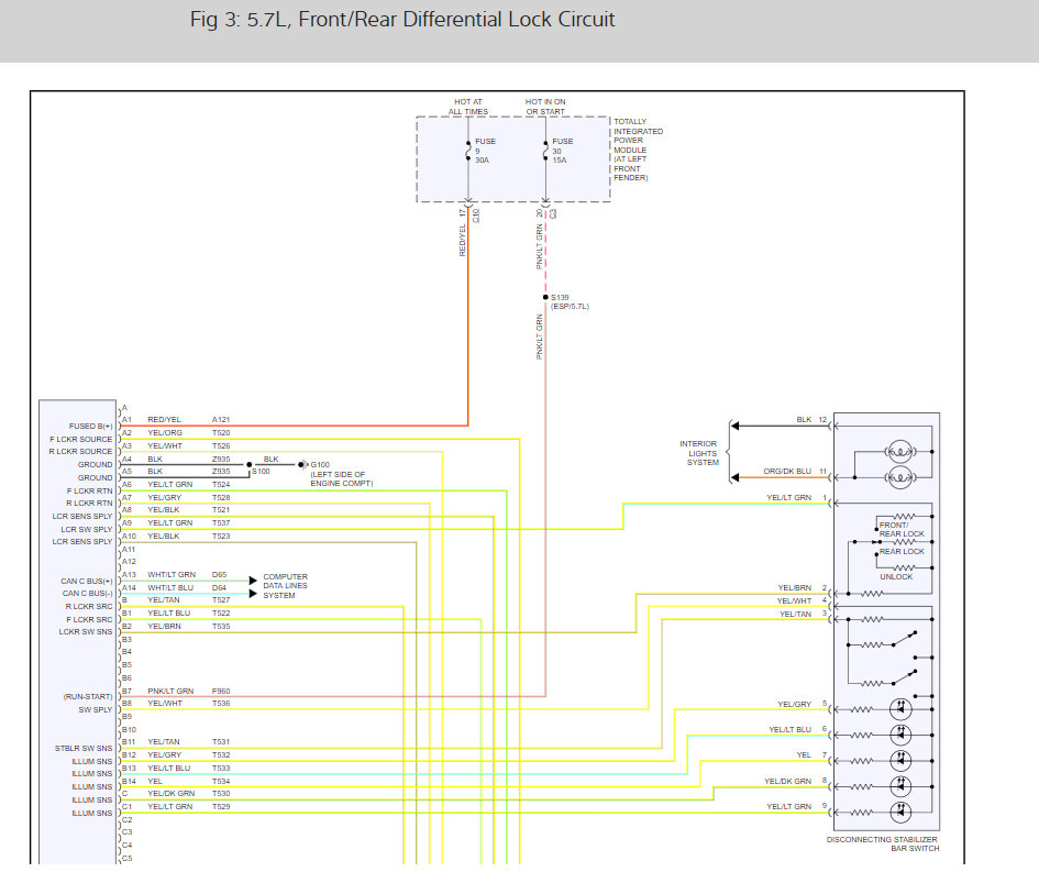
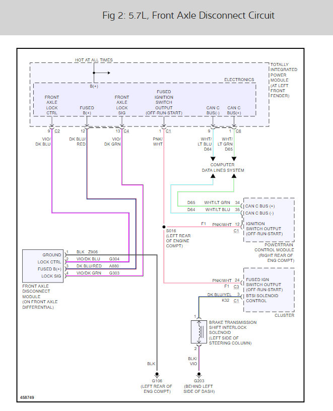
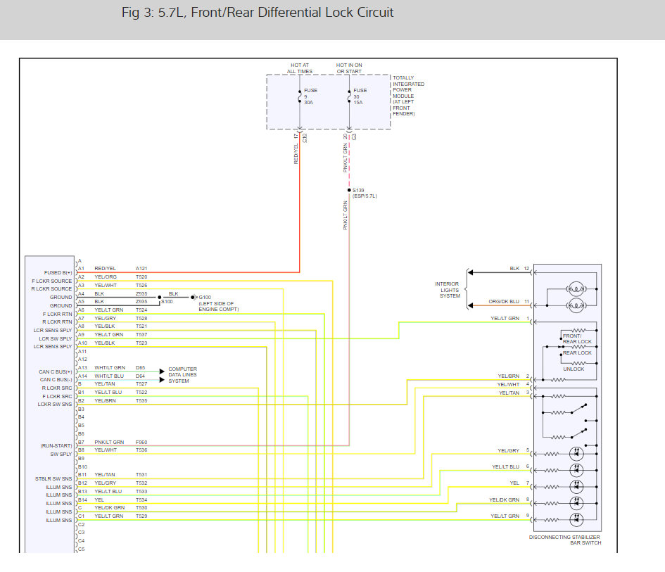
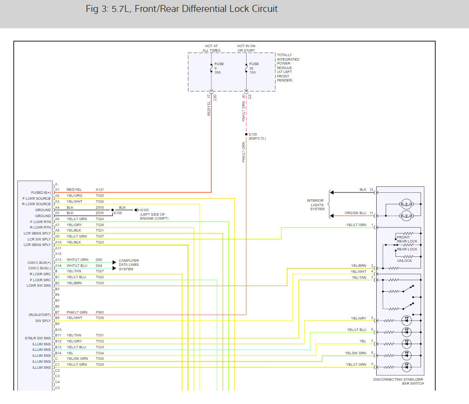
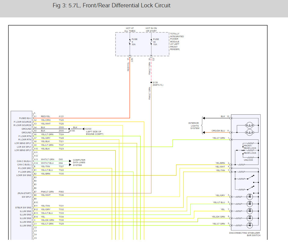
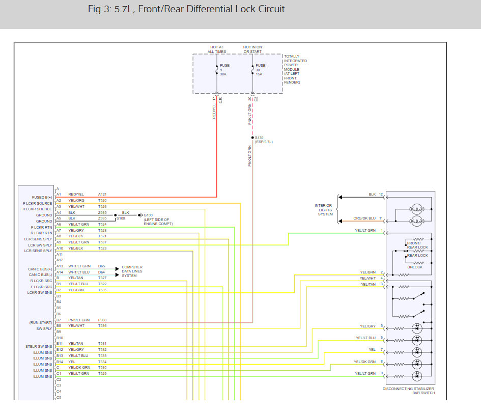
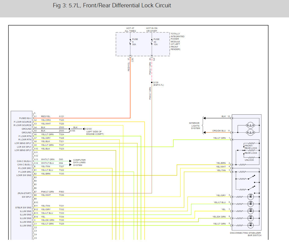
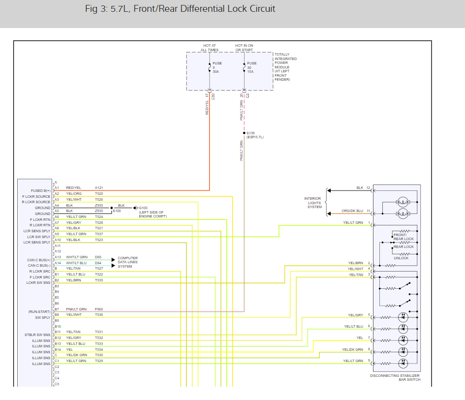
There are fuses and the TIPM that control the 4WD system. can I ask if the problem happened directly after the lift? If so lets check the fuses and grounds. here are the transfer case and 4WD actuator wiring diagrams so you can see which fuses to check and how the system works. I have included the fuse location as well and TIPM replacement instructions which is easy because it self initializes.

https://www.2carpros.com/articles/how-to-check-a-car-fuse

Check out the diagrams (below). Please let us know what you find. We are interested to see what it is.
Sep 4, 2019 at 7:05 PM
Advertisement
Avatar
MATTIE0393
  • MEMBER
  • 40 POSTS
Lol, that I am not sure one but I thought I checked four wheel drive after I did the lift and everything worked. And I checked all fuse like five times they all looked good. I was thinking maybe a ground wire too but where in the heck would it be. I know I got power to one wire but the other three nothing. And if you follow from actuator wire up to main harness up by fire wall and battery I check the voltage there and I still only have one wire with power all the time and not the other three. And if it was a ground where would it be at?
Sep 5, 2019 at 6:10 PM
Avatar
STRAILER
  • CAR REPAIR CONTRIBUTOR
  • 54,248 POSTS
Lets run the codes to see what comes up that should point us in the right direction. here is a guide:

https://www.2carpros.com/articles/checking-a-service-engine-soon-or-check-engine-light-on-or-flashing

Please run down this guide and report back.
Sep 7, 2019 at 12:50 PM
Avatar
MATTIE0393
  • MEMBER
  • 40 POSTS
There is no check engine light that stays on. There is no power going to the front actuator, but I have power to one wire all the time. And it’s kind of weird because the wiring harness that goes from actuator up the the main harness I only get power out of one wire there too.
Sep 8, 2019 at 6:47 AM
Avatar
STRAILER
  • CAR REPAIR CONTRIBUTOR
  • 54,248 POSTS
This sounds like a typical TIPM that is out. All fuses are good? I would try the TIPM.
Sep 9, 2019 at 10:55 AM
Avatar
MATTIE0393
  • MEMBER
  • 40 POSTS
Yea, but that was replaced and I asked Dodge dealer if they program it and they told me yes if it wasn’t programmed that my truck wouldn’t be starting.
Sep 9, 2019 at 2:55 PM
Avatar
STRAILER
  • CAR REPAIR CONTRIBUTOR
  • 54,248 POSTS
With the key on can you check for power from 12 and 1 at the TIPM please let me know what you find. Check the wiring diagrams above.
Sep 10, 2019 at 10:49 AM
Avatar
MATTIE0393
  • MEMBER
  • 40 POSTS
What you mean power from 12 and 1? At the TIPM. If the TIPM wasn’t working would the transfer case motor be working? Because I can hear that one.
Sep 10, 2019 at 5:05 PM
Avatar
STRAILER
  • CAR REPAIR CONTRIBUTOR
  • 54,248 POSTS
Yes, power output at 12 and 1 at the TIPM. Can you please shoot a quick video with your phone so we can see what's going on?that would be great. You can upload it here with your response.
Sep 11, 2019 at 10:07 AM
Avatar
MATTIE0393
  • MEMBER
  • 40 POSTS
Yes I will when I get off work
Sep 11, 2019 at 10:11 AM
Avatar
STRAILER
  • CAR REPAIR CONTRIBUTOR
  • 54,248 POSTS
Sounds good.
Sep 11, 2019 at 10:36 AM
Avatar
MATTIE0393
  • MEMBER
  • 40 POSTS
This wire harness goes up kind of battery and fire wall and there is no power except one wire. I can try and get better video tomorrow right now it’s storming out bad here.
Sep 11, 2019 at 5:45 PM
Avatar
STRAILER
  • CAR REPAIR CONTRIBUTOR
  • 54,248 POSTS
Okay sure sounds like the TIPM is out.
Sep 12, 2019 at 10:09 AM
Avatar
MATTIE0393
  • MEMBER
  • 40 POSTS
But that a brand new one they just put in from dodge
Sep 12, 2019 at 2:45 PM
Avatar
MATTIE0393
  • MEMBER
  • 40 POSTS
I just called our dumb Dodge dealer here that put the TIPM in and I asked them again if they program the TIPM and they said yes I told them that I replaced the actuator cause they told me it was bad and he asked me what kind I got I said I ordered it from 1a auto and he told me I need to get it from dodge so I told him it doesn’t makes a difference where I get it from there is no dam power going to the front actuator expect one wire. He told me I could have up to 50 - 100 in it if it’s not the TIPM but if it is then it’s covered cause my TIPM is covered up to two years he said he don’t think it’s the TIPM. I hate this dodge dealer here in Dubuque Iowa they are so rude.
Sep 12, 2019 at 3:14 PM
Avatar
MATTIE0393
  • MEMBER
  • 40 POSTS
Got a question. okay, so how would I know if my transfer case motor is bad if it’s bad does that give power up to front actuator or not and I can hear the transfer case motor work well I think it’s working cause it makes a noise but if the transfer case motor isn’t full functioning Would that mess with the power up front to actuator?
Sep 12, 2019 at 5:44 PM
Avatar
MASTERWRENCH
  • CAR REPAIR CONTRIBUTOR
  • 258 POSTS
Can you tell us what the vehicle is doing when you shift it into 4wd? Does the 4wd indicator in the dash continue to flash after you turn the knob or does it flash and then turn solid?
This may shed a little light on what the vehicle is seeing.

Here's how the system functions...... The 4wd shift knob is hardwired to the cluster. When you change knob position, the cluster reads this change and sends a message over the vehicle network to the TIPM. Once the TIPM sees a command to shift from 2wd to 4wd, it first activates the shift motor on the transfer case which should engage the front drive shaft. Once the TIPM sees the mode change completed via the position sensor in the t-case shift motor, it then activates the Front Axle Disconnect(FAD) motor. If it never sees the mode change in the t-case, it's never going to actuate the FAD.

With the truck in 2wd, have someone slowly drive the truck forward so you can watch the front driveshaft. Make sure it's not moving in 2wd. Then have your helper shift to 4HI and see what the driveshaft does. It should start spinning at this point. If it doesn't, we need to start looking at the t-case shift motor or its wiring.

Let us know what you find!
Sep 15, 2019 at 7:28 PM
Avatar
MATTIE0393
  • MEMBER
  • 40 POSTS
Masterwrench, I just posted a video for you.
Sep 16, 2019 at 3:52 PM
Avatar
MATTIE0393
  • MEMBER
  • 40 POSTS
When I lock the four wheel drive in the front drive shaft turns when lock in 4wd. And when not locked in it does not move.
Sep 16, 2019 at 4:04 PM
Avatar
MASTERWRENCH
  • CAR REPAIR CONTRIBUTOR
  • 258 POSTS
Those videos are perfect! Thanks for verifying that. When you have it shifted into 4 Hi, does it feel like it's in 4wd when making turns on dry pavement?
Sep 17, 2019 at 5:09 AM
Avatar
MATTIE0393
  • MEMBER
  • 40 POSTS
No it doesn’t do anything. I checked for voltage and I am only get voltage out of the one wire. From front actuator and I follow the wiring harness up to where it hooks up to and I am only getting power to one wire there is two if you want I can take a video later to show you what I am talking about. if you do not know.
Sep 17, 2019 at 10:05 AM
Avatar
MATTIE0393
  • MEMBER
  • 40 POSTS
No it doesn’t feel like it’s in four wheel drive. I got no power going to front actuator expect 1wire.
Sep 17, 2019 at 5:10 PM
Avatar
MATTIE0393
  • MEMBER
  • 40 POSTS
No it doesn’t feel like 4wd goes in when I turn the wheel I cannot feel it. And there is no power going to front actuator expect one wire.
Sep 17, 2019 at 5:42 PM
Avatar
MASTERWRENCH
  • CAR REPAIR CONTRIBUTOR
  • 258 POSTS
Okay. That helps rule a few things out. At this point, we know the shift motor is responding to the switch and changing modes the way it supposed to. The fact that it shifts back and forth between 2 Hi and 4 Hi suggests that the position sensor on the transfer case is most likely working the way it should too.

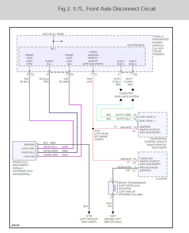
This brings us back to the front axle disconnect(FAD). You mentioned only having power on one of the wires at the disconnect actuator. Are you measuring this with a volt meter or a test light? There should only be one circuit there with full 12v on it. So if you're using a test light, it's only going to light on that one circuit. Take a look at the attached wiring diagram of the FAD system. Pin 3(dark blue w/red tracer) at the FAD connector should have 12v with the ignition key on. Pin 4(violet w/dark green tracer) is the signal circuit and should have some amount of voltage on it which will change with FAD position(not sure the value as it's not specified in the service manual). Pin 2(violet w/dark blue tracer) is the motor control circuit and should have either power or ground while it's engaging or disengaging.

That being said.... With everything connected, measure the voltage(with a voltmeter) on Pin 2 which turning the shift knob from 2 Hi to 4 Hi. The easiest way to do this is by sticking a paperclip or small pin in the back of the connector to attach your positive lead. Check out the links below for additional information on using a voltmeter and testing circuits.

https://www.2carpros.com/articles/how-to-use-a-voltmeter
https://www.2carpros.com/articles/how-to-check-wiring

Let me know what you find!
Sep 17, 2019 at 8:18 PM
Avatar
MATTIE0393
  • MEMBER
  • 40 POSTS
I know when I tested the wires with a meter it didn’t give anything for other 3 wires.
Sep 18, 2019 at 10:22 AM
Avatar
MASTERWRENCH
  • CAR REPAIR CONTRIBUTOR
  • 258 POSTS
Did you measure any of them while turning the shift knob?
Sep 18, 2019 at 11:09 AM
Avatar
MATTIE0393
  • MEMBER
  • 40 POSTS
What do you mean measure? no numbers light up when I did the other 3 they read 0.
Sep 18, 2019 at 2:57 PM
Avatar
MATTIE0393
  • MEMBER
  • 40 POSTS
So do you think I should go to the computer and pull the plug on it and get some spray electrical cleaner? Or what should I do?
Sep 18, 2019 at 5:09 PM
Avatar
MATTIE0393
  • MEMBER
  • 40 POSTS
Masterwrench help.
Sep 19, 2019 at 3:22 PM
Avatar
MASTERWRENCH
  • CAR REPAIR CONTRIBUTOR
  • 258 POSTS
Sorry for the delayed response. At this point you have one of three things occurring in the four wheel drive system.

1. Tcase position sensor not working. This would prevent the TIPM from determining what position it's in which would cause it to not engage the FAD (not likely based on findings above).

2. Internal FAD actuator failure.

3. Wiring issue between the TIPM and the FAD.

To really narrow it down much further from this point, you would need a scan tool that allows you to monitor the position sensors in the TIPM. If you are able to get access to one, you would need to look at t-case position. It should match the position of your shifter knob. If it never changes to 4HI and continually displays "shift in progress" after you've placed the knob in 4HI, that indicates a position sensor failure at the t-case. If it changes state the way it should, I would suspect a failed FAD actuator at that point.
Sep 21, 2019 at 5:39 AM
Avatar
MATTIE0393
  • MEMBER
  • 40 POSTS
Ya, but if it was a bad sensor is that why I don’t have power to there other 3 wires up at front actuator? Because all I am getting is power to on wire and even power one wire up to that part I showed you up by firewall.
Sep 21, 2019 at 6:56 AM
Avatar
MATTIE0393
  • MEMBER
  • 40 POSTS
And I don’t know if the would of messed something up but I put a 6”lift in and did a 3” body lift .
Sep 21, 2019 at 7:12 AM
Avatar
MATTIE0393
  • MEMBER
  • 40 POSTS
I might check to see again on the fuse what fuse should I look for for my four wheel drive .
Sep 21, 2019 at 6:32 PM
Avatar
MASTERWRENCH
  • CAR REPAIR CONTRIBUTOR
  • 258 POSTS
Have you checked checked voltage on Pin 2 of the FAD connector with it plugged in and while shifting from 2Hi to 4Hi? I know you posted a picture of your meter above, but the screen was blank.

Let me know.
Sep 23, 2019 at 7:24 PM
Avatar
MATTIE0393
  • MEMBER
  • 40 POSTS
Yes and I am only getting power to one pin not other 3.
Sep 24, 2019 at 3:28 PM
Avatar
MATTIE0393
  • MEMBER
  • 40 POSTS
Anyone knows what or if there is a fuse for my front actuator 4x4 and if so what is it called?
Sep 24, 2019 at 3:46 PM
Avatar
STRAILER
  • CAR REPAIR CONTRIBUTOR
  • 54,248 POSTS
Look at the wiring diagrams it shows everything.
Sep 24, 2019 at 7:34 PM
Avatar
MATTIE0393
  • MEMBER
  • 40 POSTS
I checked all fuses and all good. now what should? I do could it be a ground?
Sep 25, 2019 at 4:02 AM
Avatar
MATTIE0393
  • MEMBER
  • 40 POSTS
Masterwrench help me what should I try next
Sep 25, 2019 at 5:23 PM
Avatar
MATTIE0393
  • MEMBER
  • 40 POSTS
You think it could be a bad sensor? But if I had a bad sensor would that not give me power to other 3 wires?
Sep 25, 2019 at 6:45 PM
Repair Safety Notice: This information is for general instructional purposes only. Vehicle repair can be dangerous. Verify all information, follow manufacturer service procedures, use proper tools and safety equipment, and consult a qualified repair shop when needed.