Tuesday, December 26th, 2023 AT 4:12 PM
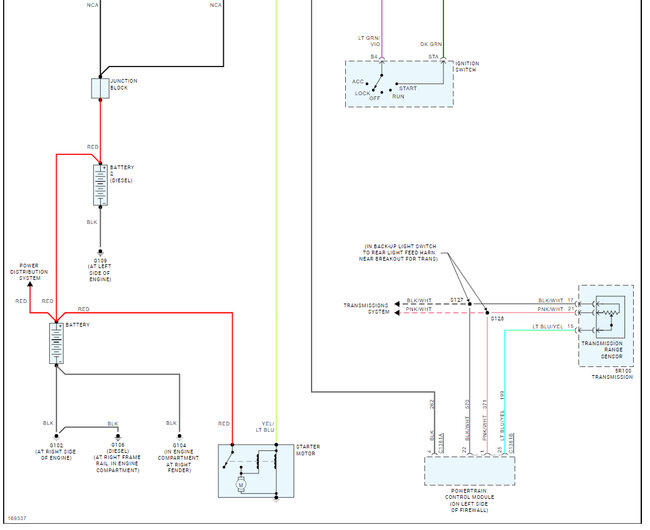
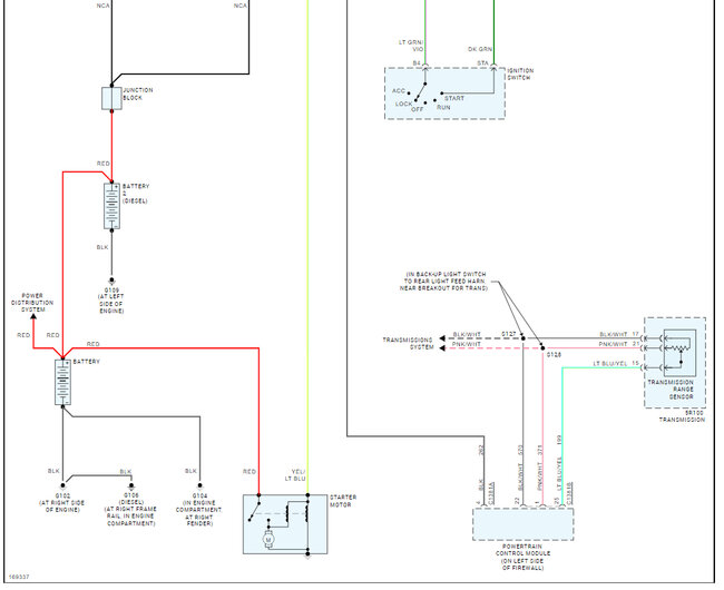
My truck won’t crank or start. I have replaced the battery, the alternator, the ignition, switch, neutral safety switches the belt, the starter it tested fine, replaced or checked all fuses and relays tested all the wires. I have no power going from the fuse box to the S post on the starter zero voltage tester the wires there’s no resistance and fuses numbers 30 through 33 have no voltage, however they used to but now they’re not working. Need help I have to move. My truck been given a three-day warning six days ago.











