No crank no start?

Tiny
HD2424
  • MEMBER
  • 2003 CHEVROLET SILVERADO
  • 265,000 MILES
I have the truck listed above 1500.
I've Silverado rebuilt engine. I have everything plugged up. I’m getting a no crank no start condition. When I turn the key lights come on inside the cabin. I've noticed my reverse lights are not working. I've removed the starter relay and put paper clip in slot 85 using a multi meter ground black prop and checked volts on pin 85
and I get 8 to 4 volts. I’m not getting 12 volts. I have no codes.

This leads me to believe the neutral safety switch is bad. Or could it be something else?
Monday, January 23rd, 2023 AT 7:42 AM

38 Replies

Tiny
AL514
  • MECHANIC
  • 5,595 POSTS
Hello, have you checked the underside of that fuse relay panel? They tend to corrode a lot being exposed to the elements. A lot of times the wires will eventually just break right off from the pins that the relays and fuses sit in, check that first and if it's clean in that panel we can trace the voltage drop back. Is this a 4wd and what size engine, or just give the VIN and I'll look it up from there to get the correct wiring diagrams for the whole vehicle.
Does the truck have dual batteries as well?

https://www.2carpros.com/articles/how-to-check-wiring
Was this
answer
helpful?
Yes
No
+1
Monday, January 23rd, 2023 AT 7:59 AM
Tiny
HD2424
  • MEMBER
  • 191 POSTS
5.3 Vortec 4x4.
Was this
answer
helpful?
Yes
No
Monday, January 23rd, 2023 AT 8:01 AM
Tiny
HD2424
  • MEMBER
  • 191 POSTS
I'll check that for corrosion. Also, no flashing security light.
Was this
answer
helpful?
Yes
No
Monday, January 23rd, 2023 AT 8:02 AM
Tiny
AL514
  • MECHANIC
  • 5,595 POSTS
There's no security light at all? Not even when the truck is off and locked up? This is how the fuse panel will come apart, it's very common for corrosion inside these, especially if you live in an area where they use salt on the roads during winter.
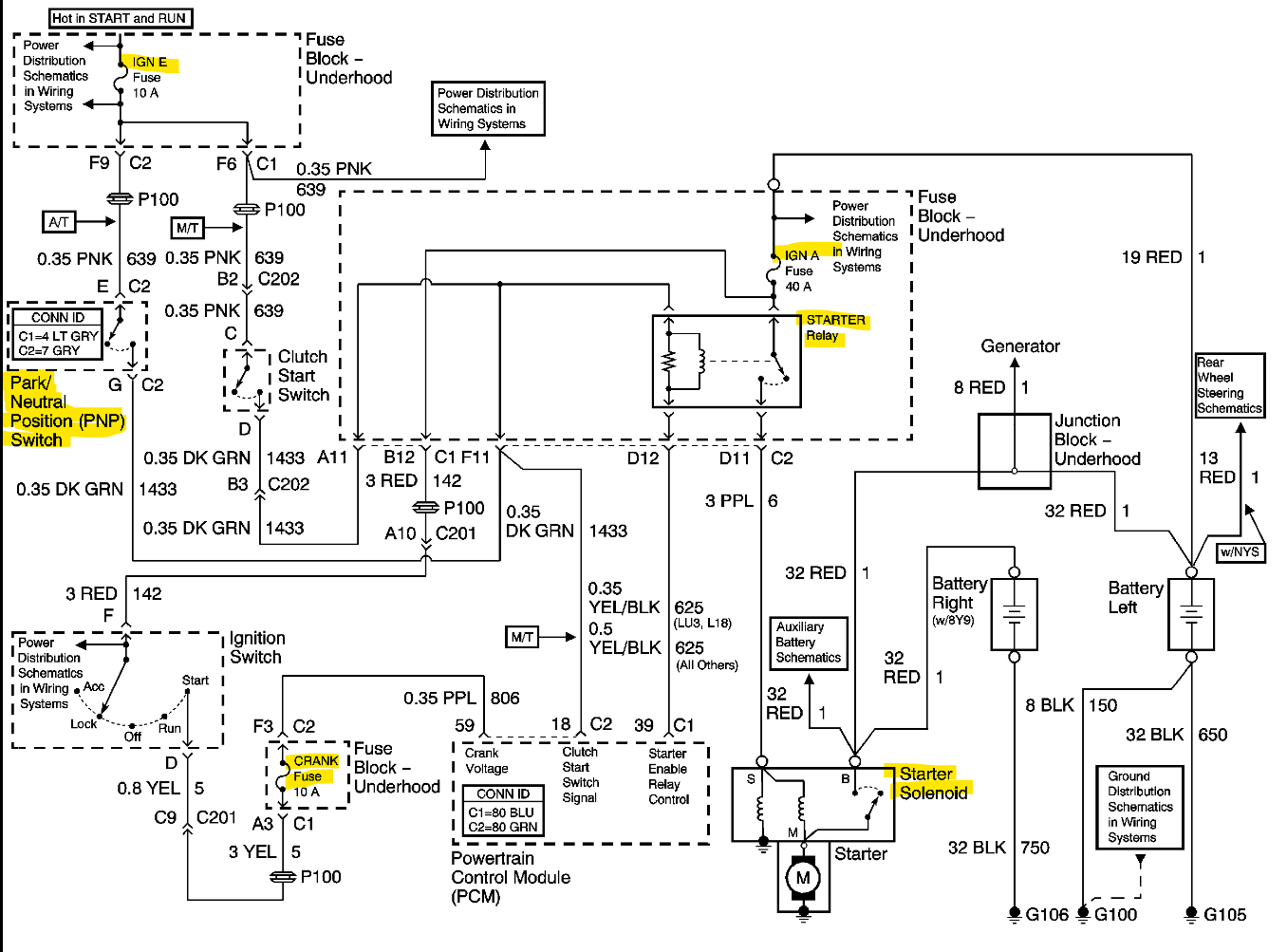
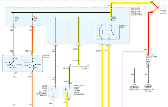
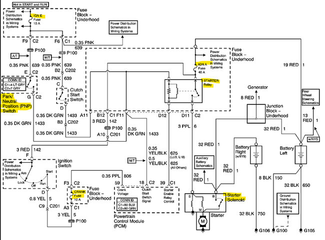
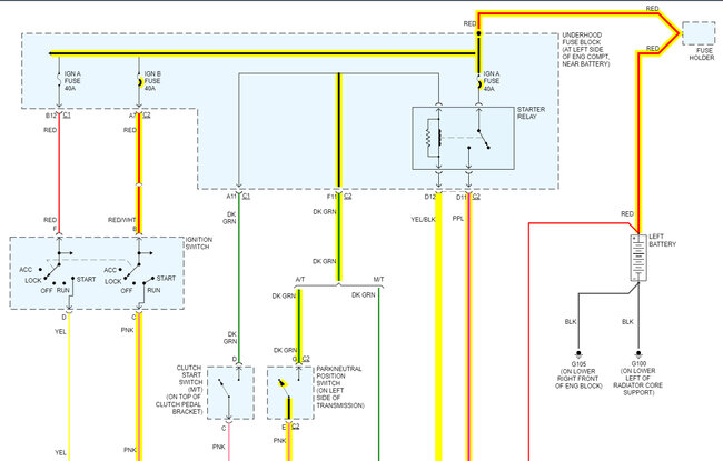
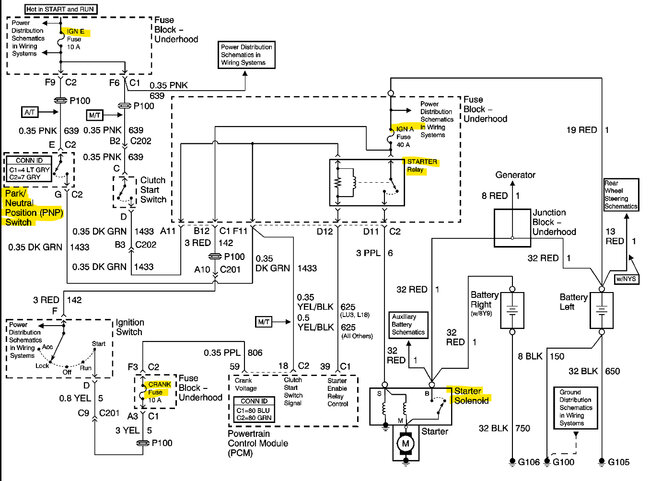
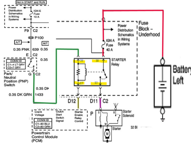
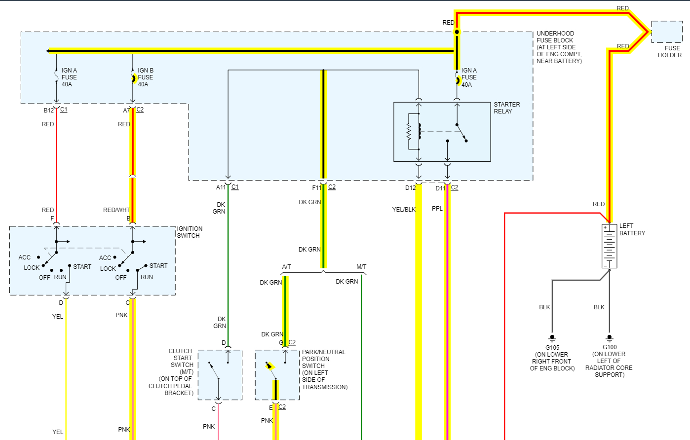
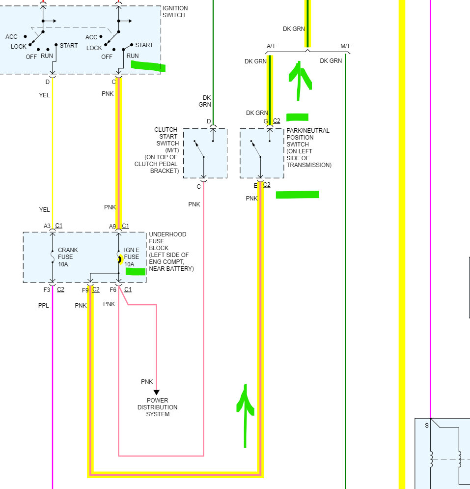
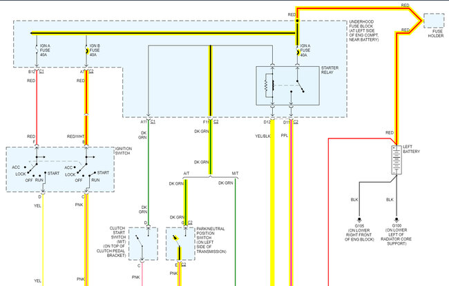
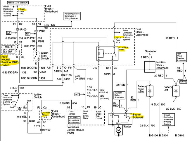
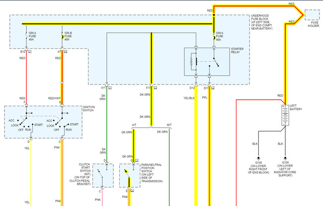
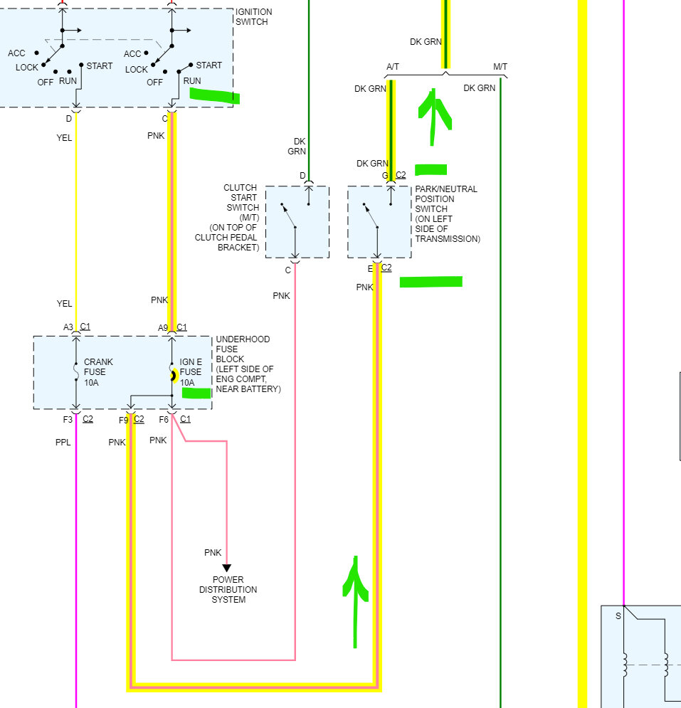
Here's your Starter circuit. Diagram 1 is the top, and the other is the lower section.
I've added the OEM diagram just to verify the wire coloring is correct.
I'm sure you have, but just make sure the battery cables are nice and tight, there's a TSB out for it.
Diagrams 6 and 7 are for the Security light and Ignition switch circuit. I think you may find low voltage to other components as well. Refresh this page to see other diagrams as I post them.
The lower dash fuse panel on the driver side is sometimes exposed to moisture or water intrusion if the door or window seals are worn (8th diagram).

Does your Check engine light come on at just the Key On?
Was this
answer
helpful?
Yes
No
+2
Monday, January 23rd, 2023 AT 8:11 AM
Tiny
HD2424
  • MEMBER
  • 191 POSTS
It comes on when you first turn key then goes off.
Was this
answer
helpful?
Yes
No
Monday, January 23rd, 2023 AT 9:15 AM
Tiny
HD2424
  • MEMBER
  • 191 POSTS
I'll check all you have suggested and get back with you.

Thanks for the help.
Was this
answer
helpful?
Yes
No
Monday, January 23rd, 2023 AT 9:16 AM
Tiny
AL514
  • MECHANIC
  • 5,595 POSTS
Okay, that's good, that means at least the ECM is powering up. If the Check engine light doesn't come on at any point, then you've lost power to the ECM or at least a section of it.
Was this
answer
helpful?
Yes
No
+1
Monday, January 23rd, 2023 AT 9:17 AM
Tiny
HD2424
  • MEMBER
  • 191 POSTS
Okay, i’ll be in touch.
Thanks
Was this
answer
helpful?
Yes
No
Monday, January 23rd, 2023 AT 11:57 AM
Tiny
HD2424
  • MEMBER
  • 191 POSTS
Update: my multi meter was acting up and battery was not fully charged. I fully charged the battery and got a good functioning klein multi meter and when I checked pin 30 on starter relay I had 0 volts. I'm still going to check underneath the fuse box but I think it’s good. I had put it in when I installed the engine. Still no reverse lights except once.

If I find no problem under fuse box. Do you think it’s neutral safety switch?
Was this
answer
helpful?
Yes
No
Monday, January 23rd, 2023 AT 3:10 PM
Tiny
AL514
  • MECHANIC
  • 5,595 POSTS
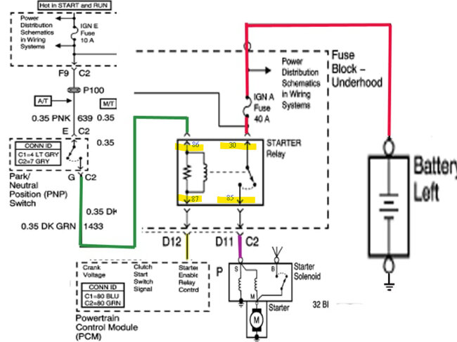
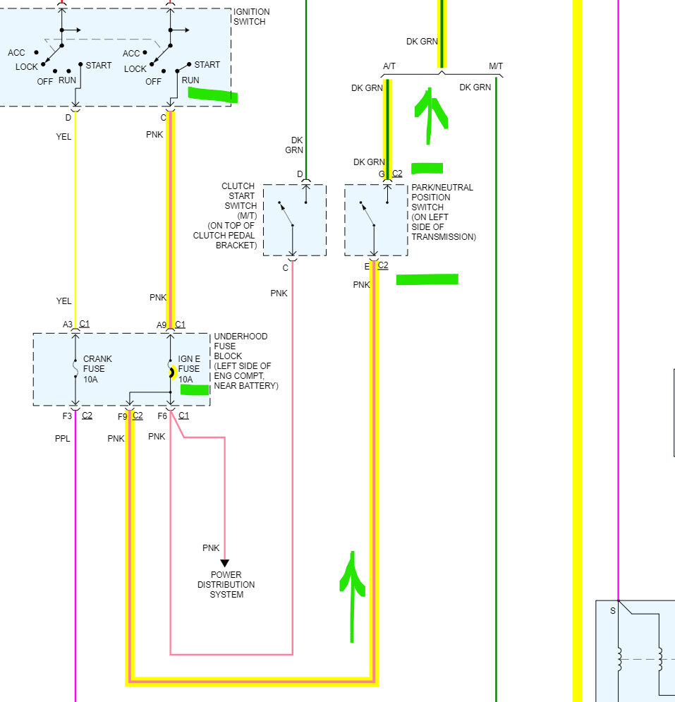
It can be the Park Neutral switch, but test it first, it's a very simple circuit to test, you could actually test the PNP switch and the ECM relay control with one test using the multimeter. The PNP switch gets power from the IGN E Fuse 10-amp while the key is in the Run or Start position. 12volts are going to come from that fuse, go through the PNP switch, through the Starter Relay coil, and down the ECM. But pin 30 is the load side of the relay, not the control side, pin 30 should have power from IGN A fuse 40amp. The wiring diagrams don't show which pins on the relay are the control pins and which are the load pins, do you have a relay that has the little internal diagram on the side? The PNP switch is on the control side of the relay. So, check the ign A fuse for power. I'm not sure why GM doesn't show the pinout for the relays even on the OEM diagrams, but I think you're missing power in a different place.
The relay I'm looking at pin 30 and 87 are the load side feeding power to the Starter, and pins 85 and 86 are the control side of the relay. On the bottom of the relay there should be pin numbers too.
This is a relay I took apart but notice the pin numbers on the bottom. Check to see if you have these.
The 3rd diagram is from a 2005 Silverado, it has the pins labelled. You can see pin 87 is the pin that the ECM grounds to turn the relay on completing the pin 30 and 85 circuit and powering up the starter.

Actually, looking through this other service info, they might not have the pinout correct, but with the key On and the relay out, 2 out of the 4 pins should have 12volts. Does your relay have pinout numbers on the bottom?
Hopefully this is the correct relay you have.
Okay, finally this grey relay is an OEM Chevy Relay, pin 30 is the load, it should have power coming from the IGN A 40amp Fuse.
Sorry for the confusion there. There were a couple errors in some service information.

Disregard that 3rd wiring diagram, which looks incorrect, I'm not sure who labeled that, but it could cause a serious issue if someone tried jumping out the relay pins. I can't seem to delete it.
Was this
answer
helpful?
Yes
No
+1
Monday, January 23rd, 2023 AT 3:51 PM
Tiny
HD2424
  • MEMBER
  • 191 POSTS
Yes, my relay has the numbers on the bottom.
Was this
answer
helpful?
Yes
No
Monday, January 23rd, 2023 AT 5:19 PM
Tiny
HD2424
  • MEMBER
  • 191 POSTS
Okay, i’ll check on all that and update.

Thanks
Was this
answer
helpful?
Yes
No
Monday, January 23rd, 2023 AT 5:35 PM
Tiny
HD2424
  • MEMBER
  • 191 POSTS
Update: checked fuses and ignition A 40 amp has power I ordered neutral park switch. I’ll let you know what happens once installed. I also checked under fuse box and it looked okay.
Was this
answer
helpful?
Yes
No
Tuesday, January 24th, 2023 AT 6:20 AM
Tiny
AL514
  • MECHANIC
  • 5,595 POSTS
Check for 12volts at PNP switch before installing a new one, it will have 12-volts on the pink and dark green wire with the key "on" if it's working.
Was this
answer
helpful?
Yes
No
Tuesday, January 24th, 2023 AT 8:15 AM
Tiny
HD2424
  • MEMBER
  • 191 POSTS
Okay, i’ll check that before I install i’ll update once I find out.
Was this
answer
helpful?
Yes
No
Tuesday, January 24th, 2023 AT 8:57 AM
Tiny
AL514
  • MECHANIC
  • 5,595 POSTS
Technically speaking, with the starter relay out, and key "on" you should have 12volts on 2 of the pins where the relay sits. Thats the fastest way to check all power inputs to the relay.
Was this
answer
helpful?
Yes
No
+1
Tuesday, January 24th, 2023 AT 9:15 AM
Tiny
HD2424
  • MEMBER
  • 191 POSTS
Okay, thanks for input i’ll check that also.
Was this
answer
helpful?
Yes
No
Tuesday, January 24th, 2023 AT 9:53 AM
Tiny
HD2424
  • MEMBER
  • 191 POSTS
Do you know which 2 pins should be hot on starter relay?
Was this
answer
helpful?
Yes
No
Tuesday, January 24th, 2023 AT 10:05 AM
Tiny
HD2424
  • MEMBER
  • 191 POSTS
I see the picture now. I have power at the top right pin of starter relay no power on top left side of relay. Where does that green wire go?
Was this
answer
helpful?
Yes
No
Tuesday, January 24th, 2023 AT 10:10 AM
Tiny
HD2424
  • MEMBER
  • 191 POSTS
Is that dark green wire coming from neutral safety switch?
Was this
answer
helpful?
Yes
No
Tuesday, January 24th, 2023 AT 10:12 AM

Please login or register to post a reply.