No crank no start?

Tiny
AL514
  • MECHANIC
  • 5,595 POSTS
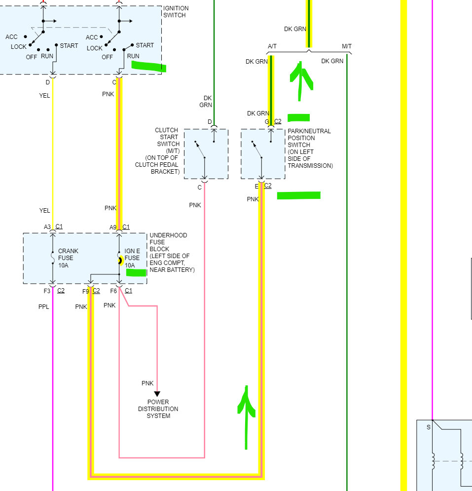
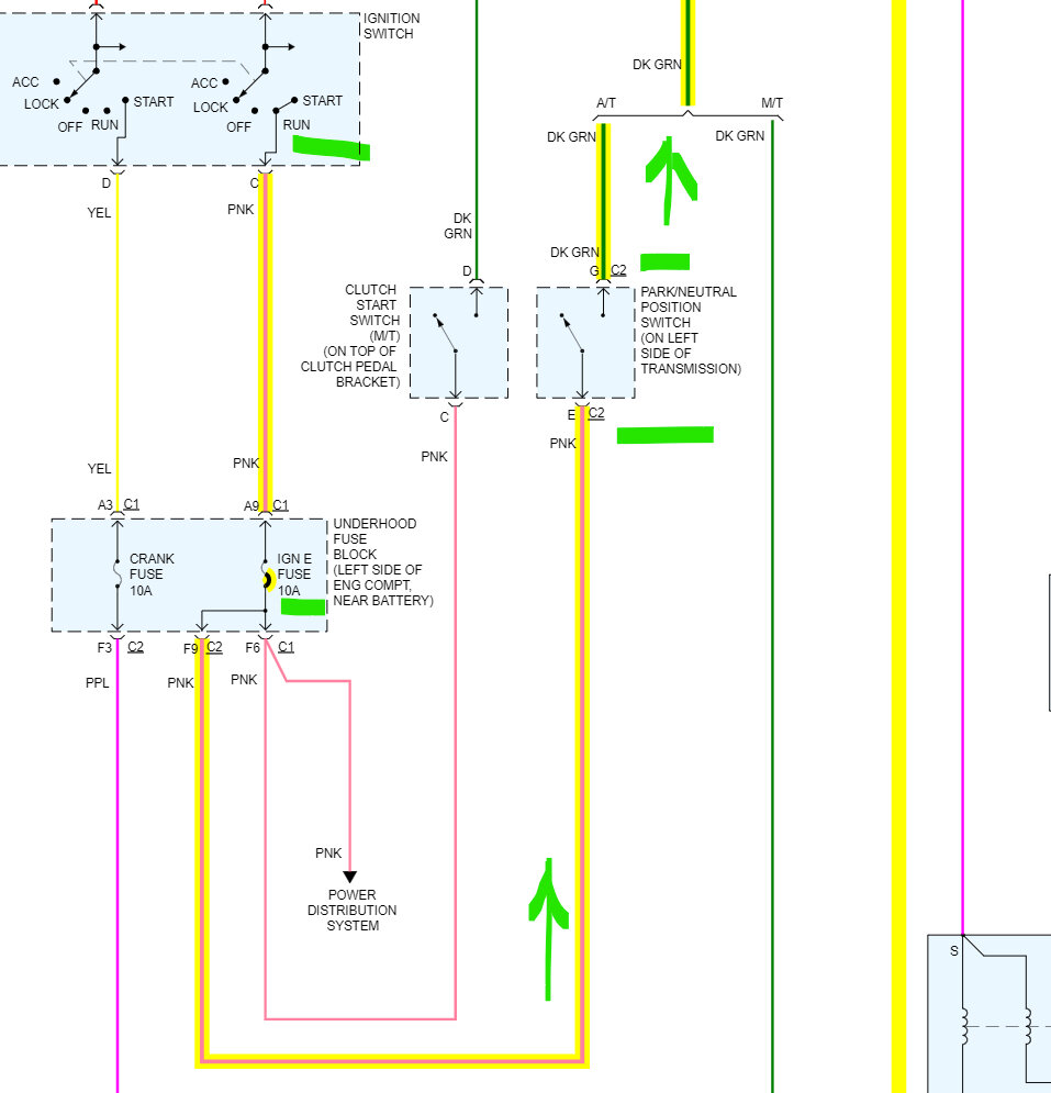
The dark green wire is power coming through the PNP switch, if you're missing power there go to the pink wire on the Park Neutral switch and check for power there, make sure the key is on.
It should look like this. It's the pink wire on a number of different transmissions.
Was this
answer
helpful?
Yes
No
+1
Tuesday, January 24th, 2023 AT 10:33 AM
Tiny
HD2424
  • MEMBER
  • 191 POSTS
Okay, thanks, got it.
Was this
answer
helpful?
Yes
No
Tuesday, January 24th, 2023 AT 12:41 PM
Tiny
HD2424
  • MEMBER
  • 191 POSTS
Update: I found on the pigtail to neutral safety switch a green wire was broken and several of the other wires were frayed. I've ordered a new neutral safety switch and both pig tails to the neutral safety switch. I also found under the fuse box some of the wires on the black plug were somewhat pulled out I pushed them back in and reverse lights started working. My plan is to change the switch and pig tails. Also investigate more under black plug for pulled out wires. Hopefully it will start after all that.
Was this
answer
helpful?
Yes
No
+1
Wednesday, January 25th, 2023 AT 1:56 PM
Tiny
HD2424
  • MEMBER
  • 191 POSTS
Update: I tested the third pin on the neutral safety switch plug like the above diagram specifies. I did have power at that pin. Since I have power there do you think it’s neutral safety switch? It’s getting power but not functioning.

Thanks for all your help I really appreciate it.
Was this
answer
helpful?
Yes
No
Thursday, January 26th, 2023 AT 6:36 AM
Tiny
AL514
  • MECHANIC
  • 5,595 POSTS
The pink wire is the 12-volt power feed, and it comes out the switch on the dark green wire labelled G. There are actually 2 pink wires I see now; one is labelled E and one is labelled C. You want to check the wires labelled E and G. The pink wire labelled E is highlighted in blue on the connector diagram. And 12volts should be coming out on the Dark Green wire. I didn't realize there were 2 Pink wires both labelled Ignition 1 voltage.
Was this
answer
helpful?
Yes
No
+1
Thursday, January 26th, 2023 AT 8:09 AM
Tiny
HD2424
  • MEMBER
  • 191 POSTS
Okay, i’ll check the other pink and let you know.
Was this
answer
helpful?
Yes
No
Thursday, January 26th, 2023 AT 8:38 AM
Tiny
AL514
  • MECHANIC
  • 5,595 POSTS
If 12-volts are there, verify its coming back out on the dark green wire. Were you missing both 12-volt feeds at the relay?
Was this
answer
helpful?
Yes
No
Thursday, January 26th, 2023 AT 8:41 AM
Tiny
HD2424
  • MEMBER
  • 191 POSTS
Update: both pink wires have power both pink wires have power going into neutral safety switch. If power is on both pink wires, then neutral safety switch must be bad? Is this correct?
Was this
answer
helpful?
Yes
No
Thursday, January 26th, 2023 AT 8:45 AM
Tiny
AL514
  • MECHANIC
  • 5,595 POSTS
You have to check that power is going through the switch, it should be going in on the pink wire and coming out on the dark green wire. Thats how the circuit works, if the vehicle is not in Park or Neutral, there will be no power coming out on the dark green wire. If it is in Park or Neutral 12-volts will be coming out on the dark green wire. The dark green wire goes to the Starter Relay.
Was this
answer
helpful?
Yes
No
Thursday, January 26th, 2023 AT 9:21 AM
Tiny
HD2424
  • MEMBER
  • 191 POSTS
Okay, i’ve tested the dark green wire coming out of pig tail on the bigger plug on neutral safety switch no power at the dark green wire there or the dark green wire that goes to starter relay. Would this mean there is short on dark green wire, or the neutral safety switch is bad because it’s not sending power to dark green wire?
Was this
answer
helpful?
Yes
No
Thursday, January 26th, 2023 AT 9:22 AM
Tiny
AL514
  • MECHANIC
  • 5,595 POSTS
As long as the key was "on", it's not a short, it's an open circuit. You can try putting the vehicle in Neutral to and run the same test, but yes there should be power coming out on the dark green wire going to the Starter Relay. Make sure the Park Neutral switch connector is not corroded or anything, but it sounds like you have found the issue. Try moving the shifter from Park to Neutral and back to Park just to verify that it's not something in the linkage going to the PNP switch. Sometimes the linkage wears and the switch does get moved all the way into Park. The linkage to the switch should be tight.
The new switch should come with a small alignment bracket, (Positive Assurance Bracket) to make sure the switch goes on correctly, there is an alignment tool J41364 A that is used if the switch is taken off for other reasons, but a new one should come with it aligned.
Was this
answer
helpful?
Yes
No
+1
Thursday, January 26th, 2023 AT 10:29 AM
Tiny
HD2424
  • MEMBER
  • 191 POSTS
Okay, i’ve done trying to wiggle shifter and in neutral. I’ve got new pigtails and a new switch ordered once I have installed i’ll post an update.

Thanks
Was this
answer
helpful?
Yes
No
Thursday, January 26th, 2023 AT 10:35 AM
Tiny
AL514
  • MECHANIC
  • 5,595 POSTS
Read my last post. There's info on aligning the new switch.
Was this
answer
helpful?
Yes
No
+1
Thursday, January 26th, 2023 AT 10:37 AM
Tiny
HD2424
  • MEMBER
  • 191 POSTS
Okay, I understand that should the transmission be in neutral?
Was this
answer
helpful?
Yes
No
Thursday, January 26th, 2023 AT 10:54 AM
Tiny
AL514
  • MECHANIC
  • 5,595 POSTS
Yes, here's the instructions for replacing the switch. There are 2 different transmissions for this truck, but it's the same when replacing the Park Neutral switch. Just put some blocks under the wheels to prevent it from rolling while doing the repair.
Was this
answer
helpful?
Yes
No
+2
Thursday, January 26th, 2023 AT 11:37 AM
Tiny
HD2424
  • MEMBER
  • 191 POSTS
Okay, got it, thanks.
Was this
answer
helpful?
Yes
No
Thursday, January 26th, 2023 AT 11:52 AM
Tiny
HD2424
  • MEMBER
  • 191 POSTS
Update: changed out neutral safety switch, truck started right up.

Thanks a million for all your help.
Was this
answer
helpful?
Yes
No
Saturday, February 4th, 2023 AT 1:33 PM
Tiny
AL514
  • MECHANIC
  • 5,595 POSTS
Awesome, good news, glad you got it going. Have a good day.
Was this
answer
helpful?
Yes
No
+1
Saturday, February 4th, 2023 AT 1:35 PM

Please login or register to post a reply.