No crank no start?

Tiny
ZURENARRH
  • MEMBER
  • 2007 CHRYSLER PT CRUISER
  • 2.4L
  • 4 CYL
  • 2WD
  • AUTOMATIC
  • 200,000 MILES
Prior to the issue, I only had trouble starting one time. Replaced battery, starter, ignition switch, and PCM. Getting appropriate voltage when tested, fuses/relays good, verified no security lock active. Discovered the vehicle had ZERO oil. I did fill the oil once I discovered it was empty. Cannot get enough space to manually turn engine, but can push and move in 1st and 3rd gear. Why will it still not crank?
Friday, April 14th, 2023 AT 5:18 PM

15 Replies

Tiny
JACOBANDNICKOLAS
  • MECHANIC
  • 110,192 POSTS
Hi,

When you try to start it, do you hear anything happen? For example, do you hear a click or do the lights dim on the dash?

Does this have a manual or automatic transmission? You indicated it's an automatic, but you mentioned moving it in 1st and 3rd. That leads me to think it's a manual transmission.
Please let me know.

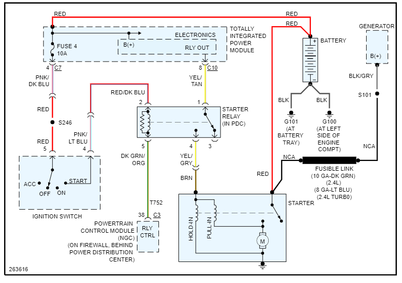
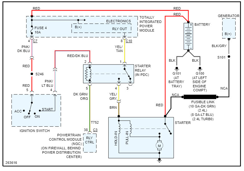
If it is an automatic, see if there is a difference if you try starting it in neutral. If there is no change, take a look below. I attached the starter motor wiring schematic so that you have a reference.

Check and make sure fuse 4 is good in the totally integrated power module (TIPM). Additionally, make sure there is power to and from it.

Here is a link you may find helpful:

https://www.2carpros.com/articles/how-to-check-a-car-fuse

If that checks good, remove the starter relay and switch it with one in the box having the same part number to see if that makes a change. If there isn't one, here is a link that explains how to test a relay:

https://www.2carpros.com/articles/how-to-check-an-electrical-relay-and-wiring-control-circuit

If that is also good and has power, we need to go to the starter motor. At the starter, there will be a smaller gauge wire. It will either be brown, or it could be yellow with a gray tracer. This wire only gets power when the key is in the start position. So, have a helper turn the key to the start position while you check that wire for power.

Let me know what you find or if you have questions.

Take care,

Joe

See pic below.
Was this
answer
helpful?
Yes
No
Friday, April 14th, 2023 AT 9:38 PM
Tiny
ZURENARRH
  • MEMBER
  • 10 POSTS
Thank you for your reply. I really appreciate the help.

When I try to start it, there's one click-like sound then nothing.

It is an automatic, but I turned the key to the on position, then I put the shifter into 1st, 3rd, and reversed and pushed it. When I put it in neutral and try to start it, it does exactly the same thing as it does in park.

When testing the battery, wire from the battery to the starter, and the ignition wire (while someone is turning the key), I get roughly 12 volts. As a note, I have put power directly into the solenoid where it connects to the ignition wire. I can hear the starter engage then stop.

I didn't run a check on the fuses (there are no traditional relays), but I did switch them out, which did not have any effect.

I'm afraid there's seizing in the motor or engine, but I'm not sure how to test or where to look.
Was this
answer
helpful?
Yes
No
Saturday, April 15th, 2023 AT 3:58 PM
Tiny
ZURENARRH
  • MEMBER
  • 10 POSTS
Attached are videos of trying to start the car from inside, and in the engine.
Was this
answer
helpful?
Yes
No
Saturday, April 15th, 2023 AT 4:06 PM
Tiny
JACOBANDNICKOLAS
  • MECHANIC
  • 110,192 POSTS
Hi,

It is possible that the engine has seized. What to do is this: At the bottom of the engine is the crankshaft pulley/harmonic balancer. In the center of it is a bolt. Place a socket on it and a breaker bar and see if the engine will turn.

Try that and let me know what you find or if I can help in any way.

Take care,

joe
Was this
answer
helpful?
Yes
No
Saturday, April 15th, 2023 AT 9:27 PM
Tiny
ZURENARRH
  • MEMBER
  • 10 POSTS
I was able to turn the engine manually. Now I'm more confused than ever.
Was this
answer
helpful?
Yes
No
Monday, April 17th, 2023 AT 4:55 PM
Tiny
JACOBANDNICKOLAS
  • MECHANIC
  • 110,192 POSTS
Hi,

That's good news. So, we either have a faulty starter, a battery issue, or a connection issue. We need to check if power is lost at the starter motor.

I circled a brown wire that goes to the starter. It is the trigger wire. It will have no power to it until the key is in the start position. I need you to check that wire for power, so you will need a helper to turn the key and hold it for a couple of seconds so you can determine if power remains or is lost.

Let me know what you find.

Joe

See pic below.
Was this
answer
helpful?
Yes
No
Tuesday, April 18th, 2023 AT 6:55 PM
Tiny
ZURENARRH
  • MEMBER
  • 10 POSTS
I tested the wire and it gets about 12v when the key is turned.
Was this
answer
helpful?
Yes
No
Wednesday, April 19th, 2023 AT 6:34 AM
Tiny
JACOBANDNICKOLAS
  • MECHANIC
  • 110,192 POSTS
If that is the case and the heavier gauge wire gets battery voltage, then either the starter is no good or we have a faulty connection. Check the connection between the battery negative and the engine block. Also, reconfirm the power supply is in good condition between the battery and the starter motor.

Let me know.

Joe
Was this
answer
helpful?
Yes
No
Wednesday, April 19th, 2023 AT 3:14 PM
Tiny
ZURENARRH
  • MEMBER
  • 10 POSTS
I tested the wire from the battery to the starter and it's good. The red wire to the engine is good at the battery terminal, and the integrated power unit has power. I don't see where the wire attaches directly to the engine. I installed a new starter relay and tested the port where it plugs in. 30 and 86 are showing power, 87 and 85 are showing ground when tested. I also tested all of the fuses and they are good. Also, I have already replaced the battery, starter, and ignition switch.
Was this
answer
helpful?
Yes
No
Saturday, April 22nd, 2023 AT 3:39 PM
Tiny
ZURENARRH
  • MEMBER
  • 10 POSTS
Correction: PIN 85 is *not* showing ground. It should show ground for the PCM. I have already replaced the PCM (purchased it programmed).
Was this
answer
helpful?
Yes
No
Saturday, April 22nd, 2023 AT 5:35 PM
Tiny
JACOBANDNICKOLAS
  • MECHANIC
  • 110,192 POSTS
Hi,

When you checked Pin 85 for the signal ground, was the key in the start position? If it was and the PCM relay control circuit didn't provide a ground path, there is likely a problem with the new PCM, the wire between the two components, or a connection issue.

If you go to the battery and follow the wire from the negative terminal, the heavier gauge wire should lead to the engine block.

Also, take a look at the pics below. See if you can locate those grounds as well for inspection, G100 and G101.

Let me know.

Joe
Was this
answer
helpful?
Yes
No
+1
Saturday, April 22nd, 2023 AT 8:28 PM
Tiny
ZURENARRH
  • MEMBER
  • 10 POSTS
Update: First, I haven't yet followed your most recent instructions (I was checking something and forgot). I realized that my relays were mounted backwards, I haven't been working with the right one. 30 is live, 87 ground, 86 live, 85 is ground but very weak and sometimes blinking when checked (only when key is at "on" position). I followed the wire (green with orange stripe). It ends in the steering column. When I test where the wire connects on that end, I do not get confirmation of ground (tried with key out and in "on" position). I also tested the corresponding pin in the PCM, and it did not give confirmation of ground. I have attached pictures, but they may not show up in order. What are your thoughts?
Was this
answer
helpful?
Yes
No
Tuesday, April 25th, 2023 AT 5:15 PM
Tiny
JACOBANDNICKOLAS
  • MECHANIC
  • 110,192 POSTS
Hi,

The connectors and wiring look new. If the PCM isn't providing a constant ground, that is the likely issue. Is it under warranty? If so, I would contact the supplier.

Let me know.

Joe
Was this
answer
helpful?
Yes
No
Tuesday, April 25th, 2023 AT 6:59 PM
Tiny
ZURENARRH
  • MEMBER
  • 10 POSTS
Solved! First, let me say that I am very grateful for all of your help. You have been amazing.

It turns out it was the ignition switch. When I replaced the starter, I forgot to reattach the ground. Because the ground wasn't attached, the circuit was incomplete.
Was this
answer
helpful?
Yes
No
Tuesday, April 25th, 2023 AT 7:41 PM
Tiny
JACOBANDNICKOLAS
  • MECHANIC
  • 110,192 POSTS
Hi,

You are very welcome. I'm glad to know you found the issue. That is an easy mistake.

Regardless, feel free to come back anytime in the future.

Take care,

Joe
Was this
answer
helpful?
Yes
No
Wednesday, April 26th, 2023 AT 8:18 PM

Please login or register to post a reply.

Related Engine Not Cranking Over Content