Still no brake lights at all after replacing brake light switch

Tiny
JARROD379
  • MEMBER
  • 1996 CHEVROLET SUBURBAN
  • 25,469 MILES
Hi, I just replaced the brake light switch and I still don’t have any lights. All the other lights come on but no brake lights. I have turn signals. Can some one tell me what is wrong?
Thursday, June 20th, 2019 AT 5:37 PM

1 Reply

Tiny
JACOBANDNICKOLAS
  • MECHANIC
  • 110,194 POSTS
Welcome to 2CarPros.

Since the turn signals are working, it shouldn't be a ground problem. However, we need to determine if there is power to the brake light switch you installed. It should have power at all times regardless if the key is on or off.

Using a test light, I need you to check for power to the orange wire at the switch. See pic 1. I circled where to check. If there is power there, the next thing I need you to confirm is that it was installed correctly.

If there is no power, confirm the stop/hazard fuse in the interior fuse box is good. See picture 3

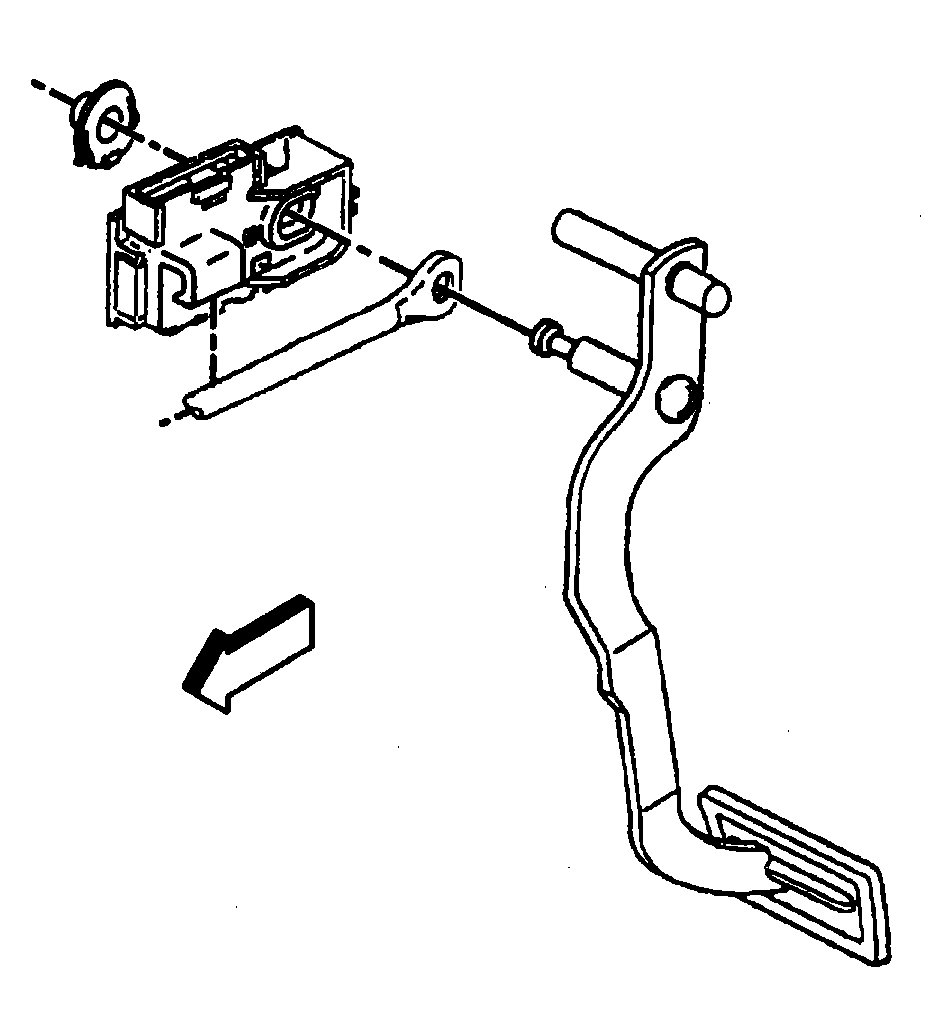
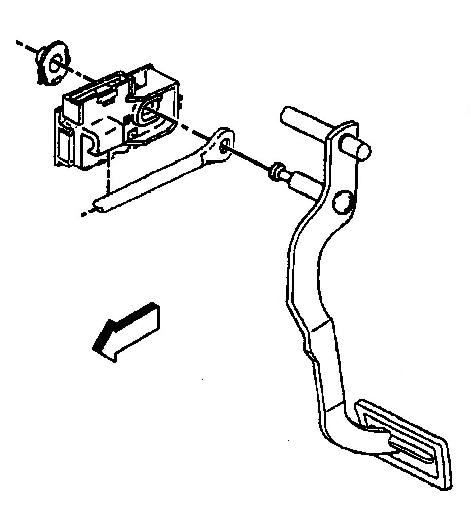
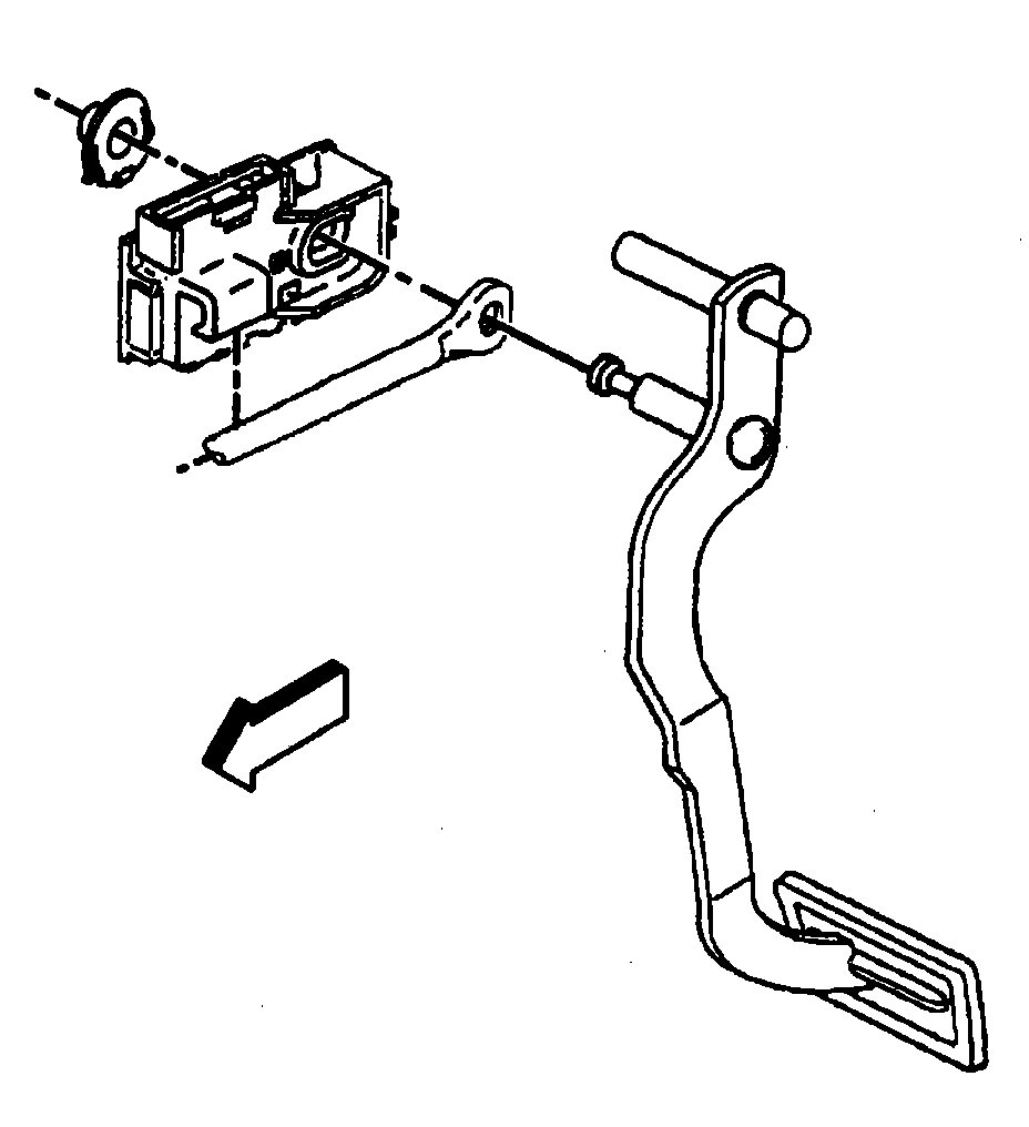
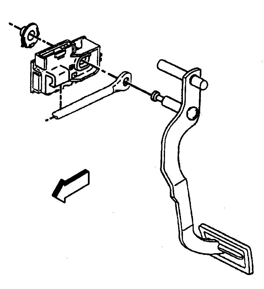
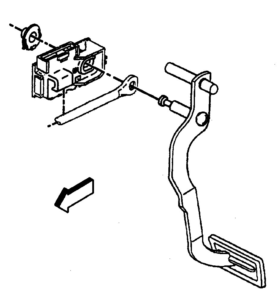
Here are the directions specific to your vehicle. Make sure the switch is being actuated when the brake pedal is being applied. Picture 2 correlates with these directions.

++++++++++++++++++++++++++++++++

SWITCH ADJUSTMENT
Stop Lamp Switch

Pic 2

Remove or Disconnect

1. Negative battery cable.
2. Disable SIR.
3. Retainer from brake pedal pin. Use snap ring pliers.
4. Switch by unsnapping from pushrod.
5. Electrical connector from switch.

Install or Connect

1. Electrical connector into switch.
2. Switch by snapping it onto pushrod.
3. Retainer onto brake pedal pin. Use 11mm (7/16 inch) socket to push new clip on pin.
4. Negative battery cable.
5. Enable SIR.

____________________________________________

Now, if there is power to the orange wire and the switch is properly installed and actuating, confirm power out of the switch via the white wire using a test light.

Here are a few links you may find helpful when performing these tasks:

https://www.2carpros.com/articles/how-a-car-fuse-works

https://www.2carpros.com/articles/how-to-check-a-car-fuse

https://www.2carpros.com/articles/how-to-use-a-test-light-circuit-tester

https://www.2carpros.com/articles/how-to-use-a-voltmeter

https://www.2carpros.com/articles/how-to-check-wiring

Let me know what you find or if you have other questions. I will watch for your reply.

Take care,
Joe
Was this
answer
helpful?
Yes
No
Thursday, June 20th, 2019 AT 8:44 PM

Please login or register to post a reply.