No brake lights

Tiny
PATTCLAN
  • MEMBER
  • 1999 CHEVROLET SUBURBAN

No brake lights but turn signals work and rear lights will come on when I turn on the headlights. The hazard flasher switch is faulty (intermittent) but if you push to one side the tail lignts will flash. The problem started after the hazard flasher started acting up. All fuses and relays appear to be fine.

Can the hazard switch on the steering column case this problem if it is bad?
Tuesday, June 30th, 2009 AT 12:23 PM

42 Replies

Tiny
BMRFIXIT
  • MECHANIC
  • 19,053 POSTS
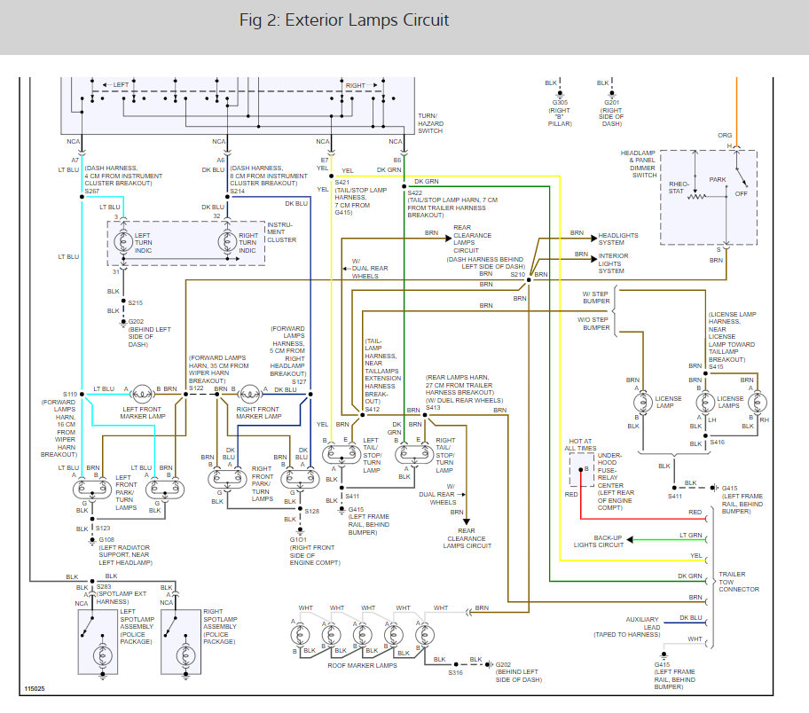
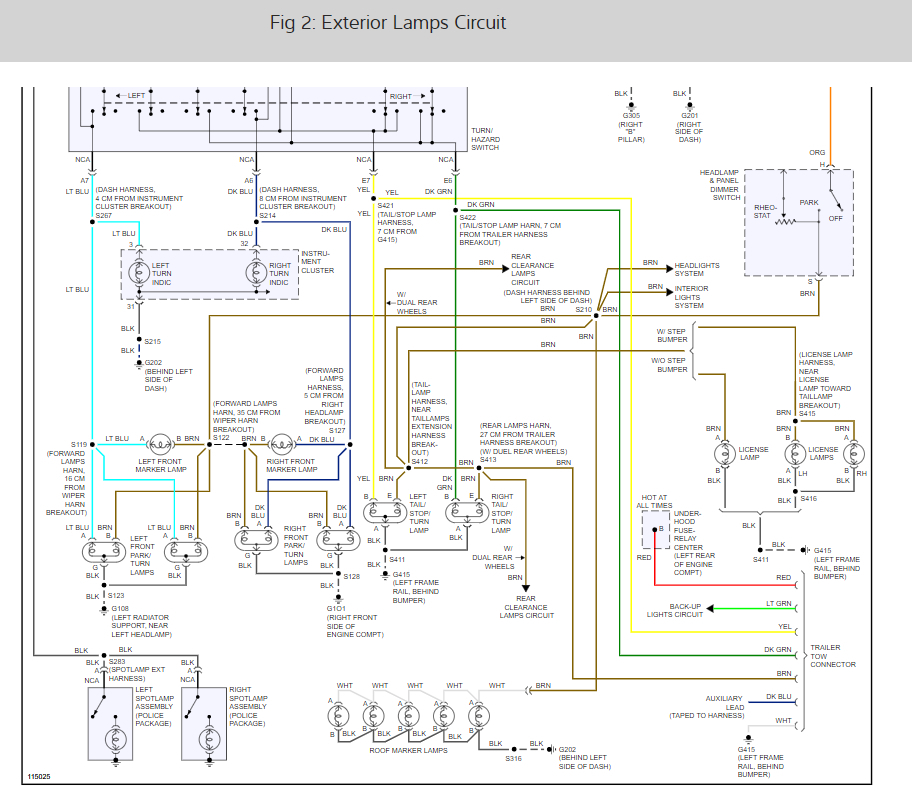
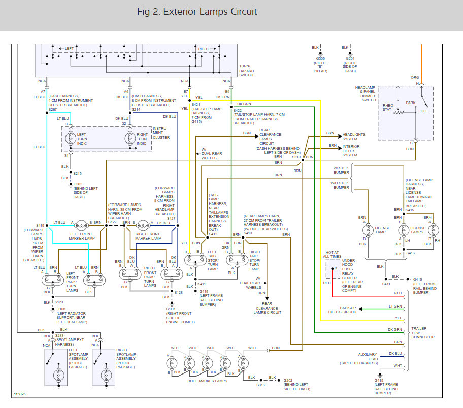
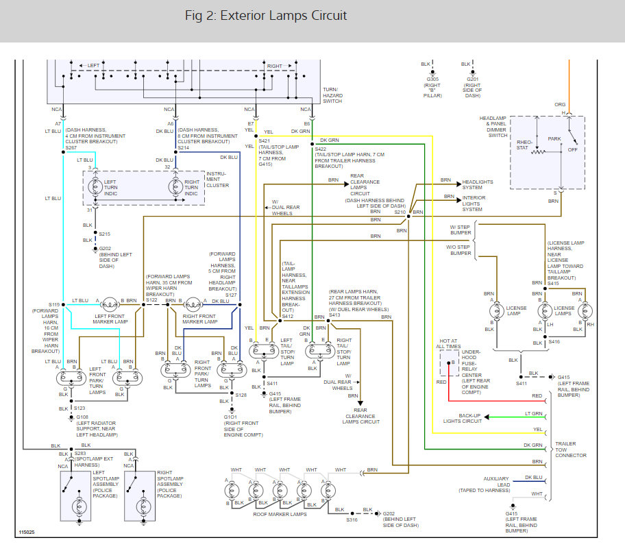
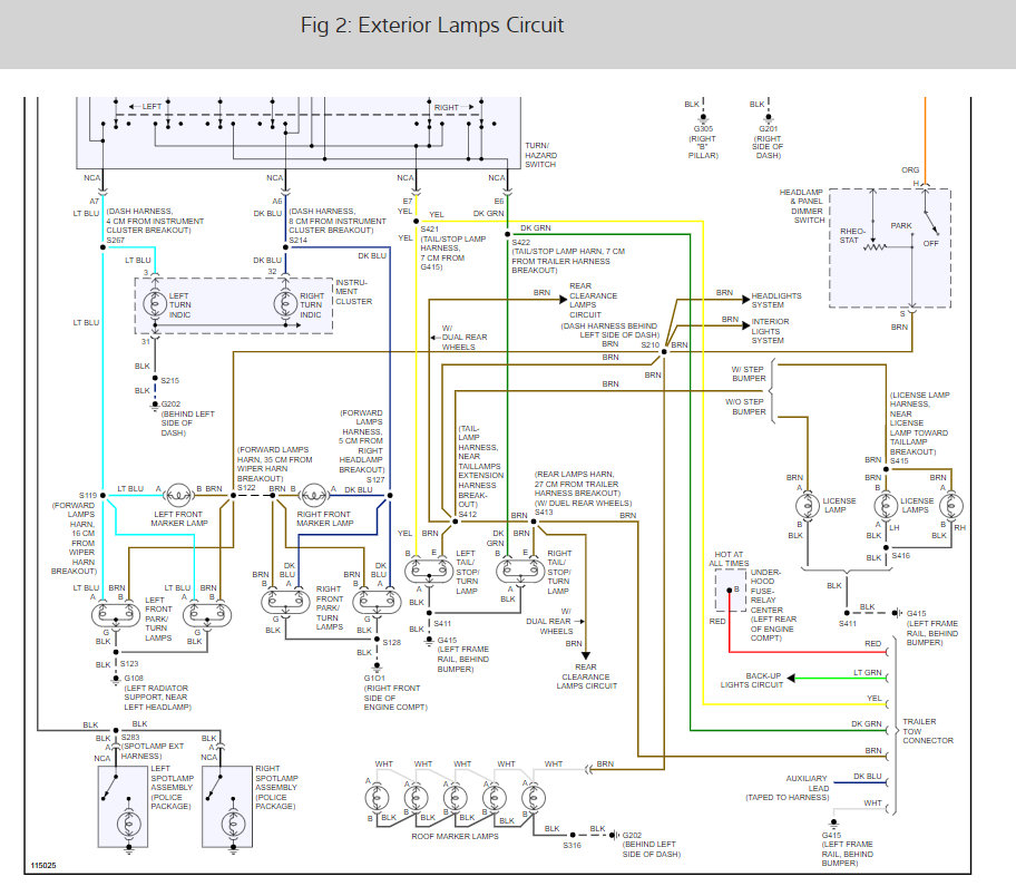
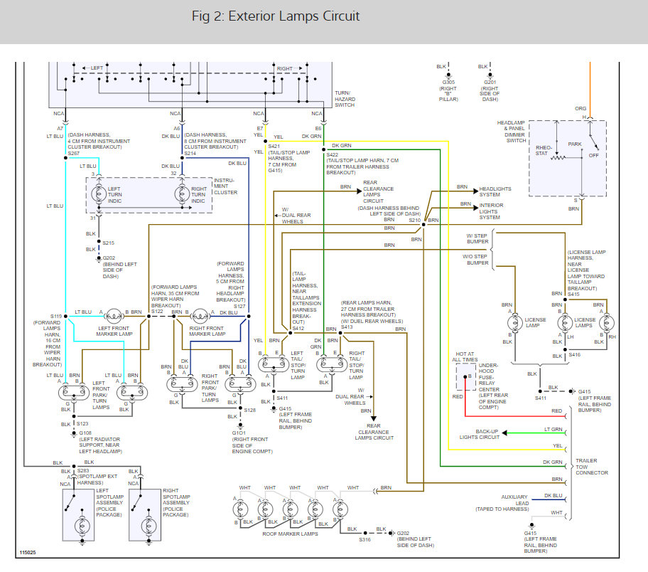
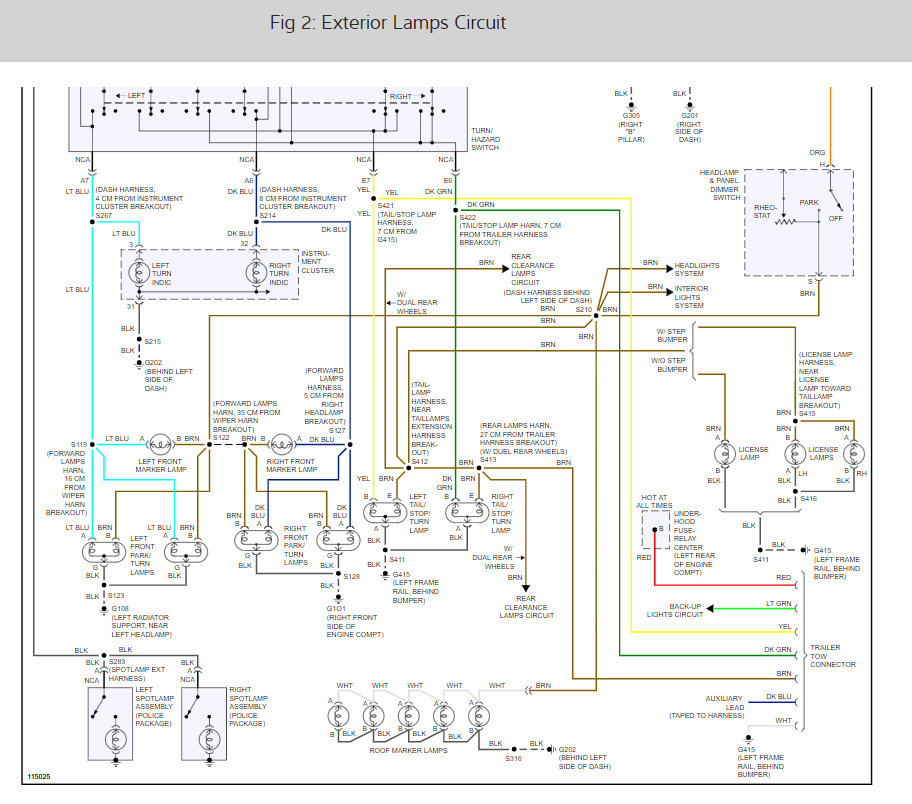
Step on the brake and if you have the mid (3rd )light on replace flasher relay and check flasher switch. Here is a guide and the brake light wiring diagrams so you can see how it works.

https://www.2carpros.com/articles/brake-lights-not-working

Check out the diagrams (Below). Please let us know what you find.
Was this
answer
helpful?
Yes
No
-2
Tuesday, June 30th, 2009 AT 8:20 PM
Tiny
PATTCLAN
  • MEMBER
  • 1 POST
Thanks, sounds like I am on the right track. I have replaced the relay and am going to replace the flasher switch. How hard is this switch to replace? It looks like the steering wheel has to come off.

BMRFIXIT


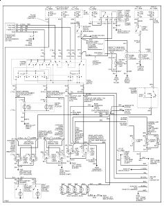
https://www.2carpros.com/forum/automotive_pictures/99387_Graphic1_410.jpg



If the 3rd light is not working check for power at the brake light switch
if it work continue on with your check

good luck
Was this
answer
helpful?
Yes
No
Friday, July 3rd, 2009 AT 6:07 AM
Tiny
BMRFIXIT
  • MECHANIC
  • 19,053 POSTS
Yes, the steering wheel has to come off. Which means the air bag has to be dealt with as well as the clock spring in the top of the column/wheel.
1. Make sure the lever is in the center or the OFF position.
2. Disable the Supplemental Inflatable Restraint (SIR) system.

Caution: Refer to Battery Disconnect Caution in Service Precautions.

3. Remove the inflator module.
4. Remove the horn pad assembly.
5. Remove the horn switch.
6. Remove the steering wheel nut.
7. Use the J 1859-A in order to remove the steering wheel.
8. Remove the knee bolster.
9. Loosen the steering column bracket nuts.
10. Remove the two TORSO head screws from the lower column cover.
11. Tilt the cover down and slide the cover back in order to disengage the locking tabs. Lower the column cover.
12. Remove the two TORSO head screws from the upper column cover.
13. Remove the steering column lock set.
14. Remove the upper column cover.
15. Remove the two wire harness straps from the steering column wire harness.
16. Remove the Connector Position Assurance (CPA) retainer from the Brake Transmission Shift Interlock (BTSI).
17. Disconnect the steering column bulkhead connector from the vehicle wire harness.
18. Disconnect the gray and the black connectors of the switch from the column bulkhead connector.
19. Remove the two TORX head screws from the switch.
20. Remove the multifunction turn signal/hazard switch.
1. Install the multifunction turn signal/hazard switch.
1.1. Use a small blade screwdriver in order to compress the electrical contact. Move the multifunction switch into position.
1.2. Make sure the electrical contact rests on the canceling cam assembly.
2. Install the two TORX head screws on the switch.
- Tighten the screws to 6 Nm (53 inch lbs.).

Notice: Refer to Fastener Notice in Service Precautions.

3. Connect the gray and the black connectors of the switch to the column bulkhead connector.
4. Install the steering column bulkhead connector to the vehicle wire harness.
5. Install the connector and the CPA retainer to the BTSI.
6. Install the two wire straps on the steering column wire harness.
7. Install the upper column cover.
8. Install the steering column bracket nuts.
- Tighten the nuts to 30 Nm (22 ft. Lbs.).
9. Install the knee bolster.
10. Install the steering column cylinder lock set.
11. Install the two TORX head screws to the upper column cover.
- Tighten the screws to 1.4 Nm (12 inch lbs.).
12. Install the lower column cover.
13. Install the two TORX head screws to the lower column cover.
- Tighten the screws to 6 Nm (53 inch lbs.).
14. Make sure the lever is in the center or the OFF position.
15. Install the steering wheel onto the steering shaft.
16. Install the steering wheel nut.
- Tighten the steering wheel nut to 40 Nm (29 ft. Lbs.).
17. Install the horn pad assembly.
18. Install the horn switch.
19. Install the inflator module.
20. Enable the Supplemental Inflatable Restraint (SIR) system.

There is a diagram of the switch/column attached below
Was this
answer
helpful?
Yes
No
-1
Thursday, March 21st, 2019 AT 6:57 PM
Tiny
99BURBAN
  • MEMBER
  • 2 POSTS
  • 1999 CHEVROLET SUBURBAN
Electrical problem
1999 Chevy Suburban V8 Four Wheel Drive Automatic

Checked fuses, all good. No brake lights on either side of the roof mounted light.
Was this
answer
helpful?
Yes
No
+3
Thursday, March 21st, 2019 AT 6:58 PM (Merged)
Tiny
JDL
  • MECHANIC
  • 16,098 POSTS
Hello, do the lower brake lites work ok? I'd have to check the voltage circuit to the upper brake lite. Splice 220 is a junction for several brake circuits, don't have location for that splice. I'd have to track circuit from the brake switch, white wire.
Was this
answer
helpful?
Yes
No
-2
Thursday, March 21st, 2019 AT 6:58 PM (Merged)
Tiny
99BURBAN
  • MEMBER
  • 2 POSTS
Thank you both for your response. The problem was the brake lamp switch.
Wonderful site!

Jim
Was this
answer
helpful?
Yes
No
-1
Thursday, March 21st, 2019 AT 6:58 PM (Merged)
Tiny
RODNEY HOWELL
  • MEMBER
  • 2 POSTS
  • 1999 CHEVROLET SUBURBAN
  • V8
  • 2WD
  • AUTOMATIC
  • 165,000 MILES
Replaced brake switch, fuses, bulbs; all rear lights work except BRAKE lights
Was this
answer
helpful?
Yes
No
Thursday, March 21st, 2019 AT 6:58 PM (Merged)
Tiny
RASMATAZ
  • MECHANIC
  • 75,992 POSTS
If the high mount center brake light is coming On -check and test the turn and hazard switch the bottom lights goes thru this switch
Was this
answer
helpful?
Yes
No
Thursday, March 21st, 2019 AT 6:58 PM (Merged)
Tiny
RODNEY HOWELL
  • MEMBER
  • 2 POSTS
The high mount center light is not coming on either
Was this
answer
helpful?
Yes
No
Thursday, March 21st, 2019 AT 6:58 PM (Merged)
Tiny
RASMATAZ
  • MECHANIC
  • 75,992 POSTS
Recheck the brake switch adjustment and for power to it-
Was this
answer
helpful?
Yes
No
Thursday, March 21st, 2019 AT 6:59 PM (Merged)
Tiny
MIKELWC
  • MEMBER
  • 7 POSTS
  • 2002 CHEVROLET SUBURBAN
  • 5.3L
  • V8
  • 4WD
  • AUTOMATIC
  • 120,000 MILES
I currently have no brake lights! I have checked the fuses with a digital multimeter and they are good. I have replaced the brake light switch. My cruse control works just fine. My turn signals work just fine. If I use the trailed brake controllers manual switch the third brake light comes on. What do I check next?
Was this
answer
helpful?
Yes
No
Thursday, March 21st, 2019 AT 6:59 PM (Merged)
Tiny
SATURNTECH9
  • MECHANIC
  • 30,869 POSTS
Have you checked to see if you have power to the brake light bulbs when stepping on the brakes?Also you mentioned trailer lights did you install diodes on your brake circuit?I have seen them fail and cause the same thing to happen.
Was this
answer
helpful?
Yes
No
Thursday, March 21st, 2019 AT 6:59 PM (Merged)
Tiny
MIKELWC
  • MEMBER
  • 7 POSTS
When I step on the brake peddle there is no power to the rear bulb connectors.

Before this happened, when I stepped on the brake the trailer brake controller would light the digital readout. Now nothing.

The controller was installed using the correct pigtail to connect into the wiring harness junction box.
Was this
answer
helpful?
Yes
No
Thursday, March 21st, 2019 AT 6:59 PM (Merged)
Tiny
SATURNTECH9
  • MECHANIC
  • 30,869 POSTS
Sorry I was having trouble logging into my online repair manual. Lets start form the beginning of the circuit. With the brake pedal pushed see if the white coming out of the switch has power?
Was this
answer
helpful?
Yes
No
+1
Thursday, March 21st, 2019 AT 6:59 PM (Merged)
Tiny
SATURNTECH9
  • MECHANIC
  • 30,869 POSTS
Also while stepping on the brakes or just do this instead at the underhood fuse box see if the chmsl and veh stop fuse has power across both sides of those fuses while stepping on the brakes?
Was this
answer
helpful?
Yes
No
Thursday, March 21st, 2019 AT 6:59 PM (Merged)
Tiny
RUMPELSTILLZKIN
  • MEMBER
  • 3 POSTS
  • 1998 CHEVROLET SUBURBAN
Brakes problem
1998 Chevy Suburban Four Wheel Drive Automatic

My brake lights do not work I checked fuse, blubs and wires.I replaced brake switch, and still have no brake lights.
Was this
answer
helpful?
Yes
No
Thursday, March 21st, 2019 AT 6:59 PM (Merged)
Tiny
MASTERTECHTIM
  • MECHANIC
  • 4,750 POSTS
Do the turn signals work in the rear?
Was this
answer
helpful?
Yes
No
+4
Thursday, March 21st, 2019 AT 6:59 PM (Merged)
Tiny
MIKELWC
  • MEMBER
  • 7 POSTS
Chmsl fuse has 45.3mv on one side and 2.3mv on the other. The veh stop fuse has 2.3mv on both sides.
Was this
answer
helpful?
Yes
No
+1
Thursday, March 21st, 2019 AT 6:59 PM (Merged)
Tiny
RUMPELSTILLZKIN
  • MEMBER
  • 3 POSTS
Yes the blinkers work along with the lights. The brakes are the ones that do not light up.
Was this
answer
helpful?
Yes
No
+3
Thursday, March 21st, 2019 AT 6:59 PM (Merged)
Tiny
SATURNTECH9
  • MECHANIC
  • 30,869 POSTS
Now go to the brake switch see if the orange wire to the brake light switch has battery voltage to it?Also if the white wire coming out of the switch has battery voltage while stepping on the brakes?
Was this
answer
helpful?
Yes
No
Thursday, March 21st, 2019 AT 6:59 PM (Merged)

Please login or register to post a reply.