Wiring diagram needed for running and tail lights?

Tiny
TCANT
  • MEMBER
  • 2 POSTS
  • 2002 DODGE RAM
Do you have the tail light wiring diagram for a 2002 Dodge Ram 1500?
Was this
answer
helpful?
Yes
No
-3
Monday, March 1st, 2021 AT 12:28 PM (Merged)
Tiny
KEN L
  • MASTER CERTIFIED MECHANIC
  • 55,322 POSTS
Hey TCANT,

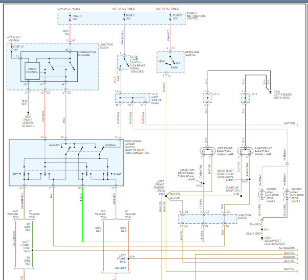
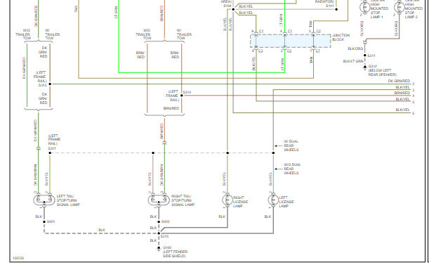
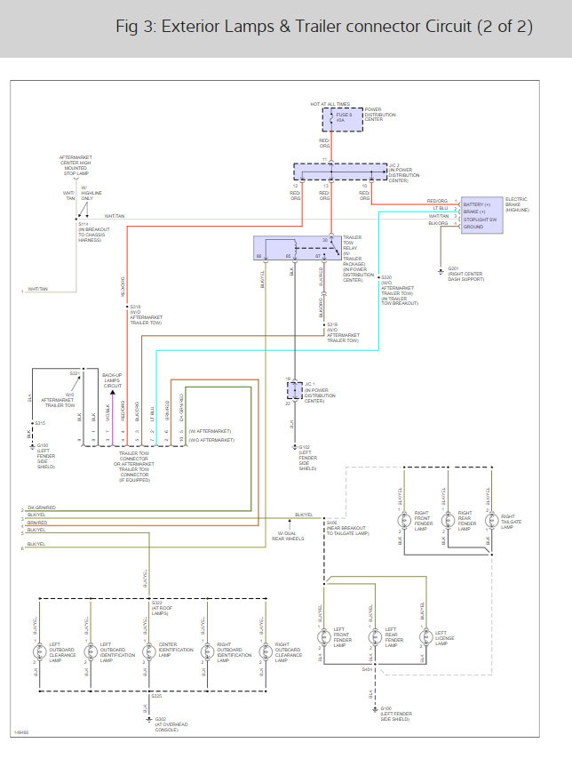
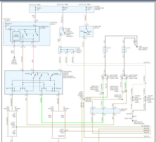
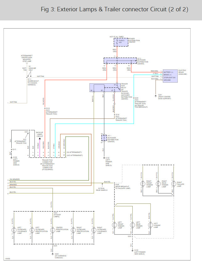
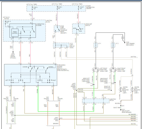
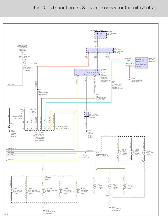
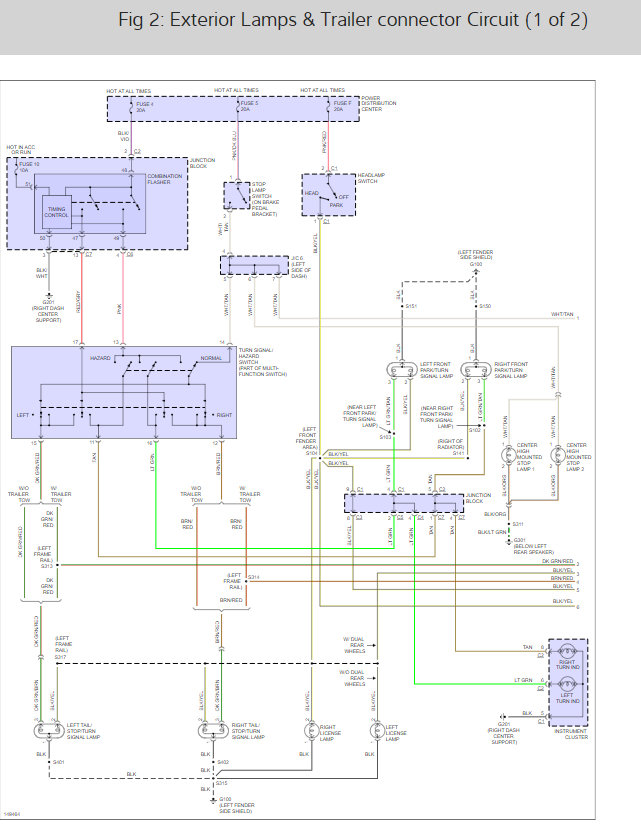
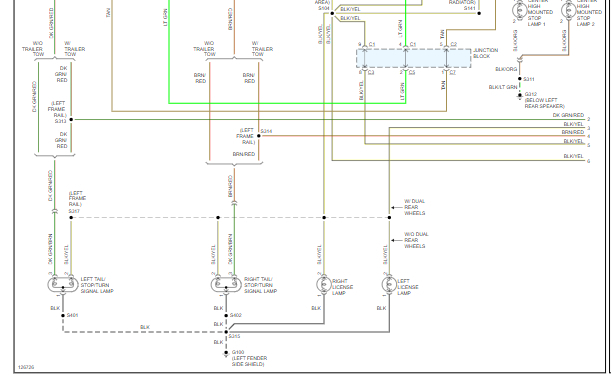
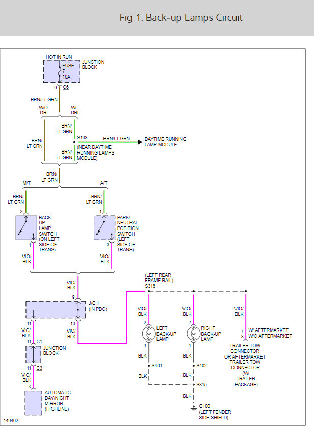
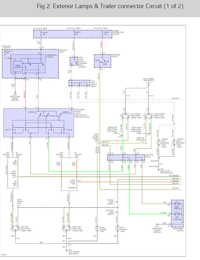
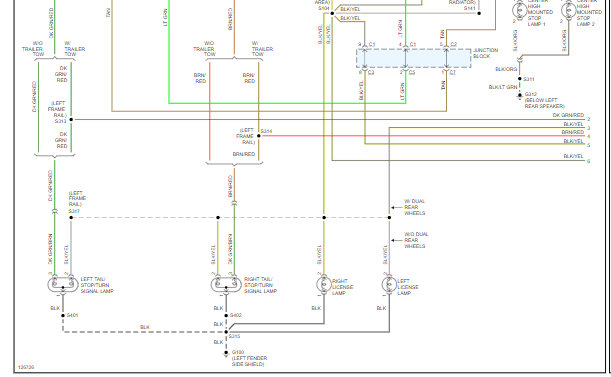
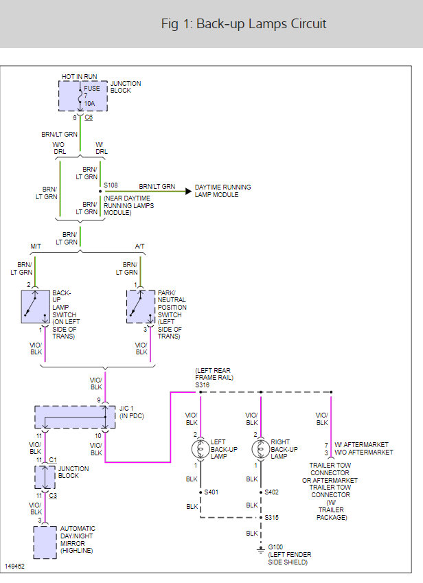
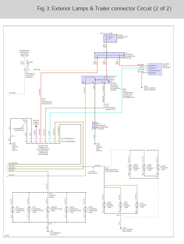
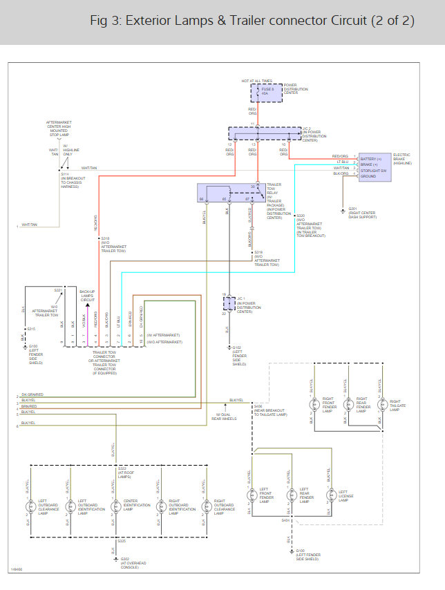
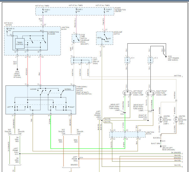
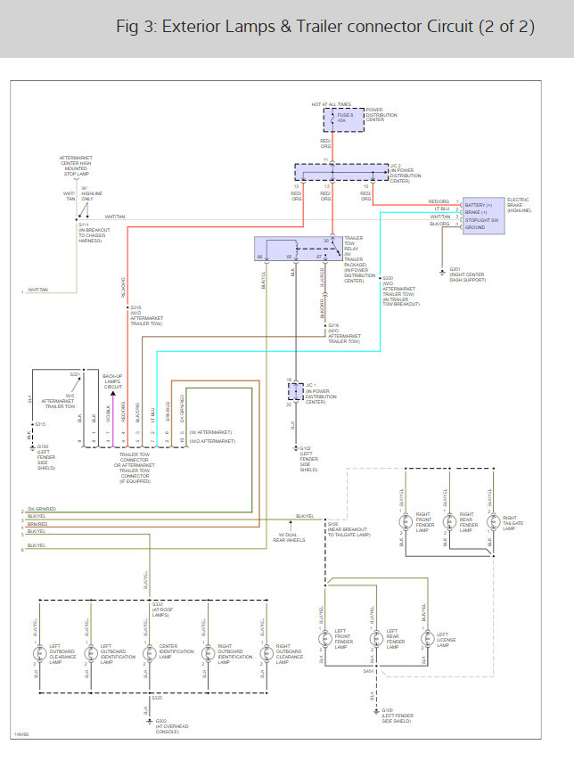
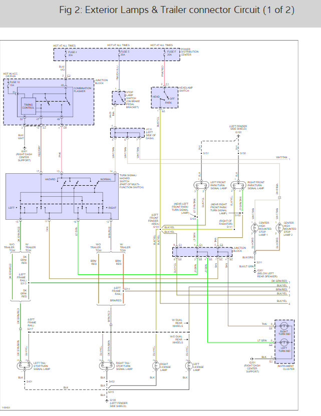
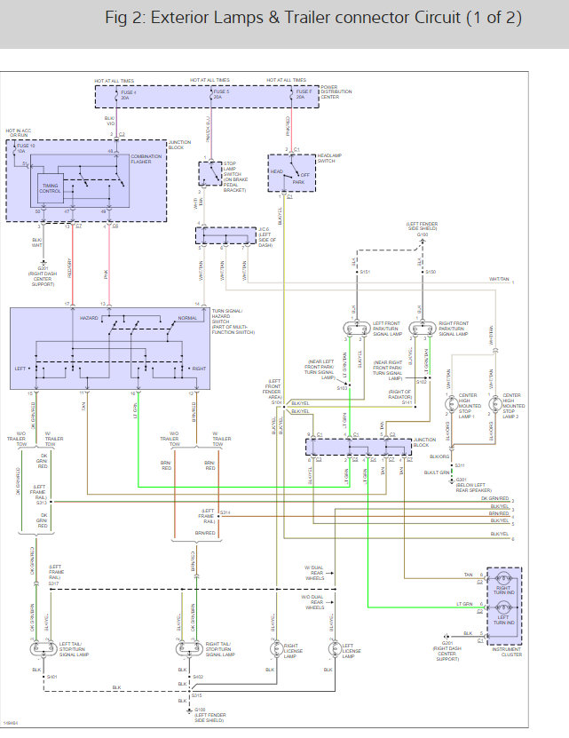
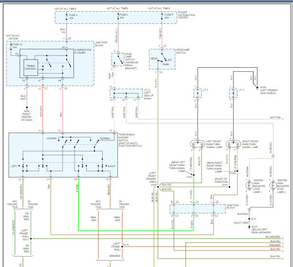
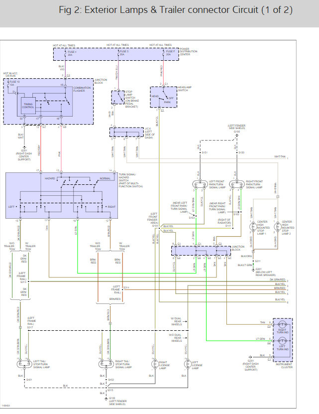
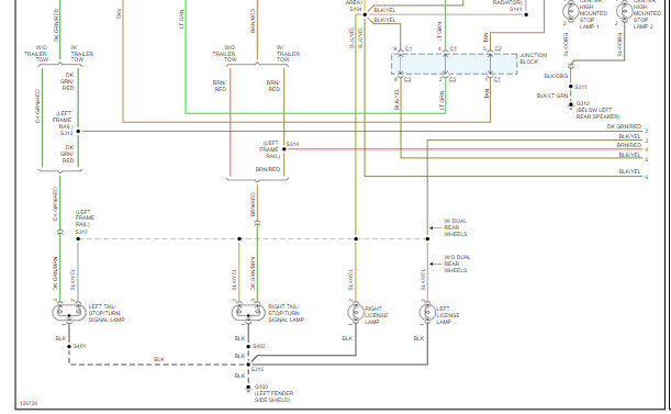
The pink wire with violet tracer is voltage for tail lamps, use a test lite. Black wire is ground. There are applicable fuses, you need to check, if no voltage. Here is the wiring diagrams you need to fix the problem. Check out the diagrams (Below). Please let us know what you find. We are interested to see what it is.
Was this
answer
helpful?
Yes
No
+9
Monday, March 1st, 2021 AT 12:28 PM (Merged)
Tiny
TCANT
  • MEMBER
  • 2 POSTS
  • 2002 DODGE RAM
What color are the wires on a 2002 dodge ram 1500 supposed to be for the tail lights? Running, brake, left and right turns and back-up? Thank you
Was this
answer
helpful?
Yes
No
+1
Monday, March 1st, 2021 AT 12:32 PM (Merged)
Tiny
CARADIODOC
  • MECHANIC
  • 34,468 POSTS
Hello,

Here is the complete brake light, running tail and blinker wiring diagrams for your truck here is a guide on how to check the wiring:

https://www.2carpros.com/articles/how-to-check-wiring

Check out the diagrams (below). Please let us know if you need anything else to get the problem fixed.

Was this
answer
helpful?
Yes
No
+1
Monday, March 1st, 2021 AT 12:32 PM (Merged)
Tiny
JEREMY FORD
  • MEMBER
  • 8 POSTS
  • 2000 DODGE RAM
  • 5.9L
  • V8
  • 4WD
  • 140,000 MILES
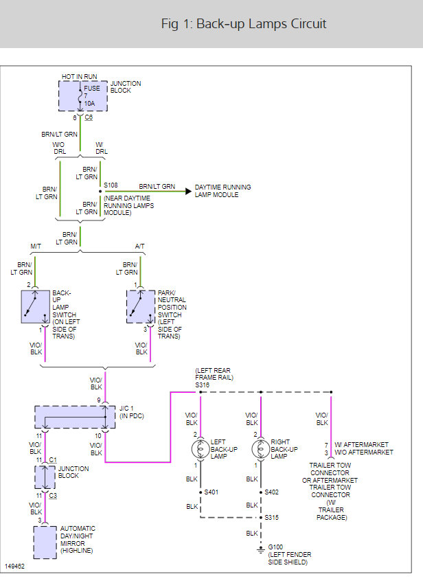
Headlight switch and taillights and fuel pump wires had been cut off. Soldered headlight plug back on and fuel pump. Starts, runs, drives now. Trying to wire taillights now. I can get the brake lights, headlights and turn signals to work. I cannot get the parking lights to work on any selection of the headlight switch. I don't know what color wire is for the taillights and can't seem to find a wire diagram for it. Any help would be awesome.
Was this
answer
helpful?
Yes
No
Monday, March 1st, 2021 AT 12:32 PM (Merged)
Tiny
DANNY L
  • MECHANIC
  • 5,648 POSTS
Hello, I'm Danny.

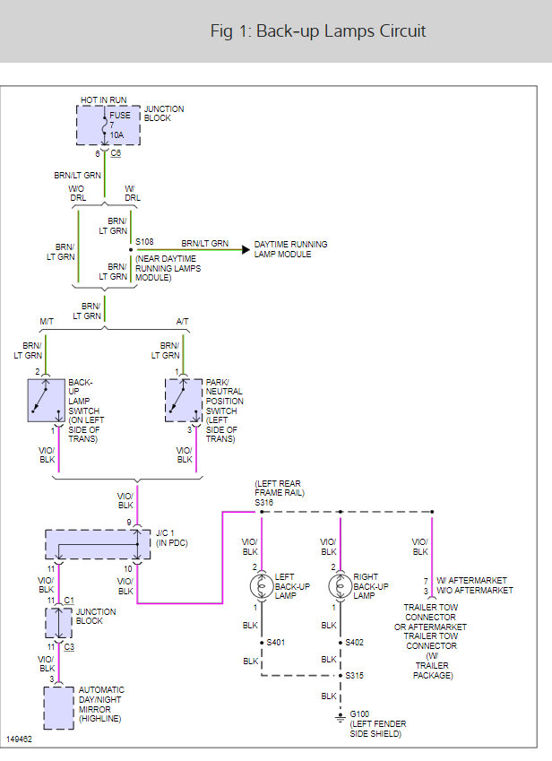
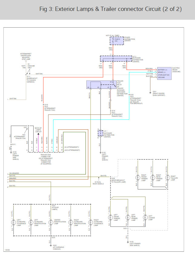
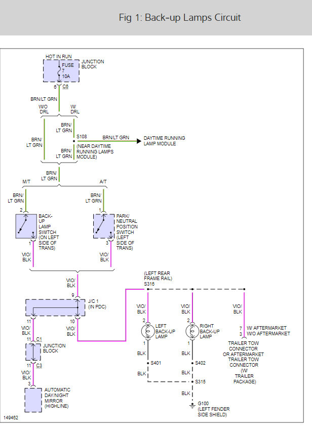
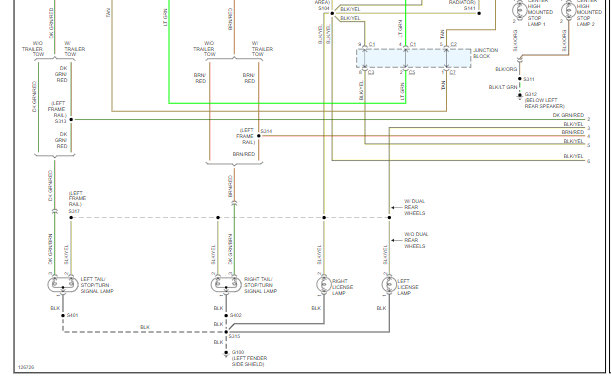
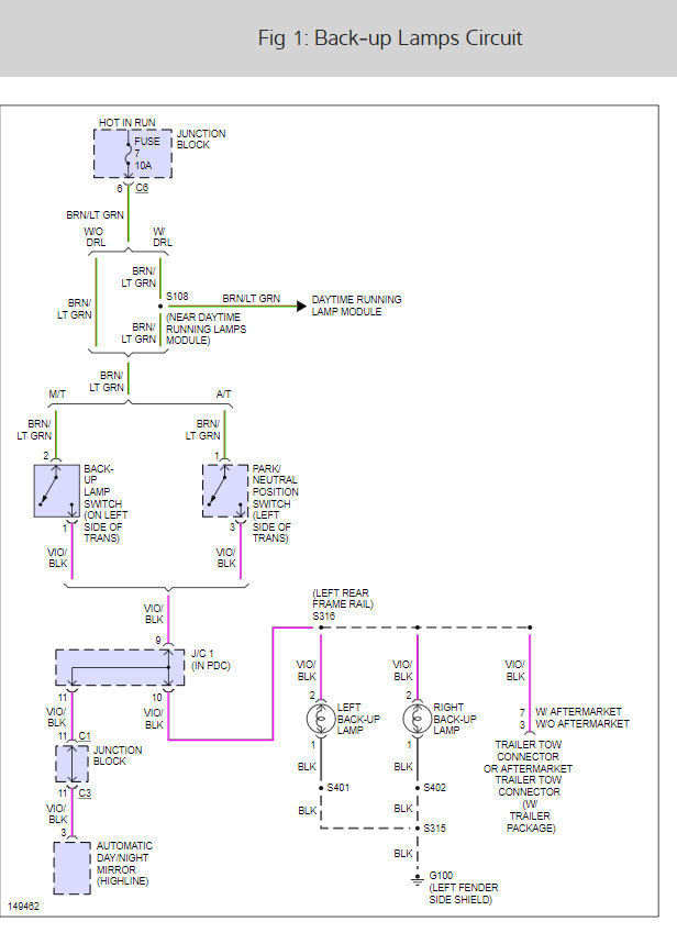
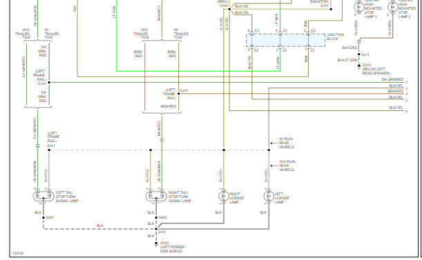
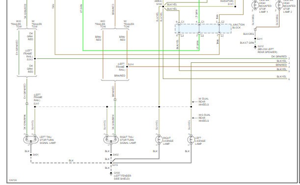
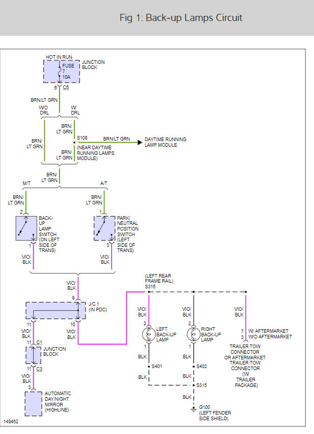
Here is the taillight wiring diagram you requested. I've cut the picture in 2 so you can view larger and attached them below. When doing wiring repairs be sure there are clean soldered, sealed connections and a clean ground. Hope this helps and thanks for using 2CarPros.
Was this
answer
helpful?
Yes
No
-1
Monday, March 1st, 2021 AT 12:32 PM (Merged)

Please login or register to post a reply.