HOME
ASK A QUESTION
REPAIR GUIDES
BECOME A MEMBER
LOG IN
Login with Facebook
OR
Remember me
NOT A MEMBER?
FORGOT PASSWORD?
CONTACT US
PRIVACY POLICY
TERMS AND CONDITIONS
☰
Home
Dodge
Ram
Exterior Light
Running Light
Not Working
Dash cluster lights and running tail lights not working. Can you help me troubleshoot the problem
PAZZANO
MEMBER
1998 DODGE RAM
100,000 MILES
I checked all fuses, and changed the headlight switch. Still not working
Saturday, November 5th, 2011 AT 6:14 PM
7 Replies
JACOBANDNICKOLAS
MECHANIC
110,194 POSTS
Start with checking the multifunction switch. Power goes through there for the lights too.
Was this
answer
helpful?
Yes
No
Saturday, November 5th, 2011 AT 6:17 PM
PAZZANO
MEMBER
4 POSTS
Thank You,
This might be a dumb question, but where is that switch located?
Was this
answer
helpful?
Yes
No
Saturday, November 5th, 2011 AT 6:30 PM
PAZZANO
MEMBER
4 POSTS
Dumb question - I just figured out what the multifunction switch is.
Was this
answer
helpful?
Yes
No
Saturday, November 5th, 2011 AT 6:36 PM
JACOBANDNICKOLAS
MECHANIC
110,194 POSTS
Not a problem. Let me know if you need wiring schematics or anything else.
Was this
answer
helpful?
Yes
No
Saturday, November 5th, 2011 AT 6:40 PM
PAZZANO
MEMBER
4 POSTS
I checked the power for the multiswitch and it is good.? I'm lost?
Was this
answer
helpful?
Yes
No
Saturday, November 5th, 2011 AT 6:58 PM
PAZZANO
MEMBER
4 POSTS
If you can help with any wiring schematics that would be very helpful.
Thanks again for your help.
Was this
answer
helpful?
Yes
No
Saturday, November 5th, 2011 AT 7:40 PM
JACOBANDNICKOLAS
MECHANIC
110,194 POSTS
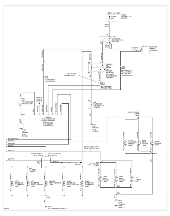
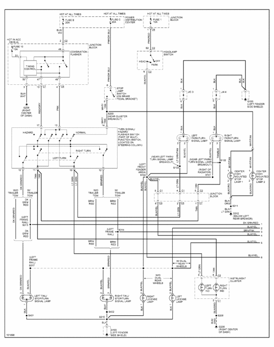
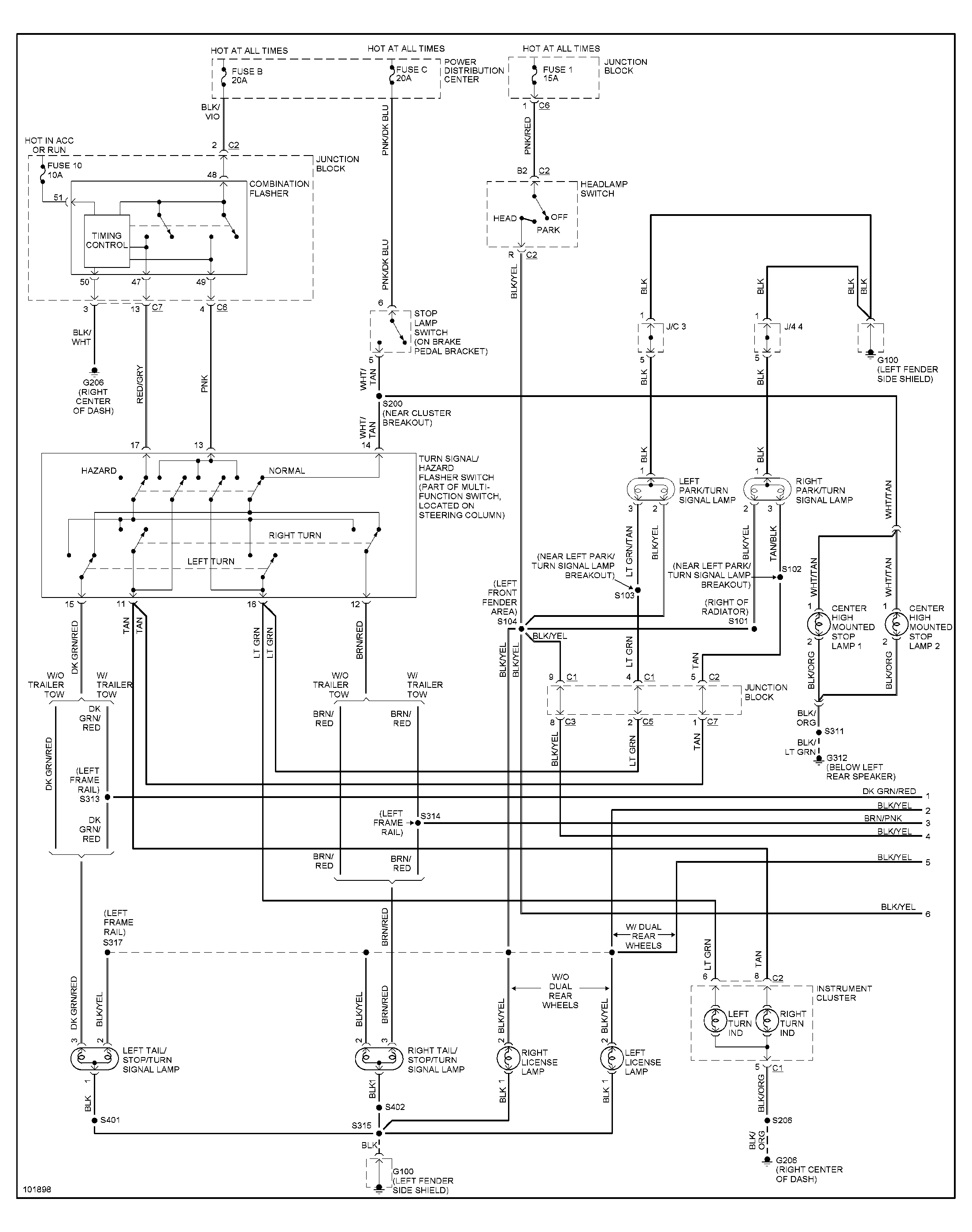
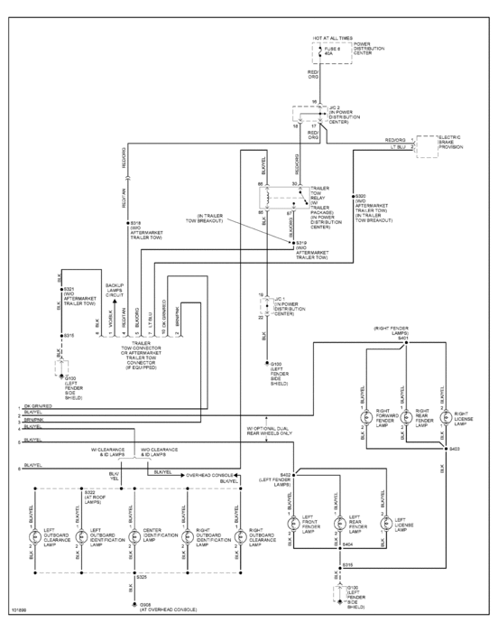
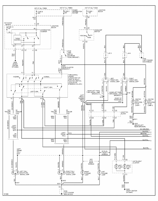
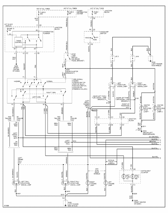
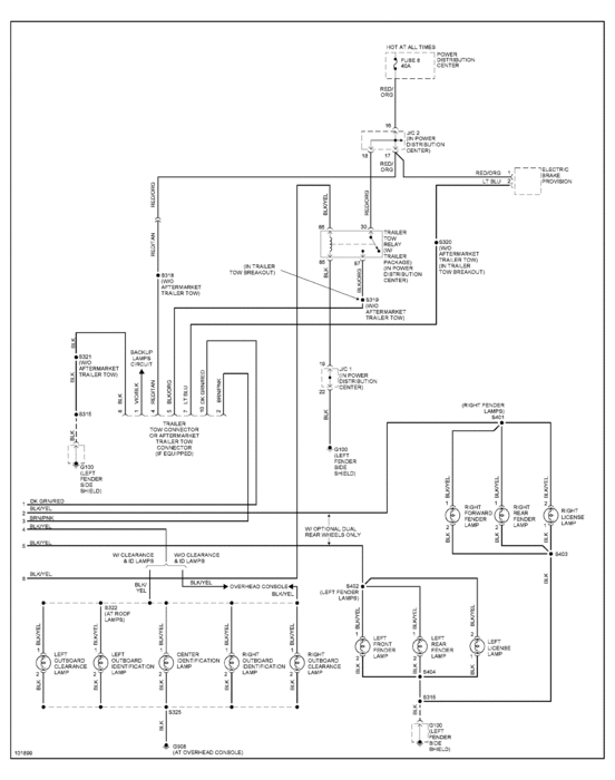
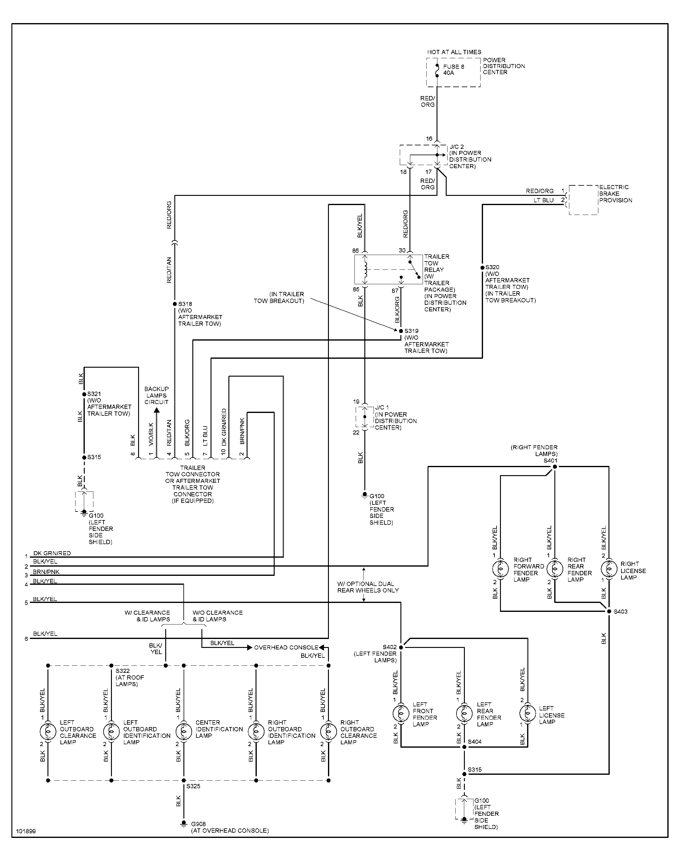
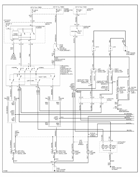
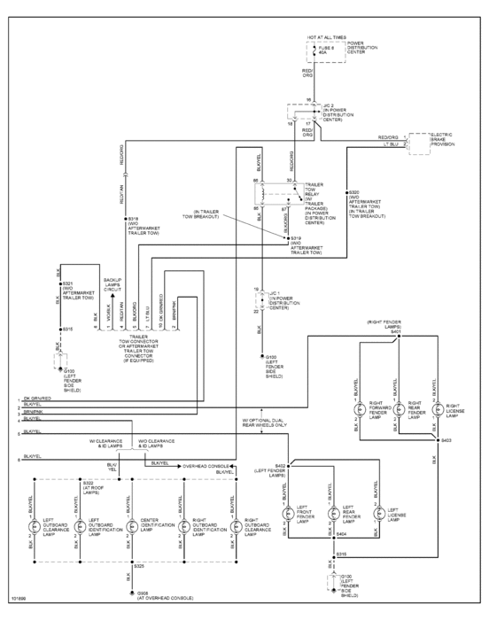
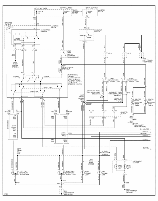
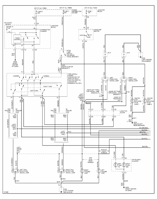
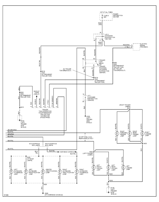
I attached 2 schematics for exterior lights. Let me know if they help.
Images (Click to make bigger)
Was this
answer
helpful?
Yes
No
+1
Sunday, November 6th, 2011 AT 5:38 AM
Please
login
or
register
to post a reply.
Related Running Light Not Working Content
My Parking Lamps Don't Work, The Tail Lights Only...
My Parking Lamps Don't Work, The Tail Lights Only Work When Breaking, And The Blinkers Work With The Tail Lights, And The Front Left...
Asked by
SHS8475
·
1 ANSWER
9 IMAGES
2006
DODGE RAM
Speed Odometer Not Working And No Tail Light And Now...
Replace Headlight Switch And Speed Sensor. While Cranking Smoke Came Out, After That No Crank. Can Not Locate What Was Burn Out. Try Direct...
Asked by
jouapaov
·
1 ANSWER
2 IMAGES
1993
DODGE RAM
2002 Dodge Ram No Tail Lights Or Running Lights
The Headlights And Brake Lights Are Functioning However The Taillights And Running Lights Are Not Working. I Have Replaced Bulbs And Fuses...
Asked by
mrcrabbypants
·
1 ANSWER
2002
DODGE RAM
Parking\hazard And Stop\parking Light No Longer...
2002 Doge Ram. Please Help Me To Help My Husband ! We Installed These Led Licence Plate Screws. My Husband Had The Lights Accidentally...
Asked by
happyx3nj
·
7 ANSWERS
DODGE RAM
1987 Dodge Troubles
We Have A 1987 Dodge Ram D100 Truck We Noticed Our License Plate Lights Were The Bulbs And Fuses Are Good Now Our Tail Lights Are Out Too...
Asked by
scp62
·
2 ANSWERS
1987
DODGE RAM
VIEW MORE
Ask a Car Question. It's Free!
How to Use a Test Light
Have a Dim Headlight? - Try Replacing This!
Turn Signals Blink Fast